1과목: 전자회로
2. 직렬 전압 귀환증폭기의 특징에 대한 설명으로 틀린 것은?
3. P형 반도체를 만들려면 순수한 반도체에 어느 것을 사용해야 하는가?
4. 다음 회로에서 V0에 대한 설명으로 옳은 것은? (단, 이상적인 연산증폭기이다.)
5. 정현파 입력에 의하여 구형파의 출력 파형을 얻는 회로는?
6. 이미터 폴로어의 특징에 대한 설명으로 틀린 것은?
7. 귀환증폭기에 대한 설명으로 옳은 것은?
8. 다음과 같은 회로의 명칭은?
9. 다음 회로에서 두 개의 FET가 동일할 때 전압 이득은? (단, μ=100, rd=10[kΩ])
10. 다음 그림과 같은 귀환회로에서 전압 증폭도 AFB를
라 하면 부귀환 작용을 할 수 있는 조건?
11. 그림과 같은 필터 회로에서 리플 함유율을 작게 하는 방법으로 틀린 것은?
12. JFET의 포화영역에서 드레인 전류(IDS)를 나타내는 식으로 가장 적합한 것은? (단, IDSS : VGS = 0일 때 그레인 전류, Vp : 핀치오프 전압이다.)




"이다.
가 가장 적합한 식이다.13. 발진회로의 특성에 대한 설명으로 틀린 것은?
14. 비안정 멀티바이브레이터 회로에서 아래의 조건과 같을 때, 반복주기는 얼마인가? (단, C1=C2=0.4[μF], Rc1=Rc=20[kΩ], RB1=RB2=150[kΩ]이다.)
15. 부저항(Negative Resistance) 특성을 가진 다이오드는?
16. 다음 회로에서 전류 I의 최대치(peak) 값은? (단, 다이오드 순방향 저항 20[Ω], Vi의 실효치 110[V]이다.)(오류 신고가 접수된 문제입니다. 반드시 정답과 해설을 확인하시기 바랍니다.)
17. A급 전력증폭기에 대한 설명으로 틀린 것은?
18. 회로에 대한 설명으로 틀린 것은?
20. 60[Hz], 3상 전파 정류회로에서 생기는 맥동주파수는?
2과목: 전기자기학 및 회로이론
21. Q1[C]으로 대전된 C1[F]의 콘덴서에 용량 C2[F]를 병렬 연결하면 C2가 분배 받는 전기량[C]은?




"이다.22. 서로 같은 방향으로 전류가 흐르고 있는 나란한 두 도선 사이에 작용하는 힘은?
23. 내구의 반지름 10[cm], 외구의 반지름 20[cm]인 동심 도체구의 정전용량은 몇 [pF]인가?
24. 동심구의 각 반지름이 a = 0.1[m], b = 0.15[m], c = 0.16[m]인 경우, 내구에 100[V]를 가하고 외구를 영전위로 하였다. 여기에 축적되는 에너지는 몇 J 인가?
25. 전류에 의한 자계의 방향을 결정하는 법칙은?
26. 포아송의 방정식으로 옳은 것은?


27. 수평 전파는 무엇인가?
28. 자계에 있어서의 자화의 세기 J[Wb/m2]는 유전체에서의 무엇과 동일한 의미를 가지고 대응되는가?
29. 자계 중에서 이것과 직각으로 놓인 도체에 I[A]의 전류를 흘릴 때, F[N]의 힘이 작용하였다. 이 도체를 v[m/s]의 속도로 자계와 직각으로 운동시킬 때의 기전역 e[V]는?




"이 정답이 된다.30. 50[V/m]인 평등 전계 중에 80[V]되는 A점에서 전계방향으로 0.8[m] 떨어진 B점의 전위는 몇 [V] 인가?
31. 다음 파형의 라플라스 변환은? (단, E와 T는 상수이고,
이다.)
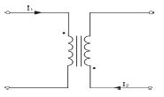
32. 콘덴서 양단에 걸리는 전압은 회로에 흐르는 전류를 기준으로 어느 정도의 위상을 갖는가?
33. 전송 파라미터(ABCD)에서 어드미턴스의 성질을 갖는 상수는?
34. 다음 그림 중에서 상호 인덕턴스 M이 부(-)인것은?




35. 정 K형 여파기(constant K-type filter)에 있어서 임피던스 Z1, Z2는 어떻게 나타내는가? (단, K는 공칭 임피던스라 한다.)





36. 다음 회로에서 역률을 구하면 얼마인가?
37. RLC 병렬 회로에 대한 설명으로 옳은 것은?
38. 부하저항 RL에 걸리는 전압은 몇 [V] 인가?(오류 신고가 접수된 문제입니다. 반드시 정답과 해설을 확인하시기 바랍니다.)
39. 50[μF]의 콘덴서에 100[V], 60[Hz]의 교류전압을 가할 때의 무효 전력[Var]은?
40. 회로에서 t = 0일 때, 스위치를 닫는다면 초기 전류 i(t)t=0의 값은? (단, 콘덴서의 초기 전하는 0 이다.)
3과목: 전자계산기일반
41. 어떤 명령이 실행되기 위해서 가장 먼저 이루어지는 마이크로 오퍼레이션은?
42. 다음 중 목적 프로그램을 시스템 라이브러리와 연결시켜 실행 가능한 모듈로 생성해 주는 역할을 하는 것은?
43. 0101000-1101101의 2진수 뺄셈 연산을 2의 보수를 이용하여 계산하면 10진수로 얼마인가?
44. 10진수 -68을 2의 보수의 표현으로 8bit로 올바르게 표현한 것은?
45. 컴퓨터 내부에서 연산의 증감결과를 임시적으로 기억하거나 데이터의 내용을 이송할 목적으로 사용되는 일시 기억장치는?
46. 컴퓨터에서 중앙처리장치가 메모리에 1회 접근하여 자료를 처리하는 데 걸리는 시간을 나타내는 용어는?
47. 8비트에 BCD 코드 2개의 숫자를 표현하는 방법으로 기억장치의 공간 이용도를 높일 수 있어 주로 10진수 연산에 사용되는 것은?
48. 다음 중 컴퓨터에서 interrupt가 발생하면 가장 먼저 취하는 것은?
49. 묵시적 주소지정 방식에서 산술 연산을 실행하는데 사용되는 레지스터는?
50. 정렬(Sort)하는 기호로 한 항목의 어떤 집합을 특정 순서로 바꾸어 놓는 것을 의미하는 기호는?




" 이다. 이유는 이 기호는 두 개의 값을 비교하여 작은 값을 왼쪽으로, 큰 값을 오른쪽으로 이동시키는 방식으로 정렬을 수행하기 때문이다. 이러한 방식을 반복하면서 전체 집합을 정렬할 수 있다. 다른 기호들은 수학적인 연산을 나타내는 것이며, 정렬과는 관련이 없다.51. 다음 중 인터프리터 언어는?
52. 프로그램의 코딩 과정을 정확하게 설명한 것은?
53. 다음 그림은 반가산기의 기호이다. 입력 A = 1, B = 1인 경우 출력 S, C의 값은?
54. 기억장치의 100번지에는 200이 저장되어 있고, 200번지에는 300이 저장되어 있는 경우 다음 명령이 즉치 주소지정방식인 경우와 간접 주소지정방식인 경우 실제 데이터 값은?
55. 다음 기억장치 중에서 refresh를 필요로 하는 것은?
56. 다음 중 폰 노이만(Von Neumann)형 컴퓨터의 특성이 아닌 것은?
57. 마이크로프로세서의 구성 부분 중 산술 연산이나 논리 연산을 행하는 곳은?
58. 다음 중 C 언어의 scanf( ) 함수에 대한 설명으로 잘못된 것은?
59. 다음의 연산에서 비수치적 연산이 아닌 것은?
60. 디코더(Decoder)의 입력이 3개일 때 출력은 보통 몇 개인가?
4과목: 전자계측
61. 전압계와 전류계를 그림과 같이 접속하여 부하전력을 측정하였을 때 100[V], 1[A]가 나타날 경우에 부하전력은? (단, 전압계의 저항은 1000[Ω] 이다.)
62. 주파수 계수기의 구성요소 중 게이트 회로 다음에 무슨 회로가 첨부되는가?
63. 싱크로스코프의 수평편향판 간에 EH, 수직평향판 간에 EV인 정현파 전압을 각각 인가시켜 나타나는 리사쥬(Lissajous) 도형은? (단, EH=Emsin(ωt -
), EV=Emsinωt 이다.)
64. 보간 발진기법에 의한 고주파 측정에서 f1 = 1.2[MHz], f2 = 1.8[MHz]일 때 미지 주파수 fx는 얼마인가?
65. 오실로스코프의 동기방법으로 틀린 것은?
66. 다음 기호의 계기는 교류용이며 고주파에 사용할 경우에 어떤 형의 계기로 사용하면 되는가?
67. 유도형 적산전력계의 구성요소가 아닌 것은?
68. 60[Hz]의 전압을 오실로스코프로 측정할 때 주기는 약 얼마인가?
69. 다음 내용에서 설명하는 소자는 무엇인가? (단, T = 금속의 온도, Tref = 개방된 쪽의 온도이다.)
70. 오실로스코프를 사용하여 측정이 불가능한 것은?
71. 펄스의 주파수 500[Hz], 펄스폭 1[㎲]인 펄스의 충격계수(Duty Cycle) D는?
72. 교류용(상용 주파수) 검류계로 가장 많이 사용되는 것은?
73. 전하량을 측정하는 단위로 옳은 것은?
74. 오실로스코프를 사용하여 수직입력에 미지 주파수를 수평입력에 1000[Hz]의 신호를 가했더니 그림과 같은 리사쥬(Lissajous) 도형이 얻어졌을 때 미지 주파수는?(오류 신고가 접수된 문제입니다. 반드시 정답과 해설을 확인하시기 바랍니다.)
75. 헤테로다인 주파수계로 주파수를 측정하는 경우 주파수계를 피측정 회로에 밀 결합을 하지 않는 이유는?
76. 직사각형파 펄스를 가하여 저주파 특성을 측정하는 경우 이득이 낮은 주파수에서 감소하는 출력 파형은?(오류 신고가 접수된 문제입니다. 반드시 정답과 해설을 확인하시기 바랍니다.)




"와 같은 모양이 됩니다.77. 계수형 주파수계로 측정할 수 없는 것은?
78. 잡음에 대한 설명으로 틀린 것은?
79. 휘트스톤 브리지 저항 측정 회로에서 저항 X는?
80. 다음 중 디지털 전압계에 속하지 않는 것은?






따라서, 입력 A와 B가 모두 1일 때 AND 게이트의 출력이 1이 되고, 입력 C와 D 중에 하나 이상이 1일 때 OR 게이트의 출력이 1이 됩니다. 이 두 출력이 다시 AND 게이트의 입력으로 들어가므로, AND 게이트의 출력은 입력 A, B, C, D 중에서 A와 B가 모두 1이고, C와 D 중에 하나 이상이 1인 경우에만 1이 됩니다.
이를 논리식으로 나타내면 (A AND B) AND (C OR D)가 됩니다. 이 식을 간소화하면 (A AND B AND C) OR (A AND B AND D)가 됩니다. 따라서, "