1과목: 전자회로
1. 소신호 증폭기의 설명으로 옳은 것은?
2. PCM 회로에서 빈칸 A의 회로는?
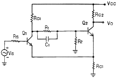
3. 회로의 전달 특성은? (단, Q1과 Q2 트랜지스터는 스위치용이다.)




4. FET 증폭기의 고주파 응답을 결정하는 것은?
5. 교류를 직류전원으로 변환할 때 사용되지 않는 부품은?
6. 전압 증폭도가 100인 증폭기의 전압이득은 몇 dB인가?
7. 증폭도 A가 매우 큰 증폭기에 귀환율 β의 부귀환을 가한 경우 전압이득은?
8. 부귀환 증폭기에서 Aβ≫1의 경우 증폭기 이득의 안정성이 향상되는 이유는?
만큼 감소되기 때문이다.9. 다이오드의 전하축적 효과가 없을 때 옳은 것은?
10. 그림의 입출력 특성을 가지는 회로는?
11. 연산증폭기 회로에 그림 ⒜를 입력할 때 그림⒝와 같은 출력이 나타나는 현상은?
12. 맥동률에 관한 설명으로 올바른 것은?
)은
로 구할 수 있다.13. 펄스부호변조(PCM)에 대한 설명 중 틀린 것은?
14. 펄스 회로의 출력이 Vo=1-e-0.1t일 때 시정수 몇 초인가?
15. 회로에서 Ei=1V일 때 전류 IL은 몇 mA 인가?
16. 교차 일그러짐(crossover distortion) 현상은 어느 증폭기에서 발생하는가?
17. 컬렉터 접지 증폭회로에 대한 설명으로 틀린것은?
18. FM신호의 검파회로에서 별도의 진폭제한회로가 필요 없는 회로는?
19. 회로에서 컬렉터 전류 IC를 구하면? (단, β=100이고, VBE=0.7V이다.)(문제 오류로 가답안 발표시 1번으로 발표되었지만 전항 정답처리되었습니다. 여기서는 1번을 누르면 정답 처리 됩니다.)
20. 연산증폭기의 스위칭 특성에 가장 크게 영향을 주는 것은?
2과목: 전기자기학 및 회로이론
21. 점전하 +Q(C)와 무한평면도체에 대한 영상전하는?
22. 평행도선에 같은 크기의 왕복 전류가 흐를 때 두도선 사이에 작용하는 힘과 관계를 옳게 나타낸것은?
23. 원천이 없는 손실 유전체(일반 매질)에서의 맥스웰 전자 페이저 벡터 방정식 중 잘못 표현된 것은? (단, HS는 자계, ES는 전계이다.)
24. 구(球)의 전하가 5×10-6C일 때, 구 중심에서 3m 떨어진 구 외부 한 점의 전위(V)는? (단, εs=1이다.)
25. 유전체내의 전속밀도를 정하는 원천은?
26. 전위 V가 x만의 함수이며, x=0에서 V=100V, Ex=100V/m일 때 전위(V)를 나타내는 식은?
27. 자기회로의 자기저항이 일정할 때 코일의 권수를 1/2로 줄이면 자기인덕턴스는 어떻게 되는가?
로 줄어든다.28. 정전용량이 C인 콘덴서에서 극판사이의 비유전율이 2인 유전체를 제거하고 공기로 채운 경우 그 때의 용량을 C0라고 하면, C와 C0의 관계는?
29. B=0.2ax-0.3ay+0.5azWb/m2인 자계 내에서 ax방향으로 106m/s인 속도로 운동하고 있는 한개의 전자가 있다. 이때 어떤 전계가 작용하면 전자에 작용하는 전체 힘이 영(zero)이 되는가?
30. 무한장 솔레노이드에 전류가 흐를 때 발생되는 자계에 관한 설명 중 옳은 것은?
31. 무한히 긴 전송 회로의 반사계수는?
32. RLC 병렬회로에서 공진주파수
이 될 때 전체 어드미턴스(Y)의 크기와 회로 전체 전류(I)는 각각 어떻게 되는가? (단, 코일의 내부저항은 무시한다.)
33. 4단자 회로망에서 1차 단자 입력 개방 역방향 전달 임피던스를 나타내는 Z 파라미터의 표현으로 옳은 것은?
34. 다음 함수에서 초기 값은 얼마인가?
35. 그림 (B)는 그림 (A)를 노턴의 등가회로로 나타낸 것이다. Is[A]와 Vab[V]를 올바르게 나타낸 것은?
36. 단위 임펄스 δ(t)의 라플라스 변환은?
37. R-L 직렬회로에서 R=20Ω, L=40mH인 경우 이 회로의 시정수는?
38. 그림과 같은 이상 변압기에서 1차 전압 V1=100V일 때, 2차 전압 V2=12V가 되도록 1차 코일 수를 n1=200회로 하였다. 2차 코일의 수 n2는?
39. 60Hz, 100V의 교류 전압을 200Ω 전구에 인가할때 소비되는 평균 전력은 몇 W 인가?
40. 어떤 회로에 전압을 가하니 90° 위상이 앞선 전류가 흘렀을 경우 이 회로의 어떠한 부분 때문인가?
3과목: 전자계산기일반
41. 컴퓨터의 처리방식 중 데이터 처리요구가 들어오는 즉시 처리하는 방식은?
42. ASCⅡ 코드의 구성으로 옳은 것은?
43. 컴퓨터 내부회로를 bus line으로 구성하는 가장 큰 목적은?
44. 11001110과 10101000을 AND 연산하면?
45. 컴퓨터 설계 단계에서부터 이미 할당되어 있는 주소는?
46. DMA 동작에서 CPU는 주변장치와 DMA의 상태를 조사하여 만족스러운 상태에 있으면 입・출력 통신선을 통하여 정보를 보내는데 이 정보에 해당되지 않는 것은?
47. address line이 16개인 CPU의 직접액세스가 가능한 메모리 공간은 몇 KByte 인가?
48. 중앙처리장치 내부의 순간순간의 상태(PC, Condition Code, Interrupt Code 및 다른 상태)에 관한 정보를 포함하고 있는 것을 무엇이라 하는가?
49. 부호를 고려하지 않은 양의 수에 대한 산술적 시프트를 한 경우에 대한 설명 중 틀린 것은?
50. 디스크 장치로 입·출력할 경우 컴퓨터 내부에서 실질적으로 발생하는 입・출력 단위는?
51. 기억 장치가 1024word로 구성되고 word는 16bit로 이루어 질 때 PC, MAR, MBR의 각 비트 수를 순서대로 바르게 나타낸 것은?
52. 기억기능은 없이 특정 기능을 수행할 수 있도록 게이트를 조합한 논리 회로는?
53. 스택 구조의 컴퓨터에서 메모리에 아이템을 넣는 마이크로동작은?
54. 포인터(pointer)에 의하여 연결된 리스트를 무엇이라 하는가?
55. 다음 그림과 같은 파형 AB가 AND gate를 통과했을 때의 출력 파형은?




56. 프로그램 카운터가 명령의 주소 번지 부분과 더해져서 유효번지가 결정되는 주소 지정 방식은?
57. 자기디스크의 CAV(constant angular velocity:등각속도) 방식에 대한 설명으로 옳지 않은 것은?
58. 명령어의 연산자 코드가 8비트, 오퍼랜드가 10비트 일 때, 이 명령어로 최대 몇 가지 연산을 수행할 수 있는가?
59. 주소(address) 지정방식이 아닌 것은?
60. 컴퓨터의 연산기가 수행할 수 있는 연산 중 논리 연산이 아닌 것은?
4과목: 전자계측
61. 다음 중 주파수의 성질 중 틀린 것은?
62. 다음과 같은 회로에서 출력파형 eo는?




63. 아날로그형의 회로 시험기나 전압계 등에 이용하는 방법으로 측정량에 따라 지침이 이동되어 지시되는 측정법은?
64. 오실로스코프를 사용하여 교류 전압 파형을 나타낼 때 교류 파형의 진폭은 어떤 값으로 나타내는가?
65. 다음 중 가장 높은 주파수를 측정할 수 있는 것은?
66. 오실로스코프 진폭 변조편을 측정하여 다음과 같은 파형을 얻었을 경우, 최대치 (A)는 40mm로 하고 변조도(M)은 80%로 하기 위한 최소치 B의 크기는 약 몇 mm 인가?
67. 디지털 전압계의 기본 원리를 나타낸 그림이다. ㉠에 해당하는 것은?
68. 트랜지스터의 정특성 측정방법으로 틀린 것은?
69. 저주파 발진기 중 파형 변형이 적고 진폭이 안정되며 주파수 가변이 용이한 것은?
70. 다음 중 소인 신호발진기의 구성부가 아닌 것은?
71. 과도한 전류가 흘렀을 때 발생하는 열로 녹는점이 낮은 몸통이 끊어져 회로가 끊어지는 원리를 이용한 것은?
72. 다음 그림은 오실로스코프 위상을 측정하는 그림이다. 출력 파형이 그림과 같은 리사주 도형일 때 위상 계산식으로 옳은 것은?




73. 가동 철편형 계기의 특정으로 틀린 것은?
74. 구형파 전류를 전류력계형 전류계로 측정하였더니 8A를 지시하였다. 이 전류를 가동코일형 계기로 측정하면 약 몇 A 인가? (단, 반파 정류한 것으로 가정한다.)
75. 90KΩ 저항의 소비전력이 9W 이하가 되려면 전류는 최대 몇 mA 이하로 제한해야 하는가?
76. 초단파대에서 사용되는 감쇠기는?
77. 코일의 인덕턴스를 측정하는데 사용되는 브리지는?
78. 다음 중 소인 발진기를 사용할 때 주파수 특성을 관측하기 위하여 병행 사용하는 계기는?
79. 지시계기의 종류 중 전력계로 이용되는 것은?
80. 디지털 계측기에 관한 설명 중 틀린 것은?