1과목: 디지털 전자회로
1. 다음 중 수신기에서 포스터-실리형 검파기와 관련 있는 것은?
2. 그림과 같은 기본 발진회로에서 증폭기 A의 전압이득이 50 일 때, 귀환회로 β의 크기는 얼마인가?
3. 다음 회로의 입력에 정현파가 인가될 경우 이 회로의 설명으로 옳은 것은?
4. 출력이 140W 되는 반송파를 단일 주파수로 30% 변조 하였을 때 AM 상측파의 전력은 몇 W 인가?
5. ECL(Emitter Coupled Logic)회로의 설명으로 틀린 것은?
6. 다음 중 카르노도를 간략화한 논리식은?




7. 다음 논리회로와 같은 게이트(Gate) 회로에 해당되는 것은? (단, A, B는 입력단자 X는 출력단자이다.)
8. 다음 중 다양한 논리 시스템을 설계할 수 있는 범용 논리 게이트(universal gate)에 해당하는 것은?
9. 차동증폭기에서 차동신호에 대한 전압이득은 Ad 이고 동상신호에 대한 전압이득은 Ac 이다. 이 때 동상신호 제거비(CMRR)를 옳게 나타낸 것은?




10. 그림과 같은 증폭회로의 이미터와 접지사이에 저항 Re를 삽입 할 경우 이에 대한 설명으로 옳은 것은? (단, TR은 NPN형)
11. 회로에서 C에 해당되는 커패시터를 제거할 경우 이에 대한 설명으로 옳은 것은? (단, TR은 NPN형)
12. 다음 회로와 같은 동작 기능을 갖는 플립플롭은? (단, 회로에서 접지는 생략되어 있음)
13. 다음 중 연산증폭기를 사용한 아날로그 계산기에서 미분기보다 적분기를 주로 사용하는 가장 큰 이유는?
14. 다음 중 B급 푸시풀(push-pull)증폭기의 특성과 가장 밀접한 것은?
15. 부궤환 증폭회로에서 대역폭이 3배로 넓어지면 이득은 어떻게 되는가?
로 줄어든다.
배로 늘어난다.
로 줄어든다.16. 중심 주파수가 455kHz 이고 대역폭이 8kHz가 되는 단동조 회로가 있다. 이 회로의 Q는 약 얼마인가?
17. 다음 논리식 중 등식이 성립되지 않는 것은?




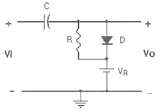
18. 그림과 같은 회로에서 출력측에 정전압을 유지할 수 있는 입력전압(Vi)의 범위는 몇 V인가? (단, 제너 다이오드는 20V 용이고, 최대전류는 50mA)
19. 10진수 4에 해당하는 그레이코드(gray code)는 얼마인가?
20. 다음 중 NOR 게이트로 구성된 R-S 플립플롭에 대한 설명으로 틀린 것은?
2과목: 방송통신 기기
21. 지상파 방송에 비해 위성방송의 상대적인 장점이 아닌 것은?
22. CATV에서 헤드엔드로부터 송출된 신호를 서비스 구역전역에 전송하기 위한 전송로를 무엇이라고 하는가?
23. 앰프 등 비직선성에 의하여 입력신호의 주파수 이외에 불필요한 정수배 주파수의 신호가 발생되는 것은?
24. TV송신의 음성부분이나 또는 FM 송신기에서 변조파는 높은 성분의 신호일수록 잡음(noise)성분이 증가하여 신호대잡음비(S/N)가 열화되기 때문에 송신측에서 고역성분을 강조하여 송신하는 회로는?
25. 다음 중 영상계통의 제반 특성을 직접 측정하는 측정기가 아닌 것은?
26. 방송 증폭기의 전압 증폭도가 10dB 와 30 dB 인 증폭기를 직렬로 연결했을 때 출력전압은 입력전압의 몇 배인가?
27. 컬러TV 프로그램 제작과정에서 컬러화질의 감시에 사용되는 것으로 색 맞추기(색조 조정), 화이트 밸런스 조정 또는 조명 세트, 의상 분장 등을 종합한 색채 설계 및 효과의 확인에 사용되는 장비는?
28. 컬러 TV방송 방식 중 PAL 방식의 설명으로 가장 타당한 것은?
29. 다음 중 각종 영상신호의 소스와 모니터에 사용하여 On air 중임을 알려주는 것은?
30. Color TV방송의 수평 동기펄스의 백 포치부에 송신측의 색부반송파 위상과 수상기에서 재생하는 3.58MHz 색부반송파의 위상을 일치시키기 위하여 삽입하는 8~12 사이클의 신호의 명칭은?
31. 동기발생기(Sync generator)에서 제공되는 주요 신호가 아닌 것은?
32. 영상신호를 디지털 신호로 변환시켜 화면의 확대·축소, 모자이크, 회전 등 각종 영상효과를 발생시키는 것은?
33. 위성방송(DBS)을 수신하기 위해서 TV 세트와 연결하는 다기능 방송수신 장치는?
34. CATV에 대한 설명 중 틀린 것은?
35. 다음 중 비월주사를 일정하게 하기 위해 수직동기신호의 전후에 배치하는 것은?
36. NTSC 컬러 TV방식의 매초 당 전송하는 프레임 수와 1개 프레임을 구성하는 주사선 수는?
37. 적도상의 약 36000km 상공의 위성으로 지구의 자전주기와 위성의 공전주기를 같게 하여 적도상에 동일한 간격으로 3개를 배치하여 전세계를 커버할 수 있는 경제적인 위성통신 방식은?
38. 다음 중 소리의 회절을 가장 올바르게 설명한 것은?
39. 오디오 콘솔의 기능 중 어떤 임계치 이상의 진폭을 설정한 비율로 진폭을 억제하는 것은?
40. TV 방송전파를 이용하여 TV 방송과 함께 문자 또는 도형 형태의 서비스를 제공하는 미디어는?
3과목: 방송미디어 공학
41. TV방송국의 분류에 속하지 않는 것은?
42. 3차원 애니메이션에서 전체적인 동작이 완성된 다음 등장인물이나 물체의 표면에 섬세한 질감을 표현하기 위한 작업을 무엇이라고 하는가?
43. 다음 중 FM 방송의 수신음질을 결정하는 요인과 밀접한 관계까 없는 것은?
44. 표본화된 펄스의 진폭을 디지털 2진 부호로 변환시키기 위하여 진폭의 레벨에 대응하는 정수 값으로 등분하는 과정을 무엇이라 하는가?
45. 다음 중 멀티미디어를 가장 적합하게 설명한 것은?
46. 다음 중 음원이 관측점으로부터 이동하거나 또는 관측점이 음원으로부터 이동할 때 음이 변화되어 들리는 현상은?
47. 다음 중 인터넷 방송서비스의 특징이 아닌 것은?
48. 다음 중 우리나라와 북한의 아날로그 지상파 TV방식이 순서대로 옳은 것은?
49. 어떤 음 A를 듣고 있을 때 A보다 진폭이 큰 음 B가 가해지면 원래의 음 A는 들리지 않게 되는 효과는?
50. 다음 중 미디어의 디지털화를 통한 정보압축기술을 사용하여 얻을 수 있는 장점이 아닌 것은?
51. NTSC 컬러 TV방식에서 Composite 영상신호의 전체레벨은 몇 IRE 인가?
52. 다음 중 위성과 케이블 디지털방송에서 주로 사용되는 영상압축 방식은?
53. NTSC방식에서 색차신호인 I 신호의 대역폭은 몇 MHz 인가?
54. 다음 중 TV 음성다중 방송의 방식에 속하지 않는 것은?
55. NTSC TV 전파의 전송방식으로 옳은 것은?
56. 다음 중 위성방송의 특징과 가장 거리가 먼 것은?
57. 다음 중 양자화(Quantization)에 관한 설명으로 거리가 먼 것은?
58. 다음 중 차세대 방송의 개념과 가장 거리가 먼 것은?
59. 인간의 시각과 청각을 나타내는 미디어를 무엇이라고 하는가?
60. 다음 중 MPEG-7에 대한 설명으로 가장 적합한 것은?
4과목: 방송통신 시스템
61. 광섬유케이블의 전송특성은 광섬유의 손실과 밀접한 관계가 있다. 다음 중 광섬유 손실이 아닌 것은?
62. 다음 중 1차 복사기는 주 반사기쪽에 설치하고 부반사기는 초점보다 조금 앞쪽에 볼록 쌍곡면을 사용한 안테나는?
63. 다음 중 CATV방송 시스템의 주요 구성요소와 가장 관련 없는 것은?
64. CATV 방송의 전송망을 설계 및 설치시 관련이 없는 것은?
65. 다음 중 0dBw 는 0dBm의 몇 배 인가?
66. 다음 중 위성통신과 거리가 먼 것은?
67. 다음 중 DAB와 관련된 일반적인 설명으로 틀린 것은?
68. 다음 중 잔류측파대(VSB) 방식에 대한 설명이 아닌 것은?
69. 다음 중 주파수영역 상에서 주로 주파수를 분석하는데 사용되는 측정기는?
70. 다음 중 장소에 영향을 비교적 적게 받고 휴대 및 이동이 용이하고 긴급한 뉴스 등 현장취재와 동시에 생방송을 진행할 수 있는 것은?
71. 다음 중 위성방송에 사용하는 KU 밴드 주파수대로 가장 적합한 것은?
72. 진폭변조 송신기에서 변조지수가 100%일 때 출력이 300W 라면, 60% 변조의 경우 출력은 몇 W 인가?
73. 다음 중 지상파 디지털 TV 방식과 관련 없는 것은?
74. 디지털 신호 자체를 변조없이 전송 선로를 통해 전송하는 방식으로 무엇이라 하는가?
75. 동축케이블의 특성 표시로 “5C-2V”라고 쓰여있다. 첫 번째 숫자인 “5”가 의미하는 것은?
76. 다음 중 다이플렉스 필터를 가장 잘 설명한 것은?
77. 다음 중 위성방송에서 업링크 전파를 수신하여 다운링크 주파수로 변환 증폭시켜 지상에 송신하는 것은?
78. 89.1MHz FM 방송에서 반송파의 최대주파수 편이가 60 KHz 일 때 10KHz의 신호로 주파수 변조를 했을 경우 변조지수는?
79. NTSC TV방식에서 비월주사인 경우 1필드의 주사는 몇 초의 기간을 요하는가?
80. 위성방송 시스템에서 스크램블 신호를 원래의 신호로 바꾸려면 어떻게 하여야 하는가?
5과목: 전자계산기 일반 및 방송설비기준
81. 중앙처리장치(CPU)가 기억 장치에서 인스트럭션을 가져오는 것은 무엇이라 하는가?
82. 다음 중 순서도를 작성하는 목적이 아닌 것은?
83. 2진수의 1의 보수를 구하기 위해서 사용되는 게이트는?
84. 부동 소수점 수가 기억장치 내에 있을 때, 비트를 필요로 하지 않는 것은?
85. SRAM의 용량이 1024byte 일 경우 필요한 어드레스선의 개수는 몇 개인가? (단, 데이터선은 8선이다.)
86. 하나의 컴퓨터에서 여러 개의 프로그램을 주기억 장치내에 기억시켜 놓고 동시에 실행하도록 하는 방식은?
87. 다음 중 속도가 가장 빠른 장치는?
88. 다음 중 Self Complement Code는 무엇인가?
89. 다음 중 캐시 메모리를 사용하는 이유로 가장 타당한 것은?
90. 다음 중 프로그램 카운터의 내용과 명령의 번지 부분을 더해서 유효 번지가 결정되는 주소 지정 방식은?
91. 다음 중 정보통신공사 감리원의 업무범위가 아닌 것은?
92. 다음 중 방송법에 의한 방송사업자가 아닌 것은?
93. 다음 중 무선국 개설허가의 유효기간이 틀린 것은?
94. 무선설비규칙에서 공중선계의 충족조건이 아닌 것은?
95. 정보통신공사업법에 의한 공사의 범위를 기술한 것으로 틀린 것은?
96. 방송용어 중 방송되는 사항의 종류·내용·분량·시각·배열을 정하는 것을 무엇이라 하는가?
97. 방송국의 개설허가 심사사항이 아닌 것은?
98. 다음 전력유도전압에 따른 제한치의 설정 중 틀린 것은?
99. 선로설비의 회선상호간, 회선과 대지간 및 회선의 심선상호간의 절연저항은 직류 500 볼트 절연저항계로 측정하여 몇 메가옴 이상이어야 하는가?
100. 중파방송을 행하는 방송국의 개설조건 중 블랭킷에어리어내의 가구수는 방송구역내 가구수의 몇 % 이하 이어야 하는가?