1과목: 전자공학
1. 주파수의 일그러짐과 관계가 가장 깊은 것은?
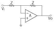
2. 그림과 같은 연산증폭회로에서 출력전압 V0는?
3. 그림과 같은 다이오드회로가 정논리일 때 가지는 논리기능은?
4. 구형파를 만드는 멀티바이브레이터(multivibrator)의 형태는?
5. 평형검파에 속하는 것은?
6. t=0 에서 스위치를 닫을 경우, 이 때 흐르는 전류 i(t)에 해당되는 것은?
7. 원자에 대한 설명으로 옳지 않은 것은?(오류 신고가 접수된 문제입니다. 반드시 정답과 해설을 확인하시기 바랍니다.)
8. 도체에 전기장을 가하지 않더라도 캐리어의 밀도 차이에 의해서 흐르는 전류는?
9. 347(8)을 10진수로 표현하면?
10. 연산증폭기에서 출력 오프셋 전압은 어떤 측정조건에서 이루어 지는가?
11. 그림과 같은 회로는 무슨 회로인가?
12. 사인파 전압이 바이어스된 트랜지스터의 베이스에 공급되고, 그 결과 사인파 컬렉터 전압이 0[V] 근처에서 잘라진다면 트랜지스터는?
13. 그림과 같은 연산 증폭회로가 하는 역할은?
14. 궤환발진기의 바크하우젠 발진조건 중 옳은 것은? (단, A는 발진기의 증폭도, β는 궤환량이다.)
15. 펄스의 설명이 잘못된 것은?
16. h 파라미터를 사용한 CE 등가회로에서 이미터와 베이스간 전압 Vbe는?
17. 합 S = AB+AB 와 자리올림수 C = AB 와 같은 진리값을 나타내는 회로의 명칭은?
18. 그림에서 입력 임피던스는 몇 kΩ 인가?
19. FET 증폭기의 전압 이득이 증가할 때 대역폭은 어떻게 되는가?
20. 주파수 변조에서 S/N 비를 높이기 위한 방법이 아닌 것은?
2과목: 신호기기
21. 교류 N.S형 전기전철기가 전환도중 해당 궤도 계전기가 무여자로 되었다. 다음중 옳은 것은?
22. 교류 NS형 전기 전철기에 사용되는 전동기는?
23. 건널목 경보기에서 점퍼선단이 0.06Ω 의 단락선으로 단락시켰을 때 어떤 계전기가 낙하 되어야 하는가?
24. 신호제어 계전기는?
25. 농형 유도전동기의 기동법이 아닌 것은?
26. 여자 전류가 흐르고서부터 N 접점이 닫힐(접속함) 때까지 다소간 시소를 갖는 계전기는?
27. 변압기의 부하가 증가할때의 현상으로서 옳지 않은 것은?
28. 전력 변환 기기가 아닌 것은?
29. 직류직권 전동기를 운전할때 벨트(belt)를 걸어서 안되는 이유는?
30. 변압기 기름의 열화 영향에 속하지 않는 것은?
31. 철도 건널목 제어유니트 중 단선, 복선에 공히 사용할 수 있는 것은?
32. 시소계전기의 시소 허용한도는 별도로 정해진 것을 제외하고는 몇 % 이내로 하여야 하는가?
33. 직류 전동기의 제동법이 아닌 것은?
34. 전기기계의 전기자등의 철심을 성층철심으로 하는 것은 무엇을 감소시키기 위한 것인가?
35. 직류 전동기의 온도시험을 하는 방법으로 가장 적당한 방법은?
36. 유도 전동기에서 비례 추이할 수 없는 것은?
37. 맥동 주파수가 가장 많고 맥동률이 가장 작은 정류방식은?
38. 3상변압기의 병렬운전이 불가능한 것은?
39. 어떤 변압기의 % 저항강하 2%, %리액턴스강하 3%일 때 최대 전압 변동률은 얼마인가
40. 건널목 전동차단기에 사용하는 전동기의 종류로서 맞는 것은?
3과목: 신호공학
41. 선로전환기의 밀착은 기본 레일이 움직이지 않도록 한 후 1mm를 벌리는데 몇 kg 을 기준으로 하는가?
42. 교류와 직류의 접속구간이 있는 경우 어느 한 쪽이 직류궤도회로를 채택하여 사용하면 일정한 구간은 절연할 필요가 있게 된다. 이 때 절연구간의 이상적인 길이는?
43. AF 궤도회로 수신계전기의 단자전압을 수신 카드의 출력트랜지스터 단자에서 측정하였을 때 조정을 필요로 하는 것은? (단, 수신계전기의 정격전압은 7.5V 이다.)
44. 수도권에서 4현시 신호의 배열은?
45. "궤도회로의 레일부터 떨어진 동일 극성의 다른 레일상호간을 접속하는 것"을 무엇이라 하는가?
46. 접근쇄정의 해정시분을 설정하였을 때 설정시간이 옳은 것은?
47. 열차의 속도를 자동으로 높일 수 있는 것은?
48. 궤조절연 삽입 개소에 대한 유지관리에 있어서의 유의할 점이 아닌 것은?
49. 열차집중제어장치(CTC)의 제어방법에 속하지 않는 것은?
50. 그림에서 C=60m, B=800m, L=150m, t=2.6초이며, 열차속도가 90km/h 이다. 최소운전시격은 몇 초인가?
51. 신호장치의 분류로 옳은 것은?
52. 연동장치를 기계연동, 전기연동 및 전자연동장치로 나눈 것은?
53. 철도신호를 대별한 것은?
54. 건널목 사고를 줄이기 위한 대책으로 다음 중 가장 좋은 방법은?
55. CTC 장치에서 CDTS의 수동계 절체를 할 수 없는 것은?
56. 궤도회로의 이상기를 사용하는 목적은?
57. 그림과 같이 도시한 방법으로 구성한 궤도회로는?
58. 열차자동정지장치 [ATS(S-1)]형의 특징을 설명한 것 중 옳지 않은 것은?
59. 폐색구간을 5현시로 분할하고자 한다. 다음 중 기준이 되는 열차는 어떤 열차인가?
60. 궤도회로에서 보완회로의 역할은?
4과목: 회로이론
61. 그림과 같은 L형 회로의 4단자 ABCD 정수중 A는?




" 입니다.62. 9[Ω]과 3[Ω]의 저항 3개를 그림과 같이 연결 하였을 때 A,B 사이의 합성저항은 얼마인가?
63. 그림 ab간에 40[V]의 전압을 가할 때 10[A]의 전류가 흐른다. r1 및 r2 에 흐르는 전류비를 1:2로 하려면 r1 및 r2의 저항[Ω]은 각각 얼마인가?
64. 임피던스 Z(s)가
로 주어지는 2단자회로에 직류전류원 15[A]를 가할 때 이 회로의 단자전압 [V]은?
65. 다음과 같은 회로에서 L=50[mH], R=20[KΩ ]인 경우 회로의 시정수를 구하면 얼마인가?
66. RC저역 필터회로의 전달함수 G(jω)는 ω =0일 때 얼마인가?
67. 대칭좌표법에 의하여 3상 회로에 대한 해석중 잘못된 것은?
69. 가정용 전원의 전압이 기본파가 100[V]이고 제7고조파가 기본파의 4[%], 제11고조파가 기본파의 3[%]이었다면 이 전원의 일그러짐 률은 몇 [%]인가?
70. 전달함수 C(s) = G(s)R(s)에서 입력함수를 단위 임펄스즉 δ (t)로 가할때 계의 응답은?
71. 그림에서 a,b 단자에 200[V]를 가할때 저항 2[Ω]에 흐르는 전류 I1[A]는?
72. 3상 전력을 측정하는데 두 전력계 중에서 하나가 0이었다 이때의 역률은 어떻게 되는가?
73. 어떤 R-L-C 병렬회로가 병렬공진되었을 때 합성 전류는?
74. 그림과 같은 회로에서 저항 R[Ω ]과 정전용량 C[F]의 직렬 회로에서 잘못 표현된 것은?
[A]이다.
[A]이다.
이다.
[A]이다." 입니다.
[A]이다." 입니다.75.
을 이용하여 ①
및 ②
를 구하면?




= 2, ②
= 3 이다.
의 모양을 보면, 1부터 4까지의 숫자가 각각 한 번씩 등장하고 있으며, 각 숫자들은 모두 서로 다른 자리에 위치하고 있다. 따라서, ①과 ②는 각각 2와 3이 된다.76. 전원과 부하가 다같이 Δ 결선된 3상 평형 회로가 있다. 전원 전압이 200[V], 부하 임피던스가 6+j8[Ω ]인 경우 선전류[A]는?
77. 파고율의 관계식이 바르게 표시된 것은?
78. 그림과 같은 이상변압기에 대하여 성립되지 아니하는 관계식은? (단, n1, n2는 1차 및 2차 코일의 권수) ( n은 권수비 ; n=n1/n2 )



와
도 성립한다. 하지만,
는 권수비와 전압비가 같다는 조건이 없으므로 성립되지 않는다.79. 3상 회로에 있어서 대칭분 전압이 V0=-8+j3[V],V1=6-j8[V],V2=8+j12[V]일때 a상의 전압[V]은?
80. f(t)=δ (t)-bε-bt 의 라플라스 변환은? (단, δ (t)는 임펄스 함수이다.)




이다.
이 된다.