1과목: 재료역학
1. 밀도가 일정한 정육면체형 물체의 각 변의 길이가 처음의 3배로 되었을 때 이 정육면체의 바닥면에 발생되는 자중에 의한 수직 응력의 크기는 처음의 몇 배가 되겠는가?
2. 균일분포하중 ω를 받고 있는 길이가 L인 단순보의 처짐을 δ로 제한한다면 균일 분포하중의 크기는 어떻게 표현되겠는가? (단, 보의 단면은 폭이 b이고 높이가 h인 직사각형이고 탄성계수는 E이다.)




3. 코일 스프링의 소선의 지름을 d, 코일의 평균 지름을 D, 코일 전체 길이가 L인 경우 인장하중 W를 작용시킬 때 전체의 처짐량(δ)을 나타내는 식은? (단, G는 전단 탄성계수이고, n은 코일의 감김 수이다.)




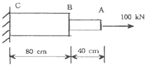
4. 아래 그림에서 모멘트의 최대값은 몇 kN·m 인가? (단, B정은 고정이다.)
5. 길이가 2m인 환봉에 인장하중을 가하였더니 길이 변화랑이 0.14cm였다. 이 때의 변형률은?
6. 지름 d인 원형단면 봉이 비틀링 모멘트 T를 받을 때, 발생되는 최대 전단응력 r를 나타내는 식은? (단, IP는 단면의 극단면 2차 모멘트이다.)




7. 그림과 같이 균일 분포하중(ω)을 받는 균일 단면 외팔보의 자유단 B에서의 처짐량은? (단, 보의 굽힘 강성 EI는 일정하고, 자중은 무시한다.)




8. 내부 반지름 1.25m, 압력 1200kPa, 두께 10mm인 원형 단면의 실린더형 압력 용기에서의 축방향 응력(σt: longitudinal stress)과 후프응력(σz: circumferential stress)를 구하면?
9. 그림과 같은 복합 막대가 각각 단면적 AAB=100mm2, ABC=200mm2을 갖는 두 부분 AB와 BC로 되어있다. 막대가 100kN의 인장하중을 받을 때 총 신장량을 구하면 몇 mm인가? (단, 재료의 탄성계수(E)는 200GPa 이다.)
10. 어떤 재료의 탄성계수 E=210GPa이고 전단 탄성계수 G=83GPa이라면 이 재료의 포아송 비는? (단, 재료는 균일 및 균질하며, 선형 탄성거동을 한다.)
11. 그림과 같은 균일 단면의 돌출보(overhangiing beam)에서 반력 RA는? (단, 보의 자중은 무시한다.)
12. 그림과 같은 균일 원형단면을 갖는 양단 고정봉의 C점에 비틀림 모멘트 T=98N·m를 작용시킬 때, 하중점(C점)에서의 비틀림 각은 몇 rad 인가? (단, 전단탄성계수 G=78.4GPa, 극관성모멘트 IP=600cm4이다.)
13. 탄성계수 E=200GPa, 좌굴응력 σb=320MPa인 강재 기둥에 오일러(Euler) 공식을 적용할 수 있는 한계 세장비는? (단, n은 양단 지지 상태에 따른 좌굴 계수이다.)
14. 지름 6mm인 곧은 강선을 지름 1.2m의 원통에 감았을 때 강선에 생기는 최대 굽힘 응력은 약 및 MPa 인가? (단, 탄성계수 E=200GPa 이다.)
15. 그림과 같은 보는 균일단면 부정정보이다. 반력 RB를 구하는데 필요한 조건은?
16. 내부 반지름 Ri, 외부 반지름 Ro인 속이 빈 원형 단면의 극(polar) 관성 모멘트는?
17. 5cm×10cm 단면의 3개의 목재를 목재용 접착제로 접착하여 그림과 같은 10cm×15cm의 사각 단면을 갖는 합성보를 만들었다. 접착부에 발생하는 전단응력은 약 몇 kPa 인가? (단, 이 보의 길이는 2m이고, 양단은 단순지지이며 중앙에 P=800N의 집중하중을 받는다.)
18. 다음 그림과 같이 단면적인 A인 강봉의 축선을 따라 하중 P가 작용할 때, 임의의 경사 평면에서 전단응력이 최대가 될 때의 면의 각(α)과 이 경우에 해당하는 전단응력(τmax)은 얼마인가?
19. 그림과 같이 초기온도 20°C, 초기길이 19.95cm, 지름 5cm인 봉을 간격이 20cm인 두 벽면 사이에 넣고 봉의 온도를 220°C로 가열했을 때 봉에 발생되는 응력은 몇 MPa 인가? (단, 균일 단면을 갖는 봉의 선팽창계수 a=1.2×10-5/°C 이고, 탄성계수 E=210GPa이다.)
20. 그림에서 블록 A를 뽑아내는 데 필요한 힘 P는 몇 N 이상인가? (단, 블록과 접촉면과의 마찰 계수 μ=0.4 이다.)
2과목: 기계제작법
21. 아크 용접에 있어서 교류와 직류의 경우에 관한 설명 중 틀린 것은?
22. 절삭과정에서 공구의 온도를 측정하는 방법으로서 열전대를 사용하는 경우가 많다. 공구에 열전대를 삽입하기 위한 가공법으로 다음 중 가장 적합한 것은?
23. 상하의 형에 문자나 무늬의 요철을 붙이고, 이 사이에 소재를 놓고 압축하여 문자나 무늬를 생성하는 가공 방법은?
24. 아세틸렌가스는 매우 타기 쉬운 기체이다. 자연발화 온도는?
25. 두께 2mm의 철판에 Ф20mm의 구멍을 뚫을 때, 펀칭에 가하는 힘은 최소 및 N 이상이어야 하는가? (단, 철판의 전단저항은 450MPa 이다.)
26. 소성 가공 방법이 아닌 것은?
27. 얇은 판재로 된 목형은 변형되기 쉽고 주물의 두께가 균일하지 않으면 용융금속이 냉각 응고시에 내부 응력에 의해 변형 및 균열이 발생할 수 있으므로 이를 방지하기 위한 목적으로 쓰이고 사용한 후에 제거하는 것은?
28. 열처리에서 강(鋼)을 청화물(CN)과 작용시켜 침탄과 질화가 동시에 일어나도록 하는 청화법(cyaniding)은 다음과 같은 장·단점이 있다. 틀린 것은?
29. 커플링으로 연결된 CNC 공작기계의 볼 스크류 피치가 6[mm], 서보 모터의 회전 각도가 270° 일 때 테이블의 이동 거리는?
30. 주물사의 구비조건이 아닌 것은?
31. 소성가공시 열간공과 냉간가공은 무엇으로 구별하는가?
32. 방전가공시 전극(가공공구) 재질로 적당하지 않은 것은?
33. 이미 치수를 알고 있는 표준 값과의 편차를 구하여 치수를 알아내는 측정방법은?
34. 하방잠김형, 압착형, 당기기형, 직선이동형과 같이 4가지 기본적인 클램핑 작용을 하며 작용력에 비해 고정력이 매우 큰 클램프는?
35. 다음 중 바이트의 마모와 관계없는 것은?
36. 저탄소강의 표면에 탄소를 침투시키는 고체 침탄법에 대한 일반적인 설명으로 틀린 것은?
37. 프레스 작업(press working) 가공방식이 아닌 것은?
38. 급속귀환 운동을 하는 기계는 다음 증 어느 것인가?
39. 3차원 측정기는 X.Y.Z의 3차원 공간상에서 측정점의 좌표점을 검출하여, 데이터를 컴퓨터로 처리하는 측정기이다. 3차원 측정기를 조작상으로 분류할 때 여기에 해당되지 않는 것은?
40. 동시에 여러 개의 드릴을 설치하여 공작물에 여러 개의 구멍을 동시에 뚫는 구조의 드릴링머신은 무엇인가?
3과목: 기계설계 및 기계재료
41. 세레이션(serratior)에 대한 일반적인 설명 중 틀린 것은?
42. 그림과 같은 리벳이응에서 피치를 p, 리벳지름을 d, 판의 두께를 T, 판의 인장응력을 ft라고 할 때 리벳효율 η를 구하면? (단, 리벳의 전단응력은 fs이다.)




43. 4각 나사에서 리드각 3.83°, 마찰계수 μ=0.1일 때, 이 나사의 효율을 구하면?
44. 지름 8cm의 중실 원형축과 비틀림 강도가 같은 중공축(바깥지름과 안지름의 비 x=0.6)의 바깥지름은 몇 mm인가?
45. 다음 중 전위기어의 특징으로 거리가 먼 것은?
46. 안지를 1500mm인 보일러 동체가 70 N/cm2의 내압을 받는다면 동체를 만든 강판의 인장강도가 350N/mm2, 안전계수가 4, 이음효율이 65%, 부식여유가 1mm라고 할 때 이 동체의 두께는 약 몇 mm인가?
47. 평균지름이 55mm이고 소선의 지름이 5mm인 코일 스프링에 하중이 1kN 이 가해질 때 스프링에 발생하는 최대 전단 응력은 몇 GPa 인가? (단, Wahl 응력수정계수 K를 적용하며, 그 식은
이고, 여기서 C는 스프링지수이다.)
48. 안지름 70mm 길이 85mm의 놋쇠메탈의 저널 베어링을 400rpm으로 회전하는 전동축에 사용 했을 때 몇 kN의 베어링 하중을 지지할 수 있는가? (단, 압력속도계수 pv=1N/mm2·m/s 이다.)
49. 굽힘 모멘트 M과 비틀림 모멘트 T가 동시에 작용하는 축의 설계에서 최대 전단 응력설에 의한 상당 비틀림 모멘트(equivalent twisting moment) Te 를 구하는 식은?




50. 내연기관 실린더에서 폭발이 일어 날 때 회전축에 큰 회전토크를 발생시키고, 또 다른 폭발이 있을 때까지 새로운 에너지의 공급 없이 회전하게 된다. 이와 같은 폭발간격으로 인하여 구동토크의 크기 변동과 회전각속도가 변동될 때 각속도의 변동을 줄여주는 역할을 하는 것은?
51. 다음 중 서브제로(sub-Zero)처리에 대한 설명으로 틀린 것은?
52. 다음 중 스프링 강의 기호를 나타내는 것은?
53. 다음 주강품에 대한 설명 중 틀린 것은?
54. 게이지강이 갖추어야 할 조건으로 틀린 것은?
55. 주조할 때 주물표면을 금속형 등으로 급냉하여 백선화시켜서 경도를 높이고 내마모성, 내압성을 향상시킨 주철은?
56. 쾌삭강(Free cutting steel)에 절삭속도를 크게하기 위하여 첨가하는 주된 원소는?
57. Fe-Fe3C 평형 상태도의 723°C(A1)에서 일어나는 변태로부터 나타나는 조직은?
58. 다음 중 가단주철을 설명한 것으로 가장 적합한 것은?
59. 탄소강을 풀림(Annealing)하는 목적과 관계없는 것은?
60. 40~50% Ni을 함유한 합금이며, 전기저항이 크고 저항온도 계수가 작으므로 전기저항선이나 열전쌍의 재료로 많이 쓰이는 Ni-Cu합금은?
4과목: 기구학 및 CAD
61. 다음 중 곡면(surface) 모델에 해당하지 않는 사항은?
62. 2차원 CAD에서 원을 지정하는 일반적 방법이 아닌 것은?
63. 하나의 pixel에 6bit를 저장할 수 있고 color look-up table에 12bit를 저장할 수 있는 color monitor에 대한 설명으로 잘못된 것은?
64. 서로 다른 CAD/CAM 시스템 사이의 데이터 교환 수단으로서 적당하지 않은 것은?
65. 날개형 모서리(winged-edge) 데이터 구조에 대하여 틀린 것은?
66. 곡선의 성질 중에서 점선벡터의 변화량과 가장 관련이 깊은 것은?
67. NURBS(Nonuniform rational B-spline)의 표현식은 다음과 같다. 이 식에 관련된 다음 설명 중 틀린 것은?
이다.68. 솔리드 모델링 기법중의 하나로서 특정규칙에 의하여 여러 개의 반공간의 교집합으로 표현되는 기본적인 형상들을 기하학적인 불리안 연산으로 조합하여 실제 물체를 생성하는 기법은?
69. 점(2, 1)을 중심으로 점(x, y)를 2배 확대하여 점(x', y')을 다음 식으로 구하고자 한다. A에 들어가야 할 내용은?




70. 다음 중 파라메트릭 모델링의 일반적 특징이 아닌 것은?
71. 동일한 기어에서 지름피치(D.P)가 클수록 잇수와 이의 크기와의 관계를 옳게 설명한 것은?
72. 두 축의 연장선이 만나는 마찰차는?
73. 다음 운동 전달기구 중에서 원동절과 종동절의 각속도비가 일정하지 않은 것은?
74. 벨트 전동 장치에서 전달동력에 대한 설명으로 틀린 것은?
75. 다음 중에서 가장 정확한 속도비를 얻을 수 있는 전동장치는?
76. 압력각이 20°이고, 모듈이 5, 잇수가 60개인 표준스퍼기어의 법선 피치는 약 얼마인가?
77. 축이 구멍이 있는 기소(機素)에 끼워져 대우를 이루고 있는 경우의 자유도는?
78. 바로걸기 벨트전동기구에서 원동차의 직경(DA)이 1000mm이고, 회전수(NA)가 120rpm 이며, 종동차의 직경(DB)이 500mm 일 때 종동차의 회전수(NB)는 몇 rpm 인가? (단, 벨트는 전동 중에 미끄럼 및 늘어나지 않는다고 가정하고 벨트 두께는 무시한다.)
79. 그림과 같은 기어열을 만들어 속도비 12를 만들려할 때 각 기어들의 잇수를 옳게 표시한 것은?
80. 자동차의 창 닦기 기구나 만능 제도기 등에 응용된 크랭크 기구는?