1과목: 응용역학
1. 그림과 같은 부정정보에 집중하중이 작용할 때 A점의 휨 모멘트 MA를 구한 값은?
2. 다음 라멘의 부정정의 차수는?
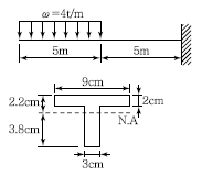
3. 주어진 T형보 단면의 캔틸레버에서 최대 전단응력을 구하면 얼마인가? (단, T형보 단면의 IN.A.=86.8cm4이다.)
4. 직경 D인 원형 단면의 단면 계수는?




5. 다음 그림과 같이 강선 A와 B가 서로 평행상태를 이루고 있다. 이때 각도 θ의 값은?
6. 반지름이 30cm인 원형단면을 가지는 단주에서 핵의 면적은 약 얼마인가?
7. 다음 그림과 같은 양단 고정보에서 중앙점의 최대 처짐은?




8. 그림의 수평부재 AB는 A지점은 힌지로 지지되고 B점에는 집중하중 Q가 작용하고 있다. C점과 D점에서는 끝단이 힌지로 지지된 길이가 L이고, 휨 강성이 모두 EI로 일정한 기둥으로 지지되고 있다. 두 기둥의 좌굴에 의해서 붕괴를 일으키는 하중 Q의 크기는?




9. 그림과 같은 보에서 다음 중 휨모멘트의 절대값이 가장 큰 곳은?
10. 그림과 같은 라멘의 A점의 휨모멘트로서 옳은 것은?
11. 지름 20mm, 길이 1m인 강봉을 4t의 힘으로 인장할 경우 이 강봉의 변형량은?(단, 이 강봉의 탄성계수는 E=2.0 ×106kg/cm2이다.)
12. 그림과 같이 이축응력(二軸應力)을 받는 정사각형 요소의 체적변형률은?(단, 이 요소의 탄성계수 E = 2.0 ×106kg/cm2, 푸아송비v = 0.3이다.)
13. 다음 부정정보의 b단이 l*만큼 아래로 처졌다면 a단에 생기는 모멘트는? (단, l*/l=1/600이다.)




14. 그림과 같은 3경간 연속보의 B점이 5cm 아래로 침하하고 C점이 3cm 위로 상승하는 변위를 각각 보였을 때 B점의 휨모멘트 MB를 구한 값은? (단, EI= 8 ×1010kg ㆍ cm2로 일정)
15. 다음과 같은 부재에서 AC사이의 전체 길이의 변화량 δ는 얼마인가? (단, 보는 균일하며 단면적 A와 탄성계수 E는 일정하다고 가정한다.)




16. 반지름이 r인 중실축(中實軸)과 바깥 반지름이 r이고 안쪽 반지름이 0.6r인 중공축(中空軸)이 동일 크기의 비틀림 모멘트를 받고 있다면 중실축(中實軸):중공축(中空軸)의 최대 전단응력비는?
17. 그림과 같이 각 점이 힌지로 연결된 구조물에서 부재 CD의 부재력은?
18. 다음 그림과 같은 r=4m인 3힌지 원호아치에서 지점 A에서 1m 떨어진 E점의 휨모멘트는 약 얼마인가? (단, EI는 일정하다.)
19. 그림(a)와 같은 하중이 그 진행방향을 바꾸지 아니하고, 그림(b)와 같은 단순보 위를 통과할 때, 이 보에 절대 최대 휨 모멘트를 일어나게 하는 하중 9t의 위치는? (단, B지점으로부터 거리임)
20. 그림과 같은 외팔보에서 A점의 처짐은? (단, AC구간의 단면이차모멘트는 I이고 CB구간 은 2I이며, 탄성계수는 E로서 전 구간이 동일하다.)




2과목: 측량학
21. 그림은 기복변위식을 유도하기 위한 도식을 나타낸 것이다. △r과 △r의 관계식으로 바른 것은?(관련 규정 개정전 문제로 여기서는 기존 정답인 2번을 누르면 정답 처리됩니다. 자세한 내용은 해설을 참고하세요.)




22. 시가지에서 5개의 측점으로 폐합트래버스를 구성하여 내각을 측정한 결과 각 관측 오차가 30ʺ0이었다. 각 관측의 경중률이 동일할 때 각 오차의 처리방법은?
23. 도로공사에서 거리 20m인 성토구간의 시작단면 A1=72m2, 끝단면 A2=182m2, 중앙단면 Am=132m2이라고 할 때에 각주공식에 의한 성토량은?
24. 축척1:50,000의 지형도상의 인접한 두 주곡선간의 도상 수평거리가 1cm이었다. 두 지점 간의 경사는 얼마인가?
25. 축척 1:25,000 지형도상에서 거리가 6.73cm인 두 점 사이의 거리를 다른 축척의 지형도에서 측정한 결과 11.21cm이었다면 이 지형도의 축척은 약 얼마인가?
26. 수평각 관측법 중 트래버스 측량과 같이 한 측점에서 1개의 각을 높은 정밀도로 측정할 때 사용하며, 시준할 때의 오차를 줄일 수 있고 최소 눈금 미만의 정밀한 관측값을 얻을 수 있는 것은?
27. 그림과 같은 4변형 삼각망에서 조건식의 총수(k1), 각 조건식의 수(k2), 변조건식의 수(k3)로 옳은 것은?
28. 다음과 같은 복곡선에서 t1+ t2의 값은?

29. 삼각측량의 주된 목적은 무엇인가?
30. 4회 관측하여 최확값을 얻었다. 최확값의 정확도를 2배 높이려면 몇 회 관측하여야 하는가?
31. 하천측량에서 평면측량의 일반적인 측량 범위로 가장 적합한 것은?
32. 한 변의 길이가 10m인 정방형 토지를 축척 1:600 도상에서 측정한 결과, 도상의 변측점 오차가 0.2mm발생하였다. 이때 실제 면적의 면적 측정오차는 몇 %가 발생하는가?
33. 노선측량에 대한 다음의 용어 설명 중 옳지 않은것은?
34. 축척 1:1,000으로 평판측량을 할 때 도상에서 제도의 허용오차가 0.3mm라면, 중심맞추기 오차(편심거리)는 몇 cm까지 허용할 수 있는가?
35. 촬영고도 3,000m로부터 초점거리 15cm의 카메라로 촬영한 중복도 60%의 2장의 사진이 있다. 각각의 사진에서 주점 기선장을 측정한 결과 124mm와 132mm이었다면 비고 60m의 굴뚝의 시차 차는?(관련 규정 개정전 문제로 여기서는 기존 정답인 4번을 누르면 정답 처리됩니다. 자세한 내용은 해설을 참고하세요.)
36. 측량에 있어 미지값을 관측할 경우에 나타나는 오차와 관련된 다음의 설명 중 틀린 것은?
37. 완화곡선 중 클로소이드에 대한 설명으로 틀린 것은?
38. 레벨로부터 60m 떨어진 표척을 시준한 값이 1.258m이며 이때 기포가 1눈금 편위되어 있었다. 이것을 바로 잡고 다시 시준하여 1.267m를 읽었다면 기포의 감도는?
39. 수준측량에서 레벨의 조정이 불완전하여 시준선이 기포관 축과 평행하지 않을 때 생기는 오차의 소거방법으로 옳은 것은?
40. 지구 표면의 거리 100km까지를 평면으로 간주했다면 허용정밀도는 약 얼마인가? (단, 지구의 반경은 6,370km이다.)
3과목: 수리학 및 수문학
41. 길이 a, 높이 b인 용기에 물이 h의 높이로 채워져 있다. 이 용기가 수평방향으로 α의 가속도로 운동하기 때문에 그림과 같이 수면이 경사져서 물이 넘치려고 한다면 이때의 가속도 α는?




42. 다음 중 점성계수( μ)의 차원으로 옳은 것은?
43. 그림과 같이 A에서 분기했다가 B에서 다시 합류하는 관수로에 물이 흐를 때 관 Ⅰ과 Ⅱ의 손실 수두에 대한 설명으로 옳은 것은? (단, 관의 성질은 같고, 관 Ⅰ의 직경 < 관 Ⅱ의 직경이다.)
44. 다음 중 누가우량곡선(Rainfall Mass Curve)의 특성으로 옳은 것은?
45. 그림과 같은 유출구에서 약간 떨어져 설치한 원추형 콘을 유지시키는 데 필요한 힘 P는? (단, 콘의 무게는 무시한다.)
46. 기준면에서 위로 5m 떨어진 곳에서 5m/sec로 물이 흐르고 있을 때 압력을 측정하였더니 0.5kg/cm2이었다. 이때 전수두(Total Head)는?
47. 어떤 유역 내의 총강수량을 P, 지표수 유입량을 I , 지표수 유출량을 O, 지하수 유출입량을 U,유역 내 저류량의 변화량을 S라 할 때 물수지 원리에 의한 증발량 E를 구하는 방정식으로 옳은 것은?
48. 지름 20cm, 길이 100m의 주철관으로서 매초0.1m3의 물을 40m의 높이까지 양수하려고 한다. 펌프의 효율이 100%라 할 때, 필요한 펌프의 동력은? (단, 마찰손실계수는 0.03, 유출 및 유입손실계수는 각각 1.0과 0.5이다.)
49. 유량 45m3/sec이 흐르는 직사각형 수로에서 수면경사가 0.001인 조건에서 가장 유리한 단면이 되기 위한 수로폭의 크기는? (단, Manning의 조도계수 n =0.035이다.)
50. 액체가 흐르고 있을 경우 어느 한 단면에 있어서 유속이 빠른 부분은 느린 부분의 물 입자를 앞으로 끌어당기려 하고 유속이 느린 부분은 빠른 부분의 물 입자를 뒤로 잡아당기는 듯한 작용을 한다. 이러한 유체의 성질을 무엇이라 하는가?
51. 오리피스(Orifice)에서의 유량 Q를 계산할 때 수두 H의 측정에 1%의 오차가 있으면 유량계산의 결과에는 얼마의 오차가 생기는가?
52. 지속기간이 2hr인 어느 단위도의 기저시간이 10hr 이다. 강우강도가 각각 2.0, 3.0 및 5.0 [cm/hr]이고 강우지속기간은 똑같이 모두 2hr인 3개의 유효강우가 연속해서 내릴 경우 이로 인한 직접유출수문곡선의 기저시간은 얼마인가?
53. 다음의 강수에 관한 설명 중 틀린 것은?
54. 마찰손실계수(f)와 Reynolds 수(Re) 및 상대조도(ɛ/d)의 관계를 나타낸 Moody 도표에 대한 설명으로 옳지 않은 것은?
55. 그림과 같은 수조에서 깊이 h인 점에 작은 구멍을 뚫어서 물을 유출시킬 때 에너지 손실을 무시한다면 유출속도는?
56. 다음 중 침투능을 추정하는 방법은?
57. Darcy 공식에서 투수계수 k의 차원은?
58. 개수로의 지배단면(Control Section)에 대한 설명으로 옳은 것은?
59. 직사각형 개수로에서 단위폭당의 유량이 5m3/sec, 수심이 5m일 때, Froude 수 및 흐름의 종류?
60. 흐르는 유체 속에 물체가 있을 때, 물체가 유체로부터 받는 힘은?
4과목: 철근콘크리트 및 강구조
61. 철근콘크리트 부재의 피복두께에 관한 설명으로 틀린 것은?(2021년 02월 개정된 규정 적용됨)
62. 단면의 폭 400mm, 보의 유효깊이 600mm, 콘크리트의 설계기준압축강도 25MPa로 설계된 전단철근이 있는 보가 있다. 이 보에 계수전단력 Vu=300kN이 작용할 경우, 전단철근이 부담하여야 할 전단력 Vs는?
63. 프리스트레스의 손실을 초래하는 요인 중 포스트텐션 방식에서만 두드러지게 나타나는 것은?
64. Mu= 200kN ㆍ m의 계수모멘트가 작용하는 단철근 직사각형 보에서 필요한 최소의 철근량(As)은 약 얼마인가? (단, bw=300mm, d=500mm, fck=28MPa, fy=400MPa, φ=0.85이다.)
65. 철근콘크리트 부재의 전단철근으로 부적당한 것은?
66. 아래 그림과 같은 직사각형 단면의 균열 모멘트( Mcr)는? (단, fck=21MPa, As=4,800mm2)
67. 다음 중 용접부의 결함이 아닌 것은?
68. 그림에 나타난 직사각형 단철근 보의 설계휨강도를 구하기 위한 강도감소계수(φ)는 약 얼마인가? (단, 나선철근으로 보강되지 않은 경우이며, As=2,035mm2, fck=21MPa, fy=400MPa이고, 계산에서 발생하는 소수점 이하 자리는 6째 자리에서 반올림하여 5째 자리까지 구하시오.)
69. 아래 그림과 같은 단철근 T형 보의 공칭휨모멘트강도(Mn)는 얼마인가? (단, fck=24MPa, fy=400MPa이고, As=4,500mm2)
70. 2방향 슬래브의 설계에서 직접설계법을 적용할수 있는 제한 조건으로 틀린 것은?
71. bw=400mm, d=600mm, As=4,800mm2, Asʹ=2,400mm2인 복철근 직사각형 단면의 보에서 하중이 작용할 경우 탄성처짐량이 2.5mm였다. 6개월 후 총 처짐량은? (단, 시간경과계수( ξ )는 1.2)
72. 단철근 직사각형 보에서 부재축에 직각인 전단 보강 철근이 부담해야 할 전단력 Vs가 350kN이라할 때 전단 보강 철근의 간격 s는 얼마 이하이어야하는가? (단, Av=253mm2, fy=400MPa, fck=28MPa, bw=300mm, d=580mm)
73. 종방향 표피철근에 대한 설명으로 옳은 것은?
74. 옹벽의 구조해석에 대한 사항 중 틀린 것은?
75. 그림과 같은 복철근 직사각형 보에서 공칭모멘트강도(Mn)는? (단, fck=24MPa, fy=350MPa, As=5,730mm2, Asʹ=1,980mm2)
76. PS콘크리트의 강도개념(Strength Concept)을 설명한 것으로 가장 적당한 것은?
77. 주어진 T형 단면에서 부착된 프리스트레스트 보강재의 인장응력 fps는 얼마인가? (단, 긴장재의 단면적은 Aps=1,290mm2이고, 프리스트레싱긴장재의 종류에 따른 계수(rp )=0.4, fpu=1,900MPa, fck=35MPa이다.)
78. 순단면이 볼트의 구멍 하나를 제외한 단면(즉, A-B-C 단면)과 같도록 피치(s)의 값을 결정하면? (단, 볼트의 직경은 19mm이다.)
79. 나선철근으로 둘러싸인 압축부재의 축방향 주철근의 최소 개수는?
80. D29 철근이 배근된 휨부재에서 fck=21MPa, fy=300MPa을 사용한다면, 인장철근의 기본정착 길이는? (단, D29 철근의 공칭지름 28.6mm, 공칭 단면적 642mm2임)
5과목: 토질 및 기초
81. 연약점토지반에 압밀촉진공법을 적용한 후, 전체 평균 압밀도가 90%로 계산되었다. 압밀촉진 공법을 적용하기 전, 수직방향의 평균압밀도가 20%였다고 하면 수평방향의 평균압밀도는?
82. 암반층 위에 5m 두께의 토층이 경사 15°의 자연사면으로 되어 있다. 이 토층은 c=1.5t/m2, φ=30°, γsat=1.8t/m3이고, 지하수면은 토층의 지표면과 일치하고 침투는 경사면과 대략 평행이다. 이때의 안전율은?
83. 두께 10m의 점토층에서 시료를 채취하여 압밀시험한 결과 압축지수가 0.37, 간극비는 1.24이었다. 이 점토층 위에 구조물을 축조하는 경우, 축조 이전의 유효압력은 10t/m2이고 구조물에 의한 증가응력은 5t/m2이다. 이 점토층이 구조물 축조로 인하여 생기는 압밀침하량은 얼마인가?
84. 다음은 전단시험을 한 응력경로이다. 어느 경우 인가?
85. 흙의 모세관 현상에 대한 설명으로 옳은 것은?
86. 수직방향의 투수계수가 4.5×10-8m/sec이고, 수평방향의 투수계수가 1.6×10-8m/sec 인 규질하고 비등방(非等方)인 흙댐의 유선망을 그린 결과 유로(流路)수가 4개이고 등수두선의 간격수가 18개이었다. 단위길이(m)당 침투수량은? (단, 댐의 상하류의 수면의 차는 18m이다.)
87. 실내시험에 의한 점토의 강도 증가율(Cu/P) 산정방법이 아닌 것은?
88. 다짐되지 않은 두께 2m, 상대밀도 45%의 느슨한 사질토 지반이 있다. 실내시험결과 최대 및 최소 간극비가 0.85, 0.40으로 각각 산출되었다. 이 사질토를 상대 밀도 70%까지 다짐할 때 두께의 감소는 약 얼마나 되겠는가?
89. Terzaghi의 압밀 이론에서 2차 압밀이란 어느 것인가?
90. 다음 그림과 같은 Sampler에서 면적비는 얼마 인가?
91. 점토의 다짐에서 최적함수비보다 함수비가 적은 건조측 및 함수비가 많은 습윤측에 대한 설명으로 옳지 않은 것은?
92. 쓰레기매립장에서 누출되어 나온 침출수가 지하수를 통하여 100미터 떨어진 하천으로 이동한다. 매립장 내부와 하천의 수위차가 1m이고 포화된중간지반은 평균 투수계수 1×10-3cm/sec의 자유면 대수층으로 구성되어 있다고 할 때 매립장으로부터 침출수가 하천에 처음 도착하는 데 걸리는 시간은 약 몇 년인가?(이때, 대수층의 간극비(e)는 0.25이었다.)
93. 그림과 같은 점성토 지반의 토질실험결과 내부마찰각 φ=30°, 점착력 c=1.5t/m2일 때 A점의 전단강도는?
94. 지름이 5cm이고 높이가 12cm인 점토시료를 일 축압축시험한 결과, 수직변위가 0.9cm 일어났을 때 최대하중 10.61kg을 받았다. 이 점토의 표준관입시험 N값은 대략 얼마나 되겠는가?
95. 어떤 흙의 습윤단위중량이 2.0t/m3, 함수비20%, 비중 Gs=2.7인 경우 포화도는 얼마인가?
96. 그림과 같이 피에조미터를 설치하고 성토 직후에 수주가 지표면에서 3m이었다. 6개월 후의 수주가 2.4m이면 지하 5m 되는 곳의 압밀도와 과잉간극수압의 소산량은 얼마인가?
97. 점착력이 1.0t/m2, 내부마찰각 30°, 흙의 단위 중량이 1.9t/m3인 현장의 지반에서 흙막이벽체 없이 연직으로 굴착가능한 깊이는?
98. 아래 그림과 같이 지표면에 집중하중이 작용할때 A점에서 발생하는 연직응력의 증가량은?
99. 두 개의 규소판 사이에 한 개의 알루미늄판이 결합된 3층구조가 무수히 많이 연결되어 형성된 점토광물로서 각 3층 구조 사이에는 칼륨이온 (K+)으로 결합되어 있는 것은?
100. 다음은 말뚝을 시공할 때 사용되는 해머에 대한 설명이다. 어떤 해머에 대한 것인가?
6과목: 상하수도공학
101. 200,000m3/day의 상수를 살균하기 위하여 100kg/day의 염소가 사용되고 있는데 15분 접촉 후 잔류염소는 0.2mg/L이었다. 이때 염소주입량 농도와 염소요구량 농도는 얼마인가?
102. 재질은 철근콘크리트관과 유사하며 원심력에 의해 굳혀 강도가 뛰어나므로 하수관거용으로 가장 많이 사용되는 하수관은?
103. 활성슬러지법을 이용한 하수처리 시스템에 5,000m3/day의 하수가 유입되고 있다. 폭기조의 MLSS를 2,000ppm, 반송 슬러지의 농도를 10,000ppm으로 할 때 반송 슬러지의 유량은 얼마인가?(단, 유입수의 고형물 농도는 무시한다.)
104. 상수도시설 중 완속여과지에 대한 설명으로 옳지 않은 것은?
105. 90% 효율을 가진 전동기에 의해 가동되는 효율80%의 펌프를 가지고 250L/sec의 물을 20m의 총수두로 퍼 올릴 때 요구되는 전동기의 출력은? (단, 여유율은 없는 것으로 가정한다.)
106. 상수도 관망계산방법 중 Hardy Cross법의 가정 사항이 아닌 것은?
107. 합류식에서 하수 차집관거의 계획하수량 기준으로 옳은 것은?
108. 1인 1일 평균급수량의 일반적인 증가·감소에 대한 설명으로 틀린 것은?
109. 정수장으로부터 배수지까지 정수를 수송하는 시설은?
110. 원형 하수관에서 유량이 최대가 되는 때는?
111. 우수조정지의 설치장소로 적당하지 않은 곳은?
112. 배수시설에 대한 설명으로 옳지 않은 것은?
113. 다음 중 하수처리시설의 용량을 결정하는 데 기초가 되는 것은?
114. 분류식 배제방식의 특징에 관한 설명으로 옳은 것은?
115. A시의 장래 2020년의 인구추정 결과 85,000명 으로 추산되었다. 계획년도의 1인 1일당 평균급수량을 380L, 급수보급률을 98%로 가정할 때 계획년도의 계획 1일 평균 급수량은 얼마인가?
116. 산화구(Oxidation Ditch)법은 생물학적 처리법 중 어디에 속하는가?
117. 활성슬러지법에서 BOD 용적부하를 옳게 표현 한 것은?
118. 일반적인 정수과정으로서 옳은 것은?
119. 대장균군의 수를 나타내는 MPN(최확수)에 대한 설명으로 옳은 것은?
120. 수중의 질소화합물의 질산화 진행과정으로 옳은 것은?
MA = RA × (2m) - F1 × (1m) - F2 × (3m)
= 5.7t × (2m) - 1.2t × (1m) - 3.0t × (3m)
= -4.2t ∙ m
따라서 정답은 "-4.2t ∙ m"이다.