1과목: 응용역학
1. 그림과 같은 3힌지(hinge) dnjsgh 아치가 P=10t의 하중을 받고 있다. B지점에서 수평 반력(Hв)은?
2. 그림과 같은 구조물에서 단부 A, B는 고정, C지점은 힌지일 때 0A, 0B, 0C 부재의 분배율로 옳은 것은?




3. 그림과 같은 2개의 캔틸레버보에서 저장되는 변형에너지를 각각 U(1), U(2)라고 할 때 U(1), U(2)의 비는?
4. 그림과 같은 트러스에서 AC부재의 부재력은?
5. 다음 인장부재의 수직변위를 구하는 식으로 옳은 것은? (단, 탄성계수는 E)
6. 길이가 ℓ이고 지름이 D인 원형단면 기둥의 세장비는?
7. B점의 수직변위가 1이 되기 위한 하중의 크기 P는? (단, 부재의 축강성은 EA로 동일하다.)




8. 그림과 같은 내민보에서 자유단 C점의 처짐이 0이 되기 위한 P/Q는 얼마인가? (단, EI는 일정하다)
9. 그림과 같은 속이 찬 직경 6㎝의 원형축이 비틀림 T=400kg·m를 받을 때 단면에서 발생하는 최대 전단응력은?
10. 그림과 같은 단순지지된 보에 등분포하중 q가 작용하고 있다. 지점C의 부모멘트와 보의 중앙에 발생하는 정모멘트의 크기를 같게하여 등분포하중 q의 크기를 제한하려고 한다. 지점 C와 D는 보의 대칭거동을 유지하기 위하여 각각 A와 B로부터 같은 거리에 배치하고자 한다. 이때 보의 A점으로부터 지점 C의 거리 X는?
11. 아래 그림과 같은 보에서 A점의 수직반력은?




12. 아래 그림과 같은 하중을 받는 단순보에 발생하는 최대 전단응력은?
13. 그림의 보에서 G는 내부 힌지(hinge)이다. 지점 B에서의 휨모멘트로 옳은 것은?
14. 아래 그림에서 단면의 도심
를 구하면?
15. 그림과 같은 단순보의 중앙점(C점)에서 휨모멘트 Mc는?
16. 다음 그림과 같은 단면의 A-A축에 대한 단면 2차 모멘트는?
17. 지름 4㎝, 길이 100㎝의 둥근 막대가 인장력을 받아서 길이가 0.6㎝ 늘어나고 동시에 지름이 0.008㎝만큼 줄었을 때 이 재료의 포아송수는?
18. 다음의 단순보의 C점의 곡률반경을 구하면 얼마인가? (단, E=10000㎏/cm2, I=40000㎝4)
19. 장주의 탄성좌굴하중(Elastic bukling Load) Pcr는 아래의 표와 같다. 기둥의 각 지지조건에 따른 n의 값으로 틀린 것은? (단, E : 탄성계수, I : 단면2차 모멘트, ℓ : 기둥의 높이)
20. 다음 그림과 같은 보에서 최대처짐은 A로부터 얼마의 거리(x)에서 일어나는가? (단, EI는 일정하다.)
2과목: 측량학
21. 100m의 거리를 20m의 줄자로 관측하였다. 1회의 관측에 +50mm의 누적오차와 ±5mm의 우연오차가 있을 때 정확한 거리는?(오류 신고가 접수된 문제입니다. 반드시 정답과 해설을 확인하시기 바랍니다.)
22. 그림과 같은 결합 트래버스에서 측점 2의 조정량은?
23. 그림과 같은 편심측량에서 ∠ABC는? (단,
, e=0.5m, t=54° 30' p=300° 30')
24. 표고가 350m인 산 위에서 키가 1.80m인 사람이 볼 수 있는 수평거리의 한계는? (단, 지구곡률 반지름=6370km)
25. 촬영고도 800m의 연직사진에서 높이 20m에 대한 시차차의 크기는? (단, 초점거리는 21cm, 사진크기는 23×23cm, 종중복도는 60%이다.)(관련 규정 개정전 문제로 여기서는 기존 정답인 4번을 누르면 정답 처리됩니다. 자세한 내용은 해설을 참고하세요.)
26. 고속도로 공사에서 측점 10의 단면적은 318m2, 측점 11의 단면적은 512m2, 측점 12의 단면적은 682m2일 때 측점 10에서 측점 12까지의 토량은? (단, 양단면평균법에 의하여 측점간의 거리는 20m)
27. 철도의 궤도간격 b=1.067m, 곡선반지름 R=600m인 원곡선상의 열차가 100Km/h로 주행하려고 할 때 캔트는?
28. 하천이나 항만 등에서 심천측략을 한 결과의 지형을 표시하는 방법으로 적당한 것은?
29. B.C의 위치가 NO. 12+16.404m이고 E.C의 위치가 NO. 19+13.520m일 때 시단현과 종단현에 대한 편각은? (단, 곡선반지름=200m, 중심말뚝의 간격=20m, 시단현에 대한 편각=δ1, 종단현에 대한 편각=δ2)
30. 갑, 을, 병 3사람이 동일조건에서 A, B en 지점의 거리를 관측하여 다음과 같은 결과를 획득하였다. 최확값을 계산하기 위한 경중률은 옳은 것은?
31. 수준측량에서 전,후시 거리를 같게 함으로써 제거되는 오차가 아닌 것은?
32. 완화곡선 중 클로소이드에 대한 설명으로 옳지 않은 것은? (단, R : 곡선반지름, L : 곡선길이)(오류 신고가 접수된 문제입니다. 반드시 정답과 해설을 확인하시기 바랍니다.)
33. 삼변측량에서 △ABC에서 세변의 길이가 a=1200.00m, b=1600.00m, c=1442.22m라면 변 c의 대각인 ∠C는?
34. 어떤 횡단면의 도상면적이 40.5cm2이었다. 가로 축척이 1:20, 세로 축척이 1:60이었다면 실제면적은?
35. 지형측량에서 등고선의 성질에 대한 설명으로 옳지 않은 것은?
36. 허용 정밀도(폐합비)가 1:1000인 평탄지에서 전진법으로 평판측량을 할 때 현장에서의 전체 측선 길이의 합이 400m이었다. 이 경우 폐합오차는 최대 얼마 이내로 하여야 하는가?
37. 사진의 특수3점에 대한 그림에서 N, J, M의 명칭으로 옳은 것은?(관련 규정 개정전 문제로 여기서는 기존 정답인 1번을 누르면 정답 처리됩니다. 자세한 내용은 해설을 참고하세요.)
38. 10000m2의 정사각형 토지의 면적을 측정한 결과, ±0.4m2 오차가 측정되었다면, 거리 측정의 오차는?
39. 하천측량에 대한 설명으로 옳지 않은 것은?
공식을 이용하여 구한다.40. 수준점 A, B, C에서 수준측량을 하여 P점의 표고를 얻었다. P점 표고의 최확값은?
3과목: 수리학 및 수문학
41. 관수로를 흐르는 난류 흐름에서 관마찰손실계수 f에 대한 설명으로 옳은 것은? (단, R : 곡선반지름, L : 곡선길이)
42. 빙산(氷山)의 부피가 V, 비중이 0.92이고, 바닷물의 비중이 1.025라 할 때 빙산의 바닷물 속에 잠겨있는 부분의 부피는?
43. 도수가 일어나기 전후에서의 수심이 각각 1.5m, 9.24m이었다. 이 도수로 인한 수두손실은?
44. 모래여과지에서 사층 두께 2.4m, 투수계수를 0.04cm/sec로 하고 여과수도를 50cm로 할 때 10000m3/day의 물을 여과시키는 경우 여과지 면적은?
45. 10mm 단위도의 증거가 0, 20, 8, 3, 0[m2/sec]이고 유효강우량이 20mm, 10mm일 경우에 첨두유량[m2/sec]은? (단, 단위시간은 2시간이다.)
46. 수심이 10cm, 수로폭은 20cm인 직사각형의 실험 개수로에서 유량이 80cm2/sec로 흐를 때 이 흐름의 종류는?(동점성계수=1.5×10-2 cm2/sec
47. 두께 3m인 피압대수층에서 반지름 1m인 우물로 양수한 결과, 수면강하 10m일 때 정상상태로 되었다. 투수계수 0.3m/hr, 영향권 반지름 400m라면 이때의 양수량은?
48. 1m×1m 크기의 평판을 연직방향으로 세워서 물속에 잠기게 하였다. 이 평판을 점점 더 깊은 곳으로 이동할 경우에 전수압의 작용점까지의 수심(hc)과 평면의 도심까지의 수심(hc)의 차(hc-hG)는?
49. 합성단위 유량도(synthetic unit hydrograph) 작성법이 아닌 것은?
50. 흐르는 물속에 연직으로 세운 두 고정 평행판 사이의 흐름에 대한 설명으로 옳은 것은?
51. 지름 1m의 원통 수조에서 지름 2cm의 관으로 물이 유출되고 있다. 관내의 유속이 2.0m/s일 때 수조의 수면이 저하되는 속도는?
52. 중력장에서 단위유체질량에 작용하는 외력 F의 x, y, z 축에 대한 성분을 각각 x, y, z라고 하고, 각 축방향의 증분을 dx, dy, dz라고 할 때 등압면의 방정식은?


53. 유역의 평균 강우량을 계산하기 위하여 사용되는 thiessen 방법의 단점으로 옳은 것은?
54. 물리량의 차원을 표시한 것으로 옳지 않은 것은?
55. 3m 폭을 가진 직사각형 수로에 사각형인 광정(廣頂)위어를 설치하려 한다. 위어 설치 전의 평균 유속은 1.5m/sec, 수심이 0.3m이고, 위어설치 후의 평균 유속이 0.3m/sec, 위어상류의 수심이 1.5m가 되었다면 위어의 높이 h는? (단, 에너지 보정계수 α=1.0)
56. 다음의 설명 중 옳지 않은 것은? (단, ℓ=관의 총길이, D=관의 지름)
57. 다음 용어에 대한 설명으로 옳지 않은 것은?
58. 3종의 강우강도 I1, I2 및 I3의 대소(大小) 관계로 옳은 것은?
59. 폭이 2m, 높이가 9.8m인 평판이 정지수중에서 5m/sec의 속도로 움직일 때 항력계수가 Cd=0.2라면 평판에 작용하는 항력(抗力)은? (단, 무게 1kg=10N)
60. 어느 유선상에 두점 1, 2가 있다. 점 2로부터 점 1로 물이 흐를 때 수두손실(hL)와 펌프에 의한 에너지공급(hD)이 있었다. 이 흐름을 해석하기 위한 베르누이 방정식으로 옳은 것은? (단, r는 물의 단위 중량을 나타낸다.)




4과목: 철근콘크리트 및 강구조
61. 다음 그림과 같이 w=40kN/m일 때 ps단면 중심에서 긴장되며 인장측의 콘크리트 응력이 "0"이 되려면 ps 강재에 얼마의 긴장력이 작용하여야 하는가?
62. 단면이 300mm×300mm인 철근콘크리트보의 인장부에 균열이 발생할때의 코멘트(Mcr)가 13.9kN·m이다. 이 콘크리트의 설계 기준강도 fck는 약 얼마인가?
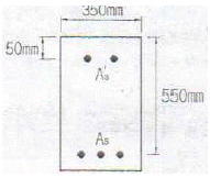
63. 그림의 단면을 갖는 저보강 PSC보의 설계휨강도(ΦMn)는 얼마인가? (단, 긴장재 단면적 Ap=600mm2, 긴장애 인장응력 fps=1500MPa, 콘크리트 설계기준강도 fck=35MPa)
64. 직사각형 단면(300×400)mm2인 프리텐션 부재에 550mm2의 단면적을 가진 PS 강선을 콘크리트 단면도심에 일치하도록 배치하였다. 이때 1350MPa의 인장응력이 되도록 긴장한 후 콘크리트에 프리스 트레스를 도입한 경우 도입직후 생기는 PS강선의 응력은?(단, n=6, 단면적은 총단면적 사용)
65. 강판형(Plate girder) 복부(web) 두께의 제한이 규정되어 있는 가장 큰 이유는?
66. 콘크리트의 압축강도(fck)가 35MPa, 철근의 항복강도(fy)가 400MPa, 폭이 350mm, 유효깊이가 600mm 단철근 직사각형 보의 최소철근량은 얼마인가?
67. 450kN의 계수하중(Pu)을 원형기둥(직경 300mm)으로 지지하는 그림과 같은 정사각형 확대기초판이 있다. 위험단면에서의 휨 모멘트는?
68. 그림과 같은 복철근 직사각형 단면에서 응력 사각형의 깊이 a의 값은 얼마인가? (단, fck=24MPa, fy=350MPa, As=5730mm2, As´=1980mm2)
69. 인장 이형철근의 정착길이 산정시 필요한 보정계수(α β)에 대한 설명으로 틀린 것은?
70. 포스트텐션 방법에는 발생하나 프리텐션 방법에서는 발생하지 않는 손실은?
71. 아래 그림과 같은 단철근 T형보에서 등가압축응력의 깊이(a)는?(단, Fck=21MPa, Fy=300MPa)
72. 그림과 같은 용정부의 응력은?
73. 주어진 철근 콘크리트보의 단면에서 비틀림 철근없이 저항할 수 있는 설계 비틀림 강도(ΦTn)의 최속값을 구하면?(단, fck=28Mpa, fy=400)(오류 신고가 접수된 문제입니다. 반드시 정답과 해설을 확인하시기 바랍니다.)
74. 폭(b)=600mm, 전체 높이(h)=1000mm인 직사각형 단면을 가지는 철근콘크리트 부재에 자중만 작용한다면 계수휨모멘트(Mu)는?(단,지간 6.8m인 단순보이고 , 철근콘크리트의 단위무게는 25KN/m3을 적용한다)
75. 복철근보에서 압축철근 배치로 얻어지는 효과로 적당하지 않은 것은?
76. 휨을 받는 인장철근으로 4-D25 철근이 배치되어 있을 경우 그림과 같은 직사각형 단면 보의 기본 정착길이 ldb는 얼마인가? (단, 철근의 직경 db=25.4㎜, fck=24MPa, fy=400MPa, D25철근 1개이 단면적=507mm2)
77. 전단설계의 원칙에 대한 설명으로 틀린 것은?
78. 연속 휨부재에 대한 해석 중에서 현행 콘크리트구조기준에 따라 부모멘트를 증가 또는 감소시키면서 재분배할 수 있는 경우는?
79. 폭(b)=300mm, 유효깊이(d)=400mm인 직사각형 단면에 인장철근 4-D32(1본의 단면적 794mm2)가 1열로 배치되어 있는 보에서 fck=38MPa, fy=400MPa일 때 이 단면의 설계휨강도를 계산하기 위한 강도감소계수(Φ)를 구하면?(오류 신고가 접수된 문제입니다. 반드시 정답과 해설을 확인하시기 바랍니다.)
80. 길이가 4m 캔틸레버보에서 처짐을 계산하지 않는 경우 보의 최소두께로 옳은 것은?( 단, (단, fck=28MPa, fy=350MPa
5과목: 토질 및 기초
81. 압밀시험결과 시간-침하량 곡선에서 구할 수 없는 값은?
82. 체적이 V=5.83cm2인 점토를 건조로에서 건조시킨 결과 무게는 Ws=11.26g이었다. 이 점토의 비중이 Gs=2.67이라고 하면 이 점토의 수축한계값은 약 얼마인가?
83. 흙의 포화단위중량이 2.0t/m2인 포화점토층을 45˚ 경사로 8m를 출착하였다. 흙의 강도 계수 Cu=6.5t/m2, Φu=0˚이다. 그림과 같은 파괴면에 대하여 사면의 안전율은? (단, ABCD의 면적은 70m2이고 0점에서 ABCD의 무게중심까지의 수직거리는 4.5m이다.)
84. 아래 표의 설명과 같은 경우 강도정수 결정에 적합한 삼축 압축 시험의 종류는?
85. 말뚝의 부마찰력에 대한 설명 중 틀린 것은?
86. 함수비 18%의 흙 500kg을 함수비 24%로 만들려고 한다. 추가해야 하는 물의 양은?
87. 어떤 시료를 입도분석한 결과, 0.075mm(No200)체 통과량이 65%이었고, 애터버그한계 시험결과 액성한계가 40%이었으며 소성도표(Plasticty chart)에서 A선위의 구역에 위치한다면 이 시료의 통일분류법(USCS)상 기호로서 옳은 것은?
88. 다음 현장시험 중 Sounding의 종류가 아닌 것은?
89. 4m×4m 크기인 정사각형 기초를 내부마찰각 Φ=20˚ 점착력 c=3t/m2인 지반에 설치하였다. 흙의 단위중량®=1.9t/m2이고 안전율을 3으로 할 때 기초의 허용하중을 Terzaghi 지지력공식으로 구하면? (단, 기초의 깊이는 1m이고, 전반전단파괴가 발생한다고 가정하며, Nc=17.69, Nq=7.44, Nr=4.97이다.)
90. 다짐에 대한 다음 설명 중 옳지 않은 것은?
91. 포화점토에 대해 비압밀 비배수(UU) 삼축압축 시험을 한 결과 액압 1.0㎏/cm2에서 피스톤에 의한 축차 압력 1.5㎏/cm2일 때 파괴되었고 이때의 간극수압이 0.5㎏/cm2만큼 발생되었다. 액압을 2.0㎏/cm2로 올린다면 피스톤에 의한 축차압력은 얼마에서 파괴가 되리라 예상되는가?
92. 기초폭 4m인 연속기초에서 기초면에 작용하는 합력의 연직성분은 10t이고 편심거리는 0.4m일 때, 기초지반에 작용하는 최대 압력은?
93. 비배수 점착력, 유효상재압력, 그리고 소성지수 사이의 관계는 cu/p=0.11+0.0037(PI) 이다. 아래 그림에서 정규압밀점토의 두께는 15m, 소성지수(PI)가 40%일 때 점토층의 중간깊이에서 비배수 점착력은?
94. 침투유량(q) 및 B점에서의 간극수압(uв)을 구한 값으로 옳은 것은? (단, 투수층의 투수계수는 0.3cm/sec이다.)
95. 5m×10m의 장방형 기초위에 q=6t/m2의 등분포 하중이 착용할 때, 지표면 아래 10m에서의 수직 응력은 2:1법으로 구한 값은?
96. 기초의 크기가 25m×25m인 강성기초로 된 구조물이 있다. 이 구조물의 허용각변위(angular distortion)가 1/500이라고 할 때, 최대 허용 부등침하량은?
97. 샘플러(sampler)의 외경이 6㎝, 내경이 5.5㎝일 때, 면적비(Ar)는?
98. 단면적 100cm2, 길이 30cm인 모래 시료에 대한 정수도 투수시험결과 아래의 표와 같을 때 이 흙의 투수계수는?
99. rt=1.9t/m2, Φ=30˚인 뒤채움 모래를 이용하여 높이 8m의 보강토 옹벽을 설치하고자 한다. 폭 75mm, 두께 3.69mm의 보강띠를 연직방향 설치간격 Sv=0.5m, 수평방향 설치간격 Sh=1.0m로 시공하고자 할 때, 보강띠에 작용하는 최대함 Tmax 크기를 계산하면?
100. 포화된 지반의 간극비를 e, 함수비를 w, 간극률을 n, 비중을 Gs라 할때 다음 중 한계 동수경사를 나타내는 식으로 적절한 것은?



6과목: 상하수도공학
101. 다층여과지에 대한 설명으로 옳지 않은 것은?
102. 알칼리도가 30mg/L의 물에 황산알루미늄을 첨가했더니 25mg/L의 알칼리도가 소비되었다. 여기에 Ca(OH)2를 주입하여 알칼리도를 15mg/L로 유지하기 위해 필요한 Ca(OH)2는? (단, Ca(OH)2 분자량 74, aCO3 분자량 100이다.)
103. 정수시설 내에서 조류를 제거하는 방법으로 약품으로 조류를 산화시켜 침전처리 등으로 제거한 방법에 사용되는 것은?(오류 신고가 접수된 문제입니다. 반드시 정답과 해설을 확인하시기 바랍니다.)
104. 도수관에서 유량을 Hazen-Williams 공식으로 다음과 같이 나타내었을 때 a, b의 값은?
105. 활성슬러지 공정의 설계에 있어 F/M비는 매우 유용하게 사용된다. 만일 유입수가 BOD가 2배 증가하고 반응조의 체류시간을 1.5배로 증가시키면 F/M비는?
106. Jar-Test는 적정 응집제의 주입량과 적정 pH를 결정하기 위한 시험이다. Jar-Test시 응집제를 주입한 후 급속교반 후 완속교반을 하는 이유는?
107. 침전지의 침전효율을 증가시키기 위한 설명으로 옳지 않은 것은?
108. 계획오수량 산정시 고려하는 사항에 대한 설명으로 옳지 않은 것은?
109. 다음 설명 중 옳지 않은 것은?
110. 다음 중 우수조정지의 구조형식이 아닌 것은? (단, 댐식은 제방 높이 15m 미만으로 한다.)
111. 하수관거의 단면에 대한 설명으로 ①과 ②에 알맞은 것은?
112. 하수배제 방식의 합류식과 분류식에 관한 설명으로 옳지 않은 것은?
113. 수격작용을 방지하기 위한 방법으로 옳지 않은 것은?
114. 하천의 자정계수(self-purification factor)에 대한 설명으로 옳은 것은?
115. 트리할로메탄(Trihalomethane : THM)에 대한 설명으로 옳지 않은 것은?
116. 하수도계획의 기본적 사항에 관한 설명으로 옳지 않은 것은?
117. 오수관거내 유속이 느리면 오물이 침전할 우려가 있다. 이를 방지하기위한 오수관거내 최소 유속은?
118. 펌프의 비속도 Ns에 대한 설명으로 옳지 않은 것은?
119. 인구 10만의 도시에 급수계획을 하려고 한다. 계 1인1일 최대급수량이 400L/인·일이라면 급수보금율을 90%라 할 때, 계획1일 최대급수량은?
120. 혐기성 소화공정에서 소화가스 발생량이 저하될 때 그 원인으로 적합하지 않은 것은?