1과목: 전기전자공학
1. 그림과 같은 정전압회로의 설명으로 틀린 것은?
2. 증폭기의 입력저항이 20kΩ인 회로의 양단에 1V를 가했을 때 출력측 부하저항 5kΩ에서 50V의 전압을 얻었다면 전력이득은 몇 dB 인가?
3. 정합용 권수비가 옳은 것은? (단, ni1, ni2는 1차와 2차의 권선, n01, n02는 출력변압기의 1차와 2차권선이며, Zi, ZO는 증폭기의 입력임피던스와 출력임피던스, ZS, ZL는 전원 내부임피던스이다.)




" 이다.
"인 것은 입력/출력 권선의 비율, 출력변압기의 권선 비율, 증폭기의 입력/출력 임피던스 비율, 전원 내부 임피던스 비율이 모두 1:1인 경우이다. 이 경우에는 전기적으로 완벽한 정합이 되어 최대 전력이 전달되므로 권수비가 가장 적절하다고 할 수 있다.4. 연산증폭회로에서 출력전압 Vo를 나타낸 식은?




"이 정답입니다.
"는 입력전압이 양수일 때만 고려한 식이고, "
"은 입력전압이 음수일 때만 고려한 식입니다. "
"는 입력전압이 양수일 때와 음수일 때 모두 고려한 식이지만, 전압증폭계수가 잘못 계산되어 있습니다. 따라서, "
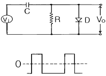
"이 정답입니다.5. 그림과 같은 회로는 무슨 회로인가? (단, Vi는 직사각형파이다.)
6. RS-FF에서 R=1, S=1일 때 출력은?
7. FAN out가 가장 많은 논리회로는?
8. AM변조의 피변조파에서 상측파의 진폭과 반송파의 진폭 관계는? (단, M은 변조도이다.)
9. 저항값이 동일한 저항을 가진 10개의 도선을 병렬로 연결 하였을 때의 합성저항은 한 도선 저항값의 몇 배인가?
10. 공기 중에서 자속밀도 3Wb/m2의 평등자장속에 길이 10㎝의 직선 도선을 자장의 방향과 직각에 놓고 4A의 전류를 흘릴 때 도선에 받는 힘은 몇 N 인가?
11. 정전용량이 같은 콘덴서 5개를 병렬로 연결하였을 때 합성용량은 5개를 직렬로 접속할 때의 몇 배인가?
12. 저항 5Ω, 유도리액턴스 30Ω, 용량리액턴스 18Ω인 RLC 직렬회로에 130V의 교류를 가할 때 흐르는 전류는?
13. 온도보상용 저항으로 사용하는 반도체 소자는?
14. 그림의 정전압회로에서 부하 RL의 양단에 걸리는 전압은 몇 V 인가?
15. 회로의 clock pulse 발진주파수는 몇 kHz 인가?
2과목: 전자계산기일반
16. 그림과 같은 연산증폭기를 이용한 펄스발생회로의 명칭은?
17. 논리식 (A+B)(A+C)를 가장 간단하게 표현한 것은?
18. Address 지정 방식이 아닌 것은?
19. 다음 중 기억소자에 속하지 않는 것은?
20. 중앙처리장치와 주기억장치 간의 속도 차이를 해결하기 위한 기억장치는?
21. 컴퓨터 중심의 언어는?
22. 명령을 수행할 때마다 어드레스를 하나씩 증가시켜 순차적으로 수행할 명령의 어드레스를 제공하는 기능을 갖는 것은?
23. 다음 보기의 A, B에 각 각 들어갈 내용은?
24. 레지스터 내의 필요없는 부분을 지워 버리고 원하는 비트만을 가지고 처리하기 위하여 사용되는 연산자는?
25. CPU는 제어장치, 연산장치, 기억장치로 구성되어 있다. 이들 중 누산기를 가지고 있는 장치는?
26. 마이크로프로세서의 내부 구성 요소가 아닌 것은?
27. 데이터를 스택에 일시 저장하거나 스택으로부터 데이터를 불러내는 명령은?
28. 순서도를 작성하는 일반 규칙으로 옳지 않은 것은?
29. 내부저항 4㏀, 최대눈금 50V의 전압계로 300V의 전압을 측정하기 위한 배율기 저항은 몇 Ω 인가?
30. 정류형 계기가 저 전압용으로 적합한 이유는?
3과목: 전자측정
31. 측정자의 눈금 오독, 부주의로 발생하는 오차는?
32. 단상 전력계로 3상 전력을 측정하고자 한다. 측정법이 아닌 것은?
33. 고주파수 측정에 사용되는 주파수계가 아닌 것은?
34. 전압계에 100〔V〕를 가했을 때 전압계의 지시가 101.5〔V〕이면 그 오차율은?
35. 계수형 주파수계의 특징 중 옳지 않은 것은?
36. 다음 브리지 회로에 검류계 G에 전류가 흐르지 않는 평형 조건이 되었다. 다음 임피던스로 옳은 것은?
37. 디지털 주파수계에서 발생하는 오차가 아닌 것은?
38. 지시 계기의 3대 요소가 아닌 것은?
39. 낮은 주파수에서도 출력 파형이 좋고, 취급이 간편하여 저주파 발진기로 가장 널리 쓰이는 것은?
40. 정전 전압계의 특징으로 옳지 않은 것은?
41. 고주파 유도가열에서 열발생의 원인이 되는 현상은?
42. 금속의 두께 측정시 초음파의 어떤 성질을 이용하는가?
43. 초음파가 기체 중에서 어떤 파형으로 전파되는가?
44. 유도 가열법으로 가열할 수 있는 것은?
45. 유도가열의 특징으로 거리가 먼 것은?
4과목: 전자기기 및 음향영상기기
46. 프로세스 제어는 어느 제어에 속하는가?
47. 프로세스 제어에서 각종 공법량을 임피던스로 변환하는데 필요한 것은?
48. 태양전지의 용도가 아닌 것은?
49. 다음 그림에서 종합 전달 함수는 어떻게 표시되는가?




"이 정답입니다.50. 다음 회로의 전달함수는?




"와 일치합니다.51. 유전가열의 응용에 해당되지 않는 것은?
52. 공항에 수색레이더(SRE)와 정측레이더(PAR)의 두 레이더가 설치된 항법 보조장치는?
53. 전자 냉동은 어떤 효과를 이용한 것인가?
54. FM 통신 방식 중 고음부를 강조하여 S/N 비를 개선하는 회로는?
55. 컬러 TV 수상기에서 특정 채널만이 흑백으로 나올 때의 고장은?
56. 증폭회로에 1[㎽]를 공급하였을 때 출력으로 1[W]가 얻어졌다면, 이 때 이득은?
57. 두개의 트랜지스터가 부하에 대하여 직렬로 동작하고 직류 전원에 대해서는 병렬로 접속되는 회로는?
58. VTR에서 자기기록의 본질적 특성인 저역에 있어서의 저감도, 비직선성 및 재생신호의 레벨변동 등의 문제를 피하기 위하여, 비디오 신호는 어떤 방식을 채용하고 있는가?
59. 수퍼 헤테로다인 수신기에 RF 증폭단을 부가했을 때, 발생하는 현상으로 옳지 않은 것은?
60. 일반적으로 수퍼 헤테로다인 수신기에서 주파수 변환회로의 이상적인 변환 이득은?