1과목: 전기전자공학
1. 5C의 양전하를 전위 +20V인 점에서 -20V인 점까지 이동 시킬 때 이루어지는 일은 몇 J인가?
2. 전원주파수가 60Hz일 때 3상 전파정류회로의 리플주파수는 몇 Hz가 되는가?
3. 이상적인 연산증폭기의 두 입력전압이 갈을 때의 출력전압은?
4. 단일 동조 고주파 증폭기의 이득은 LC 회로의 공진주파수에서 최대가 된다. 그 이유는?
5. 궤환발진기의 발진지속 조건을 나타낸 것으로 가장 적합한 것은? (단, A는 증폭도, β는 궤환율이다.)
6. 기준레벨보다 높은 부분을 평탄하게 하는 회로는?
7. 비오-사바르의 법칙은 어떤 관계를 나타내는 법칙인가?
8. 그림과 갈은 회로는?
9. 평활회로에서 초크입력형과 콘덴서 입력형에 대한 설명으로 옳지 않은 것은?
10. 어떤 저항에서 1kWh의 전력량을 소비시켰을 때 발생하는 열량은 약 몇 kcal인가?
11. R-C 회로의 시정수가 1[μs]일 때 상승시간은 몇 μs인가?
12. TR의 컬렉터 손실을 바르게 표현한 것은?
13. 그림과 같은 이상형 CR발진기에 대한 설명으로 옳은 것은?
이다.
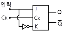
이 됩니다.14. J-K 플립플롭의 입력에 그림과 갈이 NOT 회로를 연결하였다. 무슨 회로가 되는가?
15. 도에 전압이 가해졌을 때 흐르는 전류의 크기는 가해진 전압에 비래한다는 법칙은?
2과목: 전자계산기일반
16. 다음 중 이미터 플로어(emitter follower) 증폭회로에 대한 설명으로 적합하지 않은 것은?
17. 컴퓨터의 기억 용량을 의미하는 것은?
18. 자료전송에 발생하는 에러(error) 검출을 위하여 추가된 bit는?
19. 주기억장치로 사용되는 반도체 기억소자 중에서 읽기, 쓰를 자유롭게 할 수 있는 것은?
20. 다음에서 후입선출(LIFO) 동작을 하는 것은?
21. 다음 ( )안에 들어갈 용어로 알맞은 것은?
22. 다음과 같은 진리표를 불대수로 표현하면?


23. 마이크로프로세서를 구성하고 있는 장치로 짝지어진 것은?
24. C 언어에 대한 설명으로 옳지 않은 것은?
25. 다용 중 운영체제(operatic System)에 해당하지 않은 것은?
26. 다음 중 순서 논리 회로에 해당되는 것은?
27. 다음의 1부터 100까지의 정수의 합을 구하는 반복형 순서도에서 비교, 판단의 역할을 하는 부분은?
28. 자료의 표현이 크기 순서로 나열된 것은?
29. 다음 중 측정에 있어서 측정기의 정밀도나 정확도를 나타내는 이유로 가장 옳은 것은?
30. 그림에서 a=15mm, b=13mm라 하면 수직, 수평 두 전압의 위상차는 약 몇 도인가?
3과목: 전자측정
31. 전류계의 측정범위를 100배로 하기 위한 분류기의 저항은 전류계 내부 저항의 몇 배인가?
32. 마이크로파 측정에서 정재파 비가 2일 때 반사계수는?
33. 소인(sweep) 발진기의 주용도로 옳은 것은?
34. 디지털 계측에서 레지스터는 무슨 역할을 하는가?
35. 대전된 도체 사이에 작용하는 정전 흡입력 또는 반발력을 이용한 계기는?
36. 고주파 측정에 사용되는 주파수계는?
37. 피 측정 신호에 포함되는 전 주파수 성분을 분석하여 진폭 의 크기로서 표시하는 계측기는?
38. 디지털 신호를 아날로그 신호로 바꾸는 것을 무엇이라 하는가?
39. 다음 중 자동평형 기록계기의 축정원리는?
40. 표준전지의 기전력과 이지전지의 기전력을 비교하여 1[V] 이하의 직류 전압을 정밀하계 축정할 수 있는 계기는?
41. 다음 중 유전가열의 응용으로 옳지 않은 것은?
42. 매질의 유전율을 ε, 투자율을 μ라 할 때, 이 매질 내에서 견자파의 속도는?



" 이다.43. 다음 중 초음파 세척은 초음파의 무슨 작용을 이용한 것인가?
44. 다음 중 유도가열의 특징으로 거리가 먼 것은?
45. 다음 회로에서 전달함수는?
4과목: 전자기기 및 음향영상기기
46. 수퍼헤테로다인 수신기에서 중간 주파수가 455kHz일 때 710kHz의 전파를 수신하고 있다. 이때 수신 될 수 있는 영상 주파수는 몇 kHz인가?
47. 다음 중 잔류편차가 없는 제어 동작은?
48. 다음 중 서미스터(thermistor)와 관계없는 것은?
49. 야기(Yagi) 공중선의 구조상 도선(파이프)의 길이가 제일 긴 것은 무슨 역할을 하는가?
50. 자기녹음기의 유도특성은 평탄한 주파수 특성을 얻기 어렵기 때문에 이 특성을 보상하기 위한 회로는?
51. 녹음 때에는 고역을, 재생 때에는 저역을 각각의 증폭기로 보정하여 전체를 평탄한 특성으로 만드는 것을 무엇 이라고 하는가?
52. 다음 중 서보기구에 사용되지 않는 것은?
53. 다음 중 광기전력 효과를 이용한 것은?
54. 다음 중 항공기의 착륙보조장치는?
55. 송신측의 변조신호를 어느 정도까지 충실하게 재현할 수 있는지의 척도를 나타내는 것을 무엇이라고 하는가?
56. 다음 블록도는 FM 수신기의 계통도이다. 빈칸 A, B에 해당하는 명칭은?
57. 비선형 증폭기에서 일그러짐율이 1[%]라면 몇 때인가?
58. VTR 사용 전 미리 전원을 인가하여 두는 것이 좋은데 이의 주된 이유는?
59. 일반적인 재생헤드에 대한 설명 중 옳지 않은 것은?
이다.60. 녹음기에서 마스킹 효과를 이용하여 히스 잡음을 줄이기 위하여 고안된 것은?
양전하를 이동시키면 일을 해야하므로 일은 W = qΔV 이다.
여기서 q는 양전하이고, C는 5C이므로 q = 5C이다.
따라서 W = (5C)(-40V) = -200J 이다.
하지만 문제에서 일의 값은 양수로 나와야 하므로, 절댓값을 취해서 200J가 된다.
따라서 정답은 "200"이다.