1과목: 전기전자공학
1. 연산증폭기의 연산의 정확도를 높이기 위해 요구되는 사항이 아닌 것은?
2. 정격 전압에서 100W의 전력을 소비하는 전열기에 정격 전압의 60% 전압을 가할 때의 소비 전력은 몇 W 인가?
3. 다음 정전압 안정화 회로에서 제너다이오드 ZD의 역할은? (단, 입력 전압은 출력 전압보다 높다.)
4. 단상 전파정류기의 DC 출력전압은 단상 반파정류기 DC 출력 전압의 몇 배인가?
5. 10진수 0~9를 식별해서 나타내고 기억하는 데에는 몇 비트의 기억 용량이 필요한가?
6. 다음 중 N형 반도체를 만드는데 사용되는 불순물의 원소는?
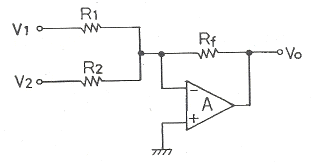
7. 다음과 같은 회로의 명칭은?
8. 적분기 회로를 구성하기 위한 회로는?
9. 다음 중 광전 변환 소자가 아닌 것은?
10. 커패시터 중에서 고주파 회로와 바이패스(Bypass) 용도로 많이 사용되며 비교적 가격이 저렴한 커패시터는?
11. 실제적인 R-L-C 병렬 공진 회로에서 R이 2Ω, L은 400uH, C는 250pF일 경우에 공진 주파수는 약 몇 kHz 인가?
12. LC 발진기에서 일어나기 쉬운 이상 현상이 아닌 것은?
13. 집적회로(Integrated Circuit)의 장점이 아닌 것은?
14. 3 단자 레귤레이터 정전압 회로의 특징이 아닌 것은?
15. B급 푸시풀 증폭기에 대한 설명으로 옳은 것은?
2과목: 전자계산기일반
16. 전자기파에 대한 설명 중 틀린 것은?
17. 다음 중 제어장치의 역할이 아닌 것은?
18. 레지스터와 유사하게 동작하는 임시 저장장소로써 다음 실행할 명령어의 주소를 기억하는 기능을 하는 것은?
19. (1011010)2를 8진수와 16진수로 변환하면?
20. 순서도(flowchart)의 특징이 아닌 것은?
21. CPU와 입출력 사이에 클록 신호에 맞추어 송, 수신 하는 전송 제어방식을 무엇이라 하는가?
22. 마이크로프로세서에서 가산기를 주축으로 구성된 장치는?
23. 2진수 10101에 대한 2의 보수는?
24. 컴퓨터의 주기억장치와 주변장치 사이에서 데이터를 주고 받을 때, 둘 사이의 전송속도 차이를 해결하기 위해 전송할 정보를 임시로 저장하는 고속 기억장치는?
25. 비수치적 연산에서 하나의 레지스터에 기억된 데이터를 다른 레지스터로 옮기는데 사용되는 연산은?
26. 주변 장치의 입출력 방법이 아닌 것은?
27. 데이터베이스를 사용할 때, 데이터베이스에 접근할 수 있는 하부언어로 구조적 질의어라고도 하는 언어는?
28. 입출력장치와 CPU 사이에 존재하는 속도차를 줄이기 위해 사용하는 것은?
29. 직류 출력 전압이 무부하시 250V이고, 전부하시 출력 전압이 200V이었다. 전압 변동률은 몇 %인가?
30. 수신기에서 잡음 측정을 할 때 300Hz 이상을 차단시키는 경우 용하는 필터는?
3과목: 전자측정
31. 다음 그림의 변조도 m은?




"입니다.32. 영위 측정법의 원리를 이용하여 측정량을 전기적인 양으로 변환하여 브리지 또는 전위차계를 연결시켜 측정하는 계기는?
33. 측정자의 눈금 오독, 부주의로 발생하는 오차는?
34. 소인 발진기의 측정 용도로 가장 적합한 것은?
35. 다음 중 가장 높은 주파수를 측정할 수 있는 것은?
36. 고주파 영역에서 전력을 측정하는 방법이 아닌 것은?
37. 저항과 전류를 측정하여 전력을 구하는 간접 측정에서 저항계의 계급이 1.0급이다. 전류계의 측정 정도는 얼마가 되는 것이 가장 적당한가?
38. 직류 전기에너지를 지속적인 교류 전기에너지로 변환시키는 장치를 무엇이라 하는가?
39. 그림과 같은 맥동 전류를 열전대로 측정하였더니 5A를 지시하였다. 이것을 가동코일형 전류계로 측정하면 그 지시값은 몇 A 인가? (단, 계기는 반파를 이용한 것으로 한다.)
40. 아날로그 계측기와 비교시 디지털 계측기에만 반드시 필요한 것은?
41. 다음 그림은 VHS 방식 카세트테이프의 후면 모양을 나타내었다. 구멍 H의 역할은?
42. 대화형 입력장치가 아닌 것은?
43. 제어 대상에 속하는 양, 제어 대상을 제어하는 것을 목적으로 하는 양은 무엇인가?
44. 청력 검사기(Audiometer)에서 신호음으로 사용하는 신호의 파형은?
45. 파장이 1m인 전파의 주파수는 몇 MHz 인가? (단, 빛의 속도는 3×108m/s이다.)
4과목: 전자기기 및 음향영상기기
46. 출력의 전력이 500W인 송신기의 공중선에 5A의 전류가 흐를 때 복사 저항은 몇 Ω 인가?
47. 컬러텔리비전 수상기의 구성 요소가 아닌 것은?
48. 다음 중 광기전력 효과를 이용한 것은?
49. 영상의 가장 밝은 부분에서부터 가장 어두운 부분을 단계로 표시하는 것을 무엇이라 하는가?
50. 라디오존데(radiosonde)로 측정할 수 없는 것은?
51. 초음파를 이용한 응용 분야로 틀린 것은?
52. 장, 중파용에 사용되는 공중선으로 적합하지 않은 것은?
53. 유도가열(induction heating)의 특징에 대한 설명으로 틀린 것은?
54. VTR에서 테이프의 속도를 일정하게 유지하기 위한 기구는?
55. VTR용 Head의 자성재료에 요구되는 특성으로 틀린 것은?
56. 강한 직류 자장을 자기 테이프에 가하여 녹음에 의한 잔류 자기를 자화시켜 소거하는 방법은?
57. 어떤 물질 1kg의 온도를 1℃ 올리는데 필요한 열량을 무엇이라 하는가?
58. 서보 기구에 관한 일반적인 조건으로 옳은 것은?
59. 뇌파의 신호 형태가 아닌 것은?

60. 다음과 같은 전달함수를 합성할 때 G(S)는?