1과목: 임의구분
1. 유도 가열은 주로 어떤 작용을 이용한 것인가?
2. 디지털 전자계산기의 중앙처리장치에서 주기억장치, 연산처리장치 외에 꼭 있어야 할 것은?
3. FET의 설명 중 옳지 않은 것은?
4. 플레밍의 왼손법칙에서 왼손가락의 모지, 인지, 중지를 서로 직각되게 하였을 때 각 손가락의 방향은 무엇을 가리키는가?
5. 10진수 5에 대한 3-초과 코드로 올바른 것은?
6. 프로그래머에게 주기억 장치의 실제 용량보다 훨씬 더 큰 기억공간을 제공하고 운영체제에 의하여 관리되는 기억장치 시스템은?
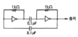
7. 시미트 트리거(Schmitt trigger) 회로의 응용 회로가 아닌 것은?
8. 평균 반지름 5[cm], 감은 횟수 10회의 원형 코일 중심의 자장 세기가 100[AT/m]일 때 코일에 흐르는 전류는?
9. 다음 중 이상적인 연산증폭기의 특징으로 옳지 않은 것은?
10. 콤팩트 디스트(CD)의 신호 저장 방식으로 옳은 것은?
11. Color TV의 리모트 컨트롤에서 기능 제어용으로 가장 많이 사용되는 Signal은?
12. AM 수신기의 감도를 높이기 위하여 고주파 증폭을 크게 하면 발진이 일어난다. 발진을 방지하기 위한 방법은?
13. 다음 중 불연속 제어 방식은?
14. 다음 논리회로와 등가인 논리회로는?




"입니다.15. T 플립플롭을 사용하여 8분주 회로를 만들 때, 최소 몇 개가 필요한가?
16. 다음 공진 회로에 대한 설명 중 옳은 것은?
17. 16개의 address를 가진 processor를 이용한 장비에서 직접적으로 addressing을 할 수 있는 address 수는 몇 개인가?
18. V1=110 sin(wt+π/3)이며, V2=220 sin(wt-π3) 일 때 V1과 V2의 위상차는?
"와 일치한다.19. 초음파의 에너지를 크게 했을 때 일어나는 현상이 아닌 것은?
20. VTR 헤드의 클리닝 방법으로 가장 옳지 않은 것은?
2과목: 임의구분
21. 다음 그림과 같은 회로에서 AB 단자에 V=Vm sinwt[V]를 공급했을 때, AC 양단의 전압은?
22. N형 반도체를 만들기 위해 사용하는 불순물이 아닌 것은?
23. 다음 중 직류 전동기의 종류에 해당하지 않는 것은?
24. 다음 중 온도, 압력, 액위, 유량 및 농도 등의 공업 프로세스의 상태량을 제어량으로 하는 것은?
25. Exclusive-NOR 게이트는 다음 중 어느 것과 같은가?
26. 라운드니스 컨트롤 회로의 특성을 가장 올바르게 설명한 것은?
27. 그림과 같은 회로에서 부하 임피던스 Z를 얼마로 할 때 부하에 최대 전력이 공급되는가?
28. 명령어 형식 중에서 스택(stack)을 필요로 하는 것은?
29. 다음 은 무슨 회로인가? (단, CR 시정수가 입력 펄스폭보다 작다.)
30. 다음 중 후입선출(LIFO) 동작을 하는 것은?
31. 다음 중 전달 함수를 정의할 때 가장 옳게 나타낸 것은?
32. B급 증폭기의 최대 효율을 백분율로 표시하면?
33. 다음 파형이 오실로스코프로 측정되었을 때 위상차는?
34. 다음 중 초음파로 진단하기 어려운 영역은?
35. 그림과 같은 파형의 맥동 전류를 가동 코일형 계기로 측정하였더니 10[A]이었다. 열선형 계기로 측정할 때의 전류값은 약 몇 [A] 인가?
36. 스피커의 구조에서 진동계에 속하지 않은 것은?
37. 마이크로프로세서와 메모리 혹은 인터페이스 장치간의 정보를 교환하는 통로로서 양쪽 방향 모두 정보전달이 가능한 것은?
38. 같은 보빈 위에 동일한 권수로 인덕턴스 L[H]의 코일 2개를 접근해서 감고 이것을 직렬로 접속했을 때 합성인덕턴스는? (단, 결합계수는 0.8로 한다.)
39. 오디오앰프를 구성할 때 S/N 비가 특히 좋아야 할 부분은?
40. 키르히호프의 법칙에 대한 설명 중 옳지 않은 것은?
3과목: 임의구분
41. 다음 중 테이프 녹음기의 3대 구성요소와 거리가 먼 것은?
42. 마이크로컴퓨터 시스템의 각 구성요소를 연결하는데 3대 신호버스가 아닌 것은?
43. 전 가산기(full adder)에 대한 설명 중 옳은 것은?
44. 논리함수 F의 진리표(truth table)가 다음 표와 같을 때 함수 F는?
45. 디지털 데이터를 아날로그로 변환시키는 모뎀 방식에 해당하는 것은?
46. PCM(펄스부호변조)의 기본 원리 구성은?
47. 그림과 같은 회로에서 저항 R에 흐르는 전류는?
48. 다음 중 비동기식 카운터는?
49. 콘(Cone)형 스피커의 저음 특성을 향상시키기 위한 설명 중 가장 적합한 것은?
50. 선간전압 100[V]의 3상 전원에 2.1[kW]의 부하를 걸어줄 때, 선전류가 17.3[A] 흘렀다면 부하에서의 역률은 약 얼마인가?
51. 다음 펄스 발생 회로의 출력단 주파수는?
52. 라디오 수신기에서 여러 주파수 중에서 희망하는 방송을 선택하는 회로를 무엇이라 하는가?
53. 녹음기에서 테이프가 헤드면에 스페이싱 손실이 없이 밀착되도록 하는 것은?
54. 마이크의 감도(sensitivity)를 말할 때 0[dB]는 개방단 전압이 얼마인 때인가?
55. 로트로부터 시료를 샘플링해서 조사하고, 그 결과를 로트의 판정기준과 대조하여 그 로트의 합격, 불합격을 판정하는 검사를 무엇이라 하는가?
56. 다음 중 데이트를 그 내용이나 원인 등 분류 항목별로 나누어 크기의 순서대로 나열하여 나타낸 그림을 무엇이라 하는가?
57. 일반적으로 품질코스트 가운데 가장 큰 비율을 차지하는 코스트는?
58. c 관리도에서 k=20인 군의 총부적합(결정)수 합계는 58이었다. 이 관리도의 UCL, LCL을 구하면 약 얼마인가?
59. 일정 통제를 할 때 1일당 그 작업을 단축하는데 소요되는 비용의 증가를 의미하는 것은?
60. 모든 작업을 기본동작으로 분해하고, 각 기본 동작에 대하여 성질과 조건에 따라 미리 정해 놓은 시간치를 적용하여 정미시낙을 산정하는 방법은?