1과목: 임의구분
1. 다음 그림에서 스위치 (SW)를 닫을 때의 충전전류 I(t) [A]는?




" 입니다.2. 스피커의 출력 음압 레벨을 측정하기 위해 사용되는 계측기가 아닌 것은?
3. Color TV의 리모트 컴트롤에서 기능 제어용으로 가장 많이 사용되는 Signal은?
4.
이며,
일 때 V1과 V2의 위상차는?
5. 고주파 가열에서 유도 가열은 어떤 원리에 의하여 발영시키는 방식인가?
6. 신호 대 잡음비에 대한 설명 중 옳지 않은 것은?
7. 소리의 음압이 1[μbar]라고 하면, 음압의 레벨[dB]은?
8. 다음 중 되먹임 제어에서 꼭 있어야 할 장치는?
9. 다음 중 직류 전동기의 종류에 해당하지 않는 것은?
10. VTR 헤드의 클리닝 방법으로 가장 옳지 않은 것은?
11. 테이프 속도의 변동에 의해서 생기는 재생신호 주파수의 동요를 무엇이라고 하는가?
12. 링 변조기는 무슨 변조기에 속하는가?
13. 다음 중 PLC에서 사용하는 프로그래밍 방식이 아닌 것은?
14. 전원회로에서 무부하시 출력단자 전압이 100[V]이고, 부하를 연결했을 때의 출력단자 전압이 80[V] 이었다. 전압변동률은 몇 [%] 인가?
15. 다음 중 고주파 유전가열을 응용한 분야가 아닌 것은?
16. 논리함수 F의 진리표 (truth table)가 다음 표와 같을 때 함수 F는?
17. 전구에 걸리는 전압이 10[%] 낮아진 경우 전구의 소비전력은 약 몇 [%]로 되는가?
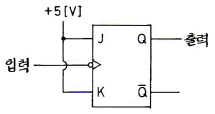
18. JK 플립플롭에서 J=K=1이고, 클럭 펄스가 가해진 뒤의 출력 상태는? (단, 클럭 펄스가 가해지기 전의 상태를 Q라고 한다.)
19. 고주파 가열은 어느 것을 이용한 것인가?
20. 하나의 공통된 클록펄스에 의해 플립플롭들이 트리거되어 모든 플립플롭의 상태가 동시에 변화하는 계수회로의 명칭은?
2과목: 임의구분
21. 다음 그림과 같은 쌍안정 멀티바이브레이터 회로에서 두 개의 콘덴서 Ck1과 Ck2의 사용 목적을 올바르게 설명한 것은?
22. 커패시터로 필터 하는 전파정류기의 부하저항을 작게 하면 리플 전압의 변화는 어떻게 되는가?
23. f(t)=1의 라플라스 변환은?
24. 저주파 증폭기의 증폭도가 각각 100일 때 그림과 같이 직렬회로를 구성 하였다면 종합이득은 몇 [dB] 인가?
25. 다음은 SSB 변조기의 기본 구성이다. □ 안에 알맞은 것은?
26. 플레밍의 왼손 법칙에서 엄지손가락의 방향은?
27. JK 플립플롭을 다음과 같이 결선하면 어떤 플립플롭의 동작이 되는가?
28. 입력 A, B가 서로 다른 경우에만 1의 출력을 갖는 게이트는?
29. 다음 10진수 → 2진수 → 1의 보수 → 2의 보수의 관계를 순서대로 나타낸 것으로 옳은 것은?
30. 다음 중 전자력에 관계되는 법칙은?
31. 자동제어 조절기에서 이루어지는 연산 중 제어동작 신호의 현재 값으로 제어함과 동시에 다음 순간에 어떠한 값으로 변할 것인지를 미리 예측하고 제어하는 방식은?
32. 다음 논리식의 성질 중 옳지 않은 것은?
33. 스펙트럼 확산 변조의 장점으로 옳지 않은 것은?
34. 바닷물 속에서 초음파의 속도는 15[℃]에서 1527[m/sec]이다. 초음파를 방사하여 0.2[sec]후에 반사파를 얻었다. 바닷물 속의 깊이는 약 몇 [m]인가?
35. 다음은 몇 진 카운터인가?
36. Audoi Amp의 가청 대역 20[Hz] 이하 초 저역을 Cut하는 filter 회로는?
37. 다음 중 마이크로폰에 들어오는 음압이 각 주파수에 걸쳐서 일정한 크기일 때 각 주파수에 대응한 출력 전압의 관계를 무엇이라고 하는가?
38. PCM(펄스부호변조)과 관계가 없는 것은?
39. 자동제어에서 출력의 상태를 확인하여 목표치와 비교하여 수정하는 제어 방식은?
40. 다음 논리회로와 등가인 논리 게이트는?




"가 정답입니다.3과목: 임의구분
41. de morgan 정리에 해당하는 것은?




" 입니다. 이는 NOT 연산자를 괄호 안에 있는 두 개의 논리식에 적용할 때, AND 연산자를 OR 연산자로, OR 연산자를 AND 연산자로 바꾸고, 각 논리식 내부의 모든 항목에 NOT 연산자를 적용한 것과 같은 결과를 얻는 것을 의미합니다.42. 다음 중 정류 회로에서 직류 전압이 12[V] 이고, 리플 전압이 1.2[V] 이었다. 이 회로의 리플 함유율은?
43. 태양전지를 연속적으로 사용하기 위하여 필요한 장치는?
44. 다음 중 반도체 레이저에서 가장 많이 사용되는 결정은?
45. 부성저항 특성을 가진 소자로서 마이크로파의 발진이나 전자계산기의 고속스위칭 소자로 사용되는 것은?
46. 펠티어(Peltier)효과에 관한 설명 중 옳지 않은 것은?
47. 수정 발진기에 대한 설명으로 틀린 것은?
48. 이미터 접지 증폭기에서 이미터 저항 (Re)이 첨가되어도 거의 영향을 받지 않는 특성은?
49. 기억용량이 4Kbyte인 RAM에서 최소한 몇 개의 Address 선이 필요한가?
50. 다음 중 초음파 탐상이 주로 많이 사용되는 것은?
51. 중앙처리장치의 계속적인 통제를 받지 않고 데이터를 메모리에서 독자적으로 처리할 수 있는 것은?
52. 항공 착륙보조장치인 ILS(계기 착륙방식)를 구성하는 설비가 아닌 것은?
53. 다음 중 LIFO(Last-in, First-out) 구조는?
54. 2진수 1011011을 그레이코드로 변환한 것으로 옳은 것은?
55. np관리도에서 시료군 마다 시료수 (n)는 100 이고, 시료군의 수 (k)는 20, Σnp= 77이다. 이때 np관리도의 관리상한선(UCL)을 구하면 약 얼마인가?
56. 그림의 OC곡선을 보고 가장 올바른 내용을 나타낸 것은?
57. 미국의 마틴 마리에타사(Martin Maruetta Corp.)에서 시작된 품질개선을 위한 동기부여 프로그램으로, 모든 작업자가 무결점을 목표로 설정하고, 처음부터 작업을 올바르게 수행함으로써 품질비용을 줄이기 위한 프로그램은 무엇인가?
58. MTM(Method Time Measurement)법에서 사용되는 1 TMU(Time Measurement Unit)는 몇 시간인가?
59. 일정 통제를 할 때 1일당 그 작업을 단축하는데 소요되는 비용의 증가를 의미하는 것은?
60. 다음 중 단속생산 시스템과 비교한 연속생산 시스템의 특징으로 옳은 것은?