1과목: 임의구분
1. 마이크로폰에 들어오는 음압이 각 주파수에 대한 출력 전압의 관계를 무엇이라 하는가?
2. 다음 그림과 같은 555 타이머 회로에서 VCC=9V, R1=10kΩ, R2=15kΩ, CT=10μF, C=0.01μF일 때 출력에 나타나는 방형파의 주파수(f)와 점유율(D : duty ratio)는 얼마인가? (단, 다이오드의 순방향 저항은 0Ω으로 간주한다.)(오류 신고가 접수된 문제입니다. 반드시 정답과 해설을 확인하시기 바랍니다.)
3. 시퀀스 제어에서 각 구성 부분 및 신호들의 역할로 틀린 것은?
4. 다음 중 후입선출(LIFO) 동작을 하는 것은?
5. 다음 보기의 카르노 맵을 보고 맞는 논리 회로로 옳은 것은?




"은 카르노 맵에서 1로 표시된 네 개의 셀이 모두 포함되어 있기 때문입니다. 이 네 개의 셀은 입력 변수 A와 B가 각각 1 또는 0일 때 출력 변수 F가 1이 되는 경우를 나타냅니다. 따라서 이 네 개의 셀에 해당하는 논리식을 구하면 "
"가 됩니다.6. 결합 변압기를 사용하지 않는 B급 푸시풀(Push-Pull) 증폭기에 사용되는 두 개의 트랜지스터는?
7. π형 필터 전파정류회로에서 부하저항이 감소한다면 리플 전압은?
8. 초음파 탐상기의 중요 측정 범위가 아닌 것은?
9. 증폭도 A가 100인 증폭 회로에 귀환율 β가 -0.01의 부귀환을 걸면 귀환이득은 얼마인가?
10. 저음 스피커(우퍼: woofer)의 설명으로 옳은 것은?
11. 듀티 사이클이 0.1이고 주기가 20μs인 펄스의 폭은?
12. CAD 시스템의 입력장치가 아닌 것은?
13. 다음 그림과 같은 회로의 전잘함수는?
14. 컴퓨터와 주변장치 사이에 데이터 전송을 수행할 때 입·출력의 준비나 완료를 나타내는 신호가 필요한 비동기식 입·출력 시스템에 널리 쓰이는 방식은?
15. 디지털 IC 중 복수의 입력 중에서 1개의 출력을 선택해내는 기능을 가진 IC는?
16. 그림의 특성곡선을 갖는 마이크로폰으로 옳은 것은?
17. 그림과 같은 정류 회로에서 입력 전압이 100V일 때 부하저항 R에 나타나는 평균치 전압은 몇 V인가?
18. 시불변 선형 커패시터에 정현파 전압을 가할 때 정상 동작에 대한 설명으로 틀린 것은?
19. 초음파 응용 기기의 기능을 이용하는데 알맞지 않은 속은?
20. 임피던스 함주 Z(S)=
[Ω]로 표시되는 2단자 회로망에서 직류전압 100V를 인가할 경우 회로의 전류는 몇 A 인가?
2과목: 임의구분
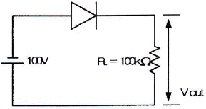
21. 다음 회로에서 출력 전압(Vout)으로 옳은 것은? (단, 전원전압은 100V이고, RL은 100kΩ이다.)
22. 정현파(사인파)의 파형률은?




23. A/D 컨버터의 블록 다이어그램에서 (Z)에 적절한 것은?
24. 다음 중 팬 아웃(fan-out)이 가장 적은 논리회로는?
25. 하드웨어의 측면에서 컴퓨터의 발전 과정을 바르게 나타낸 것은?
26. 다음 기억장치 중에서 액세스 타임(access time)이 가장 빠른 것은?
27. 고주파 유전가열에 대한 설명으로 틀린 것은?
28. 다음의 오실로스코프 파형의 진폭은 그리드는 2칸이고, 0.5[Volt/Div]이다. 10:1 비의 프로브를 사용할 때 피크-피크(Vp-p) 전압은?
29. 중앙처리장치 내에서 산술적인 연산과 논리적인 연산을 행하는 장치는?
30. 음파의 압력에 관련된 양으로서, 강한 음은 큰소리로 약한 음은 작은 소리로 들리는 소리의 요소는?
31. 그림과 같은 개폐 접점 회로의 논리식은?
32. 다음과 같은 증폭기의 전압이득(Av)는?
33. 위상 여유에 대한 안정도 판별법에서 위상 여유 PM>0°일 때 상태는?
34. 전자 CAD에서 부품을 보드 상에 실장하기 위하여 실제 부품의 크기, 핀, 개수, 외곽라인 등을 라이브러리(Library)화 한 것을 나타내는 명칭은?
35. 다음의 회로는 SCR를 이용하여 히터를 구동하는 회로이다. 회로상의 동작 설명으로 틀린 것은?
36. 전극 갭(Gap) 내에 삽입한 물질의 소모 현상을 이용하여 재료를 가공하는 방법은?
37. 어떤 명령이 실행되기 위해서 가장 먼저 이루어지는 마이크로 오퍼레이션은?
38. Vc=25cosωctt[V]의 반송파를 Vs=20cosωst[V]의 신호파로 진폭 변조할 때 변조도는 몇 % 인가?
39. 다음 중 압전효과를 이용한 것이 아닌 것은?
40. 차동증폭회로에서 차동전압 이득이 10000이고 동상전압 이득이 0.1일 때 동상신호제거비(CMRR)는 몇 [dB] 인가?
3과목: 임의구분
41. Flip Flop의 기능은?
43. 프리앰프에서 음반 또는 녹음테이프의 특성을 보정하고, 카트리지 또는 헤드의 특성을 보정해주는 역할을 하는 것은?
44. 녹음기 회로에서 전체의 주파수 특성을 평탄하게 위해서 주파수 보상을 하는데 녹음시에는 어떤 주파수의 특성을 보상하는가?
45. 동기식 변복조기(Synchronous MODEM)에서 주로 사용하는 변조 방법은?
46. 기억장치(memory)에서 Register로 또는 Register에서 기억장치(memory)로 옮기는 명령어는 무엇인가?(문제 오류로 실제 시험에서는 1, 4번이 정답 처리 되었습니다. 여기서는 1번을 누르면 정답 처리 됩니다.)
47. 7진 카운터를 설계하기 위하여 필요한 플립플롭의 수는?
48. 다음과 같은 R-L 회로에서 동작 전류가 10mA일 때, t=0에서 스위치를 닫은 후 대략 몇 초 후에 동작을 하는가? (단, ln2=0.693이다.)
49. 16진수 3E의 BCD 표현으로 옳은 것은?
50. 메모리에 데이터를 넣는 것은?
51. 자동제어에서 인디셜 응답을 조사할 때 입력에 어떤 파형을 가하는가?
52. 녹음 때에는 고역을, 재생 때에는 저역을 각각의 증폭기로 보정하여 전체를 평탄한 특성으로 만드는 것은?
53. 256워드가 있고, 4비트의 길이를 가진 메모리의 용량은?
54. 인터럽트 처리에서 I/O 장치들의 우선순위를 지정하는 이유로 옳은 것은?
55. 샘플링에 관한 설명으로 틀린 것은?
56. 표준시간 설정 시 미리 정해진 표를 활용하여 작업자의 동작에 대해 시간을 산정하는 시간연구법에 해당되는 것은?
57. 다음 내용은 설비보전조직에 대한 설명이다. 어떤 조직의 형태에 대한 설명인가?
58. 다음은 관리도의 사용 절차를 나타낸 것이다. 관리도의 사용 절차를 순서대로 나열한 것은?
59. 이항분포(binomial distribution)에서 매회 A가 일어나는 확률이 일정한 값 P일 때, n회의 독립시행 중 사상 A가 x회 일어날 확률 P(x)를 구하는 식은? (단, N은 로트의 크기, n은 시료의 크기, P는 로트의 모부적합품률이다.)




"가 정답이다.60. 다음 표는 어느 자동차 영업소의 월별 판매실적을 나타낸 것이다. 5개월 단순이동 평균법으로 6월의 수요를 예측하면 몇 대인가?
+3X=5 의 라플라스 변환을 하면? (단, X(0+)=0이다.)


