1과목: 소방원론
1. 내화건축물과 비교한 목조건축물 화재의 일반적인 특징을 옳게 나타낸 것은?
2. 열전달의 대표적인 3가지 방법에 해당하지 않는 것은?
3. 가연성 가스의 화재 위험성에 대한 설명으로 가장 옳지 않은 것은?
4. 화재에 대한 설명으로 옳지 않은 것은?
5. 다음 중 인화점이 가장 낮은 물질은?
6. 연기의 감광계수(m-1)에 대한 설명으로 옳은 것은?
7. 소화를 하기 위한 산소농도를 알 수 있다면 CO2소화의 사용 시 최소 소화농도를 구하는 식은?




8. 다음 중 이산화탄소의 3중점에 가장 가까운 온도는?
9. 화재 시 발생하는 연소가스 중 인체에서 혈액의 산소운반을 저해하고 두통, 근육조절의 장애를 일의는 것은?
10. 다음 중 조연성 가스에 해당하는 것은?
11. 다음 중 가연물의 제거와 가장 관련이 없는 소화방법은?
12. 다음 중 내화구조에 해당하는 것은?
13. 소화작용을 크게 4가지로 구분할 때 이에 해당하지 않는것은?
14. Halon 1211의 성질에 관한 설명으로 틀린 것은?
15. 가연성 액체에서 발생하는 증기와 공기의 혼합기체에 불꽃을 대었을 때 연소가 일어나는 최저 온도를 무엇이라고 하는가?
16. 동식물유류에서 “ 요오드값이 크다” 라는 의미를 옳게 설명한 것은?
17. 제 3종 분말소화약제의 열분해 시 생성되는 물질과 관계없는 것은?
18. 다음 중 Flash over를 가장 옳게 표현한 것은?
19. 위험물 탱크에 압력이 0.3MPa 이고 온도가 0℃ 인 가스가 들어 있을 때 화재로 인하여 100℃ 까지 가열되었다면 압력은 약 몇 MPa 인가? (단, 이상기체로 가정한다.)
20. 다음 중 pH 9 정도의 물을 보호액으로 하여 보호액 속에 저장하는 물질은?
2과목: 소방전기회로
21. 실리콘제어정류 소자인 SCR의 특징을 잘못 나타낸 것은?
22. 그림과 같은 블록선도에서 C는?




23. 전압의 구분으로 잘못된 것은?(관련 규정 개정전 문제로 여기서는 기존 정답인 1번을 누르면 정답 처리됩니다. 자세한 내용은 해설을 참고하세요.)
24. 온도 측정을 위하여 사용하는 소자로서 온도-저항 부특성을 가지는 일반적인 소자는?
25. 제어계의 안정도를 판별하는 가장 보편적인 방법으로 볼수 없는 것은?
26. 다음 단상 유도전동기 중 기동토크가 가장 큰 것은?
27. 공기 중에서 3×10-4Wb와 5×10-3Wb의 두 극 사이에 작용하는 힘이 13N 이었다. 두 극사이의 거리는 약 몇 cm 인가?(오류 신고가 접수된 문제입니다. 반드시 정답과 해설을 확인하시기 바랍니다.)
28. 직류 전압계의 내부저항이 500Ω, 최대 눈금이 50 V라면 이 전압계에 3kΩ의 배율기를 접속하여 전압을 측정할 때 최대 측정치는 몇 V 인가?
29. 빛이 닿으면 전류가 흐르는 다이오드를 광량의 변화를 전류값으로 대치하므로 광센서에 주로 사용하는 다이오드는?
30. 다이오드를 여러 개 병렬로 접속하는 경우에 대한 설명으로 옳은 것은?
31.
와
의 두 정현파의 합성전압 e는 약 몇 V 인가?
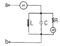
32. 그림과 같은 회로에서 단자 a, b 사이에 주파수 f Hz의 정현파 전압을 가했을 때 전류계 A1, A2 의 값이 같았다. 이 경우 f, L, C 사이의 관계로 옳은 것은?




33. 기전력 3.6 V,용량 600 mAh인 측전지 5개를 직렬 연결할 때의 기전력 V와 용량은?
34. 변압기와 관련된 설명으로 옳지 않은 것은?
35. 교류전압과 전류의 곱 형태로 된 전력값은?
36. 자기인덕턴스 L1, L2가 각각 4mH, 9mH 인 두 코일이 이상적인 결합이 되었다면 상호인덕턴스 M은? (단, 결합계수 K=1 이다.)
37. 10kΩ 저항의 허용 전력은 10kW라 한다. 이때의 허용전류는 몇 A 인가?
38. 그림과 같은 시퀀스 제어회로에서 자기유지접점은?
39. Q(C)의 전하에서 나오는 전기력선의 층수는? (단, ε및 E는 유전율 및 전계의 세기를 나타낸다.)
40. 바이폴라 트랜지스처(BJT)와 비교할 때 전계효과 트랜지스터(FET)의 일반적인 특성을 잘못 설명한 것은?
3과목: 소방관계법규
41. 지정수량의 몇 배 이상의 위험물을 취급하는 제조소에는 피뢰침을 설치하여야 하는가? (단, 제6류 위험물을 취급하는 위험물제조소는 제외)
42. 1급 소방안전관리대상물의 공공기관 소방안전관리자에 대한 강습교육의 과목과 시간으로 옳지 않은 것은?
43. 소방특별조사의 세부 항목에 대한 사항으로 옳지 않은 것은?
44. 위험물시설의 설치 및 변경에 있어서 허가를 받지 아니하고 제조소 등을 설치하거나 그 위치, 구조 또는 설비를 변경 할 수 없는 경우는?
45. 옥외탱크저장소에 설치하는 방유제의 설치기준으로 옳지 않은 것은?
46. 특수가연물의 저장 및 취급 기준으로 옳지 않은 것은?
47. 소방시설의 하자가 발생한 경우 소방시설공사업자는 관계인으로부터 그 사실을 통보 받은 날로부터 며칠 이내에 이를 보수하거나 보수일정을 기록한 하자보수계획을 관계인에게 알려야 하는가?
48. 소방대상물의 관계인에 해당하지 않는 사람은?
49. 건축허가 등의 동의 대상물로서 건축허가 등의 동의를 요구하는 때 동의요구서에 첨부하여야 하는 서류로서 옳지 않은 것은?
50. 위험물 제조소에는 보기 쉬운 곳에 “위험물 제조소” 라는 표시를 한 표지를 기준에 따라 설치하여야 하는데 다음중 표지의 기준으로 적합한 것은?
51. 승강기 등 기계장치에 의한 주차시설로서 자동차 몇 대 이상 주차할 수 있는 시설을 할 경우, 소방본부장 또는 소방서장의 건축허가 등의 동의를 받아야 하는가?
52. 각 시ㆍ도의 소방업무에 필요한 경비의 일부를 국가가 보조하는 대상이 아닌 것은?
53. 주유취급소의 고정주유설비의 주위에는 주유를 받으려는 자동차 등이 출입할 수 있도록 너비와 길이는 몇 m 이상의 콘크리트 등으로 포장한 공지를 보유하여야 하는가?
54. 소방본부장이나 소방서장이 소방시설공사가 공사감리 결과보고서대로 완공되었는지 완공검사를 위한 현장 확인할 수 있는 대통령령으로 정하는 특정소방대상물이 아닌 것은?
55. 공동 소방안전관리자 선임대상 특정소방대상물의 기준으로서 옳은 것은?
56. 위험물을 취급하는 건축물에 설치하는 채광 및 조명설비 설치의 원칙적인 기준으로 적합하지 않은 것은?
57. 다음 중 화재원인조사의 종류가 아닌 것은?
58. 자동화재속보설비를 설치하여야 하는 특정소방대상물은?
59. 제품검사에 합격하지 않은 제품에 합격표시를 하거나 합격표시를 위조 또는 변조하여 사용한 사람에 대한 벌칙은?(관련 규정 개정전 문제로 여기서는 기존 정답인 1번을 누르면 정답 처리됩니다. 자세한 내용은 해설을 참고하세요.)
60. 소방시설관리업의 기술인력으로 등록된 소방기술자는 실무교육을 몇 년마다 1회 이상 받아야 하며, 실무교육기관의 장은 교육일정 몇 일전까지 교육대상자에게 알려야 하는가?
4과목: 소방전기시설의 구조 및 원리
61. 배기가스가 다량으로 체류하는 장소인 차고에 적응성이 없는 감지기는?
62. 무선통신보조설비의 누설동축케이블 또는 동축케이블의 임피던스는 몇 Ω으로 하여야 하는가?
63. 비상방송설비의 음향장치 설치기준으로 틀린 것은?
64. 부착 높이가 4m 미만으로 연기감지기 3종을 설치할 때 바닥면적 몇 m2 마다 1개 이상 설치하여야 하는가?
65. 비상조명등을 60분 이상 유효하게 작동시킬 수 있는 용량의 비상전원을 확보하여야 하는 장소가 아닌 것은?
66. 부착 높이에 따른 감지기의 종류로서 옳지 않는 것은?
67. 복도통로유도등의 설치기준으로 틀린 것은?
68. 자동화재속보설비의 속보기는 자동화재탐지설비로부터 작동신호를 수신하거나 수동으로 동작시키는경우 20초 이내에 소방관서에 자동적으로 신호를 발하여 통보하되, 몇회 이상 속보할 수 있어야 하는가?
69. 자동화재탐지설비에는 그 설비에 대한 감시상태를 위하여 축전지설비를 설치하여야 한다. 다음 중 기준으로 옳은 것은? (단, 지상 15층인 소방대상물로서 상용전원이 축전지 설비가 아닌 경우이다.)
70. 소방대상물 각 부분에서 하나의 발신기까지의 수평거리는 몇 m 이며 복도 또는 별도로 구획된 실에 발신기를 설치하는 경우에는 보행거리를 몇 m 로 해야 하는가?
71. 누전경보기의 전원은 배선용 차단기에 있어서는 몇 A 이하의 것으로 각 극을 개폐할 수 있어야 하는가?
72. 누전경보기의 수신부 설치 제외 장소가 아닌 것은?
73. 비상조명등의 설치기준에 대한 설명으로 틀린 것은?
74. 일반전기사업자로부터 특고압 또는 고압으로 수전하는 비상전원 수전설비의 경우에 있어 소방회로배선과 일반회로 배선을 몇 cm 이상 떨어져 설치하는 경우 불연성 벽으로 구획하지 않을 수 있는가?
75. 비상방송설비의 음향장치에 있어서 기동장치에 따른 화재신고를 수신한 후 필요한 음량으로 화재발생 상황 및 피난에 유효한 방송이 자동으로 개시될 때까지의 소요시간의 기준으로 옳은 것은?
76. 비상콘센트설비의 전원설치기준 등에 대한 설명으로 옳지 않은 것은?
77. 누전경보기 수신부의 절연된 충전부와 외항간의 절연저항은 최소 몇 MΩ 이상 이어야 하는가?
78. 무선통신보조설비의 누설동축케이블 및 공중선은 고압의 전로로부터 일정한 간격을 유지하여야 하나 그렇게 하지 않아도 되는 경우는?
79. 통로유도등은 어떤 색상으로 표시하여야 하는가?
80. 자동화재탐지설비의 경계구역에 대한 설명 중 옳은 것은?
목조건축물 화재는 일반적으로 고온, 단시간형이다. 이는 목재의 빠른 연소와 높은 열방출로 인해 발생한다. 또한 목재는 내화성이 낮기 때문에 내화건축물에 비해 더 높은 온도에서 빠르게 연소되며, 화재 발생 후 진화가 어렵다는 특징이 있다. 따라서 목조건축물의 화재 예방과 대처는 매우 중요하다.