1과목: 소방원론
1. 목조건축물의 화재 진행상황에 관한 설명으로 옳은 것은?
2. 연면적이 1000m2 이상인 건축물에 설치하는 방화벽이 갖추어야 할 기준으로 틀린 것은?
3. 화재의 일반적 특성으로 틀린 것은?
4. 공기의 부피 비율이 질소 79%, 산소 21%인 전기실에 화재가 발생하여 이산화탄소 소화약제를 방출하여 소화하였다. 이때 산소의 부피농도가 14%이었다면 이 혼합 공기의 분자량은 약 얼마인가? (단, 화재시 발생한 연소가스는 무시한다.)
5. 다음 가연성 기체 1몰이 완전 연소하는데 필요한 이론공기량으로 틀린 것은? (단, 체적비로 계산하며 공기 중 산소의 농도를 21 vol.%로 한다.)
6. 물의 소화능력에 관한 설명 중 틀린 것은?
7. 화재실의 연기를 옥외로 배출시키는 제연방식으로 효과가 가장 적은 것은?
8. 분말 소화약제의 취급시 주의사항으로 틀린 것은?
9. 건축물의 화재를 확산시키는 요인이라 볼 수 없는 것은?
10. 석유, 고무, 동물의 털, 가죽 등과 같이 황성분을 함유하고 있는 물질이 불완전연소될 때 발생하는 연소가스로 계란 썩는 듯한 냄새가 나는 기체는?
11. 다음 중 동일한 조건에서 증발잠열(kJ/kg)이 가장 큰 것은?
12. 탱크화재 시 발생되는 보일오버(Boil Over)의 방지방법으로 틀린 것은?
13. 화재 시 CO2를 방사하여 산소농도를 11 vol.%로 낮추어 소화하려면 공기 중 CO2의 농도는 약 몇 vol.% 가 되어야 하는가?
14. 물 소화약제를 어떠한 상태로 주수할 경우 전기화재의 진압에서도 소화능력을 발휘할 수 있는가?
15. 도장작업 공정에서의 위험도를 설명한 것으로 틀린 것은?
16. 방호공간 안에서 화재의 세기를 나타내고 화재가 진행되는 과정에서 온도에 따라 변하는 것으로 온도-시간 곡선으로 표시할 수 있는 것은?
17. 다음 위험물 중 특수인화물이 아닌 것은?
18. 다음 중 가연물의 제거를 통한 소화 방법과 무관한 것은?(오류 신고가 접수된 문제입니다. 반드시 정답과 해설을 확인하시기 바랍니다.)
19. 화재 표면온도(절대온도)가 2배로 되면 복사에너지는 몇 배로 증가 되는가?
20. 산불화재의 형태로 틀린 것은?
2과목: 소방전기회로
21. 그림과 같은 회로에서 A-B 단자에 나타나는 전압은 몇 V 인가?
22. 부궤환 증폭기의 장점에 해당되는 것은?
23. 전기기기에서 생기는 손실 중 권선의 저항에 의하여 생기는 손실은?
24. 그림과 같은 무접점회로는 어떤 논리회로인가?
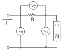
25. 열감지기의 온도감지용으로 사용하는 소자는?
26. 그림과 같은 회로에서 각 계기의 지시값이 Ⓥ는 180V, Ⓐ는 5A, W는 720W 라면 이 회로의 무효전력(Var)은?
27. 정현파 신호 sin t 의 전달함수는?




28. 제어량이 압력, 온도 및 유량 등과 같은 공업량일 경우의 제어는?
29. SCR를 턴온시킨 후 게이트 전류를 0으로 하여도 온(ON)상태를 유지하기 위한 최소의 애노드 전류를 무엇이라 하는가?
30. 인덕턴스가 1H인 코일과 정전용량이 0.2μF인 콘덴서를 직렬로 접속할 때 이 회로의 공진주파수는 약 몇 Hz인가?
31. 단상 반파정류회로에서 교류 실효값 220V를 정류하면 직류 평균전압은 약 몇 V인가? (단, 정류기의 전압강하는 무시한다.)
32. 논리식
를 간단히 하면?


33. 온도 t℃에서 저항이 R1, R2이고 저항의 온도계수가 각각 α1, α2 인 두 개의 저항을 직렬로 접속했을 때 합성저항 온도계수는?




34. 단상전력을 간접적으로 측정하기 위해 3전압계법을 사용하는 경우 단상 교류전력 P(W)는?




35. 그림과 같은 RL직렬회로에서 소비되는 전력은 몇 W 인가?
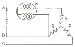
36. 선간전압 E(V)의 3상 평형전원에 대칭 3상 저항부하 R(Ω)이 그림과 같이 접속되었을 때 a, b 두 상간에 접속된 전력계의 지시값이 W(W)라면 C상의 전류는?




37. 교류전력변환장치로 사용되는 인버터회로에 대한 설명으로 옳지 않은 것은?
38. 다이오드를 사용한 정류회로에서 과전압방지를 위한 대책으로 가장 알맞은 것은?
39. 이미터 전류를 1mA 증가시켰더니 컬렉터 전류는 0.98mA 증가되었다. 이 트랜지스터의 증폭률 β는?
40. 저항이 4Ω, 인덕턴스가 8mH인 코일을 직렬로 연결하고 100V, 60Hz 인 전압을 공급할 때 유효전력은 약 몇 kW 인가?
3과목: 소방관계법규
41. 소방본부장 또는 소방서장은 건축허가등의 동의요구 서류를 접수한 날부터 최대 며칠 이내에 건축허가등의 동의여부를 회신하여야 하는가? (단, 허가 신청한 건축물은 지상으로부터 높이가 200m인 아파트이다.)
42. 소방기본법령상 소방활동구역의 출입자에 해당되지 않는 자는?
43. 소방기본법상 화재 현상에서의 피난 등을 체험할 수 있는 소방체험관의 설립·운영권자는?
44. 산화성고체인 제1류 위험물에 해당되는 것은?
45. 소방시설관리업자가 기술인력을 변경하는 경우, 시·도지사에게 제출하여야 하는 서류로 틀린 것은?
46. 소방대라 함은 화재를 진압하고 화재, 재난·재해 그 밖의 위급한 상황에서 구조·구급 활동 등을 하기 위하여 구성된 조직체를 말한다. 소방대의 구성원으로 틀린 것은?
47. 소방기본법령상 인접하고 있는 시·도간 소방업무의 상호응원협정을 체결하고자 할 때, 포함되어야 하는 사항으로 틀린 것은?
48. 화재예방, 소방시설 설치·유지 및 안전관리에 관한 법령상 건축허가등의 동의를 요구한 기관이 그 건축허가등을 취소하였을 때, 취소한 날부터 최대 며칠 이내에 건축물 등의 시공지 또는 소재지를 관할하는 소방본부장 또는 소방서장에게 그 사실을 통보하여야 하는가?
49. 다음 중 300만원 이하의 벌금에 해당되지 않는 것은?(문제 오류로 실제 시험에서는 1,2번이 정답처리 되었습니다. 여기서는 1번을 누르면 정답 처리 됩니다.)
50. 화재예방, 소방시설 설치·유지 및 안전관리에 관한 법령상 특정소방대상물 중 오피스텔은 어느 시설에 해당하는가?
51. 화재예방, 소방시설 설치·유지 및 안전관리에 관한 법령상, 종사자 수가 5명이고, 숙박시설이 모두 2인용 침대이며 침대수량은 50개인 청소년 시설에서 수용인원은 몇 명인가?
52. 다음 중 중급기술자에 해당하는 학력·경력 기준으로 옳은 것은?(2022년 12월 30일 변경된 규정 적용됨)
53. 지정수량의 최소 몇 배 이상의 위험물을 취급하는 제조소에는 피뢰침을 설치해야 하는가? (단, 제6류 위험물을 취급하는 위험물제조소는 제외하고, 제조소 주위의 상황에 따라 안전상 지장이 없는 경우도 제외한다.)
54. 소방특별조사 결과 소방대상물의 위치·구조·설비 또는 관리의 상황이 화재나 재난·재해 예방을 위하여 보완될 필요가 있거나 화재가 발생하면 인명 또는 재산의 피해가 클 것으로 예상되는 때에 관계인에게 그 소방대상물의 개수·이전·제거, 사용의 금지 또는 제한, 사용폐쇄, 공사의 정지 또는 중지, 그 밖의 필요한 조치를 명할 수 있는 자로 틀린 것은?
55. 다음 중 품질이 우수하다고 인정되는 소방용품에 대하여 우수품질인증을 할 수 있는 자는?
56. 소방기본법령상 위험물 또는 물건의 보관기간은 소방본부 또는 소방서의 게시판에 공고하는 기간의 종료일 다음 날부터 며칠로 하는가?
57. 화재예방, 소방시설 설치·유지 및 안전관리에 관한 법령상 둘 이상의 특정소방대상물이 내화구조로 된 연결통로가 벽이 없는 구조로서 그 길이가 몇 m 이하인 경우 하나의 소방대상물로 보는가?
58. 제4류 위험물을 저장·취급하는 제조소에 “화기엄금”이란 주의사항을 표시하는 게시판을 설치할 경우 게시판의 색상은?
59. 소방시설을 구분하는 경우 소화설비에 해당되지 않는 것은?
60. 위험물안전관리법상 청문을 실시하여 처분해야 하는 것은?
4과목: 소방전기시설의 구조 및 원리
61. 무선통신보조설비의 증폭기에는 비상전원이 부착된 것으로 하고 비상전원의 용량은 무선통신보조설비를 유효하게 몇 분 이상 작동시킬 수 있는 것이어야 하는가?
62. 비상방송설비의 배선에 대한 설치기준으로 틀린 것은?
63. 비상콘센트설비의 설치기준으로 틀린 것은?
64. 비상전원이 비상조명등을 60분 이상 유효하게 작동시킬 수 있는 용량으로 하지 않아도 되는 특정소방대상물은?
65. 일국소의 주위온도가 일정한 온도 이상이 되는 경우에 작동하는 것으로서 외관이 전선으로 되어 있는 감지기는 어떤 것인가?
66. 비상콘센트를 보호하기 위한 비상콘센트 보호함의 설치기준으로 틀린 것은?
67. 소방회로용의 것으로 수전설비, 변전설비 그 밖의 기기 및 배선을 금속제 외함에 수납한 것으로 정의되는 것은?
68. 비상방송설비 음향장치에 대한 설치기준으로 옳은 것은?
69. 객석 내의 통로의 직선부분의 길이가 85m 이다. 객석유도등을 몇 개 설치하여야 하는가?
70. 자동화재탐지설비의 감지기회로에 설치하는 종단저항의 설치기준으로 틀린 것은?
71. 비상경보설비의 축전지설비의 구조에 대한 설명으로 틀린 것은?
72. 신호의 전송로가 분기되는 장소에 설치하는 것으로 임피던스 매칭과 신호 균등분배를 위해 사용되는 장치는?
73. 부착높이 3m, 바닥면적 50m2인 주요구조부를 내화구조로한 소방대상물에 1종 열반도체식 차동식분포형감지기를 설치하고자 할 때 감지부의 최소 설치개수는?
74. 3선식 배선에 따라 상시 충전되는 유도등의 전기회로에 점멸기를 설치하는 경우 유도등이 점등되어야 할 경우로 관계없는 것은?
75. 누전경보기의 전원은 분전반으로부터 전용회로로 하고 각 극에 개폐기와 몇 A 이하의 과전류차단기를 설치하여야 하는가?
76. 자동화재속보설비의 설치기준으로 틀린 것은?
77. 다음 비상경보설비 및 비상방송설비에 사용되는 용어 설명 중 틀린 것은?
78. 다음 ( ) 안에 들어갈 내용으로 옳은 것은?
79. 부착높이가 11m 인 장소에 적응성 있는 감지기는?
80. 비상콘센트설비 상용전원회로의 배선이 고압수전 또는 특고압수전인 경우의 설치기준은?
- 화원: 화재가 발생하면 가장 먼저 연기와 열이 발생하는 구간입니다.
- 무염착화: 연소체와 산소가 충분히 혼합되어 연소가 일어나는 상태입니다. 이 단계에서는 아직 불꽃이 나지 않습니다.
- 발염착화: 무염착화 상태에서 연소체와 산소가 충분히 혼합되면 불꽃이 발생하며, 연소가 더욱 활발해집니다.
- 출화: 발염착화 상태에서 연소체가 불꽃에 의해 연소되면서 열과 가스가 방출되는 상태입니다. 이 단계에서는 이미 화재가 큰 규모로 발생한 것입니다.
- 최성기: 출화 상태에서 화재가 최대 규모에 도달하는 단계입니다. 이 단계에서는 화재가 더 이상 확대되지 않고, 일정한 크기를 유지합니다.
- 소화: 최성기 이후에는 화재가 진압되어 소화되는 단계입니다. 이 단계에서는 불꽃이 꺼지고, 연기와 열도 점차 감소합니다.
따라서, "화원-무염착화-발염착화-출화-최성기-소화"가 옳은 답입니다.