1과목: 건축계획
1. 주택의 현관에 대한 설명 중 옳지 않은 것은?
2. 미술관의 전시실의 계획에 관한 설명 중 옳지 않은 것은?
3. 공장건축의 레이아웃 형식 중 기능식 레이아웃으로서, 기능이 동일하거나 유사한 공정 또는 기계를 집합하여 배치하는 방식으로 다품종 소량생산이나 주문생산의 경우와 표준화가 어려운 경우에 적합한 형식은?
4. 종합병원의 건축계획에 관한 설명으로 옳지 않은 것은?
5. 전통 주거건축 중 부엌, 방, 대청, 방의 순으로 배열되는 일(一)자형 평면을 가진 민가형은?
6. 호텔건축의 기준층 계획에 대한 설명 중 옳지 않은 것은?
7. 1주간의 평균 수업시간이 30시간인 어느 학교의 설계제도교실이 사용되는 시간은 24시간이다. 그 중 6시간은 다른 과목을 위해 사용된다. 설계제도실의 이용율과 순수율은 각각 얼마인가?
8. 레드번(Radburn) 주택단지계획에 대한 설명으로 옳지 않은 것은?
9. 사무소 건축에서 유효율(Rentable Ration)이 의미하는 것은?
10. 전시공간의 특수기법 중 현장감을 가장 실감나게 표현하는 방법으로 하나의 사실 또는 주제의 시간 상황을 고정시켜 연출하는 것으로 현장에 임한 느낌을 주는 것은?
11. 다음의 각 사찰에 대한 설명 중 옳지 않은 것은?
12. 호텔계획에 대한 설명 중 옳은 것은?
13. 다음 중 극장의 음향계획에서 극장 측면벽에 사용되는 재료에 대한 설명으로 가장 알맞은 것은?
14. 사무실 내의 책상배치의 유형 중 좌우대향형에 대한 설명으로 옳은 것은?
15. 극장의 평면형 중 애리나(Arena)형에 대한 설명으로 옳은 것은?
16. 은행의 건축계획에 대한 설명 중 옳지 않은 것은?
17. 아파트 평면형식에 대한 설명 중 옳지 않은 것은?
18. 사무소 건축의 엘리베이터 대수 계산을 위한 이용자수의 산정기준은?
19. 주택에서 부엌 작업대의 배치유형 중 ㄷ자형에 대한 설명으로 옳은 것은?
20. 다음과 같은 특징을 갖는 건축양식은?
2과목: 건축시공
21. 합성수지 중 건축물의 천장재, 블라인드 등을 만드는 열가소성수지는?
22. 건설 프로세스의 효율적인 운영을 위해 형성된 개념으로 건설생산에 초점을 맞추고 이에 관련된 계획 관리, 엔지니어링, 설계 구매, 계약, 시공, 유지 및 보수 등의 요소들을 주요대상으로 하는 것은?
23. 다음 중 갱품(Gang Form)에 대한 설명으로 옳지 않은 것은?
24. 도장공사 시 유의사항을 옳지 않은 것은?
25. 콘크리트 표준시방서에서 정의하는 일반콘크리트 잔골재의 유해물 함유량 한도에서 염화물(NaCl 환산량)의 허용한도 값은?
26. 석탄의 고온 건류 시 부산물로 얻어지는 흑갈색의 유성액체로서 가열도포하면 방부성은 좋으나 목재를 흑갈색으로 착색하고 페인트칠도 불가능하게 하므로 보이지 않는 곳에 주로 이용되는 유성방부제는?
27. 토질의 암의 분류에서 다음 설명에 해당하는 것은?
28. 건식공법에 의한 석재 붙이기에 필요한 연결철물로 석재의 상하 양단에 설치하여 1차 연결철물은 지지용으로, 2차 연결철물은 고정용으로 사용하는 것은?
29. 공사현장의 가설건축물에 대한 설명으로 옳지 않은 것은?
30. 매스 콘크리트(Mass Concrete)의 타설 및 양생에 대한 설명으로 옳지 않은 것은?
31. 로드의 선단에 붙은 스크루 포인드(Screw Point)를 회전시키며 압입하여 흙의 관입저항을 측정하고, 흙의 경도나 다짐상태를 판정하는 시험은?
32. 기성콘크리트말뚝 지지력 판단방법 중 동재하시험(Pile Dynamic Analysis : PDA)은 항타 시 말뚝 몸체에 발생하는 응력과 속도를 분석 측정하여 말뚝 지지력을 결정하는 방법이다. 다음 중 이 시험과 가장 거리가 먼 계측기기는?
33. 대린벽으로 구획된 조적조의 벽에서 벽 길이가 9m인 경우 이 벽체에 설치할 수 있는 개구부 폭의 합계는?
34. 거푸집의 존치기간과 관련된 내용 중 옳지 않은 것은?
35. 다음 중 QC(Quality Control)활동의 도구가 아닌것은?
36. 다음에서 설명하는 미장재료는?
37. 굵은 골재의 최대치수가 40mm일 경우, 콘크리트펌프 압송관의 최소 호칭치수로 가장 적당한 것은?
38. 철근 콘크리트구조에서 철근이음에 대한 설명으로 옳지 않은 것은?
39. 벽돌쌓기의 시공에 관련된 설명으로 옳지 않은 것은?
40. 석재의 표면 마무리의 물갈기 및 광내기에 사용되는 재료가 아닌 것은?
3과목: 건축구조
41. 그림과 같은 단면에 전단력 50kN이 가해진 중립축에서 상방향으로 100mm 떨어진 지점의 전단응력은?
42. 그림과 같이 스팬이 7.2m이며 간격이 3m인 합성보 A의 슬래브 유호폭 be 는?
43. 철근콘크리트 보에서 고정하중과 활하중에 의하여 구한 설계모멘트 Mu=540kNㆍm라면 이 때의 공칭강도를 구하면? (단, 중립축의 깊이(c)는 220mm, 최외단 압축연단에서 최외단 인장철근까지의 거리(dt)는 550mm, 철근의 항복강동(fu)는 400MPa)
44. 다음 골조-아웃리거 시스템에 관한 설명 중 ( )안에 가장 알맞은 것은?
45. 그림과 같은 트러스가 절점 C 및 D에서 하중을 지지하고 있다. 이 트러스에서 응력이 발생하지 않는 부재는 어느 것인가?
46. 다음 그림과 같은 철근콘크리트 보에서 처짐을 계산하지 않아도 되는 경우의 보의 최소두께는 얼마인가? (단, 단위질량 Pc=2,300kg/m3인 보통콘크리트이며, fck=27MPa, fy=400MPa 임)
47. 건축구조용 압연강이라 하며, 건축물의 내진성능을 확보하기 위하여 항복점의 상한치 제한 등에 의한 품질의 편차를 줄이고, 용접성 및 냉간 가공성을 향상시킨 강재는?
48. 그림과 같은 3회전단의 포물선아치가 등분포하중을 받을 때 단면력에 관한 설명으로 옳은 것은?
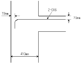
49. 다음 그림과 같이 D16 철근이 90°표준갈고리로 정착 되었다면 이 갈고리의 소요정착길이는? (단, D16의 공칭지름=15.9mm, fck=21MPa, fy=400MPa)(오류 신고가 접수된 문제입니다. 반드시 정답과 해설을 확인하시기 바랍니다.)
50. 다음 두 보의 최대 처짐량이 같기 위한 등분포하중의 비로 알맞은 것은? (단, 부재의 재질과 단면은 동일하며 A부재의 길이는 B부재 길이의 2배임)
51. 그림과 같은 연속보에 있어 절점 B의 회전을 저지 시키기 위해 필요한 모멘트의 크기는?
52. 다음에서 설명하는 용어는?
53. 다음 그림과 같은 압축재 H-200×200×8×12가 부재의 중앙지점에서 약축에 대해 휨 A=63.53×102mm2 변형이 구속되어 있다. 이 부재의 탄성좌굴 응력도를 구하면? (단, 단면적, Ix=4.72×107mm4, Ix=1.60×107mm4, E=205,000MPa)
54. 다음 중 등가정적해석법에 따른 밑면전단력을 구하는 식으로 옳은 것은?
55. 다음 그림과 같은 철근콘크리트 단순보에서 지지점으로부터 유효깊이 d만큼 떨어진 위험단면에서의 계수전단력을 구하면? (단, WD=21kN/m, WL=24kN/m)
56. 다음 그림에서 진한 부분 단면에 단면 2차 반경 iz는?
57. 그림과 같은 내민보에 집중하중이 작용할 때 A점의 처짐각 θA를 구하면?




58. 다음 보에서 B점으로부터 2개의 하중이 지나갈 때 최대 휨모멘트가 발생하는 거리 x를 구하면?
59. 그림과 같은 구조물의 각 부재에 대한 분할 모멘트 MOA, MOB, MOC, MOD를 옳게 구한 것은?
60. 다음 그림과 같은 충전형 각형강관 합성기둥의 강재비와 폭두께비를 구하면? (단, 각형강관 A×B×t=300×300×6, As=6,993m2)
4과목: 건축설비
61. 승객 스스로 운전하는 전자동 엘리베이터로 카버튼이나 승강장의 호출신호로 가동, 정지를 이루는 엘리베이터 조작방식은?
62. 압축식 냉동기의 주요 구성요소가 아닌 것은?
63. 습공기가 어느 한계까지 냉각되면 그 속에 있던 수증기는 이슬방울로 응축되기 시작하는데 이 때의 온도를 무엇이라 하는가?
64. 에스켈레이터에 관한 설명 중 옳지 않은 것은?
65. 국소식 급탕방식에 대한 설명 중 옳지 않은 것은?(오류 신고가 접수된 문제입니다. 반드시 정답과 해설을 확인하시기 바랍니다.)
66. 다음 중 덕트의 치수를 결정하는 방법이 아닌 것은?
67. 습공기의 엔탈피에 대한 설명 중 옳은 것은?
68. 옥내의 점검할 수 없는 은폐장소에 시설할 수 있는 배선방식은?
69. 트랩(Trap)의 유효봉수 깊이로 가장 알맞은 것은?
70. 설치된 감지기의 주변온도가 일정한 온도상승률 이상으로 되었을 경우에 작동하는 열감지기는?
71. 양수량 2m3/min, 전양정 50m, 효율이 60%인 펌프의 축동력은? (단, 유체의 밀도는 1000kg/m3이다.)
72. 저항 5Ω, 7Ω, 8Ω을 직렬로 접속된 회로에 5A의 전류가 흐르려면 가해진 전압 V은 얼마인가?
73. 엘리베이터의 안전 장치에 관한 설명으로 옳은 것은?
74. 다음의 통기방식에 관한 설명 중 옳지 않은 것은?
75. 다음의 중수도에 관한 설명 중 옳지 않은 것은?
76. 실의 크기가 6m×10m, 천정고가 2.5m인 사무실의 실내온도를 20℃로 유지하려고 한다. 외기온도가 -5℃이고 외기에 의한 환기를 시간당 1회 할 경우 외기에 의한 손실열량은? (단, 공기의 정압비열은 1.1kJ/kgㆍk, 밀도는 1.2kg/m3 이다.)
77. 최대 방수구역에 설치된 스프링클러헤드의 개수가 20개인 경우 스프링클러설비의 수원의 저수량은 최소얼마 이상 이어야 하는가? (단, 개방형 스프링 쿨러헤드 사용)
78. 전류의 3가지 작용에 속하지 않는 것은?
79. 복사난방에 대한 설명으로 옳지 않은 것은?
80. 다음의 공기조화방식에 관한 설명 중 옳지 않은 것은?
5과목: 건축법규
81. 지하식 또는 건축물식 노외주차장에서 경사로가 직선형인 경우, 경사로의 차로너비는 최소 얼마 이상으로 하여야 하는가? (단, 2차선인 경우)
82. 막다른 도로의 길이가 30m인 경우, 이 도로가 건축법상 도로이기 위한 최소 너비는?
83. 주거기능을 위주로 이를 지원하는 일부 상업기능 및 업무기능을 보완하기 위하여 필요한 지역에 지정하는 용도지역은?
84. 다음의 거실의 반자높이와 관련된 기준 내용 중 ( )안에 해당되지 않는 건축물의 용도는?
85. 건축물의 면적, 높이 및 층수 등의 산정방법에 관한 설명 중 옳지 않은 것은?
86. 다음의 배연설비의 설치와 관련된 기준 내용 중 ( )안에 해당되는 건축물의 용도가 아닌 것은?
87. 자연녹지지역으로서 노외주차장을 설치할 수 있는 지역에 해당하지 않는 것은?
88. 다음 중 도시관리계획에 포함되지 않는 것은?
89. 연면적 200m2를 초과하는 건축물에 설치하는 계단과 관련된 기준 내용으로 옳지 않은 것은?
90. 각층의 거실 면적이 1000m2인 13층 관광호텔에 설치하여야 하는 승용승강기의 최소 대수는? (단, 8인승 승강기의 경우)
91. 부설주차장의 설치대상 시설물이 업무시설(외국공관 및 오피스텔은 제외한다.)인 경우 부설주차장의 설치기준으로 옳은 것은?
92. 건축물을 특별시나 광역시에 건축하는 경우 특별시장이나 광역시장의 허가를 받아야 하는 대상 건축물 기준으로 옳은 것은?
93. 개별관람석의 바닥면적이 1000m2인 공연장을 다음과 같이 계획하였을 경우, 옳지 않은 것은?
94. 건축허가를 받아야 하거나 건축신고를 하여야 하는 건축물의 건축 등을 위한 설계를 건축사가 하지 않아도 되는 경우에 해당하지 않는 것은?
95. 건축물의 용도분류상 문화 및 집회시설에 해당되는 것은?
96. 개발제한구역의 지정목적과 가장 거리가 먼 것은?
97. 노외주창장의 출구 및 입구를 설치할 수 있는 곳은?
98. 건축물을 건축하는 경우 해당 건축물의 설계자가 국토해양부령으로 정하는 구조기준 등에 따라 그 구조의 안전을 확인할 때 건축구조기술사의 협력을 받아야 하는 대상 건축물 기준으로 옳지 않은 것은?(오류 신고가 접수된 문제입니다. 반드시 정답과 해설을 확인하시기 바랍니다.)
99. 다음의 방화구획의 설치에 관한 기준을 적용하지 아니하거나 그 사용에 지장이 없는 범위에서 완화 하여 적용할 수 있는 건축물의 부분에 해당되지 않는 것은?
100. 배수용으로 쓰이는 배관설비에 관한 기준 내용으로 옳지 않은 것은?