1과목: 전기응용 및 공사재료
1. 유도전동기 기동법 중 감전압기동법이 아닌 것은?
2. 전기 가열 방식 중 전극사이의 공간에 전류가 흐를 때 발생하는 고열에 의한 가열 방식은?
3. 유전가열의 용도를 설명하고 있다. 다음 중 틀린 것은?
4. 와전류손을 이용한 가열 방법이며, 교번자계 중에서 도전성의 물체 중에 생기는 와류에 의한 줄 열로 가열하는 방식은?
5. 전차, 권상기, 크레인 등에 가장 적합한 전동기는?
6. 평균 구면 광도 100cd 의 전구 5개를 지름 10m인 원형의 실에 점등할 때 조명률을 0.5, 감광 보상률을 1.5 로 하면 방의 평균 조도는 약 몇 lX 인가?
7. 양수량 Q=10[m3/min], 총 양정 H=8[m]를 양수하는 데 필요한 구동용 전동기의 출력 P[kW]는 약 얼마인가? (단, 펌프효율 η=75[%], 여유계수 k-=1.1이다.)
8. 알칼리(융그너) 축전지의 음극으로 사용할 수 있는 것은?
9. 전기철도에서 궤도의 구성요소가 아닌 것은?
10. 다음 중 전기건조방식의 종류가 아닌 것은?
11. 전력용 퓨즈 구입시 고려 할 사항이 아닌 것은?
12. 전선 및 기계기구를 보호할 목적으로 시설하여야 할 것 중 가장 적합한 것은?
13. 동심중성선 수밀형 전력케이블의 약호는?
14. 동전선의 접속 방법이 아닌 것은?
15. 특고압 배전선로에 사용하는 애자로서 특히 염진해오손이 심한 지역(바닷가 등)에서 사용되면 애자와 애자핀이 별도 분리되어 있으며 사용시는 조립하여 사용하는 애자는?
16. 케이블트레이에 사용할 수 없는 케이블은?
17. 플로어덕트의 최대 폭이 200mm 초과시 플로어덕트 판 두께는 몇 mm 이상이어야 하는가?
18. 66kV 이상의 선로에 사용되며 연결금구의 모양에 따라 크레비스형과 볼-소켓형으로 구분되는 애자는?
19. 축전지의 충전방식에서 축전지에 전해액을 넣지 않은 미충전 축전지에 전해액을 주입하여 행하는 충전방식은?
20. 병실이나 침실에서 시설할 조명기구로 적합한 것은?
2과목: 전력공학
21. 최대수용전력이 45×103kW인 공장의 어느 하루의 소비 전력량이 480×103kWh라고 한다. 하루의 부하율은 몇 % 인가?
22. 그림의 F 점에서 3상 단락고장이 생겼다. 발전기 쪽에서 본 3상 단락전류는 몇 kA가 되는가? (단, 154kV 송전선의 리액턴스는 1000 MVA를 기준으로 하여 2 %/㎞ 이다.)
23. 원자력발전소에서 비등수형 원자로에 대한 설명으로 틀린 것은?
24. 배전선의 전력손실 경감 대책이 아닌 것은?
25. 송 · 배전 전선로에서 전선의 진동으로 인하여 전선이 단선되는 것을 방지하기 위한 설비는?
26. 그림과 같은 3상 무부하 교류발전기에서 a상이 지락된 경우 지락전류는 어떻게 나타내는가?




"가 정답이 된다.27. 직렬콘덴서를 선로에 삽입할 때의 이점이 아닌 것은?
28. 송전 선로의 안정도 향상 대책과 관계가 없는 것은?
29. 다음 중 환상선로의 단락보호에 주로 사용하는 계전방식은?
30. 154kV 송전계통의 뇌에 대한 보호에서 절연강도의 순서가 가장 경제적이고 합리적인 것은?
31. 배전 선로의 배전 변압기 탭을 선정함에 있어 틀린 것은?
32. 3상 3선식 송전선로가 소도체 2개의 복도체 방식으로 되어 있을 때 소도체의 지름 8㎝, 소도체 간격 36㎝, 등가선간거리 120㎝인 경우에 복도체 1㎞의 인덕턴스는 약 몇 mH인가?
33. 다음 중 가공 송전선에 사용하는 애자련 중 전압부담이 가장 큰 것은?
34. 화력발전소에서 재열기의 사용 목적은?
35. 파동임피던스 Z1=500 Ω, Z2=300 Ω인 두 무손실 선로 사이에 그림과 같이 저항 R을 접속하였다. 제1선로에서 구형파가 진행하여 왔을 때 무반사로 하기 위한 R의 값은 몇 Ω 인가?
36. 부하전류 차단이 불가능한 전력개폐 장치는?
37. 각 전력계통을 연계할 경우의 장점으로 틀린 것은?
38. 1차 변전소에서 가장 유리한 3권선 변압기 결선은?
39. 배전계통에서 부등률이란?
40. 유효접지계통에서 피뢰기의 정격전압을 결정하는데 가장 중요한 요소는?
3과목: 전기기기
41. 1차측 권수가 1500인 변압기의 2차측에 16[Ω]의 저항을 접속하니 1차 측에서는 8[kΩ]으로 환산되었다. 2차측 권수는?
42. 정류회로에서 평활회로를 사용하는 이유는?
43. 유도전동기의 부하를 증가시켰을 때 옳지 않은 것은?
44. 3상 유도전동기에서 회전력과 단자 전압의 관계는?
45. 권선형 유도전동기의 기동법에 대한 설명 중 틀린 것은?
46. 직류분권 전동기의 공급전압이 V[V], 전기자전류 Ia[A], 전기자 저항 Ra[Ω], 회전수 N[rpm]일 때 발생토크는 몇 [k · gm]인가?




"이다. 이유는 K 값이 회전수 N에 반비례하기 때문이다. 따라서 회전수가 증가하면 발생토크는 감소한다.47. 동기전동기에 설치된 제동권선의 효과는?
48. △결선 변압기의 한 대가 고장으로 제거되어 V결선으로 전력을 공급할 때, 고장전 전력에 대하여 몇 [%]의 전력을 공급할 수 있는가?
49. 다음 직류전동기 중에서 속도 변동률이 가장 큰 것은?
50. 스탭 모터에 대한 설명 중 틀린 것은?
51. 동기 조상기의 계자를 과여자로 해서 운전할 경우 틀린 것은?
52. 220[V], 10[A], 전기자 저항이 1[Ω], 회전수가 1800[rpm] 인 전동기의 역기전력은 몇 [V] 인가?
53. 다이오드를 사용한 정류회로에서 다이오드를 여러 개 직렬로 연결하면?
54. 동기 전동기의 V 특성곡선(위상특성곡선)에서 무부하 곡선은?
55. 3상 유도전동기의 슬립이 S<0인 경우를 설명한 것으로 틀린 것은?
56. 계자저항 50[Ω], 계자전류 2[A], 전기자저항 3[Ω]인 분권 발전기가 무부하로 정격속도로 회전할 때 유기전력 [V]은?
57. 3상 직권 정류자 전동기에서 중간 변압기를 사용하는 주된 이유는?
58. 단권변압기의 설명으로 틀린 것은?
59. 평형 3상전류를 측정하려고 60/5[A]의 변류기 2대를 그림과 같이 접속했더니 전류계에 2.5[A]가 흘렀다. 1차 전류는 몇 [A]인가?
60. 우리나라 발전소에 설치되어 3상 교류를 발생하는 발전기는?
4과목: 회로이론 및 제어공학
62. RLC 직렬 공진회로에서 제3고조파의 공진주파수 f (Hz)는?




"는 3배를 나타내는 숫자 3이 포함되어 있으므로, 정답입니다.63. 세 변의 저항 Ra=Rb=Rc=15 Ω인 Y결선 회로가 있다. 이것과 등가인 △결선 회로의 각 변의 저항(Ω)은?
64. 그림과 같은 T형 회로에서 4단자정수 중 D 값은?




" 입니다.65. 다음과 같은 회로에서 t=0+에서 스위치 K를 닫았다. i1(0+), i2(0+)는 얼마인가? (단, C의 초기전압과 L의 초기전류는 0 이다.)




"이다.66. f(t)=3t2 의 라플라스 변환은?
67. 어떤 2단자 회로에 단위 임펄스 전압을 가할 때 2e-t+3e-2t (A)의 전류가 흘렀다. 이를 회로로 구성하면? (단, 각 소자의 단위는 기본 단위로 한다.)




" 이다.68. 그림과 같은 회로에서 저항 0.2 Ω 에 흐르는 전류는 몇 A 인가?
69. 모든 초기값을 0 으로 할 때, 입력에 대한 출력의 비는?
70. 분포정수 선로에서 위상정수를 β(rad/m)라 할 때 파장은?
71. 어떤 제어계에 단위 계단입력을 가하였더니 출력이 1-e-2t 로 나타났다. 이 계의 전달함수는?
72. 단위계단 입력신호에 대한 과도응답은?
73. 자동제어의 분류에서 엘리베이터의 자동제어에 해당하는 제어는?
74. Routh 안정도 판별법에 의한 방법 중 불안정한 제어계의 특성 방정식은?
75. 다음 중 Z 변환함수
에 대응되는 라플라스 변환 함수는?




"이다.
에 대응되는 라플라스 변환 함수는
이다. 이는 Z 변환과 라플라스 변환 간의 대응 관계를 나타내는 공식을 사용하여 유도할 수 있다.76. 다음과 같은 진리표를 갖는 회로의 종류는?
77. 다음과 과도응답에 관한 설명 중 틀린 것은?
78. 그림과 같은 RC회로에 단위 계단전압을 가하면 출력전압은?
79. 이득이 K인 시스템의 근궤적을 그리고자 한다. 다음 중 잘못 된 것은?
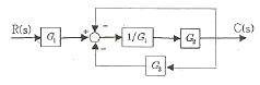
80. 그림과 같은 블록선도에서 C(s)/R(s)의 값은?




입니다. 이유는, 블록선도에서 C(s)와 R(s) 사이에는 전달 함수가 없으므로 1로 간주되며, C(s)와 출력 노드 사이에는 1/s 전달 함수가 있으며, R(s)와 입력 노드 사이에는 1/(s+1) 전달 함수가 있기 때문입니다. 따라서, 전달 함수를 곱하면 1/(s(s+1))이 되고, 이는
와 같습니다.5과목: 전기설비기술기준 및 판단기준
81. 수소냉각식 발전기 및 이에 부속하는 수소냉각장치에 관한 시설이 잘못 된 것은?
82. 옥내배선의 사용전압이 220V인 경우 금속관 공사의 기술기준으로 옳은 것은?
83. 최대사용전압이 69kV인 중성점 비접지식 전로의 절연내력 시험전압은 몇 kV 인가?
84. 과전류차단기로 저압전로에 사용하는 퓨즈를 수평으로 붙인 경우 이 퓨즈는 정격전류의 몇 배의 전류에 견딜 수 있어야 하는가?(오류 신고가 접수된 문제입니다. 반드시 정답과 해설을 확인하시기 바랍니다.)
85. 마그네슘 분말이 존재하는 장소에서 전기설비가 발화원이 되어 폭발할 우려가 있는 곳에서의 저압옥내 전기설비 공사는?
86. 정격전류 20A 인 배선용 차단기로 보호되는 저압 옥내 전로에 접속할 수 있는 콘센트 정격전류는 최대 몇 A 인가?(오류 신고가 접수된 문제입니다. 반드시 정답과 해설을 확인하시기 바랍니다.)
87. 고압 지중 케이블로서 직접 매설식에 의하여 콘크리트제 기타 견고한 관 또는 트라프에 넣지 않고 부설할 수 있는 케이블은?
88. 저압의 옥촉배선을 시설 장소에 따라 시공할 때 적절하지 못한 것은?
89. 가공전선로의 지지물 중 지선을 사용하여 그 강도를 분담 시켜서는 안 되는 것은?
90. 저압 옥내선용 전선으로 적합한 것은?(오류 신고가 접수된 문제입니다. 반드시 정답과 해설을 확인하시기 바랍니다.)
91. 대지로부터 절연을 하는 것이 기술상 곤란하여 절연을 하지 않아도 되는 것은?
92. 고압 인입선을 다음과 같이 시설하였다. 기술기준에 맞지 않는 것은?
93. 소맥분, 전분, 유황 등의 분진이 존재하는 공장에 전기설비가 발화원이 되어 폭발할 우려가 있는 곳의 저압옥내배선에 적합하지 못한 공사는? (단, 각 종 전선관공사 시 관의 두께는 모두 기준에 적합한 것을 사용한다.)
94. 특고압 가공전선로의 지지물로 사용하는 B종 철주, B종 철근콘크리트주 또는 철탑의 종류에서 전선로 지지물의 양쪽 경간의 차가 큰 곳에 사용하는 것은?
95. 가공전선로의 지지물에 사용하는 지선의 시설과 관련하여 다음 중 옳지 않은 것은?
96. 풀용 수중조명등에서 절연변압기 2차측 전로의 사용전압이 30V 이하인 경우 접지공사의 종류는?(오류 신고가 접수된 문제입니다. 반드시 정답과 해설을 확인하시기 바랍니다.)
97. 사용전압이 60kV 이하인 특고압 가공 전선로는 상시정전유도작용(常侍靜電誘導作用)에 의한 통신상의 장해가 없도록 시설하기 위하여 전화선로의 길이 12km 마다 유도전류는 몇 ㎂를 넘지 않도록 하여야 하는가?
98. 백열전등 또는 방전등에 전기를 공급하는 옥내전로의 대지전압은 몇 V 이하 인가?
99. 식물 재배용 전기온상에 사용하는 전열 장치에 대한 설명으로 틀린 것은?
100. 옥내 저압배선을 가요전선과 공사에 의해 시공하고자 할 때 전선을 단선으로 사용한다면 그 단면적은 최대 몇 mm2 이하이어야 하는가?
를 인가할 때
가 흐르는 경우 소비되는 전력은 약 몇 W 인가?