1과목: 전기응용 및 공사재료
1. 1000[lm]의 광속을 발산하는 전등 10개를 1000m2인 방에 설치하였다. 조명률 0.5, 감광 보상률 1이라 하면 평균 조도[lx]는 얼마인가?
2. 3상 4극 유도전동기를 입력 주파수 60 Hz, 슬립 3%로 운전할 경우 회전자 주파수[Hz]는 ?
3. 전기의 전도와 열의 전도는 서로 근사하여 온도를 전압, 열류를 전류와 같이 생각하여 열전도의 계산에 사용될 때의 열류의 단위로 옳은 것은?
4. 다음 발열체 중 최고 사용온도가 가장 높은 것은?
5. 사이리스터의 게이트 트리거 회로로 적합하지 않은 것은?
6. 전기로의 전기 가열 방식 중 흑연화로, 가보런덤로의 가열 방식은?
7. 직류 전차선로에서 전압강하 및 레일의 전위상승이 현저한 경우에 귀선의 전기저항을 감소시켜 전식의 피해를 줄이기 위해 설치하는 것으로 가장 옳은 것은?
8. 전기 분해에 의해 일정한 전하량을 통과했을 때 얻어지는 물질의 양은 어느것에 비례하는가?
9. SCR에 대한 설명 중 틀린 것은?
10. 고주파 유도가열의 용도가 아닌 것은?
11. 피뢰설비 설치에 관한 사항으로 틀린 것은? (문제 오류로 실제 시험에서는 1, 2, 4번이 정답처리 되었습니다. 여기서는 4번을 누르면 정답 처리 됩니다.)
12. 버스덕트의 폭이 600mm인 경우 덕트 강판의 두께는 몇 mm 이상인가?
13. 가공전선로에 사용하는 애자가 구비해야 할 조건이 아닌 것은?
14. 배전반 및 분전반 함이 내 아크성, 난열성의 합성수지로 되어 있는 것은 몇 mm 이상인가?
15. 5[t]의 하중을 매분 30m의 속도로 권상할 때, 권상 전동기의 용량은 약 몇 kW 인가? (단, 장치의 효율은 70%, 전동기 출력의 여유를 20%로 계산한다.)
16. 수변전 설비 회로의 특고압 및 고압을 저압으로 변성하는 것은?
17. 알칼리 축전지의 특징에 대한 설명으로 틀린 것은?
18. 나전선 상호간을 접속하는 경우 인장하중에 대한 내용으로 옳은 것은?
19. 램프효율이 우수하고 단색광이므로 안개지역에서 가장 많이 사용되는 광원은?
20. 주상 변압기 1차측에 설치하여 변압기의 보호와 개폐에 사용하는 것은?
2과목: 전력공학
21. 3상 송전선로의 각 상의 대지 정전용량을 Ca, Cb 및 Cc라 할 때, 중성점 비접지 시의 중성점과 대지간의 전압은? (단, E는 상전압이다.)



22. 전력 계통의 전압을 조정하는 가장 보편적인 방법은?
23. 폐쇄 배전반을 사용하는 주된 이유는 무엇인가?
24. 송전 계통의 안정도를 향상시키는 방법이 아닌 것은?
25. 66kV 송전선로에서 3상 단락고장이 발생하였을 경우 고장점에서 본 등가 정상임피던스가 자기용량 40[MVA]기준으로 20%일 경우 고장전류는 정격전류의 몇 배가 되는가?
26. 조압수조의 설치 목적은?
27. 망상(network) 배전방식의 장점이 아닌것은?
28. 정전용량 0.01㎌/㎞, 길이 173.2㎞, 선간전압 60kV, 주파수 60Hz인 3상 송전선로의 충전전류는 약 몇 A인가?
29. 원자로의 냉각재가 갖추어야 할 조건이 아닌 것은?
30. 접지봉으로 탑각의 접지저항값을 희망하는 접지저항값까지 줄일 수 없을 때 사용하는 것은?
31. 임피던스 Z1, Z2 및 Z3를 그림과 같이 접속한 선로의 A쪽에서 전압파 E가 진행해 왔을 때 접속점 B에서 무반사로 되기 위한 조건은?



32. 선로고장 발생시 고장전류를 차단할 수 없어 리클로저와 같이 차단 기능이 있는 후비보호 장치와 직렬로 설치되어야 하는 장치는?
33. 다중접지 3상 4선식 배전선로에서 고압측(1차측) 중성선과 저압측(2차측) 중성선을 전기적으로 연결하는 목적은?
34. % 임피던스에 대한 설명으로 틀린 것은?
35. 송전단 전압이 66kV, 수전단 전압이 60kV인 송전선로에서 수전단의 부하를 끊을 경우에 수전단 전압이 63kv가 되었다면 전압 변동률은 몇 %가 되는가?
36. 피뢰기의 직렬 갭(gap)의 작용으로 가장 옳은 것은?
37. 전력선에 의한 통신선로의 전자유도장해 발생요인은 주로 무엇 때문인가??
38. 3000kW, 역률 75%(늦음)의 부하에 전력을 공급하고 있는 변전소에 콘덴서를 설치하여 역률을 93%로 향상시키고자 한다. 필요한 전력용 콘덴서의 용량은 약 몇 kVA인가?
39. 배전계통에서 전력용 콘덴서를 설치하는 목적으로 가장 타당한 것은?
40. 역률 개선용 콘덴서를 부하와 병렬로 연결하고자 한다. △결선 방식과 Y결선 방식을 비교하면 콘덴서의 정전용량[㎌]의 크기는 어떠한가?
3과목: 전기기기
41. 유도 전동기의 2차 여자시에 2차 주파수와 같은 주파수의 전압 Ec를 2차에 가한 경우 옳은 것은? (단, sE2는 유도기의 2차 유도 기전력이다.)
42. 정격이 10HP, 200V인 직류 분권 전동기가 있다. 전부하 전류는 46A, 전기자 저항은 0.25Ω, 계자 저항은 100Ω이며, 브러시 접촉에 의한 전압강하는 2V, 철손과 마찰손을 합쳐 380W이다. 표유부하손을 정격출력의 1%라 한다면 이 전동기의 효율[%]은? (단, 1HP=746W이다.)
43. 자동제어장치에 쓰이는 서보모터의 특성을 나타내는 것 중 틀린 것은?
44. 직류 전동기의 제동법 중 동일 제동법이 아닌 것은?
45. 저항 부하인 사이리스터 단상 반파 정류기로 위상 제어를 할 경우 점호각 0°에서 60°로 하면 다른 조건이 동일한 경우 출력 평균 전압은 몇 배가 되는가?
46. 3상 동기 발전기를 병렬운전 시키는 경우 고려하지 않아도 되는 조건은?
47. 병렬운전을 하고 있는 두 대의 3상 동기 발전기 사이에 무효순환전류가 흐르는 경우는?
48. 단상 변압기에서 전부하의 2차 전압은 100V이고, 전압 변동률은 4%이다. 1차 단자 전압[V]은? (단, 1차와 2차 권선비는 20:1이다.)
49. 유도 전동기의 속도제어법 중 저항제어와 관계가 없는 것은?
50. 변압기 여자회로의 어드미턴스 Y0[℧]를 구하면? (단, I0는 여자전류, Ii는 철손전류, Iø는 자화전류, g0는 콘덕턴스, V1는 인가전압이다.)




51. 전부하 전류 1A, 역률 85%, 속도 7500 rpm이고 전압과 주파수가 100V, 60Hz인 2극 단상 직권 정류자 전동기가 있다. 전기자와 직권 계자 권선의 실효저항의 합이 40Ω이라 할 때 전부하시 속도기전력[V]은? (단, 계자 자속은 정현적으로 변하며 브러시는 중성축에 위치하고 철손은 무시한다.)
52. 10kVA, 2000/100V 변압기에서 1차에 환산한 등가 임피던스는 6.2+j7Ω이다. 이 변압기의 퍼센트 리액턴스 강하는?
53. 농형 유도전동기에 주로 사용되는 속도 제어법은?
54. 역률이 가장 좋은 전동기는?
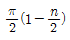
55. 동기기의 전기자 권선이 매극 매상당 슬롯수가 4, 상수가 3인 권선의 분포계수는 얼마인가? (단, sin7.5°=0.1305, sin15°=0.2588, sin22.5°=0.3827, sin30°=0.5)
56. 전압 변동률이 작은 동기 발전기는?
57. 3상 농형 유도전동기를 전전압 기동할 때의 토크는 전부하시의
배이다. 기동 보상기로 전전압의
로 기동하면 토크는 전부하 토크의 몇 배가 되는가? (단, 주파수는 일정)




58. 3상 유도전동기의 2차 입력 P2, 슬립이 s일 때의 2차 동손 Pc2은?

59. 게이트 조작에 의해 부하전류 이상으로 유지 전류를 높일 수 있어 게이트 턴온, 턴오프가 가능한 사이리스터는?
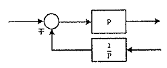
60. 다음 그림과 같이 단상 변압기를 단권 변압기로 사용한다면 출력단자의 전압[V]은? (단, V1n[V]를 1차 정격전압이라 하고, V2n[V]를 2차 정격전압이라 한다.)
4과목: 회로이론 및 제어공학
61. 다음 중
의 z변환은?




62. 다음은 시스템의 블록선도이다. 이 시스템이 안정한 시스템이 되기 위한 K의 범위는?
63.
를 라플라스 변환하면?




64. 다음의 블록선도와 같은 것은?




65. 자동제어계의 기본적 구성에서 제어요소는 무엇으로 구성 되는가?
66. 다음과 같은 계전기 회로는 어떤 회로인가?
67. 응답이 최종값의 10%에서 90%까지 되는데 요하는 시간은?
68.
에서 근궤적의 개수는?
69. 그림과 같은 RC 회로에서 전압 vi(t)를 입력으로 하고 전압 v0(t)를 출력으로 할 때, 이에 맞는 신호흐름 선도는? (단, 전달함수의 초기값은 0이다.)




70.
의 나이퀴스트 선도는? (단, K>0 이다.)




71. 대칭 n상에서 선전류와 상전류 사이의 위상차[rad]는?




72. 다음과 같은 왜형파의 실효값은?
73. 어느 소자에 걸리는 전압은 v=3cos 3t[V]이고, 흐르는 전류 i=-2sin(3t+10°)[A]이다. 전압과 전류간의 위상차는?
74. 그림과 같은 단위 계단 함수는?
75. 권수가 2000회이고, 저항이 12Ω인 솔레노이드에 전류 10A를 흘릴 때, 자속이 6×10-2[wb]가 발생하였다. 이 회로의 시정수[sec]는?
76. 어떤 2단자쌍 회로망의 Y 파라미터가 그림과 같다. a-a'단자간에 V1=36V, b-b' 단자간에 V2=24V의 정전압원을 연결하였을 때 I1,I2값은? (단, Y파라미터의 단위는 이다.)
77. 자기 인덕턴스 0.1H인 코일에 실효값 100V, 60Hz, 위상각 0°인 전압을 가했을 때 흐르는 전류의 실효값은 약 몇 A인가?
78. 2전력계법으로 평형 3상 전력을 측정하였더니 한쪽의 지시가 500W, 다른 한쪽의 지시가 1500W 이었다. 피상 전력은 약 몇 VA인가?
79. 위상 정수가
인 선로의 1Mhz에 대한 전파속도는 몇 m/s인가?
80. 3상 불평형 전압에서 역상전압 50V, 정상전압 250V 및 영상 전압 20V이면, 전압 불평형률은 몇 %인가?
5과목: 전기설비기술기준 및 판단기준
81. 저압 옥내배선 합성 수지관 공사시 연선이 아닌 경우 사용할 수 있는 전선의 최대 단면적은 몇 mm2인가? (단, 알루미늄선은 제외한다.)
82. 특고압 가공전선로에서 발생하는 극저주파 전계는 지표상 1m에서 전계가 몇 kV/m 이하가 되도록 시설하여야 하는가?
83. 내부 고장이 발생하는 경우를 대비하여 자동차단장치 또는 경보장치를 시설하여야 하는 특고압용 변압기의 뱅크 용량의 구분으로 알맞은 것은?
84. 사용전압 60kV 이하의 특고압 가공전선로에서 유도 장해를 방지하기 위하여 전화 선로의 길이 12km마다 유도 전류가 몇 ㎂를 넘지 않아야 하는가?
85. 지지물이 A종 철근 콘크리트주일 때, 고압 가공전선로의 경간은 몇 m 이하인가?
86. 태양전지 모듈에 사용하는 연동선의 최소 단면적[mm2]은?(오류 신고가 접수된 문제입니다. 반드시 정답과 해설을 확인하시기 바랍니다.)
87. 접지 공사의 종류가 아닌 것은?(관련 규정 개정전 문제로 여기서는 기존 정답인 2번을 누르면 정답 처리됩니다. 자세한 내용은 해설을 참고하세요.)
88. 교류 전차선과 식물 사이의 이격 거리는 몇 m 이상인가?(2021년 변경된 KEC 규정 적용됨)
89. 제 1종 접지공사 또는 제 2종 접지공사에 사용하는 접지선을 사람이 접촉할 우려가 있는 곳에 시설하는 기준으로 틀린 것은?
90. 고압 및 특고압 전로 중 전로에 지락이 생긴 경우에 자동적으로 전로를 차단하는 장치를 하지 않아도 되는 곳은?
91. 사무실 건물의 조명설비에 사용되는 백열전등 또는 방전등에 전기를 공급하는 옥내전로의 대지전압은 몇 V 이하인가?
92. 전력보안 통신 설비 시설시 가공전선로로부터 가장 주의하여야 하는 것은?
93. 가공전선로의 지지물에 하중이 가하여지는 경우에 그 하중을 받는 지지물의 기초 안전율은 특별한 경우를 제외하고 최소 얼마이상인가?
94. 가공 전선로의 지지물에 지선을 시설하려고 한다. 이 지선의 시설기준으로 옳은 것은?
95. 22.9kV의 가공 전선로를 시가지에 시설하는 경우 전선의 지표상 높이는 최소 몇 m 이상인가? (단, 전선은 특고압 절연전선을 사용한다.)
96. 가공전선로의 지지물에 시설하는 지선으로 연선을 사용할 경우 소선은 최소 몇 가닥 이상이어야 하는가?
97. 지중전선로를 직접 매설식에 의하여 시설할 때, 중량물의 압력을 받을 우려가 있는 장소에 지중 전선을 견고한 트라프 기타 방호물에 넣지 않고도 부설할 수 있는 케이블은?
98. 중성점 직접 접지식 전로에 연결되는 최대사용전압이 69kV인 전로의 절연내력 시험 전압은 최대 사용전압의 몇배인가?
99. 옥내 저압전선으로 나전선의 사용이 기본적으로 허용되지 않는 것은?
100. 광산 기타 갱도안의 시설에서 고압 배선은 케이블을 사용하고 금속제의 전선 접속함 및 케이블 피복에 사용하는 금속제의 접지공사는 제 몇 종 접지공사인가?(관련 규정 개정전 문제로 여기서는 기존 정답인 1번을 누르면 정답 처리됩니다. 자세한 내용은 해설을 참고하세요.)
감광 보상률은 인간의 눈이 어떤 조도에서도 동일한 밝기를 느끼지 못하고, 낮은 조도에서는 더 밝게 느끼는 경향이 있기 때문에 이를 보상하기 위한 값이다. 감광 보상률이 1이면 보정이 없는 상태이므로, 이 문제에서는 보정이 필요하지 않다.
따라서, 전등 10개가 설치된 1000m2인 방에서의 총 광속은 10,000[lm]이다. 이를 조명률 0.5로 나누면 방 안에 도달하는 광속은 5,000[lm]이 된다. 이 값을 방의 면적 1000[m2]으로 나누면 평균 조도는 5[lx]가 된다. 따라서 정답은 "5"이다.