1과목: 전기응용 및 공사재료
1. 다음 중 쌍방향 2단자 사이리스터는?
2. 축전지의 충전방식 중 전지의 자기 방전을 보충함과 동시에, 상용부하에 대한 전력공급은 충전기가 부담하되 비상 시 일시적인 대부하 전류는 축전지가 부담하도록 하는 충전방식은?
3. 저항용접에 속하는 것은?
4. 열차가 곡선 궤도를 운행할 때 차륜의 플랜지와 레일 사이의 측면 마찰을 피하기 위해 내측 레일의 궤간을 넓히는 것은?
5. 3상 농형 유도전동기의 속도 제어방법이 아닌 것은?
6. 전원전압 100V인 단상 전파제어정류에서 점호각이 30°일 때 직류전압은 약 몇 V 인가?
7. 유도전동기를 동기속도보다 높은 속도에서 발전기로 동작시켜 발생된 전력을 전원으로 반환하여 제동하는 방식은?
8. 광속 5000 lm의 광원과 효율 80%의 조명기구를 사용하여 넓이 4m2의 우유빛 유리를 균일하게 비출 때 유리 이(裏)면 (빛이 들어오는 면의 뒷면)의 휘도는 약 몇 cd/m2인가? (단, 우유빛 유리의 투과율은 80%이다.)
9. 실내 조도계산에서 조명률 결정에 미치는 요소가 아닌 것은?
10. 열전대를 이용한 열전 온도계의 원리는?
11. 방전등의 일종으로 빛의 투과율이 크고 등황색의 단색광이며 안개속을 잘 투과하는 등은?
12. 다음 중 배전반 및 분전반을 넣은 함의 요건으로 적합하지 않은 것은?
13. 라인포스트 애자는 다음 중 어떤 종류의 애자인가?
14. 할로겐 전구의 특징이 아닌 것은?
15. KS C IEC 62305-3에 의해 피뢰침의 재료로 테이프형 단선 형상의 알루미늄을 사용하는 경우 최소단면적(mm2)은?
16. 가공 배전선로 경완철에 폴리머 현수애자를 결합하고자 한다. 경완철과 폴리머 현수애자 사이에 설치되는 자재는?
17. 전기기기의 절연의 종류와 허용최고온도가 잘못 연결된 것은?
18. 지선밴드에서 2방 밴드의 규격이 아닌 것은?
19. 석유류 등의 위험물을 제조하거나 저장하는 장소에 저압 옥내 전기설비를 시설하고자 할 때 사용 가능한 이동전선은? (단, 이동전선은 접속점이 없다.)
20. 점유 면적이 좁고, 운전·보수가 안전하여 공장 및 빌딩 등의 전기실에 많이 사용되는 배전반은?
2과목: 전력공학
21. 계통의 안정도 증진대책이 아닌 것은?
22. 3상 3선식 송전선에서 L을 작용 인덕턴스라 하고, Le 및 Lm은 대지를 귀로로 하는 1선의 자기 인덕턴스 및 상호 인덕턴스라고 할 때 이들 사이의 관계식은?
23. 1상의 대지 정전용량이 0.5㎌, 주파수가 60Hz인 3상 송전선이 있다. 이 선로에 소호리액터를 설치한다면, 소호리액터의 공진 리액턴스는 약 몇 Ω 이면 되는가?
24. 배전선로의 고장 또는 보수 점검 시 정전구간을 축소하기 위하여 사용되는 것은?
25. 수전단 전력 원선도의 전력 방정식이 P2r+(Qr+400)2=250000으로 표현되는 전력계통에서 가능한 최대로 공급할 수 있는 부하전력(Pr)과 이때 전압을 일정하게 유지하는데 필요한 무효전력(Qr)은 각각 얼마인가?
26. 송전선에서 뇌격에 대한 차폐 등을 위해 가선하는 가공지선에 대한 설명으로 옳은 것은?
27. 3상 전원에 접속된 △결선의 커패시터를 Y결선으로 바꾸면 진상 용량 QY(kVA)는? (단, Q△는 △결선된 커패시터의 진상 용량이고, QY는 Y 결선된 커패시터의 진상 용량이다.)




28. 송전 철탑에서 역섬락을 방지하기 위한 대책으로 옳은 것은?
29. 배전선로의 전압을 3kV에서 6kV로 승압하면 전압강하율(δ)은 어떻게 되는가? (단, δ3kV는 전압이 3kV일 때 전압강하율이고, δ6kV는 전압이 6kV일 때 전압강하율이고, 부하는 일정하다고 한다.)




30. 정격전압 6600V, Y결선, 3상 발전기의 중성점을 1선 지락 시 지락전류를 100A로 제한하는 저항기로 접지하려고 한다. 저항기의 저항 값은 약 몇 Ω 인가?
31. 배전선의 전력손실 경감 대책으로 아닌 것은?
32. 조속기의 폐쇄시간이 짧을수록 나타나는 현상으로 옳은 것은?
33. 교류 배전선로에서 전압강하의 계산식은 Vd=k(Rcosθ+Xsinθ)I로 표현된다. 3상 3선식 배전선로인 경우에 k는?
34. 수전용 변전설비의 1차측 차단기의 차단용량은 주로 어느 것에 의하여 정해지는가?
35. 표피효과에 대한 설명으로 옳은 것은?
36. 그림과 같은 이상 변압기에서 2차 측에 5Ω의 저항 부하를 연결하였을 때 1차 측에 흐르는 전류(I)는 약 몇 A 인가?
37. 복도체에서 2본의 전선이 서로 충돌하는 것을 방지하기 위하여 2본의 전선 사이에 적당한 간격을 두어 설치하는 것은?
38. 전압과 유효전력이 일정할 경우 부하 역률이 70%인 선로에서의 저항 손실(P70%)은 역률이 90%인 선로에서의 저항 손실(P90%)과 비교하면 약 얼마인가?
39. 주변압기 등에서 발생하는 제5고조파를 줄이는 방법으로 옳은 것은?
40. 프란시스 수차의 특유속도(m·kW)의 한계를 나타내는 식으로 옳은 것은? (단, H(m)는 유효낙차이다.)




3과목: 전기기기
41. 서보모터의 특징에 대한 설명으로 틀린 것은?
42. 3300/220V 변압기 A, B의 정격용량이 각각 400kVA, 300kVA이고, %임피던스 강하가 각각 2.4%와 3.6% 일 때 그 2대의 변압기에 걸 수 있는 합성부하용량 몇 kVA 인가?
43. 정격출력 50kW, 4극 220V, 60Hz인 3상 유도전동기가 전부하 슬립 0.04, 효율 90%로 운전되고 있을 때 다음 중 틀린 것은?
44. 3상 유도전동기에서 2차측 저항을 2배로 하면 그 최대토크는 어떻게 변하는가?
45. 단상 유도전동기를 2전동기설로 설명하는 경우 정방향 회전자계의 슬립이 0.2이면, 역방향 회전자계의 슬립은 얼마인가?
46. 동기발전기를 병렬운전 하는데 필요하지 않은 조건은?
47. IGBT(Insulated Gate Bipolar Transistor)에 대한 설명으로 틀린 것은?
48. 3kVA, 3000/200V의 변압기의 단락시험에서 임피던스전압 120V, 동손 150W라 하면 %저항 강하는 몇 %인가?
49. 직류 가동복권발전기를 전동기로 사용하면 어느 전동기가 되는가?
50. 동기발전기에 설치된 제동권선의 효과로 틀린 것은?
51. 직류 전동기의 속도제어법이 아닌 것은?
52. 유도전동기에서 공급 전압의 크기가 일정하고 전원 주파수만 낮아질 때 일어나는 현상으로 옳은 것은?
53. 3상 변압기 2차측 EW 상만을 반대로 하고 Y-Y 결선을 한 경우, 2차 상전압이 EU = 70V, EV = 70V, EW = 70V라면 2차 선간전압은 약 몇 V 인가?
54. 용접용으로 사용되는 직류발전기의 특성 중에서 가장 중요한 것은?
55. 단상 유도전동기에 대한 설명으로 틀린 것은?
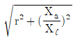
56. 정격전압 120V, 60Hz인 변압기의 무부하 입력 80W, 무부하 전류 1.4A이다. 이 변압기의 여자 리액턴스는 약 몇 Ω 인가?
57. 동작모드가 그림과 같이 나타나는 혼합브리지는?




58. 동기기의 전기자 저항을 r, 전기자 반작용 리액턴스를 Xa, 누설 리액턴스를 Xℓ라고 하면 동기임피던스를 표시하는 식은?




59. 극수 8, 중권 직류기의 전기자 총 도체 수 960, 매극 자속 0.04Wb, 회전수 400rpm 이라면 유기기전력은 몇 V 인가?
60. 동기전동기에 일정한 부하를 걸고 계자전류를 0A에서부터 계속 증가시킬 때 관련 설명으로 옳은 것은? (단, Ia는 전기자전류이다.)
4과목: 회로이론 및 제어공학
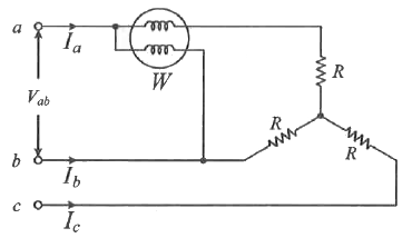
61. 회로에서 20Ω의 저항이 소비하는 전력은 몇 W 인가?
62. 단위 길이 당 인덕턴스가 L(H/m)이고, 단위 길이 당 정전용량이 C(F/m)인 무손실 선로에서의 진행파 속도(m/s)는?




63. RC 직렬회로에 직류전압 V(V)가 인가되었을 때, 전류 i(t)에 대한 전압 방정식(KVL)은
이다. 전류 i(t)의 라플라스 변환인 I(s)는? (단, C에는 초기 전하가 없다.)




64. 선간 전압이 Vab(V)인 3상 평형 전원에 대칭 부하 R(Ω)이 그림과 같이 접속되어 있을 때, a, b 두 상 간에 접속된 전력계의 지시 값이 W(W)라면 C상 전류의 크기(A)는?




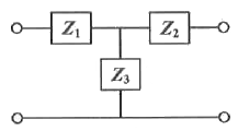
65. 선간 전압이 100V이고, 역률이 0.6인 평형 3상 부하에서 무효전력이 Q = 10kvar일 때,선전류의 크기는 약 몇 A 인가?
66. 어떤 회로의 유효전력이 300W, 무효전력이 400var이다. 이 회로의 복소전력의 크기(VA)는?
67. 불평형 3상 전류가 Ia=15+j2(A), Ib=-20-j14(A), Ic=-3+j10(A)일 때, 역상분 전류 I2(A)는?
68. t=0에서 스위치(S)를 닫았을 때 t=0+에서의 i(t)는 몇 A 인가? (단, 커패시터에 초기 전하는 없다.)
69. 그림과 같은 T형 4단자 회로망에서 4단자 정수 A와 C는? (단,
)




70. R= 4Ω, ωL= 3Ω의 직렬회로에 e=100√2 sinωt+50√2 sin3ωt를 인가할 때 이 회로의 소비전력은 약 몇 W 인가?
71. 그림과 같은 피드백제어 시스템에서 입력이 단위계단함수일 때 정상상태 오차상수인 위치상수(Kp)는?




72. 다음 회로에서 입력 전압 v1(t)에 대한 출력 전압 v2(t)의 전달함수 G(s)는?




73. 다음과 같은 신호흐름선도에서 C(s)/R(s)의 값은?




74. 적분시간 4sec, 비례 감도가 4인 비례적분 동작을 하는 제어 요소에 동작신호 z(t)=2t를 주었을 때 이 제어 요소의 조작량은? (단, 조작량의 초기 값은 0이다.)
75. 제어시스템의 상태방정식이
일 때, 특성방정식을 구하면?
76. 특성방정식의 모든 근이 s평면(복소평면)의 jω축(허수축)에 있을 때 이 제어시스템의 안정도는?
77. 어떤 제어시스템의 개루프 이득이
일 때 이 시스템이 가지는 근궤적의 가지(branch) 수는?
78. 시간함수 f(t)=sinωt의 z 변환은? (단, T는 샘플링 주기이다.)




79. Routh-Hurwitz 방법으로 특성방정식이 s4+2s3+s2+4s+2=0인 시스템의 안정도를 판별하면?
80. 논리식
를 간단히 하면?


5과목: 전기설비기술기준 및 판단기준
81. 옥내에 시설하는 사용전압이 400V 이상 1000V 이하인 전개된 장소로서 건조한 장소가 아닌 기타의 장소의 관등회로 배선공사로서 적합한 것은?
82. 제1종 또는 제2종 접지공사에 사용하는 접지선을 사람이 접촉할 우려가 있는 곳에 시설하는 경우, 「전기용품 및 생활용품 안전관리법」을 적용받는 합성수지관(두께 2mm 미만의 합성수지제 전선관 및 난연성이 없는 콤바인덕트관 제외한다)으로 덮어야 하는 범위로 옳은 것은?
83. 가공전선로의 지지물에 시설하는 지선의 시설기준으로 틀린 것은?
84. 전력 보안 가공통신선의 시설 높이에 대한 기준으로 옳은 것은?
85. 고압용 기계기구를 시가지에 시설할 때 지표상 몇 m 이상의 높이에 시설하고, 또한 사람이 쉽게 접촉할 우려가 없도록 하여야 하는가?
86. 저압 가공전선으로 사용할 수 없는 것은?(문제 오류로 가답안 발표시 4번으로 발표되었으나, 확정답안 발표시 3, 4번 정답처리 되었습니다. 여기서는 가답안인 4번을 누르면 정답 처리 됩니다.)
87. 고압 옥내배선의 공사방법으로 틀린 것은?
88. 사용전압이 154kV인 가공전선로를 제1종 특고압 보안공사로 시설할 때 사용되는 경동연선의 단면적은 몇 mm2 이상이어야 하는가?
89. 345kV 송전선을 사람이 쉽게 들어가지 않는 산지에 시설할 때 전선의 지표상 높이는 몇 m 이상으로 하여야 하는가?
90. 가공 직류 절연 귀선은 특별한 경우를 제외하고 어느 전선에 준하여 시설하여야 하는가?(관련 규정 개정전 문제로 여기서는 기존 정답인 1번을 누르면 정답 처리됩니다. 자세한 내용은 해설을 참고하세요.)
91. 변전소에서 오접속을 방지하기 위하여 특고압 전로의 보기 쉬운 곳에 반드시 표시해야 하는 것은?
92. 사용전압이 400V 미만인 저압 가공전선은 케이블인 경우를 제외하고는 지름이 몇 mm 이상이어야 하는가? (단, 절연전선은 제외한다.)
93. 사용전압이 440V인 이동기중기용 접촉전선을 애자사용 공사에 의하여 옥내의 전개된 장소에 시설하는 경우 사용하는 전선으로 옳은 것은?
94. 특고압 가공전선로 중 지지물로서 직선형의 철탑을 연속하여 10기 이상 사용하는 부분에는 몇 기 이하마다 내장 애자장치가 되어 있는 철탑 또는 이와 동등이상의 강도를 가지는 철탑 1기를 시설하여야 하는가?
95. 가반형의 용접전극을 사용하는 아크 용접장치의 용접변압기의 1차측 전로의 대지전압은 몇 V 이하이어야 하는가?
96. 수용장소의 인입구 부근에 대지 사이의 전기저항 값이 3Ω 이하인 값을 유지하는 건물의 철골을 접지극으로 사용하여 제2종 접지공사를 한 저압전로의 접지측 전선에 추가 접지 시 사용하는 접지선을 사람이 접촉할 우려가 있는 곳에 시설할 때는 어떤 공사방법으로 시설하는가?(관련 규정 개정전 문제로 여기서는 기존 정답인 2번을 누르면 정답 처리됩니다. 자세한 내용은 해설을 참고하세요.)
97. 조상설비에 내부고장, 과전류 또는 과전압이 생긴 경우 자동적으로 차단되는 장치를 해야 하는 전력용 커패시터의 최소 뱅크용량은 몇 kVA 인가?
98. 특고압 지중전선이 지중 약전류전선 등과 접근하거나 교차하는 경우에 상호 간의 이격거리가 몇 cm 이하인 때에는 두 전선이 직접 접촉하지 아니하도록 하여야 하는가?
99. 전기온상용 발열선은 그 온도가 몇 ℃를 넘지 않도록 시설하여야 하는가?
100. 발전기, 전동기, 조상기, 기타 회전기(회전변류기 제외)의 절연내력 시험전압은 어느 곳에 가하는가?