1과목: 기계제작법
1. 냉간가공에 의하여 경도 및 항복강도가 증가하나 연신율은 감소하는데 이 현상을 무엇이라 하나?
2. 선반 가공에서 가공면의 표면거칠기 이론값을 구하는 식은? (단, 바이트의 노즈 반지름을 R, 1회전당 날의 이송량은 f이다)
3. CNC 머신에서 서보기구의 형식 중 모터에 내장된 타코제너레이터에서 속도를 검출하고 엔코더에서 위치를 검출하여 피드백 하는 제어방식?
4. 주물의 결함에서 주물의 일부분에 불순물이 집중되어 석출되거나 가벼운 부분이 위에 뜨고, 무거운 부분이 밑에 가라앉아 굳어지거나 배합이 달라지는 현상은?
5. 주강 ( Cast Steel )의 용해로로 주로 사용되며, 그 밖에 특수 주철 금속의 정련 작업과 합금의 제조에 이용되는 용해로는?
6. 굽힘선의 길이 300mm, 판 두께가 3mm인 연강판을 그림과 같이 90° 로 V형 굽힘가공을 하려고 한다. 다이견폭 (w) 이 판 두께의 8배일 때, 굽힘에 필요한 힘은 약 몇 kgf 인가? (단, 상형과 하형이 닿지 않는 자유굽힘으로 하고, 재료의 인장강도는 40 kgf/mm2 , 조정계수는 1.33 으로 한다)
7. 강선의 냉강인발 중 가공경화가 나타나서 계속적인 작업이 어려울 때 조직을 연욕로 (lead bath) 중에서 항온변태를 일으켜 인발 가공 용이하게 만드는 열처리 방법은?
8. 아크 용접봉에서 피복제의 역할이 아닌 것은?
9. 바이트의 전방 여유각에 대한 설명 중 가장 옳은 것은?
10. 두께 5mm의 연강판에 직경 10mm의 펀칭 작업을 하는데 크랭크 프레스 램의 속도가 10m/min 이라면 이 때 프레스에 공급되어야 할 동력은 약 몇 kw 인가? (단, 연강판의 전단강도는 294.3MPa이고, 프레스의 기계적 효율은 80%이다. )
11. 나사측정에서의 삼침법(Three wire method)이란?
12. 버니어 캘리퍼스에서 어미자의 최소눈금이 1mm이고, 49mm를 50등분하면 최소 측정값은 몇 mm인가?
13. 니켈, 크롬, 망간 등이 함유된 특수강에서 볼 수 있는 현상으로 담금질 온도에서 대기 속에 방랭하는 것만으로도 마텐자이트 조직이 생성되어 단단해지는 성질은?
14. 3개의 조가 동시에 개폐되어 원형 및 3의 배수각형의 공작물을 고정하기 쉬우며 스크롤 척 (Scroll chuck)이라고도 하는 척은?
15. 자유 단조에서 업 세팅 (up-setting)에 관한 설명으로 옳은 것은?
16. 마이크로미터 측정면의 평면도 검사에 필요한 기기는?
17. 전단 가공된 제품을 정확한 치수로 다듬질하거나 전단면을 깨끗하게 가공하기 위하여 시행하는 미소량의 전단 가공을 무엇이라고 하나?
18. 초음파 가공의 특징 설명이 아닌 것은?
19. 방전가공의 전극 재질로 적다한 것은?
20. 교류아크 용접기에서 효율을 나타내는 식은?




2과목: 재료역학
21. 그림과 같은 균일 단면 단순보의 일부에 균일 분포하중이 작용할 때 중앙점 C에서의 굽힘모멘트는 몇kN·m인가? (단, 굽힘 강성 EI는 일정하고, 보의 자중은 무시한다.)
22. 그림과 같이 순수굽힘 상태에 있는 AB구간의 균일 단면보에서 굽힘에 의해 생긴 중립면의 곡률은? (단, 보의 굽힘강성 EI는 일정하고, 자중은 무시한다.)




23. 다음과 같은 평면 응력 상태에서의 최대(σ1) 및 (σ2) 주응력은 몇 MPa 인가?
24. 균일 단면 외팔보의 자유단을 그림과 같이 스프링으로 지지한후 100N의 하중을 B점에 작용시켰다. B점에서 의 처짐량은 몇 mm인가? (단, 스프링 상수 k=5N/mm, 단면은 bxh=5mmx10mm, 탄성계수 E=200GPa이고 굽힘강성 EI는 일정하다. )
25. 집중 모멘트 M을 받고 있는 길이(L) 1m인 외팔보의 최대 처짐량을 1cm로 제한하려면, 최대 집중 모멘트 M은 몇 N·m 인가? (단, 단면은 한 변이 10cm이 정사각형이고, 탄성계수 (E)는 235GPa이다)
26. 그림과 같은 응력 상태를 모어(Mohr)의 응력원으로 도시하면 어느 것인가? (단, σ2<σ1)




27. 그림과 같은 볼트에 축 하중 Q가 작용할 때, 볼트 머리부의 높이 H는 볼트 지름의 몇 배가 되어야 하는가? (단, 볼트 머리부에서 축 하중 방향으로의 전단응력은 볼트 축에 작용하는 인장 응력의 1/2 배까지 허용한다. )
28. 지름이 25mm이고 길이가 6m인 강봉의 양쪽 단에 100kN의 인장력이 작용하여 6mm가 늘어났다. 이때 응력과 변형률은? (단, 재료는 선형 탄성 거동을 한다. )
29. 비틀림 모멘트 T를 받고 봉의 기링 L인 부재에 발생하는 순수전단(pure shear) 상태에서의 비틀림 변형에너지 U는? (단, 비틀림 강성은 GJ이다.)




30. 그림과 같은 불균일 분포하중을 부분적으로 받는 균일단면 보에서 A점의 반력은 몇 kN 인가? (단, 보의 자중은 무시하고, 굽힘강성 EI는 일정하다.)
31. 그림과 같은 트러스 구조물에서 B점에서 10kN의 수직 하중을 받으면 BC에 작용하는 힘은 몇 kN인가?
32. 길이 L의 균일 단면 막대기에 굽힘 모멘트 M이 그림과 같이 작용하고 있다. 이 막대에 저장된 탄성 변형 에너지는? (단, 막대기의 굽힘강성 EI는 일정하고, 단면적은 A이다.)




33. 양단이 핀으로 고정되어 있고, 정사각형의 단면 25mm * 25mm, 길이 1. 8m인 기둥에서 오일러 식에 의한 임계하중은 몇 Kn 인가? (단, 탄성계수 E = 70 GPa 이다.)
34. 반지름이 r인 중심축에 토크 T가 작용하고 있다. 작용토크의 1/3을 지지하는 내부 코어(inner core)의 반지름(r')을 구하면? (단, 재질은 선형 탄성 균질재이다.)




35. 그림과 같은 균일단면을 갖는 부정정보가 단순 지지단에서 모멘트 Mo를 받는다. 단순 지지단에서의 반력 Ra는? (단, 굽힘강성 EI는 일정하고. 자중은 무시한다.)




36. 다음과 같이 양단을 고정한 길이 L, 단면적 A의 막대를 △T 만큼 온도를 올렸을 때 막대에 생기는 응력 σ 는? (단, 막대의 탄성계수를 E, 선팽창 계수를 α 라 한다.)
37. 바깥지름 8cm, 안지름 6cm의 속이 빈 축에 7kN·m의 비틀림 모멘트가 작용하고 있다. 이때 발생하는 최대 비틀림 응력을 구하면 약 몇 MPa 인가?
38. 그림과 같이 강체 판 BC가 두 개의 탄성 막대 AB및 CD에 매달려 있다. 100kN의 하중이 작용한 후 강체 관 BC의 방향은? (단, AB의 단면적은 2cm2, CD의 단면적은 1cm2이며, 두 막대의 탄성계수는 모두 200 GPa 이다.)
39. 도심의 축에 대한 단면 2차모멘트가 가장 큰 보의 단면은?




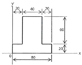
40. 다음 단면에서 도심의 y축 좌표는 얼마인가?
3과목: 용접야금
41. 강 용접부의 노치취성을 억제하는 원소는?
42. 용접 열영향부의 조직과 기계적 성질에 가장 큰 영향을 주는 요인에 포함되지 않는 것은?
43. 페라이트 조직의 특성으로 맞는 것은?
44. 은점(fish ete)에 대한 설명 중 틀린 것은?
45. 아크전압 : E[V], 아크전류: I[A], 봉전시간 : t[S], 열효율 : η[%]라 할 때 용접입열 [H]는?



46. 용접과정의 화학반응의 특성으로 맞는 것은?
47. 용접부에 혼입되는 수소와 가장 관련이 적은 용접 결함은?
48. 내열합금에서 균열이 발생하기 쉬운 원인이 아닌 것은?
49. 금속재료가 연성파괴에서 취성파괴로 변화하는 온도범위를 무엇이라 하는가?
50. 탄소강 중에서 인(P)이 미치는 영향으로 틀린 것은?
51. 다음 중 면심입방격자 구조(FCC)인것은?
52. 황이 층상으로 존재하는 강을 서브머지드 아크 용접할 때 일어나며, 고온균열의 일종에 속하는 것은?
53. 용융 슬래그를 구성하는 산화물은 염기성, 중성 및 산성의 3종류로 구분된다. 산성 산화물에 속하는 것은?
54. 탄소강은 200~300℃에서 가장 취약하게 되는데, 이것을 무엇이라 하는가?
55. 용접부 저온균열은 용접후 2~3시간 정도에서 발생하는 것이 보통이나 상온에서도 수소의 확산이 균열에 영향을 주는 균열은?
56. 후판의 용접비드 중심부에서의 주상정(住狀晶)에 관한 설명 중 옳지 않은 것은?
57. 마르텐자이트(Martensite)조직의 본질은?
58. 강의 담금질 조직을 냉각속도에 따라 분류 할 때 해당되지 않는 것은?
59. 18(Cr)-8(Ni)형 스테인리스강의 특징으로 틀린 것은?
60. 용접부에서 발생되는 균열의 원인이 아닌 것은?
4과목: 용접구조설계
61. 용접물은 용접 중에 용착금속의 수축과 열영향부의 국부적가열 및 냉각을 받으므로 용접부에서 발생하는 체적변화는 구조물의 용접변형의 원인이 된다. 용접 후 용접변형의 종류가 아닌 것은?
62. 응력 제거 어닐링(Stress-relief annealing)효과가 아닌 것은?
63. 크리프강도(creep strength)는 시간에 따른 여러가지 변형역을 가지고 있는데 이 변형역에 해당 되지 않는 것은?
64. 응력부식에 관한 설명으로 틀린 것은?
65. 용접공수(熔接工數)에 해당 되지 않는 것은?
66. 용접부에 발생하는 잔류응력 완화법이 아닌 것은?
67. 용접부 부근의 냉각속도에 관한 설명으로 틀린 것은?
68. 용접이음의 단점으로 맞는 것은?
69. 용접부의 결함, 기계부품의 홈 및 구멍과 같은 모양의 변화가 있으면 그 부분에서 국부적으로 응력이 증가하는 현상을 무엇이라 하는가?
70. 용접 변형의 방지법 중 잔류응력이 가장 많이 남는 방법은?
71. 그림과 같이 둥근 단면 강재에 비틀림 응력이 작용을 하고 전 둘레 용접을 할 때 용접선에 생기는 응력은 약 얼마인가? (단, 강재의 직경 = 100mm, 토오크(T) = 1000kgf-m로 한다)
72. 필릿 용접치수를 결정하는데 사용되는 다음 그림과 같은 선형의 중심축에 단면 2차 모멘트 I를 구하는 식으로 옳은 것은? (단, t=1 임)




73. 연속적인 종파를 사용하여 두께측정 및 결함탐상에 적용하는 초음파 탐상 시험법은?
74. 수직으로 4500N의 힘이 작용하는 부분에 수평으로 맞대기 용접을 하고자 하는데 용접부의 형상은 판두께 6mm, 용접선의 길이 250mm로 하려고 할 때 이음부에 발생하는 인장응력은 약 몇 N/mm2 인가?
75. 그림과 같이 I형 보에서 알맞은 용접 순서는?
76. 단순 굽힘을 받고 있는 맞대기 용접에서 완전용입상태로 용접을 할 때, 사용할 수 있는 기본식으로 옳은 것은? (단, σ는 최대 굽힘응력, Z는 용접이음의 단면계수, M는 최대 굽힘모멘트 이다.)



77. 서브머지드 아크 용접에 균열이 발생하였다. 그 원인으로 가장 적당한 것은?
78. 열영향부의 균열감수성을 시험하기 위한 방법으로 입열량, 용접재료의 수소량, 응력, 재질의 영행 등을 알아보는 시험법은?
79. 다음 그림에서 화살표로 표시한 것을 무엇이라고 하는가?
80. 동은 용융금속에 응고를 늦추기 위하여 예열온도는 몇도(℃)가 가장 적당한가?
5과목: 용접일반 및 안전관리
81. 고 진동 중에서 텅스텐 필라멘트를 사용하는 용접은?
82. 서브머지드 아크 용접(submerged arc welding)에 대한 설명 중 옳은 것은?
83. 아세틸렌이 가장 많이 용해되는 것은?
84. 경납땜의 일종으로 볼 수 있으며, 모재와 같은 계통의 공정합금(eutectic alloy)으로 된 용접봉을 사용하는 용접법은?
85. 아세틸렌가스의 폭발성에 대한 설명으로 가장 거리가 먼 것은?
86. 일렉트로 가스 아크 용접의 특징 중 틀린 것은?
87. 선창이나 교각 등 밀폐된 장소에서 절단 작업을 할때 아세틸렌 가스나 에틸렌 가스를 사용하는 주된 이유는?
88. 용접작업의 안전수칙 중 틀린 것은?
89. 탄산가스 아크 용접결함 중 기공이 발생하는 원인과 가장 거리가 먼 것은?
90. 피복 아크 용접에서 용접속도와 관련된 설명으로 틀린 것은?
91. 매시 심용접을 올바르게 설명한 것은?
92. 가스 용접장치의 연결 시 주의사항으로 틀린 것은?
93. 기계적 에너지를 이용하는 용접은?
94. 용접기의 사용율을 나타내는 공식으로 맞 는 것은?




95. 용접을 크게 분류할 때 아크 용접에 해당되는 것은?
96. 2차 무부하 전압 80V, 아크전압 30V, 아크전류 250A인 교류 용접기를 사용할 때 역률과 효율은 각각 얼마인가? (단, 내부손실은 2.5kW이다)
97. 직류 정극성(DCSP)을 설명한 것중 틀린 것은?
98. 동작기구가 수직면 또는 수평면내에서 선회한 회전영역이 넓고 팔이 기울어져 상하로 움직이므로 대상 물의 손끝자세를 맞추기 쉬워 점용접용 로봇에 많이 사용되는 로봇은?
99. 교류 아크 용접기에 해당 되지 않는 것은?
100. 화재의 분류에서 전기화재의 분류에 해당되는 것은?