1과목: 기계제작법
1. 선반작업에서 지름 50mm 이고 소재의 길이가 400mm인 둥근 봉을 절삭속도 100m/min, 이송량 0.3mm/rev로 가공할 때 가공시간은 약 몇 분 (min) 정도 걸리는가?
2. CNC공작기계와 산업용 로봇, 자동반송시스템, 자동화창소 등을 총괄하여 중앙의 컴퓨터로 제어하면서 소재의 공급에서부터 가공, 조립, 출고까지 관리하는 생산방식으로 공장전체 시스템을 무인화하여 생산관리의 효율을 최대로 한 유연성있는 생산시스템은?
3. 다음 중 공구수명의 판정기준에 속하지 않는 것은?
4. 딥 드로잉으로 지름 60mm, 높이 50mm의 원통 용기를 만들고자 한다. 회전체의 소재(素材)지름은 약 몇 mm인가? (단, 밑바닥 모서리는 극히 작다.)
5. 치공구의 3요소가 아닌 것은?
6. 입도가 작고 연한 숫돌을 작은 압력으로 가공물 표면에 가압하면서 가공물에 이송을 주고, 숫돌을 좌우로 진동시키면서 가공하는 방법은?
7. 테르밋용접(thermit welding)을 설명한 것은?
8. 수기가공에서 정 작업을 C, 금긋기 작업을 M, 중 작업을 F, 스크레이퍼 작업을 S라 할 때 작업 순서가 바르게 된 것은?
9. 열처리 중에서 풀림(annealing)의 목적이 아닌 것은?
10. 소성가공에서 금속재료의 주괴로부터 판재, 봉재, 관재, 단조재 등을 성형하는 1차 가공과 이것들을 소재로 하여 성형하는 2차 가공으로 나눌 때 다음 중 2차 가공에 속하는 것은?
11. 목형에 적당한 도장을 하는 이유 중 가장 중요한 것은?
12. 두께가 다른 여러 장의 강재 박판(薄板)을 겹쳐서 부채살 모양으로 모은 것이며 물체 사이에 갑입하여 측정하는 기구는?
13. 다음의 단조 양식 중 자유단조에 속하지 않는 것은?
14. 밀링 작업에서 매끈한 가공면을 얻기 위해서는 절삭속도와 이송을 어떻게 하는가?
15. 분말형태의 용제로 대기로부터 용접부를 차단한 채 아크열로 용제, 심선 및 모재를 녹여서 행하는 아크 용접법은?
16. 렌치(wrench), 스패너(spanner) 등 작은 공구를 단조할 때 다음 중 가장 적합한 것은?
17. 공기 마이크로미터의 특징을 설명한 것 중 틀린 것은?
18. 압영 롤과 압연재 사이의 마찰계수를 μ, 롤 반지름 방향의 압연력을 Pr이라고 할 때, 롤이 재료를 끌어 당기기 위한 관계식으로 맞는 것은?
19. 선삭에서 탄소강 가공시 절삭저항 3분력 중 절삭저항이 가장 큰 분력은?
20. 다음 중 재료의 표면경화법에 해당하지 않는 것은?
2과목: 재료역학
21. 그림과 같은 단순보에서 C지점에 집중 하중 W가 작용할 때, 탄성 처짐 곡선에서 처짐각이 가장 큰 위치는? (단, 보의 굽힘강성 EI는 일정하고, a>b 이다.)
22. 막대의 한 끝이 고정되고 다른 끝에 집중 하중이 작용할 때, 막대의 양단에서 국부변형이 발생하고 양단에서 멀어질수록 그 효과가 감소된다는 사실과 관계있는 것은?
23. 단면적이 각각 A1, A2이고, 탄성계수가 각각 E1, E2 인 길이 ℓ인 재료가 강성판 사이에서 인장하중 P를 받아 탄성 변형을 했을 때, 각 재료 내부에 생기는 수직응력은? (단, 2개의 강성판은 항상 수평을 유지한다.)




24. 원형 단면축이 비틀린 모멘트를 받을 때 최대 전단응력 r에 대한 설명으로 틀린 것은?
25. 탄성계수가 E이고 포아송 비가 v인 재료의 전단탄성계수 G를 표현한 올바른 식은?




26. 양단 고정보의 중앙에 집중 하중 P가 작용할 때 굽힘모멘트 선도(BMD)는?




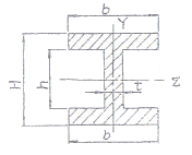
27. 400rpm으로 회전하는 바깥지름 60mm, 안지름 40mm인 중공 단면축이 10kW의 동력을 전달할 때 비틀림 각도는 약 몇 도인가? (단, 전단 탄성계수 G=80GPa, 축 길이 L=3m이다.)
28. 그림의 h형 단면의 도심축인 Z축에 관한 회전 반지름(radius of gyration)은 얼마인가?




29. 그림과 같은 보에 하중 P가 작용하고 있을 대, 이 보에 발생하는 최대 굽힘응력은?




30. 원형 단면 기둥 A와 정사각형 단면 기둥 B가 동일한 세장비를 가질 때 기둥의 길이 비
은? (단, 각 경우에서 원형 단면의 지름과 정사각형 단면에서 한 변의 길이는 20cm 이다.)
31. 단면적이 2cm×3cm이고, 길이 1.5m의 연강봉에 인장 하중이 작용하여 0.1cm 늘어났다. 이 때 축척된 탄성 에너지의 크기는 몇 Nㆍm인가? (단, 탄성계수 E = 210GPa 이다.)
32. 단면적이 같은 정사각형과 원형단면의 보에서 정사각형 단명의 최대 전단응력은 원형단면의 최대 전단응력의 몇 배인가? (단, 두 단면에 작용하는 전단력의 크기는 같다.)
33. 45°각의 로제트 게이지로 측정한 결과 Ex=400×10-6, Ey=200×10-6, rxy=200×10-6일 때 주응력은 약 몇 MPa인가? (단, 포아송 비 v=0.3, 탄성계수 E=206GPa 이다.)
34. 폭×높이=300mm×300mm의 단면을 가진 보가 굽힘을 받아 최대 굽힘 응력이 90MPa이 되었다. 이 단면에 작용한 굽힘 모멘트는 몇 kNㆍm인가?
35. 강선의 지름이 6mm 이고 코일의 반지름이 50mm인 10회 감긴 스프링이 있다. 이 스프링에 100N의 힘이 작용할 때 처짐량은 약 몇 mm인가? (단, 재료의 전단탄성계수 G=82GPa 이다.)
36. 그림에서 무게 39N인 물체 W를 비탈위로 올리기 위한 최소한의 힘 P는 몇 N인가? 9단, 마찰계수는 1/3 이다.)
37. 그림과 같은 정사각형 단면을 가지는 짧은 기둥의 측면에 흠이 파여 있을 때 도심에 작용하는 축하중 W로 인해 단면 n-n'에 발생하는 최대 압축응력의 크기는?




38. 단면 치수가 8mm×24mm인 강대가 인장력 P=15kN을 받고 있다. 그림과 같이 30° 경사진 면에 작용하는 전단 응력은 약 몇 MPa 인가?
39. 자유단에 집중하중 P를 받는 외팔보의 최대 처짐 δ1과 P=wL이 되게 균일 분포하중(w)이 작용하는 외팔보의 자유단 처짐 δ2의 처짐비 δ2/δ1는 얼마인가? (단, 보의 굽힘 강성은 EI로 일정하다.)
40. 그림과 같이 등분포하중이 작용하는 보에서 최대 전단력의 크기는 몇 kN인가?
3과목: 용접야금
41. 용접 슬래그의 산 또는 염기의 강도는 용접할 때 화학반응에 중요한 역할을 하고 있다. 염기도 표시로 옳은 것은? (단, A=산성 성분의 총합, B=염기성 성분의총합, As=용접 슬래그의 염기도)




42. 연강용 피복 아크 용접봉의 E4316에서 숫자 16의 의미를 설명한 것으로 맞는 것은?
43. 스테인리스강의 종류에서 내식성, 가공성 및 용접성이 가장 우수한 것은?
44. 맞대기 용접, 필릿용접 등의 비드표면과 오재와의 경계부에 발생되는 균열이며, 구속응력이 클 때 용접부의 가장 자리에서 발생하여 성장하는 균열은?
45. 용접금속에 용해량이 증가하면 인장강도는 증가하지만 연신율과 충격치가 저하하며 석출하여 시효경화를 일으키고 청열취성에 가장 큰 영향을 주는 원소는?
46. 용착금속의 응고 과정을 올바르게 설명한 것은?
47. Fe-C 평형 상태도에서 순철의 자기(A2)변태점 온도는?
48. 강괴(鋼塊)가 응고할 때 최초에 응고하는 부분과 나중에 응고하는 중심부에서 그 화학성분이 장소적으로 달라지는 것을 무엇이라고 하는가?
49. 금속 결정 중에 점결함(point defect)을 도입하는 방법이 아닌 것은?
50. 주철의 용접 시 예열을 통하여 얻는 효과로 틀린 것은?
51. 노치가 있는 시험편을 각 온도에서 파괴하면, 어떤 온도를 경계로 하여 시험편이 급격히 취성화 되는 것을 알 수 있는데, 이 때의 온도를 무엇이라 하는가?
52. 한국산업표준(KS)에서 연강용 피복 아크 용접봉 심선의주요 성분으로 규정하지 않은 것은?
53. 철 중에 침입형 원소로 고용할 수 없는 것은?
54. 강의 Fe-C계 평형상태도에서 나타나는 기본적인 3상(相)이 아닌 것은?
55. 피복 아크 용접봉 중 저수소계(E4316)용접봉에 함유된 수분을 제거하기 위한 방법으로 가장 적당한 것은?
56. 금속재료 중 일반적으로 탄소당량(carbon equivalent) 산출식과 관계가 없는 원소는?
57. 격자결함 중 점 결함에 속하는 것은?
58. 다음 중 면신입방격자에 속하는 금속은?
59. TIG 용접에 사용되는 보호가스가 아닌 것은?
60. 다음 중 브라베(Bravais) 격자의 종류에 속하지 않는 것은?
4과목: 용접구조설계
61. 다음 보기와 같은 용접부의 기본 기호에 대한 명칭은?
62. 초음파 검사에서 물체 내에 전달되는 초음파(종파)의 속도 C를 구하는 식은? (단, E:탄성계수, μ:포와송의 비, d: 밀도)




63. 그림과 같이 모서리 이음, T이음 등에서 강의 내부에 모재표면과 평향하게 층상으로 발생되는 균열은?
64. 용접구조물 설계 시 주의사항에 대한 설명 중 틀린 것은?
65. 측면 필릿 이음에서 필릿 용접부의 단면에서 루츠로부터 표면가지의 최단 거리를 무엇이라고 하는가?
66. 주철의 예열과 관련하여 예열의 요구정도에 대한 일반적인 주안점으로 틀린 것은?
67. 강판의 두께 20mm, 길이 3m를 V형 홈으로 맞대기용접이음을 하고자 한다. 이 용접부에 사용될 용접봉의 사용량은 약 몇 kgf 인가? (단, 용착 금속의 비중은 7.85, 용착효율은 65%, V형 홈용접부 단면적은 2.9cm2로 한다.)
68. 모재의 용융된 부분의 가장 높은 점과 용접하는 면의 표면과의 거리를 무엇이라 하는가?
69. 용접에 의한 균열의 종류 중에서 토(toe)균열에 속하는 것은?
70. 용접 경비를 줄이기 위한 방법이 아닌 것은?
71. 일반적으로 용접 후 용접변형을 교정하는 방법이 아닌 것은?
72. 그림과 같이 판 두께(t) 10mm, 용접선 유효길이(ℓ) 300mm, 용접선에 직각인 굽힘 모멘트 Mb = 30000kgfㆍmm가 작용될 때 용접부에 작용하는 굽힘 응력은 몇 kgf/mm2 인가?
73. 용접 시 아래보기 자세로 용접하기 위해 사용되는 회전대를 무엇이라고 하는가?
74. 다음 중 용접이음 효율(η)을 바르게 나타내는 것은?




75. 중판(中板)이상의 두꺼운 판의 용접을 위한 홈 설계시 고려해야할 사항으로 틀린 것은?
76. 한 부분의 몇 층을 용접하다가 이것을 다음 부분의 층으로 연속시켜 전체가 계단형태의 단계를 이루도록 용착시켜 나가는 용착법은?
77. 열적구속도시험이라고도 하며 열의 흐름을 두 방향이나 세 방향으로 하여 비드에 발생하는 균열을 검사하는 시험은?
78. 용접변형 방지법에서 냉각법에 속하지 않는 것은?
79. 각 변형의 방지대책 설명으로 적합하지 않은 것은?
80. 다음 중 일반적으로 용접성이 양호한 탄소당량(Ceq)은?
5과목: 용접일반 및 안전관리
81. 다음 중 기온과 습도의 상승작용에 의하여 느끼는 감각정도를 측정하는 척도는?
82. 잠호 용접에서 사용되는 플럭스의 특징에 대한 설명으로 틀린 것은?
83. 2차 무부하 전압 80V, 아크전압 40V, 아크전류 400A, 내부손실 4kW인 교류 아크 용접기를 사용할 경우 역률과 효율은 각각 얼마인가?
84. 용접용 로봇의 구성에서 작업 기능에 속하지 않는 것은?
85. 아크의 열적 핀치효과를 이용한 용접법은?
86. 가스 절단에서 드래그(drag)[%]를 나타내는 식으로 옳은 것은?




87. 아크에어 가우징(arc air gouging)에서 사용하는 가우징 봉은 무엇으로 만드는가?
88. 피복 아크 용접봉에서 피복제의 주된 역할 중 틀린 것은?
89. 비교적 큰 용적이 단락되지 않고 옮겨가는 현상을 말하며 용융방울(용적)의 크기가 와이어의 지름보다 클 때 잘 나타나는 용융금속의 용적이행 방식은?
90. 가스절단과 비슷한 토치를 사용해서 용접부분의 뒷면을 따내거나 U형, H형의 용접 홈을 가공하기 위하여 둥근 홈을 파는 가공법은?
91. 전격의 방지대책 중 틀린 것은?
92. 4.4mm 두께의 연강판을 가스 용접할 때, 가장 적합한 용접봉의 지름은 몇 mm 인가? (단, 계단식에 의한다.)
93. 연납에 사용하는 주석-납에 대한 설명으로 틀린 것은?
94. 전기 저항용접에 속하지 않는 것은?
95. 가스절단 시 예열불꽃이 강할 때의 영향으로 가장 거리가 먼 것은?
96. 아크 용접기가 갖추어야 할 용접전원 특성 중 틀린 것은?
97. 저항용접에서 기밀과 수밀이 요구되는 약체와 기체를 넣는 용기를 제작하는데 가장 적합한 용접은?
98. 다음 용접법 중 압접에 속하는 것은?
99. 교류 아크 용접용 전격 장지 장치의 출력측 무주하 전압은 몇 V 이하 인가?
100. 연강용 피복 아크 용접봉 증류에서 E4324로 표기된 피복제 계통은?
1. 회전수 계산
- 봉의 둘레 = π × 지름 = 3.14 × 50 = 157mm
- 이송량 0.3mm/rev 이므로, 1회전 당 이동 거리 = 157 × 0.3 = 47.1mm
- 따라서, 400mm를 가공하기 위해 필요한 회전수 = 400 ÷ 47.1 ≈ 8.5회전
2. 가공시간 계산
- 절삭속도 100m/min 이므로, 1분에 가공할 수 있는 길이 = 100 × 60 = 6000mm
- 따라서, 8.5회전을 가공하는 데 필요한 시간 = 400mm ÷ 6000mm/min ≈ 0.07분 = 4.2초
따라서, 가공시간은 약 4.2초이므로, 보기에서 정답은 "2"이다. 이는 다른 보기들보다 가공시간이 짧기 때문이다.