1과목: 전기응용
1. 방의 가로 6[m], 세로가 9[m], 광원의 높이가 3[m]인 방의 실지수는?
2. 광속 F, 양단면에 빛이 없는 등휘도 완전확산 원주광원의 원주축과 읨의 각도를 이루는 방향의 광도는?




이다.3. 비닐막 등의 접착에 주로 사용하는 가열방식은?
4. 적외선 건조에 대한 설명으로 틀린 것은?
5. 부하 전류가 증가하면 가장 급격히 속도가 감소하는 전동기는?
6. 목표치가 미리 정해진 시간적 변화를 하는 경우 제어량을 그것에 추종시키기 위한 제어는?
7. 그림과 같은 전동차선의 조가법(早架法)은 다음중 어느 것인가?
8. 반도체에 광이 조사되면 전기저항이 감소되는 현상은?
9. 2차 전지에 속하는 것은?
10. 발열체로서의 구비 조건 중 틀린 것은?
11. 궤조를 직류전차선 전류의 귀로로 사용할 때에는 폐색구간의 경계를 귀로전류가 흐르게 하여야 되는데 이와 같은 목적을 이루기 위하여 각 구간의 경계는 무엇으로 연결하여야 하는가?
12. 단상 교류식 전기철도에서 전압 불평형을 경감하기 위하여 사용되는 변압기 결선은?
13. 어떤 종이가 반사율 50[%], 흡수율 20[%]이다. 여기에 1200[lm]의 광속을 조사하였을 때 투과광속[lm]은?
14. 물체의 위치, 각도 등을 제어하는 서보기구는 주로 어떤 제어법을 쓰는가?
15. 같은 색을 내는 흑체의 온도는?
16. 가로 10[m], 세로5[m]인 실내에 광속이 500[Im]인 전등 10개를 점등하였다. 조명률 0.5, 감광보상률 1.5일 때 실내의 평균조도[㏓]는?
17. 옥내 전반조명에서 바닥면의 조도를 균일하게 하기 위한 등간격과 등높이와의 관계식은? (단, 등간격은 S, 등높이는 H이다.)
18. 전기로에 사용되는 전극재료의 구비조건이 아닌 것은?
19. 다음 중 전기저항 용접이 아닌 것은?
20. 단상 유도 전동기의 브러시의 위치를 돌려주거나 고정자 권선의 단자접속을 바꾸어 주면 회전자의 회전방향이 바뀌는 것은?
2과목: 전력공학
21. 전력 사용의 변동상태를 알아보기 위한 것으로 가장 적당한 것은?
22. 수전용 변전설비의 1차측에 설치하는 차단기의 용량은 어느 것에 의하여 정하는가?
23. 전력 원선도의 가로축과 세로축은 각각 어느 것을 나타내는가?
24. 철탑의 탑각 접지저항이 커지면 가장 크게 우려되는 문제점은?
25. 송전선로의 개폐조작시 발생하는 이상전압에 관한 상황으로 옳은 것은?
26. 조상설비라고 할 수 없는 것은?
27. 송전계통의 중성점을 접지하는 목적으로 옳지 않은 것은?
28. 정격용량 P[kVA]의 변압기에서 늦은 역률 cosθ1의 부하에 P[kVA]를 공급하고 있다. 합성역률을 cosθ2로 개선하 여 이 변압기의 전 용량까지 전력을 공급하려고 한다. 소요 콘덴서의 용량은 몇 kVA 인가?
29. 전력용 조상설비 중 무효전력 흡수를 진상과 지상 양용으로 할 수 있는 것은?
30. 가공 전선로의 전선 진동을 방지하기 위한 방법으로 옳지 않은 것은?
31. 외뢰(外雷)에 대한 주 보호장치로서 송전계통의 절연협조의 기본이 되는 것은?
32. 그림과 같은 3상 송전계통의 송전전압은 22kV이다. 지금 1점 P에서 3상 단락했을 때의 발전기에 흐르는 단락전류는 약 몇 A 인가?
33. 송전선로의 정전용량은 등가선간거리 D 가 증가하면 어떻게 되는가?
34. 3상3선식 선로에 있어서 각 선의 대지 정전용량이 Cs[F], 선간 정전용량이 Cm[F]일 때 1선의 작용 정전용량은 얼마인가?
35. 선로의 부하가 균일하게 분포되어 있을 때 배전선로의 전력손실은 이들의 전부하가 선로의 말단에 집중되어 있을때에 비하여 어느 정도가 되는가?
36. 영상변류기를 사용하는 계전기는?
37. 연가를 하는 주된 목적은?
38. 송전선에서 저항과 누설 컨덕턴스를 무시한 개략 계산에서 송전선의 특성임피던스의 값은 보통 몇 Ω 정도인가?
39. 급수의 엔탈피 130kcal/㎏, 보일러 출구 과열증기 엔탈피 830kcal/㎏, 터빈 배기 엔탈피 550kcal/㎏인 랭킨사이클 의 열사이클 효율은?
40. 수차의 특유속도에 대한 설명으로 옳은 것은?
3과목: 전기기기
41. 지름 0.2[m], 속도1800[rpm]인 전기자의 주변 속도[m/sec]는?
42. 10극, 3상 유도전동기가 있다. 회전자도 3상이고, 정지시의 2차 1상의 전압이 150[V]이다. 이 회전자를 회전자계와 반대방향으로 400[rpm] 회전시키면 2차 전압[V]은 약 얼마인가?(단, 1차 전원 주파수는 50[Hz]이다.)
43. 주파수 f, 권수 N, 최대자속 øm인 변압기의 유기 전압의 실효값은?




" 입니다. 이유는 유기 전압의 피크값과 최대값을 계산한 후, 최종적으로 실효값을 계산하면 되기 때문입니다.44. 다음에서 동기전동기의 V곡선에 대한 설명중 맞지 않는 것은?
45. 단권 변압기에서 고압측을 Vh, 저압측을 Vℓ , 2차 출력을 P,단권 변압기의 자기용량을 Pin 이라 하면 Pin/P는?




46. 단상변압기 3대로 Y-Y결선했을 때 잘못된 설명은?
47. 변압기 권선의 층간 절연시험은?
48. 직류발전기에 있어서 계자 철심에 잔류자기가 없어도 발전되는 직류기는?
49. 다음 중 교류에서 직류를 얻는 방법이 아닌 것은?
50. 3상, 6극, 슬롯수 54의 동기발전기가 있다. 어떤 전기자 코일의 두변이 제 1슬롯과 제 8슬롯에 들어있다면 단절권계수는 얼마인가?
51. 성층하는 규소강판의 표면을 절연 피막처리 하는 이유로서 알맞는 것은?
52. 직류전동기의 설명 중 옳은 것은?
53. 반파정류회로에서 직류전압 100[V]를 얻는데 필요한 변압기의 역전압 첨두치는 약 몇 [V]인가? (단, 부하는 순저항으로 하고 변압기내의 전압강하는 무시하며, 정류기내의 전압강하를 15[V]로 한다.)
54. 10[HP] 4극 60[Hz] 농형 3상 유도전동기의 전 전압 기동 토크가 전부하 토크의 1/3일때, 탭전압이 1/ 3 인 기동 보상기로 기동하면 그 기동 토크는 전부하 토크의 몇 배가 되겠는가?
55. 동기 발전기의 병렬 운전 중 A기의 부하 분담을 크게 하려면?
56. 교류정류자 전동기의 설명 중 틀린 것은?
57. 10[kW], 3상,200[V] 유도전동기의 전부하 전류[A]는? (단, 효율 및 역률 85[%])
58. 구조가 회전 계자형으로 된 발전기는?
59. 직류 분권 전동기의 공급 전압 극성을 반대로 하면 회전 방향은?
60. 다음 중 스테핑 모터의 구조 형이 아닌 것은?
4과목: 회로이론
61.
은?
62. 주기적인 구형파의 신호는 그 성분이 어떻게 되는가?
63. 그림의 사다리꼴 회로에서 출력전압 VL[V]은?
64. 전기회로의 입력을 v1 출력을 v2 라고 할때 전달함수는? (단, S=jω 이다.)




" 이다.65. 비접지 3상 Y부하에서 각 선전류를 Ia, Ib, Ic라 할 때 전류의 영상분 Io는?



66. R-L-C 직렬회로에서 L=8×10-3[H], C=2×10-7[F]이다. 임계진동이 되기 위한 R 값은?
67. 시간지연 요인을 포함한 어떤 특정계가 다음 미분방정식으로 표현된다. 이 계의 전달함수를 구하면?







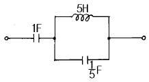
"이다.68. 그림과 같은 회로가 정저항회로가 되기 위한 R 의 값은 얼마인가?
69. 전류의 크기가 i1=30√2 sinωt[A], i2=40√2 sin(ωt+π/2)일 때 i1+i2 의 실효값은 몇[A] 인가?
70. 3상 유도전동기의 출력이 5[HP], 전압 200[V], 효율 90[%], 역률 85[%]일때, 이 전동기에 유입되는 선전류는 약 몇 [A]인가?
71. 3상 부하가 Y결선되었다. 각상의 임피던스 Za=3[Ω], Zb=3[Ω], Zc=j3[Ω]이다. 이 부하의 영상 임피던스[Ω]는?
72. 그림과 같은 2 단자망에서 구동점 임피던스를 구하면?




"이 됩니다. 이유는 R1과 R2가 직렬로 연결되어 있으므로 전압은 분배되고 전류는 같습니다. 따라서 전압과 전류의 비율은 R1 + R2가 됩니다.73. 저항 4[Ω], 주파수 50[Hz]에 대하여 4[Ω]의 유도리액턴스와 1[Ω]을 갖는 용량 리액턴스가 직렬 연결된 회로에 100[V]의 교류전압을 인가할 때의 무효전력[VAR]은?
74. R-L-C 직렬회로에서 시정수의 값이 작을수록 과도현상이 소멸되는 시간은 어떻게 되는가?
75. f(t)=t2의 라플라스 변환은?
76. 대칭 6상식의 성형결선의 전원이 있다. 상전압이 100[V]이면 선간전압[V]은?
77. 어떤 회로의 전압 및 전류가 V=10∠60° , I=5∠30° 일때 이 회로의 임피던스 Z[Ω]은?
78. 선형회로와 가장 관계가 있는 것은?
79. 일반적으로 대칭 3상 회로의 전압, 전류에 포함되는 전압전류의 고조파는 n을 임의로 정수로 하여 (3n+1)일 때의 상회전은 어떻게 되는가?
80. 반파 및 정현대칭의 왜형파의 푸리에 급수에서 옳게 표현된 것은?
5과목: 전기설비
81. 저압 또는 고압의 가공 전선로와 기설 가공 약전류 전선로가 병행할 때 유도작용에 의한 통신상의 장해가 생기지 않도록 전선과 기설 약전류 전선간의 이격거리는 몇 m이상이어야 하는가? (단, 전기철도용 급전선과 단선식 전화선로는 제외한다.)
82. 특별고압 가공전선로를 시가지에 시설하는 경우, 지지물로 사용할 수 없는 것은?
83. 직류 전차선의 시설방법이 아닌 것은?
84. 교통신호등회로의 사용전압은 몇 V 이하이어야 하는가?
85. 22.9kV 중성선 다중접지 계통에서 각 접지선을 중성선으로부터 분리하였을 경우의 매 1km 마다의 중성선과 대지간의 합성 전기저항값은 몇 Ω 이하이어야 하는가?
86. 석유류를 저장하는 장소의 저압 옥내 전기설비에 사용할 수 없는 배선 공사방법은?
87. 특별고압 계기용변성기의 2차측에 접지공사를 시행할 때 그 접지저항의 값은 몇 牆 이하로 유지하여야 하는가?
88. 가공 전선로에 사용하는 지지물의 강도 계산에 적용하는 병종풍압하중은 갑종풍압하중의 몇 % 를 기초로 하여 계산한 것인가?
89. 시가지에 시설하는 특별고압 가공전선로의 지지물이 철탑이고 전선이 수평으로 2 이상 있는 경우에 전선 상호간의 간격이 4m 미만인 때에는 특별고압 가공 전선로의 경간은 몇 m 이하이어야 하는가?
90. 변압기의 안정권선이나 유휴권선 또는 전압조정기의 내장 권선을 이상전압으로부터 보호하기 위하여 특히 필요할 경우에 그 권선에 접지공사를 할 때에는 제 몇 종 접지공사를 하여야 하는가?
91. 폭연성 분진 또는 화약류의 분말이 전기설비가 발화원이되어 폭발할 우려가 있는 곳에 시설하는 저압 옥내 전기설비의 배선공사를 할 수 있는 것은?
92. 고압 또는 특별고압 전로 중 기계기구 및 전선을 보호하기 위하여 필요한 곳에 시설하여야 하는 것은?
93. 수소냉각식 발전기 및 이에 부속하는 수소냉각장치에 관한 기술기준이 잘못 표현된 것은?
94. 특별고압 가공 전선로의 지지물에 시설하는 통신선 또는 이에 직접 접속하는 가공 통신선의 높이는 철도 또는 궤도를 횡단하는 경우에는 궤조면상 몇 m 이상으로 하여야 하는가?
95. 고압 가공전선에 경알루미늄선을 사용하는 경우 안전률은 최소 얼마 이상이 되는 이도로 시설하여야 하는가?
96. 사용전압이 161000V인 가공 전선로를 시가지내에 시설할 때 전선의 지표상의 높이는 몇 m 이상이어야 하는가?
97. 조상기의 보호장치로서 내부 고장시에 반드시 자동 차단 되도록 하는 장치를 하여야 하는 조상기 용량은 몇 kVA 이상인가?
98. 아크용접장치의 용접변압기에서 용접전극에 이르는 부분에 사용할 수 없는 전선은?
99. 저압전로에 사용하는 정격전류 50A의 배선용차단기에 100A의 전류를 통했을 경우 몇 분안에 자동적으로 동작 하여야 하는가?
100. "관등회로"의 정의에 해당되는 것은?