1과목: 디지털 전자회로
1. 반도체 다이오드의 두 가지 바이어스(Bias) 조건으로 맞는 것은?
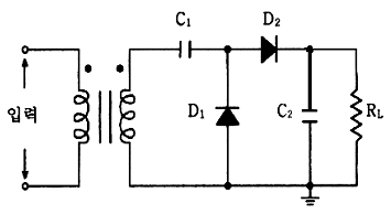
2. 다음 그림과 같은 평활회로에서 출력 맥동률을 최소화하기 위한 방법으로 틀린 것은?
3. 다음 회로에서 RL 양단에 나타나는 정류출력전압은? (단, 입력에는 최대치 Vm인 사인파가 인가된다.)
4. 다음 중 드레인 접지형 FET 증폭기에 대한 특성으로 틀린 것은? (단, FET의 파라미터 Am은 상호 전도도이다.)
5. 다음 바이어스로 회로에서 전류 궤환 회로로 변경하려 한다. 어느 부분이 추가 또는 수정되어야 하나?
6. 계단(Step)입력에 대한 연산증폭기의 출력파형이 아래 그림과 같다. 슬루율(Slew Rate)은?
7. 다음 회로의 종류는?
8. 다음 콜피츠 발진회로가 발진하는 조건은?
9. 병렬저항 이상형 RC발진회로에서 C=0.01[μF]일 때 1500[Hz]의 발진주파수를 얻기 위한 R값은 약 얼마인가?
10. 증폭기와 정궤환 회로를 이용한 발진회로에서 증폭기의 이득을 A, 궤환율을 β라고 할 때, βA<1이면 출력되는 파형은?




11. 다음 중 단측파대 변조 방식의 특징으로 틀린 것은?
12. AM 복조(검파) 회로에서 직선 검파회로의 RC(시정수)가 반송파의 주기보다 짧은 경우에 일어나는 현상은?
13. 변조도80%로 진폭 변조한 피변조파에서 반송파의 전력 Pc와 상측파대 또는 하측파대의 전력 Ps와의 비율은?
14. 정보 전송에서 800[Baud]의 변조 속도로 4상 차분 위상 변조된 데이터 신호 속도는 얼마인가?
15. 다음 회로에서 기전력 E를 가하고 S/W를 ON하였을 EO 저항 양단의 전압 VR은 t초 후 어떻게 표시되는가?




16. 다음 중 Flip-Flop 회로를 쓰지 않는 것은?
17. 다음 중 BCD 코드란?
18. 다음 회로와 등가인 회로는 어느 것인가?
19. 다음 그림은 T F/F을 이용한 비동기 10진 상향계수기이다. 계수값이 10이 되었을 때 계수기를 0으로 하기 위해서는 전체 F/F을 clear시켜야 하는데 이렇게 하기 위해 (가)에 알맞은 게이트는?
20. 멀티플렉서의 설명이 아닌 것은?
2과목: 정보통신 시스템
21. 다음 중 지능망의 구성 요소가 아닌 것은?
22. 정보통신시스템은 크게 데이터 전송계와 데이터 처리계로 분리할 수 있다. 다음 중 데이터 전송계가 아닌 것은?
23. 국내의 통신망 발전 단계로 올바른 것은?
24. 핀테크(FinTech)란 금융(Finance)과 기술(Technology)의 합성어로, 금융과 IT의 융합을 통한 금융서비스 및 산업의 변화를 통칭한다. 다음 중 핀테크의 일반적인 구성 범위가 아닌 것은?
25. PPP(Point-to-Point Protocol)에서 IP의 동적 협상이 가능하도록 하는 프로토콜은?
26. 다음 중 BSC 프로토콜에서 사용되지 않는 방식은?
27. 인터넷 프로토콜 중 TCP/IP 계층은 ISO의 OSI 모델 7 계층 중 각각 어느 계층에 대응되는가?
28. 표준화 단체인 IETF가 인터넷 표준화를 위한 작업문서를 무엇이라 하는가?
29. ISO/IEC JTC 1의 활동 중 SC21(OSI 상위계층/데이터베이스)에 활동하는 WG 설명으로 맞는 것은?
30. 디지털 통신에서 펄스 성형(Pulse shaping)을 하는 주된 이유로 옳은 것은?
31. 패킷경로를 동적으로 설정하며, 일련의 데이터를 패킷단위로 분할하여 데이터를 전달하고, 목적지 노드에서는 패킷의 재순서화와 조립과정이 필요한 방식은?
32. 다음 중 10[Gbps] 동기식 전송시스템의 신호를 표시한 것은?
33. 다음 중 근거리통신망(LAN)에서 사용되는 채널할당방식에서 요구할당 방식에 해당되는 것은?
34. VAN의 서비스 기능 중 통신처리기능(통신처리계층)으로 틀린 것은?
35. 다음 중 센서 네트워크를 이용하여 유비쿼터스 환경을 구현하는 것을 목적으로 하는 것은?
36. 다음 중 유용한 시스템이 가져야할 특성이라고 볼 수 없는 것은?
37. 효율적인 정보통신시스템 유지보수 조직 운영 및 관리 방안 중 인력구성 계획단계에 해당하지 않은 것은?
38. 다음 중 TMN(Telecommunication Management Network)에서 정의하고 있는 5가지 관리 기능에 해당하지 않는 것은?
39. 다음 문장이 설명하는 것은 무엇인가?
40. 우리나라가 독자 개발한 대칭키 암호화 기술은 무엇인가?
3과목: 정보통신 기기
41. 다음 내용에 해당하는 것은?
42. 최단 펄스시간 길이가 1000x10-6[sec]일 때, 이 펄스의 변조속도는?
43. 가입자선에 위치하고 단말기와 디지털 네트워크 사이의 인터페이스를 제공하며, 유니폴라 신호를 바이폴라 신호로 변환시키는 것은?
44. 1200[bps] 속도를 갖는 4채널을 다중화한다면, 다중화 설비 출력 속도는 적어도 얼마 이상이여야 하는가?
45. 다음 중 LAN의 구성요소로 틀린 것은?
46. 10Base-5 이더넷의 기본 규격으로 옳은 것은? (문제 오류로 가답안 발표시 3번으로 발표되었지만 확정 답안 발표시 2, 3번이 정답처리 되었습니다. 여기서는 가답안인 3번을 누르면 정답 처리 됩니다.)
47. 다음 중 회선 교환 방식의 설명으로 틀린 것은?
48. 사무실에서 인터넷 구내 망을 설치하여 음성전화 서비스를 제공하는 설비는?
49. 대용량 전자교환기에서 가장 많이 채택하고 있는 접속 제어 방식은?
50. H.261의 화상통신에 대한 지원 포맷으로 맞는 것은?
51. 다음 중 영상회의 시스템의 구성요소로 틀린 것은?
52. 다음 중 IPTV 서비스를 위한 네트워크 엔지니어링과 품질 최적화를 위한 기능으로 맞지 않는 것은?
53. FM 수신기 리미터의 역할로 가장 타당한 것은?
54. 인공위성이나 우주 비행체는 매우 빠른 속도로 운동하고 있으므로 전파발진원의 이동에 따라서 수신주파수가 변하는 현상은?
55. 다음 중 WCDMA 방식에 대한 설명으로 옳은 것은?
56. 다음 중 이동통신에서 사용하는 셀 종류 중 가장 작은 것은?
57. 멀티디미어 데이터 압축기법 중 손실 압축 기법으로 틀린 것은?
58. 멀티미디어 서비스 활성화를 위한 CPND의 의미로 틀린 것은?
59. 다음 중 멀티미디어 압축 기술로 틀린 것은?
60. 다음 중 멀티미디어기기의 압축에 사용되는 방식이 아닌 것은?
4과목: 정보전송 공학
61. 다음 설명 중 틀린 것은?
62. 양자화 잡음비(S/NQ)의 개선 방법으로 틀린 것은?
63. 10[GHz]의 직접확산 시스템이 20[kbaud]의 데이터 전송에 사용된다. 20[Mbps]의 확산부호를 BPSK 변조시킬 때 이 시스템의 처리이득은 얼마인가?
64. TDM을 사용하여 5개의 채널을 다중화 하려고 한다. 각 채널이 100[byte/s]의 속도로 전송하고 각 채널마다 2[byte]씩 다중화 하는 경우 초당 전송해야 하는 프레임수와 비트 전송률[bps]은 각각 얼마인가?
65. 트위스트 페어 케이블의 누설 콘덕턴스(G)는? (단, δ는 유전체의 손실각이다.)

66. 스넬의 법칙(Snell's law)이란 광선 또는 전파가 서로 다른 매질의 경계면에 입사하여 통과할 때 입사각과 굴절각과의 관계를 표현한 법칙이다. 다음 그림과 같이 굴절률이 n1과 n2로 서로 다른 두 매질이 맞닿아 있을 때 매질을 통과하는 빛의 경로는 매질마다 광속이 다르므로 휘게 되는데, 그 휜 정도를 빛의 입사 평면상에서 각도로 표시하면 θ1과 θ2가 된다. 이때 스넬의 법칙으로 n1, n2, θ1, θ2의 상관관계를 올바르게 정의한 것은?
67. 다음 중 전송로 상의 구조 분산(도파로 분산)에 대한 설명으로 틀린 것은?
68. 제한대역매체를 통해 기본파와 제3고조파를 포함하는 디지털 신호를 전송하는데 필요한 대역폭은 얼마인가? (단, n[bps]로 디지털 신호를 보내고자 한다.
69. 다음 중 밀리미터파의 특징으로 틀린 것은?
70. 다음 중 비동기 전송방식의 특징이 아닌 것은?
71. 다음 중 혼합형 동기방식의 특징으로 틀린 것은?
72. 다음 데이터 통신방식 중 반이중 방식의 설명으로 틀린 것은?
73. 다음 중 HDLC 전송 프로토콜의 국 사이에서 교환되는 데이터 전송 단위는?
74. 다음 중 IP의 특성이 아닌 것은?
75. 다음 중 CIDR(Classless Inter-Domain Routing)에 대한 설명으로 틀린 것은?
76. 다음 중 UDP에 대한 설명으로 옳지 않은 것은?
77. 다음 중 동적 라우팅(Dynamic Routing)에 사용되는 프로토콜은?
78. OSI 7계층 중 2계층인 데이터링크 계층(Data link Layer)의 기능이 아닌 것은?
79. 전송제어 프로토콜 중 HDLC 프로토콜의 프레임구조에서 어드레스(Address)부의 모든 비트가 1인 경우를 무엇이라 하는가?
80. 다음 중 FEC(Forward Error Correction)의 특징이 아닌 것은?
5과목: 전자계산기일반 및 정보통신설비기준
81. 다음 중 DMA(Direct Memory Access)에 대한 설명으로 틀린 것은?
82. 다음 중 선택된 트랙에서 데이터를 Read 또는 Write하는데 걸리는 시간은?
83. 특수한 연필이나 수성펜 등으로 사람이 지정된 위치에 직접 표시한 것을 광학적으로 읽어내는 장치는?
84. 2진수 0011에서 2의 보수(2‘s Complement)는?
85. 자료의 병렬전송을 직렬전송으로 변경하는 레지스터는?
86. ASCII 코드의 존(Zone)비트와 디지트(Digit) 비트의 구성으로 올바른 것은?
87. 다음 중 운영체제의 기능으로 틀린 것은?
88. 다음 중 프로그램 언어에 대한 설명으로 틀린 것은?
89. 다음의 내용은 마이크로프로세서의 동작을 나타낸 것이다. 동작순서를 바르게 표기한 것은?
90. 클럭의 주파수가 1[GHz]이고, 명령어 200개를 실행시키고자 한다. 이때 클럭 주기는 얼마인가?
91. 정보통신의 표준화에 관한 업무를 효율적으로 추진하기 위하여 과학기술정보통신부장관의 인가를 받아 설립된 기관은?
92. 다음 중 전력선통신을 행하기 위한 방송통신설비가 갖추어야 할 기능으로 옳은 것은?
93. 다음 중 보호기와 금속으로 된 주배선반·지지물·단자함 등이 사람 또는 방송통신설비에 피해를 줄 우려가 있을 때에 하는 시설은?
94. 다음 중 인터넷접속역무 제공사업자가 이용사업자에게 공개해야 하는 인터넷접속조건에 해당하지 않는 것은?
95. 방송통신설비가 이에 접속되는 다른 방송통신설비의 위해 등을 방지하기 위한 대책으로 적합하지 않은 것은?
96. 발주자는 누구에게 공사의 감리를 발주하여야 하는가?
97. 다음 중 전기통신사업법에서 정하는 “기간통신역무”에 대한 사항으로 옳지 않은 것은?
98. 다음 중 별정통신사업의 등록요건이 아닌 것은?
99. 다음 중 가장 무거운 벌칙을 처벌받는 대상은?
100. 다음 중 용어의 정의가 맞지 않는 것은?
반도체 다이오드는 양방향으로 전류가 흐를 수 있지만, 일반적으로는 한 방향으로만 전류가 흐르도록 사용됩니다. 이때 다이오드에 전압을 인가하여 전류를 흐르게 하는 것을 바이어스(Bias)라고 합니다.
순방향 바이어스는 다이오드의 양끝에 양극성 전압을 인가하여 전류가 흐르도록 하는 것을 말하며, 역방향 바이어스는 다이오드의 양끝에 음극성 전압을 인가하여 전류가 흐르지 않도록 하는 것을 말합니다.
따라서, "순방향과 역방향"이 정답이 되는 것입니다.