1과목: 임의구분
1. 분상 기동형 단상 유도 전동기의 회전 방향을 바꾸려면?
2. 역률 개선용 콘덴서에서 고조파 영향을 억제하기 위하여 사용하는 것은?
3. 전류계 및 전압계를 확도에 따라 분류할 때 일반 배전반용으로 사용되는 지시계기의 계급은?
4. 그림과 같은 회로에서 10[Ω]에 흐르는 전류는?
5. 과전류차단기로 저압전로에 사용하는 100[A] 초과 200[A] 이하의 퓨즈는 수평으로 붙여서 2배의 전류를 통하는 경우에 몇 분 안에 용단되어야 하는가?
6. 비수치적 연산 중에서 필요 없는 일부의 bit혹은 문자를 지워버리고 나머지 bit나 문자들만을 가지고 처리하기 위하여 사용되는 연산자는?
7. 금속관 배선에서 금속관의 굵기를 선정하는 경우 굵기가 다른 절연전선을 동일 관내에 넣는 경우 피복 절연물을 포함한 단면적의 총합계가 관내 단면적의 얼마 이하가 되도록 하여야 하는가?
8. 특고압 가공전선로의 지지물로 사용하는 철탑의 종류에 대한 설명으로 잘못된 것은?
9. 인버터(inverter)의 전력변환 관계에 대한 설명으로 옳은 것은?
10. 그림 기호와 같은 반도체 소자의 명칭은?
11. 피뢰기를 시설하지 않아도 되는 것은?
12. 건축물의 종류가 주택, 기숙사, 여관, 호텔, 병원, 창고인 경우의 옥내배선 설계에 있어서 간선의 굵기를 선정할 때 전등 및 소형전기기계기구이 용량합계가 10KVA를 초과하는 것은 그 초과량에 대하여 수용률을 몇[%]로 적용할 수 있는가?
13. 22900/220[V]의 15[kVA] 변압기로 공급되는 저압 가공 전선로의 절연부분의 전선에서 대지로 누설하는 전류의 최고 한도는?
14. 3상 동기발전기의 단락비를 산출하는데 필요한 시험은?
15. 소맥분·전분·유황 등 가연성 분진에 전기설비가 발화원이 되어 폭발할 우려가 있는 곳에 시설하는 저압 옥내배선의 공사방법으로 옳지 않은 것은?
16. 정격전압에서 소비전력이 600[W]인 저항에 정격전압의 90[%]의 전압을 가할 때 소비되는 전력은?
17. 60[㎐]의 전원에 접속된 4극, 3상 유도전동기의 슬립이 0.05일 때의 회전속도는?
18. 송전단 전압 66[kV], 수전단 전압 61[kV]인 송전 선로에서 수전단의 부하를 끊은 경우의 수전단 전압이 63[kV]이면 전압변동률은?
19. 그림과 같은 회로에서 소비되는 전력은?
20. 권상 하중 25[t]인 기중기의 권상용 전동기의 출력이 25[kW]인 경우 권상 속도는? (단, 권상 장치의 효율은 0.7이다.)
2과목: 임의구분
21. 저압 인입선의 시설에서 인입용 비닐절연전선을 사용하는 경우 지름은 몇[mm]이상 이어야 하는가? (단, 경간은 15[m]를 넘는 경우임)
22. 직류전동기의 제동법이 아닌 것은?
23. 지중에 매설되어 있고 대지와의 전기저항 값이 최대 몇[Ω]이하의 값을 유지하고 있는 금속제 수도관로는 이를 각종 접지공사의 접지극으로 사용할 수 있는가?
24. 후강 전선관이란 관의 두께가 두꺼운 전선관을 말한다. 후강 전선관의 규격 중 관의 호칭으로 잘못된 것은?
25. 진상용 고압 콘덴서에 방전 코일이 필요한 이유는?
26. 전로의 절연저항 및 절연내력 측정에 있어 사용전압이 저압인 전로에서 정전이 어려운 경우 등 절연저항 측정이 곤란한 경우에는 누설전류를 몇[mA]이하로 유지하여야 하는가?
27. 피뢰기의 제한전압이 750[kV]이고, 변압기의 절연강도가 1050[kV]라고 하면 보호 여유도는?
28. 60[㎐]로 설계된 유도기를 동일전압에서 50[㎐]로 사용할 때 낮아지거나 감소되는 것을 나열한 것으로 옳은 것은?
29. 다음은 7세그먼트에 의한 표시 회로를 나타내고 있다. (A), (B)의 표시는?
30. 조명방식 중 원하는 곳에서 원하는 방향으로 조도를 줄 수 있으며, 불필요한 장소는 소등할 수 있어 필요한 만큼의 조도를 가장 경제적으로 얻을 수 있는 특징을 갖는 조명 방식은?
31. 전기설비가 고장이 나지 않은 상태에서 대지 또는 회로의 노출 도전성 부분에 흐르는 전류는?
32. PC(Program counter)의 기능에 대한 설명으로 올바른 것은?
33. 전원공급 점에서 각각 30[m]의 지점에 60[A], 40[m]의 지점에 50[A], 50[m]의 지점에 30[A]의 부하가 걸려있는 경우 부하중심까지의 거리는?
34. 변압기의 철손이 [kW], 전부하 동손이 Pc[kW]일때 정격출력의 1/2인 부하를 걸었다면 전손실은?



35. 그림과 같은 논리회로의 간략화 된 논리함수는?
36. 101101에 대한 2의 보수(補數)는?
37. 가로 9[m], 세로 6[m], 방바닥에서 천장까지의 높이가 3.85[m]인 방에서 조명기구를 천장에 직접 부착하고자 한다. 이방의 실지수는? (단, 작업면은 방바닥에서 0.85[m]이다.)
38. 직류기에서 보극을 설치하는 목적이 아닌 것은?
39. %오차가 2[%]인 전압계로 측정한 전압이 153[V]라면 그 참값은?
40. 특별 제3종 접지공사의 접지선으로 연동선을 사용할때 접지선의 굵기(공칭단면적)는 몇 [mm2]이상 이어야 하는가?
3과목: 임의구분
41. 전선 약호 중NRI(70)의 품명은?
42. 변류기 개방시 2차측을 단락하는 이유로 가장 옳은 것은?
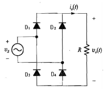
43. 인터럽트에 관한 설명으로 틀린 것은?
44. 컴퓨터 제어 장치의 기본 사이클에 속하지 않는 것은?
45. 입력 전원 전압이 vs=Vmsinθ인 경우, 아래 그림의 전파 다이오드 정류기의 출력전압(v0(t))에 대한 평균치와 실효치를 각각 옳게 나타낸 것은?




46. 반가산기의 동작을 옳게 나타낸 것은?
47. 2종 가요전선관을 구부리는 경우 노출장소 또는 점검 가능한 은폐장소에서 관을 시설하고 제거하는 것이 부자유하거나 또는 점검이 불가능할 경우는 곡률 반지름을 2종 가요전선관 안지름의 몇 배 이상으로 하여야 하는가?
48. 서지보호장치(SPD) 중 서지가 인가되지 않은 경우는 높은 임피던스 상태에 있으며, 전압서지에 응답한 경우는 임피던스가 연속적으로 낮아지는 기능을 갖는 것은?
49. 20[KVA], 3300/210[V] 변압기의 1차 환산 등가 임피던스가 6.2+j7[Ω]일 때 백분율 리액턴스강하는?
50. 지중전선로 및 지중함의 시설 방식으로 잘못된 것은?
51. 동기전동기를 무부하로 하였을 때, 계자전류를 조정하면 동기기는 마치 L, C 소자로 작동하고, 계자전류를 어떤일정 값 이하의 범위에서 가감하면 가변 리액턴스가 되고 어떤 일정값 이상에서 가감하면 가변 커패시턴스로 작동한 이와 같은 목적으로 사용되는 것은?
52. SCR의 전압 공급 방법(Turn-On)으로 가장 옳은 것은?
53. 그림과 같은 접점회로를 논리 게이트로 표현하면?




54. 동기기의 안정도를 증진시키기 위한 방법으로 잘못된 것은?
55. 다음 중 브레인스토밍(Brainstorming)과 가장 관계가 깊은 것은?
56. 작업개선을 위한 공정분석에 포함되지 않는 것은?
57. 관리도에서 점이 관리한계 내에 있으나 중심선 한쪽에 연속해서 나타나는 점의 배열현상을 무엇이라 하는가?
58. 로트의 크기가 시료의 크기에 비해 10배 이상 클 때, 시료의 크기와 합격판정개수를 일정하게 하고 로트의 크기를 증가시키면 검사특성곡선의 모양 변화에 대한 설명으로 가장 적절한 것은?
59. 로트의크기 30, 부적합품률이 10[%]인 로트에서 시료의 크기를 5로 하여 랜덤 샘플링할 때, 시료 중 부적합품수가 1개 이상일 확률은 약 얼마인가? (단, 초기하분포를 이용하여 계산한다.)
60. 과거의 자료를 수리적으로 분석하여 일정한 경향을 도출한 후 가까운 장래의 매출액, 생산량 등을 예측하는 방법을 무엇이라 하는가?