1과목: 임의구분
1. 내부저항이 15kΩ이고 최대 눈금이 150V인 전압계와 내부저항이 10kΩ이고 최대 눈금이 150V인 전압계가 있다. 두 전압계를 직렬 접속하여 측정하면 최대 몇 V 까지 측정할 수 있는가?
2. 논리식
를 간소화 하면?




3. 공기 중에서 일정한 거리를 두고 있는 두 점전하 사이에 작용하는 힘이 20N이었는데, 두 전하 사이에 비유전율이 4인 유리를 채웠다. 이 때 작용하는 힘은 어떻게 되는 가?
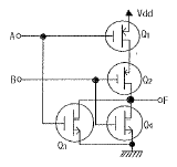
4. 그림과 같은 기본회로의 논리동작은?
5. 그림과 같은 혼합브리지 회로의 부하로 R=8.4Ω의 저항이 직렬로 접속되었다. 평활 리액턴스 L을 ∞로 가정할 때 직류 출력전압의 평균값 Vd는 약 몇 V인가? (단, 전원전압의 실효값 V=100V, 점호각 α=30°로 한다.)
6. 22.9kV 배전선로에서 Al 전선을 접속할 때 장력이 가해지는 직선개소에서의 접속방법으로 옳은 것은?
7. 10kVA, 2000/100V 변압기에서 1차로 환산한 등가 임피던스가 6.2+j7Ω 이다. 이 변압기의 % 리액턴스 강하는?
8. 전부하에서 2차 전압이 120V이고 전압 변동률이 2%인 단상변압기가 있다. 1차 전압은 몇 V인가? (단, 1차 권선과 2차 권선의 권수비는 20:1 이다.)
9. 동기 발전기의 무부하 포화곡선에서 횡축은 무엇을 나타내는가?
10. R=8Ω, XL=10Ω, XC=20Ω이 병렬로 접속된 회로에 240V의 교류전압을 가하면 전원에 흐르는 전류는 약 몇 A인가?
11. 다음 중 계통에 연결되어 운전 중인 변류기를 점검할 때 2차 측을 단락하는 이유는?
12. J-K FF에서 현재상태의 출력 Qn을 0으로 하고, J입력에 0, K입력에 1, 클럭펄스 C.P에
(rising edge)의 신호를 가하게 되면 다음 상태의 출력 Qn+1은?

13. Memory cell이 flip-flop으로 되어 있는 것은?
14. 단상 배전선로에서 그 인출구 전압은 6600V로 일정하고 한 선의 저항은 15Ω, 한 선의 리액턴스는 12Ω이며, 주상변압기 1차측 환산 저항은 20Ω, 리액턴스는 35Ω이다. 만약 주상변압기 2차측에서 단락이 생기면 이 때의 전류는약 몇 A인가? (단, 주상변압기의 전압비는 6600/220V이다.)
15. 직접 콘크리트에 매입하여 시설하거나 전용의 불연성또는 난연성 덕트에 넣어야 만 시공할 수 는 전선관은?
16. 저항 20Ω인 전열기로 21.6kcal의 열량을 발생시키려면 5A의 전류를 약 몇 분간 흘려주면 되는가?
17. 어떤 전지의 외부회로에 5Ω의 저항을 접속하였더니 8A의 전류가 흘렀다. 외부회로에 5Ω대신에 15Ω의 저항을 접속하면 전류는 4A로 떨어진다. 전지의 기전력은 몇 V인가?
18. 다음 논리회로의 논리식으로 옳은 것은?




19. 저압옥내 배선의 라이팅덕트 시설방법으로 틀린 것은?
20. 전류원 인버터(CSI:Current Source Inverter)와 비교할때 전압원 인버터(VSI:Voltage Source Inverter)의 장점이 아닌 것은?
2과목: 임의구분
21. 계자 철심에 잔류자기가 없어도 발전할 수 있는 직류기는?
22. 다음과 같은 회로의 기능은?
23. 실리콘정류기의 동작 시 최고 허용온도를 제한하는 가장 주된 이유는?
24. 회로를 여러개 병렬로 접속하면 그 연결 개수만큼 2진수를 기억할 수 있다. 일반적으로 이와 같은 플립플롭 일정 개수를 모아서 연산이나 누계에 사용하는 플립플롭의 특수한 모임은 무엇인가?
25. UPS의 기능으로서 가장 옳은 것은?
26. 공사원가는 공사시공 과정에서 발생한 항목의 합계약을 말하는데 여기에 포함되지 않는 것은?
27. 그림과 같이 3상 유도 전동기를 접속하고 3상 대칭 전압을 공급할 때 각 계기의 지시가 W1=2.6kW, W2=6.4kW, V=200V, A=32.19A이었다면 부하의 역률은?
28. 4극 직류발전기가 전기자 도체수 600, 매극당 유효자속 0.035Wb, 회전수가 1800rpm일 때 유기되는 기전력은 몇 V인가? (단, 권선은 단중 중권이다.)(오류 신고가 접수된 문제입니다. 반드시 정답과 해설을 확인하시기 바랍니다.)
29. 10진수 77을 2진수로 표시한 것은?
30. 다음 논리함수를 간략화 하면 어떻게 되는가?



31. 어떤 변압기를 운전하던 중에 단락이 되었을 때 그 단락전류가 정격전류의 25배가 되었다면 이 변압기의 임피던스 강하는 몇 %인가?
32. 다음 중 스택이 사용되는 경우는 언제인가?
33. 유니온 커플링의 사용 목적은?
34. SSS의 트리거에 대한 설명 중 옳은 것은?
35. 그림과 같은 회로의 합성정전용량은?
36. 기전력 1V, 내부저항 0.08Ω인 전지로, 2Ω의 저항에 10A의 전류를 흘리려고 한다. 전지 몇개를 렬접속 시켜야 하는가?
37. 변압기의 전부하 동손이 240W, 철손이 160W 일 때, 이 변압기를 최고 효율로 운전하는 출력은 격출력의 몇 %가 되는가?
38. 그림과 같은 연산 증폭기에서 입력에 구형파전압을 가했을 때 출력 파형은?
39. 전산기에서 음수를 처리하는 방법은?
40. 금속 전선관을 쇠톱이나 커터로 절단한 다음, 관의 단면을 다듬을 때 사용하는 공구는?
3과목: 임의구분
41. 평형 도선에 같은 크기의 왕복 전류가 흐를 때 두 도선 사이에 작용하는 힘과 관계되는 것으로 옳은 것은?
42. 2중 농형 전동기가 보통농형 전동기에 비해서 다른 점은?
43. 동기조상기에 대한 설명으로 옳은 것은?
44. 동기발전기에 회전 계자형을 사용하는 경우가 많다. 그 이유로 적합하지 않은 것은?
45. 동기전동기의 기동을 다른 전동기로 할 경우에 대한 설명으로 옳은 것은?
46. 변압기의 누설리액턴스를 줄이는 가장 효과적인 방법은?
47. 단상유도전동기에서 주권선과 보조권선을 전기각 2π(rad)로 배치하고 보조권선의 권수를 주권선의 1/2로 하여 인덕턴스를 적게 하여 기동하는 방식은?
48. 다음 중 상자성체는 어느 것인가?
49. 가공전선로의 지지물에 하중이 가해지는 경우에 그 하중을 받는 지지물의 기초 안전율은 2이상이어야 한다. 다음과 같은 경우 예외로 하고 있다. ( ) 안의 내용으로 알맞은 것은?
50. 수관을 통하여 공급되는 온천수의 온도를 올려서 수관을 통하여 욕탕에 공급하는 전극식 온수기(승온기) 차폐장치의 전극에는 제 몇 종 접지공사를 하여야 하는가?(관련 규정 개정전 문제로 여기서는 기존 정답인 1번을 누르면 정답 처리됩니다. 자세한 내용은 해설을 참고하세요.)
51. 동심구의 양도체 사이에 절연내력이 30kV/mm이고, 비유전율이 5인 절연액체를 넣으면 공기인 경우의 몇 배의 전기량이 축적되는가?
52. 22.9kV 가공 전선로에서 3상 4선식 선로의 직선주에 사용되는 크로스 완금의 표준길이는?
53. 전원과 부하가 다같이 Δ결선된 3상 평형회로가 있다. 전원 전압이 200V, 부하 임피던스가 6+j8Ω인 경우 선전류는 몇 A인가?
54. 권선형 유도전동기의 기동 시 회전자회로에 고정저항과 가포화리액터를 병렬접속 삽입하여 기동초기 슬립이 클때 저전류 고토크로 기동하고 점차 속도상승으로 슬립이 작아져 양호한 기동이 되는 기동법은?
55. 도수분포표에서 알 수 있는 정보로 가장 거리가 먼 것은?
56. 자전거를 셀 방식으로 생산하는 공장에서, 자전거 1대당 소요공수가 14.5H 이며, 1일 8H, 월 25일 작업을 한다면 작업자 1명 당 월 생산 가능 대수는 몇 대인가? (단, 작업자의 생산종합효율은 80% 이다.)
57. 미리 정해진 일정단위 중에 포함된 부적합수에 의거하여 공정을 관리할 때 사용되는 관리도는?
58. TPM 활동 체제 구축을 위한 5가지 기둥과 가장 거리가 먼 것은?
59. ASME(American Society of Mechanical Engineers)에서 정의하고 있는 제품공정 분석표에 사용되는 기호 중“저장(Storage)"을 표현한 것은?
60. 로트에서 랜덤하게 시료를 추출하여 검사한 후 그 결과에 따라 로트의 합격, 불합격을 판정하는 검사방법을 무엇이라 하는가?