1과목: 소방원론
1. 다음 중 연소의 3요소를 옳게 나열한 것은?
2. 다음 물질 중 연소 범위가 가장 넓은 것은?
3. 다음 중 바닥부분의 내화구조 기준으로 틀린 것은?
4. 소화(消火)를 하기 위한 방법으로 틀린 것은?
5. 증기비중을 구하는 식은 다음과 같다. 분모의 ( )속에 가장 알맞은 값은?
6. 제4류 위험물의 제조소에서 게시판에 주의사항을 표시하려고 할 때 가장 적당한 것은?
7. 건축물의 내부에 설치하는 피난계단의 구조는 내화구조로 하고, 어디까지 직접 연결되도록 하는가?
8. 다음 중 인화점이 가장 낮은 물질은?
9. 다음 물질 중 금수성 물질에 해당하는 것은?
10. 내화구조 기준에서 외벽 중 비내력벽의 경우에는 철근 콘크리트조의 두게가 몇 cm 이상인 것인가?
11. 물의 증발잠열은 몇 kcal/kg 인가?
12. 다음 화재종류 중 A급 화재에 속하지 않는 것은?
13. 다음 중 제4류 위험물의 특수인화물에 해당되는 것은?
14. 물의 증발잠열을 이용한 주요 소화작용에 해당하는 것은?
15. 다음 물질의 연소 중 자기연소에 해당하는 것은?
16. 점화원이 없이 가연물에 가열된 열에 의하여 스스로 연소가 시작되는 최저온도를 무엇이라 하는가?
17. 자연발화를 방지하는 일반적인 방법으로 옳지 않은 것은?
18. 코크스 또는 금속분의 연소를 무슨 연소라고 하는가?
19. 산소의 공급이 원활하지 못한 화재실에 급격히 산소가 공급이 될 경우 순간적으로 연소하여 화재가 폭풍을 동반하여 실외로 분출하는 현상은?
20. 다음 피난대책의 조건 중 틀린 것은?
2과목: 소방유체역학
21. 분말 소화 액제 중 A, B, C급 화재에 모두 유효한 소화약제의 주성분은?
22. 수평면과 45° 경사를 갖는 지름 30mm 인 원관으로부터 상방향으로 유출하는 물 제트의 유출속도가 9.8m/s 일 때 물 제트의 최고 상승 높이는 몇 m 인가?
23. 할론 1301 소화가, CO2 소화기의 소화약제는 소화기 내부에 어떤 상태로 보존되고 있는가?
24. 지름 300mm인 원형관 속을 6kg/s의 질랸유량으로 공기가 흐르고 있다. 관속 공기의 압력이 250 kPa, 온도가 20℃일 때 관속을 흐르는 공기의 평균속도는 몇 m/s 인가? (단, 공기의 기체상수는 0.287 kJ/kgㆍK이다.)
25. 동점성계수외 차원을 기본차원인 질량(M), 길이(L), 시간(T)으로 표시하면?
26. 할론 2402의 분자식은 어느 것인가?
27. 직접적인 유량 측정장치로 볼 수 없는 것은?
28. 펌프에서 공동 현상이 발생할 때 나타나는 현상이 아닌 것은?
29. 레이놀즈수의 물리적 의미로 가장 적합한 것은?
30. 압력이 100kPa이고 온도가 27℃ 일 때 5m×10m×5m인 실내에 있는 공기의 질량은 몇 kg인가? (단, 공기는 이상기체라 가정하고, 기체상수는 287J/kgㆍK이다.)
31. 다음 중 열역학 제1법칙은?
32. 소화배관의 길이가 1500m, 배관의 구경(내경) 200mm인 관을 통하여 2m/s의 평균속도로 소화수가 흐르고 있다면 손실수두는 몇 m가 되겠는가? (단, 마찰계수는 0.03 이다.)
33. 원관 내 흐름에 대한 설명 중 틀린 것은?
이다.34. 공기가 게이지 압력 2.06×105Pa의 상태로 지름이 0.15m인 관속을 흐르고 있다. 이 때 대기압은 1.03×105Pa이고 공기 유속이 4m/s라면 질량유량(mass flow rate)은 약 몇 kg/s 인가? (단, 공기의 온도는 37℃이고, 기체상수는 287J/kgㆍK이다.)
35. 할로겐 화합물 소화약제가 아닌 것은?
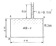
36. 다음 그림과 같은 탱크에 물이 들어 있다. A-B면(5m×3m)에 작용하는 힘은?
37. 피토관의 두 구멍 사이에 차압계를 연결하였다. 이 피토관을 풍동실험에 사용했는데 △P가 700Pa이었다. 풍동에서의 공기 속도는 몇 m/s인가? (단, 풍동에서의 압력과 온도는 각각 98 kPa과 20℃이고 공기의 기체상수는 287 J/kgㆍK이다.)
38. 이상기체에 대한 다음의 설명 중 틀린 것은?
39. 무차원 유동함수(stream function) ψ가 직각좌표계(x, y)상에서 ψ=y-x2로 표현되는 정상 상태의 2차원 유동장이 있다. 유동장 내의 한 점(x=1, y=5)에서 유속의 크기는? (단, 여기서 모든 양은 무차원으로 되어 있다.)
40. 면적이 12m2, 두께가 10mm인 유리의 열전도율이 0.8W/m℃이다. 어느 차가운 날 유리의 바깥쪽 표면온도는 -1℃ 이며 안쪽 표면온도는 3℃이다. 이 경우 유리를 통한 열전달량은 몇 W 인가?
3과목: 소방관계법규
41. 제4류 위험물로서 제1석유류인 수용성 액체의 지정수량은 몇 리터인가?
42. 다음 중 소방신호의 종류별 소방신호의 방법에 해당하지 않는 것은?
43. 소방기본법상 화재, 재난ㆍ재해 그 밖의 위급한 상황에서 발생한 응급환자를 응급처치 하거나 의료기관에 이송하기 위한 구급대의 운영, 편성권자가 아닌 것은?
44. 다음 중 소방활동 등에 관한 사항으로 옳지 않은 것은?
45. 일반공사감리 대상의 경우 감리현장 연면적의 종합계가 10만m2 이하일 때 1인의 책임감리원이 담당하는 소방공사 감리현장은 몇 개 이하인가?
46. 소방용수시설로 급수탑을 설치하고자 할 때 개폐밸브의 설치 높이는?
47. 다음 중 시ㆍ도지사가 방염업자의 등록을 취소하거나 6월 이내의 기간을 정하여 이의 시정이나 영업정지를 명할 수 있는 것이 아닌 것은?
48. 관계인이 예방규정을 정하여야 하는 제조소 등의 기준으로 올바른 것은?
49. 소방시설 설치유지 및 안전관리에 관한 법률상 특정소방대상물의 관계인이 피난시설 및 방화시설을 폐쇄한 경우 이의 필요한 조치를 명할 수 있는 자는?
50. 소방대상물의 관계인에 대한 설명으로 적절하지 아니한 것은?
51. 소방본부장 또는 소방서장은 소방업무를 보조하게 하기 위하여 의용소방대를 둔다. 다음 중 해당하지 않는 지역은?
52. 특정소방대상물로서 숙박시설에 해당되지 않는 것은?
53. 다음 중 국고보조 대상 소방활동장비의 종류로 거리가 먼 것은?
54. 소방시설관리업의 등록기준에 미달하게 된 때 1차 행정 처분기준은?
55. 위험물을 취급하는 제조소에서 피뢰침의 설치는 지정수량의 몇 배 이상의 위험물을 취급하는 경우인가?
56. 소방검사를 관계인의 승낙 없이 해가 뜨기 전이나 해가 진 뒤에도 할 수 있는 경우로 가장 알맞은 것은?
57. 화재경계지구의 지정대상지역으로 옳지 않은 것은?
58. 방화관리대상물의 관계인의 방화관리자를 선임한 때에는 선임한 날부터 며칠 이내에 관한 소방본부장 또는 소방서장에게 신고하여야 하는가?
59. 소방기본법의 목적과 가장 거리가 먼 것은?
60. 다음 소방시설 붕 피난설비에 속하는 것으로 알맞은 것은?
4과목: 소방기계시설의 구조 및 원리
61. 스프링클러설비의 화재안전기준상 스프링클러 설비의 배관중 교차배관에서 분기되는 지점을 기점으로 한쪽 가지배관에 설치되는 헤드의 개수는?
62. 지하층을 제외한 11층 이상의 소방대상물로서 폐쇄형 스프링클러 헤드의 설치개수가 30개일 때 수원의 수량 중 맞는 것은?
63. 연결송수관설비의 방수기구함은 방수구가 가장 많이 설치된 층을 기준하여 몇개 층마다 설치하여야 하는가?
64. 완강기에 사용하는 롶의 구조 및 성능으로 적합하지 않은 것은?
65. 축압식 저장용기의 압력은 온도 20℃에서 할론 1301을 저장할 경우 몇 MPa이 되도록 질소가스로 축압하는가?
66. 연결살수설비의 화재안전기준상 개방형헤드를 사용하는 연결살수설비에 있어서 하나의 송수구역에 설치하는 살수헤드의 수는 몇 대 이하이어야 하는가?
67. 포소화설비의 화재안전기준상 포헤드를 정방형으로 배치한 경우에 포헤드 상호간 거리 산정식은? (단, r은 유효반경이다.)
68. 특별피난계단의 계단실 및 부속실 제연설비의 화재안전기준상 계단실의 높이가 31m 이하로서 계단실만을 제연하는 경우에는 하나의 계단실에 몇 개의 급기구를 설치하여야 하는가?
69. 이산화탄소소화설비의 화재안전기주낭 이산화탄소 소화약제의 고압식 저장용기의 내압시험 압력으로서 맞는 것은?
70. 물분무소화설비 수원의 저수량 기준에 부적합한 것은?
71. 분말소화설비의 화재안전기준 상 분말소화약제의 가압용가스 용기를 3병 이상 설치한 경우에 있어서는 2개 이상의 용기에 부착하여야 하는 밸브는?
72. 제연설비에 사용하는 배출풍도의 크기(풍도 단면의 긴변 또는 직경의 크기)가 1500mm 초과 2250mm 이하 일 경우 강판의 두께는 몇 mm 이상으로 하여야 하는가?
73. 옥내 소화전 설비의 가압 송수장치에 대한 내용 중 잘못된 것은?
74. 지하에 설치하는 소화용수 설비의 소요수량이 40m3이상 100m3미만일 경우에 채수구는 몇 개를 설치하여야 하는가?
75. 수동식소화기는 각 층마다 설치하되 소방대상물의 각 부분으로부터 1개의 수동식소화기까지의 거리로 맞는 것은?
76. 옥내소화전설비에서 옥내소화전 방수구는 바닥으로부터 높이가 몇 m 이하가 되도록 설치해야 하는가?
77. 공장 건축물을 방호하기 위하여 폐쇄형 스프링클러 헤드를 설치 하였다. 헤드 설치장소의 평상시 최고 주위 온도가 110℃이고, 층고가 3.8m 일 대 이곳에 설치할 수 있는 헤드의 표시온도로 알맞은 것은?
78. 옥내소화전설비의 화재안전기준상 옥내소화전설비의 위치를 표시하는 표시등은?
79. 포소화설비의 화재안전기준상 포소화약제 혼합방식에 해당하지 않은 것은?
80. 소화약제에 의한 간이 소화용구가 아닌 것은?