1과목: 재료역학
1. 바깥지름 4 cm, 안지름 2 cm의 속이 빈 원형축에 10 MPa의 최대 전단응력이 생기도록하려면 비틀림 모멘트의 크기는 몇 Nㆍm로 해야 하는가?
2. 원형 단면보의 임의 단면에 걸리는 전체 전단력이 V일 때, 단면의 중립 축 위에 생기는 최대 전단응력은?




3. 그림과 같이 초기온도 20℃, 초기길이 19.95 cm, 지름 5 cm인 봉을 간격이 20 cm인 두 벽면 사이에 넣고 봉의 온도를 220℃로 가열했을 때 봉에 발생되는 응력은 몇 MPa 인가? (단, 봉의 선팽창계수 α=1.2 × 10-5/℃ 이고, 탄성계수 E= 210 GPa이다.)
4. 평면 응력상태에 있는 재료 내부에 서로 직각인 두 방향에서 수직 응력 σx, σy가 작용할 때 생기는 최대 주응력과 최소 주응력을 각각 σ1, σ2라 하면 다음 중 어느 관계식이 성립하는가?




5. 탄성 한도내에서 인장 하중을 받는 막대에 발생하는 응력이 2배가 되면 단위 체적속에서 저장되는 변형 에너지는 몇배가 되는가? (단, 탄성계수는 일정함)
6. 다음 그림과 같이 집중하중을 받는 일단 고정, 타단 지지된 보에서 고정단에서의 모멘트는?



7. 주평면에 관한 설명으로 옳은 것은?
8. 안지름 400 mm, 내압 8 MPa 인 고압가스 용기의 뚜껑을 8 개의 볼트로 같은 간격으로 조일 때 각 볼트의 지름은 최소 몇 mm 로 해야 하는가? (단, 볼트의 허용 인장응력은 45 MPa로 한다.)
9. 지름 10 cm인 연강봉(탄송계수 Es=210 GPa)이 외경 11 cm, 내경 10 cm인 구리관(탄성계수 Ec=150 GPa)사이에 끼워져 있다. 양단에서 강체평판으로 10 kN의 압축하중을 가할 때 연강봉과 구리관에 생기는 응력비 σs/σc의 값은?
10. 보기와 같은 등분포 하중의 단순지지보에서 A의 보가 B의 보 보다 최대 처짐이 몇 배나 되는가? (단, B 보의 등분포 하중은 A 보의 2배이고, B 보의 길이는 A 보의 1/2이다.)
11. 그림과 같은 직사각형 단면의 짧은 기둥에서 점 P에 압축력 100 kN을 받고 있다. 단면에 발생하는 최대 압축응력은 몇 MPa 인가?
12. 그림과 같이 길이 3 m, 단면적 500 mm2인 재료의 윗부분이 고정되어 있고, 이것에 500 N의 추를 200 mm의 높이에서 낙하시켜 충격을 준다. 재료의 최대 신장량은 몇 mm 인가? (단, 자중 및 마찰은 무시하고, 탄성계수는 210 GPa이다.)
13. 단면의 2차모멘트가 250 cm4인 I 형강 보가 있다. 이 보의 높이가 20 cm이고 굽힘모멘트가 2500 Nㆍm을 받을 때 최대 굽힘응력은 몇 MPa 인가?
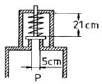
14. 그림과 같은 압력계의 안전변에서 지름 5cm의 방출구가 있고 스프링의 자유길이는 25 cm이며, 스프링상수는 6 kN/m 이다. 압력이 최소 얼마 이상일 때 이 변이 열리겠는가?
15. 지름 10 mm, 길이 2 m인 둥근 막대의 한끝을 고정하고 타단을 자유로이 10° 만큼 비틀었다면 막대에 생기는 최대 전단응력은 몇 MPa인가? (단, 재료의 전단탄성계수 G = 84 GPa이다.)
16. 두께 5 mm의 연가안으로 2 MPa의 내압에 견디는 원통을 만들려고 한다. 허용응력이 60 MPa이라면 안지름은 최대 몇 cm 로 하면 되겠는가?
17. 어떤 재료의 탄성계수 E = 210 GPa이고 전단 탄성계수 G = 83 GPa이라면 이 재료의 포아송 비는?
18. 반원 부재에 그림과 같이 R/2지점에 하중 P가 작용할 때 지지점 B에서의 반력은?
19. 외팔보가 그림과 같이 등분포하중과 집중하중을 받고 있다.
일 때 이 보의 전단력선도는?




20. 길이가 L인 외팔보의 중앙에 집중하중 P가 작용할 때, 자유단 C에서의 최대 처짐은? (단, E는 탄성계수, I는 단면 2차 모멘트이다. )




2과목: 기계열역학
21. 어떤 냉매를 사용하는 냉동기의 P-h 선도가 다음과 같을 때 성능계수는 약 얼마인가? (단, 이 냉매의 p-h 선도에서 h1 = 1638 kJ/kg, h2 = 1983 kJ/kg, h3 = h4 =559 kJ/kg 이다.)
22. 온도 5℃ 와 35℃ 사이에서 작동되는 냉동기의 최대 성능계수는?
23. 어떤 냉장고에서 질량유량 80kg/hr 의 냉매가 17 kJ/kg의 엔탈피로 증발기에 들어가 엔탈피 36kJ/kg가 되어나온다. 이 냉장고의 냉동능력은?
24. 오토사이클(Otto cycle)의 압축비 ε = 8 이라고 하면 이론 열효율은 약 몇 % 인가? (단, k = 1.4 이다.)
25. 압력이 106N/m2, 체적이 1m3인 공기가 압력이 일정한 상태에서 4×105 J의 일을 하였다. 변화 후의 체적은 약 얼마인가?
26. 실제 기체가 이상기체에 가장 가까울 때는?
27. 질량 1 kg의 공기가 밀폐계에서 압력과 체적이 100 kPa, 1m3 이었는데 폴리트로픽 과정을 거쳐 체적이 0.5m3 이 되었다. 최종 온도와 내부에너지의 변화량은 각각 얼마인가? (단, 공기의 R=287J/kg K, Cv=718J/kg K, Cp=100J/kg K, k=1.4, n=1.3이다.)
28. 어떤 시스템이 변화를 겪는 동안 주위의 엔틀피가 5kJ/K 감소하였다. 시스템의 엔트로피 변화로 가능한 것은?
29. 두께 10mm, 열전도율 45 kJ/mh℃인 강판의 두 면의 온도가 각각 300℃, 50℃ 일 때 전열 면 1m2당 1시간에 전달되는 열량은?
30. 랭킨사이클의 열효율을 높이는 방법이 아닌 것은?
31. 한여름 낮 주차된 차량의 내부 온도는 외부보다 높은 경우가 많다. 어떤 이유인가?
32. 8℃의 완전가스로 가역단열압축하여 그 체적을 1/5로 하였을 때 가스의 온도는 몇 ℃로 되겠는가? (단, k = 1.4 이다.)
33. 밀폐 시스템이 압력 P1 = 2 bar, 체적 V1 = 0.1 m3 인 상태에서 P2 = 1 bar, V2 = 0.3 m3인 상태까지 가역 팽창 되었다. 이 과정이 P-V 선도에서 직선으로 표시된다면 이 과정동안 시스템이 한 일은?
34. 어느 발명가가 바닷물로부터 매시간 1800 kJ의 열량을 공급받아 0.5 kW 출력의 열기관을 만들었다고 주장한다면, 이 사실은 열역학 제 몇 법칙에 위반 되겠는가?
35. 500℃와 20℃의 두 열원 사이에 설치되는 열기관이 가질 수 있는 최대의 이론 열효율(%)은 약 얼마인가?
36. 대기압이 750 mmHg 이고, 보일러의 압력계가 12 kgf/cm2로 지시하고 있을 경우, 이 압력을 절대압력으로 환산하면 약 몇 kgf/cm2 인가?
37. 포화액체와 포화증기의 구부이 없어지는 상태가 물의 경우 고온고압에서 나타난다. 이 상태를 무엇이라고 부르는가
38. 증기 터빈으로 질량 유량 1 kg/s, 엔탈피 h1=3500 kJ/kg의 수증기가 들어온다. 중간 단에서 h2=3100 kJ/kg의 수증기가 추출되며 나머지는 계속 팽창하여 h3=2500 kJ/kg 상태로 출구에서 나온다. 이때 열손실은 없으며, 위치 에너지 및 운동 에너지의 변화가 없다. 총 터빈 출력은 900 kW이다. 중간 단에서 추출되는 수증기의 질량 유량은?
39. 효율이 85%인 터빈에 들어갈 때의 증기의 엔탈피가 3390 kJ/kg이고, 가역 단열과정에 의해 팽창할 경우에 출구에서의 엔탈피가 2135 kJ/kg이 된다고 한다. 운동에너지의 변화를 무시할 경우 이 터빈의 실제 일은 몇 kJ/kg인가?
40. 다음 엔트로피에 관한 설명 중 맞는 것은?
3과목: 기계유체역학
41. 안지름이 10 cm인 매끈한 관을 통하여 40℃의 물이 흐르고 있다. 이 관내의 유속이 0.01273 m/s일 때 400 m 길이에서 손실수두를 계산한 것은? (단, 40℃의 물의 동점성계수는 0.658×10-6m2/s 이다.)
42. 다음 중 무차원수가 되는 것은? (단, ρ:밀도, μ:점성계수, F:힘, Q:유량, V:속도)




43. 다음 중 유량을 측정하기 위한 것이 아닌 것은?
44. 안지름이 20 mm인 수평으로 놓인 곧은 파이프 속에 점성계수 0.4 N·s/m2, 밀도 900 kg/m3인 기름이 유량 2×10-5m3/s 로 흐르고 있을 때, 파이프 내의 10 m 떨어진 두지점 간의 압력강하는 몇 kPa 인가?
45. 수평 원관 내에 물이 층류로 흐르고 있을 때 평균속도가 10 m/s라면 최대속도는 몇 m/s 인가?
46. 점성계수가 0.25 kg/(m·s)인 유체가 지면과 수평으로 놓인 평판 위를 흐른다. 평판 근방의 속도 분포가 u = 5.0-100(0.3-y)2일 때 평판에서의 전단응력은? (단, y(m)는 평판면에 수직 방향의 좌표이고, u(m/s)는 평판 근방에서 유체가 흐르는 방향의 속도이다.)
47. 직경이 10 cm 인 수평 원관으로 3 km 떨어진 곳에 원유(점성계수 μ=0.02 Pa·s, 비중 s=0.86)를 0.2m3/min 의 유량으로 수송하기 위해서 필요한 동력은 몇 W 인가?
48. 다음 체적탄성계수에 대한 설명 중 틀린 것은?
49. 속도 3m/s로 움직이는 평판에 이것과 같은 방향으로 수직하게 10m/s의 속도를 가진 제트가 충돌한다. 분류가 평판에 미치는 힘 F는 얼마인가? (단, 유체의 밀도를 ρ라 하고 제트의 단면적을 A라 한다.)
50. 다음과 같은 수평으로 놓인 노즐이 있다. 노즐의 입구는 면적이 0.1m2이고 출구의 면적은 0.02m2이다. 정상, 비압축성이며 점성의 영향이 없다면 출구의 속도가 50 m/s일 때 입구와 출구의 압력차 (P1-P2)는 몇 kPa인가? (단, 이 공기의 밀도는 1.23 kg/m3 이다.)
51. 밀도가 800 kg/m3인 원통형 물체가 그림과 같이 1/3 이 수면 위로 떠있는 것이 관측되었다. 이 액체의 비중은?
52. 어떤 기름의 동점성계수가 2.5 stokes이고, 비중은 2.45이다. 점성계수는 몇 N·s/m2인가? (단, 1 stoke = 1 cm2/s 이다.)
53. 내경 30 cm의 원관 속을 절대압력 0.32 MPa, 온도 27 ℃인 공기가 4 kg/s로 흐를 때 이 원관속을 흐르는 공기의 평균속도는? (단, 공기의 기체상수 R = 287 J/kg·K 이다)
54. 지름이 8 mm인 중공 물방울의 내부 압력(게이지 압력)은? (단, 물의 표면 장력은 0.075 N/m이다.)
55. 부차적 손실계수 값이 5인 밸브를 Darcy의 관마찰계수가 0.025이고 지름이 2 cm인 관으로 환산한다면 관의 등가 길이는 몇 m인가?
56. 이상 유체를 정의한 것 중 가장 옳은 것은?
57. 그림과 같은 수문(bxh=3m2m)이 있을 경우 합력의 작용점은 수면에서 몇 m 깊이에 있는가?
58. 지름 20 cm인 구의 주위에 밀도가 1000 kg/m3, 점성계수는 1.8×10-3 Pa·s 인 물이 2 m/s의 속도로 흐르고 있다. 항력곗가 0.2인 경우 구에 작용ㅇ하는 항력은 약 몇 N인가?
59. 길이 100 m, 속도 18 m/s인 선박의 모형실험을 길이 5 m인 모형선으로 프루드(Froude)상사가 성립되게 실험하려면 모형선의 속도는 몇 m/s로 해야 하는가?
60. 바닷속 100 m까지 잠수한 잠수함이 받는 압력은 몇 kPa인가? (단, 바닷물의 비중은 1.03 이다.)
4과목: 기계재료 및 유압기기
61. 일반적인 합성수지의 공통적인 성질을 설명한 것으로 잘못된 것은?
62. 다음 중 공석강의 탄소함유량으로 가장 적합한 것은?
63. 다음 중 Ni-Fe 계 합금인 인바(invar)를 바르게 설명한 것은?
64. 다음 담금질 조직 중 가장 경도가 높은 것은?
65. 다움 중 표준형 고속도 공구강의 주성분으로 옳은 것은?
66. 표면 경화법 중 가장 편리한 방법으로 고주파 유도전류에 의하여 소요 깊이까지 급속히 가열한 다음, 급랭 하여 경화시키는 방법은?
67. 압연용, 롤, 분쇄기 롤, 철도 차량 등 내마멸성이 필요한 기계 부품에 사용되는 가장 적합한 주철은?
68. 다음 중 경화된 재료에 인성을 부여하기 위해서 A1 변태점이하로 재가열하여 행하는 열처리는?
69. 다음 중 강의 상온 취성을 일으키는 원소는?
70. 5~20%의 Zn의 황동을 말하며, 강도는 낮으나 전연성이 좋고 색깔이 금색에 가까우므로, 모조 금이나 판 및 선 등에 사용되는 구리합금은?
71. 보기와 같은 공유압 기호가 나타내는 것은 무엇인가?
72. 다음 보기의 회로는 A,B 두 실린더를 순차적으로 작동이 행하여지는 회로이다. 무슨 회로인가?
73. 유압 장치의 배관, 밸브, 계기류 등을 급격한 서지압으로부터 보호하기 위하여 설치하는 것은?
74. 다음 보기와 같은 유압기호가 나타내는 것은 무엇인가?
75. KS 유압 및 공기압 용어 중 전자석에 의한 조작 방식은?
76. 다음 중 유량조절밸브에 의한 속도 제어회로를 나타낸 것이 아닌 것은?
77. 다음 중 유압 작동유의 구비 조건이 아닌 것은?
78. 다음 중 유압장치의 단점인 것은?
79. 토출압력이 70 kgf/cm2, 토출량은 50 ℓ/min 인 유압 펌프용 모터의 1분간 회전수는 얼마인가? (단, 펌프 1회전당 유량은 Qn = 20 cc/rev 이며, 효율은 100 % 로 가정한다.)
80. 유압 잭(jack)은 다음 중 어느 것을 이용한 것인가?
5과목: 기계제작법 및 기계동력학
81. 입도가 작고 연한 숫돌을 작은 압력으로 공작물 표면에 가압하면서 공작물에 이송을 주고 또 숫돌을 좌우로 진동시키면서 가공하는 방법은?
82. 피측정물을 확대 관측하여 복잡한 모양의 윤곽, 좌표의 측정, 나사 요소의 측정 등과 같이 단독 요소의 측정기로는 측정할 수 없는 부분을 측정할 때 가장 적합한 것은?
83. 사인바(sine bar)에 대한 설명 중 틀린 것은?
84. 주조에서 도가니로의 규격으로 옳은 것은?
85. 가스용접에서 산소와 아세틸렌의 혼합량에 따라 여러 종류의 화염이 생긴다. 이 중 틀린 것은?
86. 프레스를 이용한 단조에서 유효 단조 면적이 150cm2, 가공재료의 변형저항이 20 kgf/mm2, 기계효율을 80%로 하면 프레스의 용량(ton)은?
87. 지름 91mm의 강봉을 회정수 700 rpm으로 선삭하는 데 절삭저항의 주분력이 75kgf이다. 이 때의 기계적 효율이 80%이라고 하면 여기에 공급되어야 할 동력은 몇 PS 인가?
88. Ms점 이하인 100~200℃에서 항온 유지한 후에 공랭하는 열처리로서 오스테나이트에서 마텐자이트와 베이나이트의 혼합조직을 얻는 열처리 방법을 무엇이라 하는가?
89. 선반 작업을 할 때 쓰이는 공구 또는 부속 장치가 아닌 것은?
90. 다이에 아연, 납, 주석 등의 연질금속을 넣고 펀치에 타격을 가하여 길이가 짧은 치약튜브, 약품튜브 등을 제작하는 압출은?
91. 두 질점의 완전소성충돌에 대한 설명 중 틀린 것은?
92. 그림과 같은 진동계에서 하중 W는 22.68 N, 댐핑계수 c는 0.0579 N·s/cm, 스프링정수 k가 0.357 N/cm, 중력가속도 g가 980.7 cm/s2일 때 댐핑비(damping ratio)
는?
93. 그림과 같이 일단이 수직으로 매달려서 진자와 같이 한평면 내에서 진동하는 가늘고 긴 막대의 고유 주기는? (단, 막대의 질량은 m 이고 길이는 L이다.)




94. 감쇠비가
인 감쇠 강제 진동에서 최대 진폭이 생기는 진동수비 (γp)를 바르게 나타낸 것은?



95. 스프링의 변위가 x 일 때 스프링상수가 k인 스프링의 위치에너지는?


96. 공이 수직 상 방향으로 9.81 m/s의 속도로 던져졌을 때 최대 도달 높이는 몇 m인가?
97. 다음 그림과 같이 질량 m이 동일 길이의 줄에 매달려 있다. 갑자기 한 가닥을 절단했을 때 줄에 걸리는 힘은? (단, 줄의 질량 및 강성은 무시한다.)


98. 자동차의 엔진이 시동 후 3초에서 1500rpm으로 회전되었을 때 이 엔진의 각가속도는 몇 rad/s2 인가?
99. 90 kg의 질량을 가진 기계가 스프링 상수 3600 kN/m인 스프링과 감쇠기 위에 받쳐 있고 조화 가진력 Fosinωt가 작용한다면 공진 진폭은 몇 cm 인가? (단, Fo는 50 N이고, 점성감쇠계수 c는 5 N·s/m이다.)
100. 질량이 5 kg인 물체를 정지상태에서 100 m/s의 속도로 가속하였다. 이 물체에 주어진 일은 몇 kJ 인가?
여기서 J는 극관성, R은 원형축의 반지름이다.
J = π/2 * (R^4 - r^4) = π/2 * (2^4 - 1^4) = 15.7 cm^4
R = (4 + 2) / 2 = 3 cm
따라서 M = 10 * 15.7 / 3 = 52.3 Nㆍm
하지만 보기에서는 정답이 118이다. 이는 단위가 다르기 때문이다. 문제에서는 단위를 Nㆍm으로 주지 않았기 때문에, 단위 변환을 해주어야 한다.
1 Nㆍm = 10^3 N㎝ = 10^7 dyne㎝
따라서 M = 52.3 * 10^7 / 10^3 = 523000 dyne㎝ = 523 N㎝
따라서 정답은 118이 아니라 52.3이다.