1과목: 과목 구분 없음
1. 다음 그림에서 보의 중앙점 C의 휨모멘트의 크기는? (단, 보의 자중은 무시한다)
2. 다음 그림은 집중하중과 등분포하중이 작용하는 단순보의 전단력도(S.F.D.)이다. 이 경우의 최대 휨모멘트의 크기[kN⋅m]는?
3. 다음 그림과 같이 단면적이 100 mm2인 직사각형 단면의 봉에 인장력 10 kN이 작용할 때, θ=30° 경사면 m-n에 발생하는 수직응력(σ)과 전단응력(τ)의 크기[MPa]는?
4. 다음 그림과 같이 배치된 H형 거더에서 H형 단면의 높이(h)는 500 mm이고, 단면2차모멘트는 2.0 × 108 mm4이며, 항복강도는 250MPa이다. 단면의 항복모멘트(My)의 크기[kN⋅m]는?
5. 다음 그림과 같은 구조물 가, 나, 다, 라 중 정정 구조물로만 묶인 것은?
6. 다음 그림과 같이 힘이 작용하는 구조물에서 부재 AB와 BC에 걸리는 부재력[kN] FAB, FBC는? (단, 부재의 자중과 도르래의 마찰은 무시한다)
7. 다음 그림과 같이 구조물에 하중이 작용하며 로울러지점 반력 R이 300 kN이고, 구조물은 평형상태이다. 미지의 힘[kN] F1과 F2는? (단, 구조물의 자중은 무시한다)
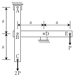
8. 다음 그림과 같은 기둥 부재에 하중이 작용하고 있다. 부재 AB의 총 수직방향 길이 변화량(δ)은? (단, 단면적 A와 탄성계수 E는 일정하고, 부재의 자중은 무시한다)
9. 다음 그림과 같이 강체(rigid body)에 우력이 작용하고 있다. A, B, C점에 관한 모멘트가 각각 ΣMA, ΣMB, ΣMC일 때, 옳은 것은?
10. 다음 그림과 같은 트러스에서 부재 BC의 부재력[kN]은?
11. 다음 그림과 같이 부재 BDE는 강체(rigid body)이고 D점에서 핀으로 지지되어 있으며, B점에서 수직부재 ABC와 핀으로 연결되어 있다. 이에 대한 설명으로 옳지 않은 것은? (단, 부재 ABC의 단면적 및 탄성계수는 일정하고, 자중은 무시한다)
12. 다음 그림과 같은 내민 보에 등분포 활하중 10 kN/m이 이동하중으로 작용할 때, B점에서의 절대 최대전단력의 크기[kN]는? (단, 보의 자중은 무시한다)
13. 다음 그림과 같이 중앙 내부힌지 B점에 강성(stiffness) k인 회전스프링에 의하여 지지되는 기둥이 있다. 이 기둥의 임계좌굴하중(Pcr)은?
14. 다음 그림에서 봉 ABC는 강체(rigid body)이고, 현 BD의 축강성 k=20,000 kN/m이다. 이때 C점의 처짐량[mm]은? (단, 부재의 자중은 무시한다)
15. 다음 보의 내부힌지 B점에서의 처짐[mm]은? (단, 탄성계수 E=200 GPa, 단면2차모멘트 I=5 × 108 mm4이고, 보의 자중은 무시한다)
16. 정육면체에 1축 응력이 작용할 때, 체적 변형률(εv=△V/V)과 포아송비(ν)의 관계로 가장 적합한 것은? (단, 변형은 미소변형이고, 재료는 등방성이며, ε은 변형률, E는 탄성계수이다)
17. 다음 그림과 같이 보의 좌측에는 강성 k1=100 kN/m인 스프링에 의해 지지되며, 우측은 강성이 k2인 2개의 직렬연결된 스프링으로 지지되어 있다. 집중하중 12 kN이 그림과 같이 작용될 때, 양 지점의 처짐량이 같아지기 위한 스프링 강성 k2의 값[kN/m]은? (단, 보와 스프링의 자중은 무시한다)
18. 그림과 같이 수평, 수직 길이가 2L 및 L인 판에 수평방향으로 σ의 응력을 가하였다. 이 경우 포아송 효과에 의해 판의 수직방향 길이는 감소하게 된다. 그 감소한 길이 δ1을 구하고, 동일한 판에서 δ1만큼의 수직방향길이를 증가시키기 위해 가해야 하는 수직방향의 인장응력 σ1은? (단, 재료는 등방성이며, 포아송비는 ν이고, 수평방향의 변형률은 ε이다)
19. 다음 그림에서 두 재료 A, B의 열팽창계수는 αA, αB이며, αA=2αB이다. 온도변화에 의해 발생한 온도응력을 각각 σA, σB라 하면 두 재료의 온도응력의 관계는? (단, 두 재료의 단면적과 탄성계수는 서로 같다)
20. 다음 그림과 같이 자중이 20 kN/m인 콘크리트 기초구조에 집중하중 100 kN과 상향으로 등분포 수직토압이 작용할 때, 기초중앙부 C점에 발생하는 모멘트[kN⋅m]는?