1과목: 디지털전자회로
1. 연산증폭기를 사용한 아날로그 계산기에서 미분기 대신 적분기를 사용하는 가장 큰 이유는?
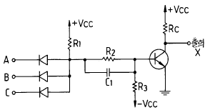
2. 아래 그림의 설명 중 가장 적합한 내용은?
3. 그림과 같은 회로의 입력으로 스텝 전압을 인가할때 출력전압 파형은? (단, A는 이상적인 연산 증폭기이다.)




4. 14핀 TTL IC에서 2개의 단자는 +전원과 접지로 사용된다. 그러면 이 14핀 IC에 넣을 수 있는 인버터의 개수는 최대 몇 개인가?
5. 다음 연산증폭회로에서 출력전압 Vo는?




6. 입력 임피던스를 높이기 위한 회로방식에 해당하지 않는 것은?
7. 다음 회로의 출력전압을 구하면?


8. 다이오드 검파에서 얻은 AGC 전압의 크기는 무엇에 따라 커지는가?
9. 어떤 논리회로에서 입력은 A, B, C 이며 출력은 입력 중에서 둘이상이 1일 때 출력 Y가 1이 된다면 이 논리회로의 논리식은?



10. 스위칭 정전압 제어기에서 제어 트랜지스터가 도통되는 시간은?
11. 다음 회로에서 다이오드 D1과 D2가 동시에 차단상태로 되는 조건으로 옳은 것은? (단,V2 > V1이다.)
12. 그림에서의 전달 함수 X/XS는?
13. 다음의 Karnaugh도로 주어진 함수를 최소의 곱의 합함수로 만든 것은?




14. 프리엠퍼시스(pre-emphasis)회로는 어느 회로와 같은가?
15. 그림의 회로에서 R1=150㏀, Rf=900㏀, V1=3V일 때, 출력전압 Vo는?
16. 다음과 같은 DCTL 논리 회로의 게이트 기능은?
17. 변조도 40[%]의 진폭변조에서 반송파의 평균전력이 300[mW]일 때 피변조파의 평균전력은 약 얼마인가?
18. 그레이 코드(Gray Code) 1111을 2진수로 변환한 값은?
19. 연산증폭기의 이상 조건을 설명한 것이 아닌 것은?
20. 아래의 그림과 같은 전압분할 바이어스의 CE 증폭기에서 동작점에서의 전류 ICQ와 C-E간 전압 VCEQ의 값을 구하면? (단, 트랜지스터의 VBE(ON) = 0.7 [V], IC = IE로 간주한다.)
2과목: 무선통신기기
21. 600[Ω]의 평행 2선식 급전선을 사용하는 200[W]송신기의 출력을 전구에 의한 의사부하로 시험코자 할때 가장 적당한 방법은?
22. 어떤 전원 정류기에서 전부하의 출력 전압이 250[V]일 때 전압 변동률이 20[%]일 경우 무부하시 전압은?
23. FS통신 방식은 다음 중 어느 것인가?
24. 마이크로파 송신기의 전력 측정에 사용되는 방향성 결합기를 이용하여 측정할 수 없는 것은?
25. 수신기의 양부를 판정하는 기준이 아닌것은?
26. 무선통신에 사용되는 스펙트럼 확산통신방식의 특징을 나타내는 것은?
27. FM송신기에서 사용되는 pre - emphasis회로에 관한 설명 중 맞는 것은?
28. 출력 500W의 J3E 송신에서 무변조시 공중선 전력은 몇 [W]인가?
29. 고주파 증폭기의 이득이 30[㏈], 변환이득이 -3[㏈] 인 슈퍼헤테로다인 수신기의 입력에 50[㎶]의 고주파 전압을 걸어 검파기 입력단에서 0.5[V]를 얻었다면 중간 주파 증폭기의 이득은?
30. 다음중 수신기의 안정도에 영향을 주는 사항중 가장 적은 영향을 주는 것은?
31. PCM통신방식의 동작순서가 옳게 배열된 것은?
32. 스미스선도(Smith chart)를 이용하여 구할 수 없는 값은?
33. 다음 중 고주파 가열 전원과 관계 없는 것은?
34. FM검파기의 분류중 주파수 변화에 따르는 VCO의 제어 신호를 검출하는 방법에 해당되는 것은?
35. 축전지에서 AH(암페어시)가 나타내는 것은?
36. 무선 송신기에서 발생하는 스퓨리어스를 적게 하는 방법이 아닌 것은?
37. 다음은 벡터 합성법에 의한 FM송신기에 대한 설명이다. 합당치 않은것은 어느 것인가?
38. 그림과 같은 수퍼헤테로다인 수신기에서 제1중간주파수가 10[MHz]이고 제2중간주파수가 500[KHz]라고 할때 30[MHz]의 입력신호를 수신하려면 A와 B의 발진 주파수는?
39. 검파기의 부하가 직류와 교류의 시정수가 상이해지므로서 발생되는 파형왜곡은?
40. 지구국 수신계의 종합성능을 나타내는 G/T에 대한 설명이다. 알맞는 것은?
3과목: 안테나공학
41. 급전점이 전류 정재파의 파복이 되는 것은?
42. 단파대의 불감지대에서 신호가 잡히는 현상으로 가장 적합한 원인은?
43. 반파장 다이폴(dipole) 안테나의 실효길이는? (단, λ 는 파장)
44. 인덕턴스가 30[μH], 정전용량이 40[pF]인 안테나가 있다. 이 안테나를 6[MHz]로 사용하기 위해 직렬로 연결된 단축 콘덴서는 얼마인가?
45. 평행2선식 급전선이 동축급전선 보다 잘 사용되지 않고 있다. 그 이유로 가장 적합한 것은?
46. 그림과 같이 특성 임피던스가 Z1과 Z2인 평행 2선로의 상호간을 λ/4 의 선로로 정합시키고자 한다. 정합선로로 삽입하여야 할 선로의 특성 임피던스 ZO는? (단, Z1 = 600[Ω], Z2 = 150[Ω])
47. 극초단파 이상의 전송선로로 도파관이 쓰이는 이유는?
48. 매질의 비유전율이 9이고, 비투자율이 1일때 전파속도는 얼마인가?
49. 정지위성을 이용하는 대형 지구국 안테나로 적합한 것은?
50. 다음 중 루우프 안테나 특성에 속하지 않는 것은?
51. Folded Antenna를 만들때 일반적으로 n(소자수)개로 접으면 급전점 임피이던스는 몇 배로 증가하는가?
52. 송신안테나에서 전파의 가시거리 184.95[km]되는 지점에 높이가 400[m]인 수신 안테나를 설치하였다고 하면 송신 안테나의 최소 높이는 얼마로 해야 되겠는가? (단, 두 지점간의 대지는 평탄하다고 가정한다.)
53. 빔(beam) 안테나의 특성에 관한 설명으로 틀린 것은?
54. 복사저항을 Rr, 안테나의 손실저항을 Ro라 할때 안테나 효율은?




55. Yagi 안테나의 특징이 아닌 것은?
56. 장·중파대에서 주가되는 지상파는?
57. 슈퍼 턴스타일 안테나를 송신에 사용할 경우 수신용으로 수직 다이폴 안테나를 사용할 수 없는 이유는?
58. 미소 다이폴 안테나에서 발생된 전계 강도를 계산하는 식은? (Pr : 급전 전력, R : 안테나로 부터 떨어진 거리)




59. 임계 주파수가 4[MHz]인 전리층에 8[MHz]를 인가하였을 때의 도약거리는? (전리층의 겉보기 높이는 150[km]이다.)
60. 다음 중 혼신의 방해를 가장 적게 하는 방법은?
4과목: 통신영어 및 교통지리
61. Choose the correct one which belong to the following definition.


62. Choose the right definition for the given sentence.
63. Choose the suitable one in the blank.
64. 미국의 MASSACHUSETTS주에 소재하며, 미국의 과학, 문학, 미술 및 음악의 중심지로서 유명한 항만 도시는?
65. Choose the one abbreviation which would be appropriate in the following sentences.
66. BAY OF BENGAL 해역에서 주로 발생하는 열대성 저기압은?
67. 다음중 HONG KONG에 소재하는 해안국은?
68. Choose the best word to fill in the blank in the following sentence.
69. 다음 Coast Earth Station의 소속 국가명이 다른 것은?
70. 우리나라 항무통신 호출 부호중 짝지은 지역명이 틀리는 것은?
71. Choose the one among the examples and fill in blanks of the following sentence.
72. INMARSAT 해안지구국과 그 담당해역이 틀린 것은?
73. Fill in the blank with the suitable words.
74. Choose the right one means the following.
75. Select appropriate one in the blank in following Radio Regulation.
76. Taiwan에 소재하고 있는 해안국은?
77. Which is the common frequency band in the GMDSS Areas?
78. Choose the incorrect meaning of each message.
79. Which is the most correct meaning in the following sentence?
80. Fill the blank with the most proper word.
5과목: 전파관계법규
81. SOLAS 규정상 모든 선박은 항해중 다음의 기능을 수행할 수 있어야 한다. 이 규정에 해당하지 아니한 것은?
82. 다음 중 방향탐지의 목적인 것은?
83. 통신수단 중 통신 보안도가 높은 순서부터 바르게 나타낸 것은?
84. 다음의 무선전화에 의한 조난호출 구성 중 옳은 것은?
85. 무선통신에서 통신보안상 가장 취약한 주파수대는?
86. 수신전용무선국 중 허가받은 것으로 보는 무선국에 해당되지 않는 무선국은?
87. 선박의 조난사고 발생 시 신속한 조난을 수신하여 통합적인 수색구조작업을 할 수 있도록 지원하는 세계해상조난 및 안전 제도를 나타낸 것은?
88. 다음중 조난통신의 지휘와 가장 관계 없는 국은?
89. 선박에 개설하여 해상이동위성업무를 행하는 이동지구국을 무엇이라고 하는가?
90. 허가범위에 속하는 무선국을 허가없이 개설 또는 운용한자에 대한 벌칙은?
91. 다음중 통신 정보와 관계 없는 것은?
92. 국제전기통신연합의 모든 회원국은 다음의 회의에서 1개의 투표권을 갖는다. 그렇지 아니한 것은?
93. 형식검정 및 형식등록은 누구에게 신청하여야 하는가?
94. 공중선 전력의 표시방법 중 반송파전력은 어느 것으로 표시되는가?
95. GMDSS 선박에서 무선종사자의 관리하에 비 무선종사자가 운용할 수 있는 것이 아닌 것은?
96. 스퓨리어스(spurious)발사에 포함되지 아니하는 것은?
97. 통신보안 방법의 종류를 세 가지로 나눌때 옳은 것은?
98. 통신보안의 필요한 요인은 무엇인가?
99. 선박이 정박중에도 선박국을 운용할 수 있는 경우로 맞는 것은?
100. ITU의 업무규칙중 하나인 전파규칙(RR)을 개정 할 수 있는 조직은?