1과목: 디지털전자회로
1. 다음 회로에서 맥동률을 개선하고자 한다. 가장 관련 있는 것은?
2. 다음 그림의 회로에서 근사적으로 베이스전압 VB를 구하기 위한 부분적인 바이어스 회로이다. VB의 값을 구하면? 


3. 부궤환 증폭기의 특징에 대한 설명으로 틀린 것은?
4. 다음 하틀리 발진회로에서 캐패시턴스 C=200[pF], 인덕턴스L1=180[μH], L2=20[μH]이며, 상호인덕턴스 M=90[μH]의 값을 가질 때 발진주파수는 약 얼마인가?
5. 인가되는 역전압의 직류전압에 의해 캐패시턴스가 가변되는 소자를 이용하여 발진주파수를 가변하는 발진회로는?
6. 다음 중 증폭기의 종류에 해당하지 않는 것은?
7. 진폭변조에서 80[%] 변조하였을 때 상측파대의 전력은 반송파 전력의 몇 [%]인가?
8. 슈미트 트리거 회로의 츨력 파형은?
9. 다음 중 드모르간의 법칙에 해당하는 것은?

10. 34710을 BCD(Binary Coded Decimal) 코드로 표시하면?
11. 다음 회로가 수행할 수 있는 논리 기능은?
12. 다음 중 멀티플랙서(multiplexer)의 설명으로 잘못된 것은?
13. n개의 입력으로부터 2진 정보를 2n의 독자적인 출력으로 변환이 가능한 것은?
14. 어떤 정류회로의 맥동률이 1[%]인 정류회로의 출력 직류전압이 400[V]일 때 이 회로의 리플 전압은 얼마인가?
15. 다음 회로에서 R의 용도로 가장 적합한 것은?
16. 구형파를 발생시키는 발진기는 무엇인가?
17. 다음은 디멀티플렉서 회로의 일부분이다. 점선 안에 공통으로 들어갈 게이트는? (단, S0, S1은 선택신호이고 I는 데이터 입력이다.)
18. 다음 중 반가산기의 구성요소로 알맞은 것은?
19. 평활회로의 기능에 대해 바르게 설명한 것은?
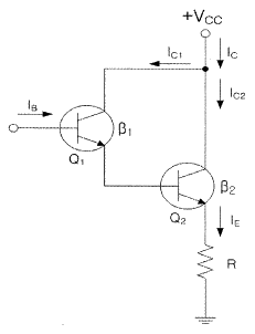
20. 다음의 달링턴 회로에서 직류 바이어스 전류 IE를 계산하면 약 얼마인가? (단, IB=2.56[μA], β1=100, β2=100 이다.)
2과목: 무선통신기기
21. 슈퍼헤테로다인 수신기에서 중간 주파수의 선정에 있어 고려될 필요가 없는 것은?
22. AM송신기의 발진부 기능에서 요구되는 사항이 아닌 것은?
23. 시스템 잡음 floor와 1dB compression point와의 전력 레벨차를 무엇이라 하는가?
24. 다음 중 송수신기용 발진기의 요구조건으로 적합하지 않은 것은?
25. 완충증폭기의 특징이 아닌 것은?
26. FM수신기의 주파수 변별기의 Response Curve에서 특성을 좋아지게 하는 방법상 옳지 않은 것은?
27. 마이크로웨이브 통시의 장점으로 적당하지 않은 것은?
28. GMDSS 통신 설비 중 Inmarsat-C의 전파형식에 해당하는 것은?
29. 전송매체의 사용 가능한 주파수 대역을 여러 개의 대역으로 분할하여 다중화하는 방식으로 광대역 전송이 가능한 방식은?
30. 이동통신에서 서비스지역이 다른 사업자의 무선 네트워크에 접속함으로써 고객이 가입 네트워크 범위를 넘어선 이동을 하여도 통신이 가능하며, 그에 따른 요금의 결제도 가능하도록 하는 서비스를 무엇이라 하는가?
31. CDMA 방식에서 이동국이 다른 시간 지연을 갖고 반사되어 오는 신호를 별도로 분리하여 복조하는 고유한 기능을 갖는 복조기로써 각각 별도로 동작하는 장치를 무엇이라 하는가?
32. CDMA 이동통신의 QPSK 변조에 이용되는 PN 코드의 특성으로 가장 적합한 것은?
33. 축전지의 용량 1,000[AH]에 대한 설명으로 옳은 것은?
34. 연축전지는 충방전 상태를 어느 정도 알 수 있는데 충전 완료 후 음극판의 색깔과 화학식이 맞는 것은?
35. 다음 중 UPS(Uninterruptible Power Supply)에 대한 설명으로 틀린 것은?
36. 송신기의 입력전압이 2,000[V], 입력전류가 100[mA]일 때 양극효율이 80[%]인 C급 증폭기가 있다. 송신기 출력은 얼마인가? (단, 양극회로의 Q가 무부하시 120, 부하시 15이다.)
37. Peak-Peak 전압이 ±8[V]인 아날로그 신호를 일정한 간격으로 하여 16개의 레벨로 나눴다. 이 경우 S/N[dB]를 구하면?
38. C급 증폭기의 특징이 아닌 것은?
39. 변조 회로에서 변조기의 켈렉터 전압과 전류가 각각 3[V]와 30[mA]가 인가되었을 때 증폭기의 출력이 80[mW]가 발생하였다면 효율은 얼마인가? (단, 증폭기는 A급 증폭기임)
40. 다음은 안테나의 실효저장 측정회로이다. 스위치 S를 닫고 희망 주파수 f에 동조시킬 때 공중선 전류계 A2의 지시를 I1이라고 한다. 다음 S를 열고 A2의 지시를 I2라고 할 때 실효저항 Re는 얼마인가?
3과목: 안테나공학
41. 전자파에 관한 설명으로 틀린 것은?
42. 전자파의 전파속도는 매질의 종류에 따라 달라진다. 매질의 어떤 특성에 따라서 달라지는가?
43. 비유전율이 5인 콘크리트 벽을 통과할 때의 전파속도는 약 얼마인가? (단, 비투자율은 1 이라고 한다.)
44. 다음 중 단파대 전자파의 특성에 대한 설명으로 가장 적합하지 않은 것은?
45. 다음 중 반사계수와 투과계수에 관한 설명으로 옳지 않은 것은?
46. 부정점이 있는 전송선로에서 정재파의 파복의 크기가 45[V], 파절의 크기가 9[V]이면 정재파의 값은 얼마인가?
47. 급전선과 안테나 사이의 임피던스 정합에 대한 설명으로 가장 옳지 않은 것은?
48. 평행 2선식 급전선에서 단위길이당 고주파저항에 대한 설명이다. 다음 중 틀린 것은?
49. 길이 30[m]인 반파장 다이폴 안테나의 고유파장과 고유주파수는 각각 얼마인가?
50. λ/4 수직접지 안테나에서 P[W]의 전력을 복사하고 있을 때, 거리 r[m]의 지점에서 생기는 전계강도(E)의 식으로 옳은 것은?




51. 자유공간에 있는 반파장 다이폴 안테나에서 최대 복사방향으로 5[km] 떨어진 지점에서 전계강도가 10[mV/m]일 때, 안테나의 복사전력은 약 얼마인가?
52. 다음 중 안테나의 길이를 줄이기 위한 방법이 아닌 것은?
53. 도선 또는 도체를 원형, 정사각형, 타원형 등으로 1회 또는 수회 감은 폐회로 안테나는?
54. 다음 중 웨이브(Wave) 안테나에 관한 설명으로 가장 틀린 것은?
55. 위성통신장치는 송·수신기가 한 시스템 내에 설치되어 있으나 송수신할 때 동일한 주파수를 사용하지 않는다. 그 이유로 가장 타당한 것은?
56. 전리층 전파에 관한 다음 설명 중 옳지 않은 것은?
57. 다음 중 단파통신에서 페이딩(fading)에 대한 경감 방법으로 적합하지 않은 것은?
58. 등가 지구반경계수를 나타내는 식은?




59. 전리층의 최대 전자밀도가 3.6×1011[개/m3]이다. 이 전리층의 임계주파수는 얼마인가?
60. 마이크로스트립 안테나에 대한 설명 중 가장 틀린 것은?
4과목: 통신영어 및 교통지리
61. Choose the most suitable words for the blank of the following sentence.
62. Fill in the blank with the suitable one.
63. Choose the right one to put into Korean.
64. Fill in the blank with the suitable word
65. Select appropriate one in the blank in following Radio Regulation ;
66. Select the ost similar meaning in the underlined part of the following sentence.
67. Choose the suitable one in the blanks and complete the following sentence
68. You should choose the one definition of certain terms which would be appropriate in the following sentences.
69. Choose the correcth one which describes GMDSS.
70. Which is the correct eaning of the telegram?
71. Choose the wrong meaning of each underlined parts of the following sentence.
72. What do we call bulbous (bow) of vessel in Korean?
73. 아래의 설명에 해당하는운하의 이름은 무엇인가?
74. 유럽 북해 유전에서 원유를 만재한 총톤수 450,000톤급(ULCC) 유조선이 일본을 항해하는 항로로서 경유할 수 없는 곳은?
75. 다음 중 미국의 선위통보제도를 나타내는 약어로서 맞는 것은?
76. PANAMA시의 서쪽에 소재하며, PANAMA CANAL의 태평양측의 출입구에 위치한 항구명은?
77. 대류권 내의 대기의 구성요소 중 가장 많이 포함된 원솔서 맞는 것은?
78. 다음은 열대성 저기압과 주 발생 지역을 짝지은 것이다. 틀린 것은?
79. 다음 IMO 영어에서 우리말로 잘못 표현한 것은?
80. 우리나라 해안궁의 통신권 범위를 틀리게 나타낸 것은?
5과목: 전파관계법규
81. 초단파 방송[FM Radio용]에서 사용하는 주파수 범위는?
82. 무선종사자가 아닌 자가 자가 조작 또는 공사를 할 수 있는 경우와 관계가 없는 것은?
83. 전파법에서 규정하는 전파법의 목적에 해당하지 않는 것은?
84. 개설허가를 받은 무선국의 허가증에 기재된 사항 이외에도 운용할 수 있는 경우가 아닌 것은?
85. 국제전기통신업무를 취급하는 제3종국 선박국의 운용의무 기간은?
86. 다음 괄호 안에 들어갈 내용으로 가장 적합한 것은?
87. 무선국을 얼마 이상 휴지하고자 할 때 방송통신위원회에 신고하여야 하는가?
88. 다음 중 무선통신의 원칙으로 적합하지 않은 것은?
89. 다음 중 선박이 입항중인 때에 당해 선박에 개설된 선박국을 운용할 수 있는 경우가 아닌 것은?
90. 조난선박국과 조난통신에 관장하는 무선국은 조난통신을 방해하거나 방해할 우려가 있는 모든 통신의 정지를 요구할 수 있다. 무선전화의 경우에 사용하는 신호는?
91. GMDSS에서 사용되는 비상위치지시용무선표지설비(EPIRB)에서 사용하는 주파수는 다음 중 얼마인가?
92. 다음 중 국제전기통신연합의 헌장과 협약 또는 업무규칙에 불일치가 있는 경우 우선하는 것은?
93. 다음 중 GMDSS에서의 긴급 및 안전통신에 해당하지 않는 것은?
94. ITU의 전권위원회의 회원국을 대표하는 대표단으로 구성되며 몇 년마다 개최되는가?
95. GMDSS의 주요 기능이 아닌 것은?
96. 암호 분석의 정의를 맞게 설명한 것은?
97. 통신보안의 목적과 관계가 먼 것은?
98. 보안자재의 관리유지 절차가 아닌 것은?
99. 전파법에 따른 무선국의 운용 등에 관한 규정에서 정하는 “통신보안”에 해당하지 않는 사항은?
100. 전파법에 따라 무선통신 업무에 종사하는 자의 통신보안 교육 의무로 맞는 것은?