1과목: 임의 구분
1. 유체의 에너지를 사용하여 기계적 일을 하는 부분은?
2. 공기압 실린더의 주요 구성품이 아닌 것은?
3. 대기압을 0 으로 하여 측정한 압력은?
4. 2개의 복동 실린더로 구성되어 있으며 단계적 출력제어가 가능한 실린더는?
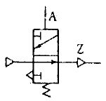
5. 다음의 그림은 공유합 회로도이다. 이중 플립플롭(Flip-Flop)회로는?




" 입니다. 이유는 이중 플립플롭 회로는 D 플립플롭(D Flip-Flop) 2개로 구성되어 있으며, D 플립플롭은 데이터(D) 입력이 클럭(Clock) 입력과 함께 AND 게이트로 연결되어 있습니다. 따라서 데이터 입력이 클럭 입력과 함께 AND 연산되어 출력되므로, 데이터 입력이 1일 때만 출력이 변화하게 됩니다. 이러한 특성으로 인해 이중 플립플롭 회로는 데이터 입력이 변화할 때마다 출력이 변화하는 동기식(Synchronous) 회로로 사용됩니다.6. 지그(Jig)를 구성하는 요소가 아닌 것은?
7. 중공(中空)제품의 축선을 센터링(centering)시키는 데 가장 적합한 것은?
8. 지그 부시에 대해 설명 중 틀린 것은?
9. 클램프를 설계할 때 고려해야 할 사항이 아닌 것은?
10. 칩 배출이 가장 용이한 지그는?
11. 기초원 지름 242mm, 잇수 50인 스퍼기어의 법선 피치를 구하면 몇 약mm인가?
12. 다이얼 인디케이터는 어디에 측정치가 나타나는 게이지 인가?
13. 표면거칠기를 측정하는 방법으로 가장 옳지 않은 것은?
14. 사인바(sine bar)에 의한 각도측정시 45° 이상의 각도 측정에서 큰 오차가 발생되는 이유로 가장 타당한 것은?
15. 한계 게이지의 마멸 여유는 일반적으로 어느 쪽에 주는가?
16. 다음 중 3차원의 기하학적 형상 모델링이 아닌 것은?
17. 서보기구의 제어회로 방식 중 가격이 고가이고, 고정밀도가 요구될 때 사용하는 것은?
18. G45 보정이 -12.000 일때 사실상의 보정량이 2.000 이면 이동량은?
19. 2차원 변환행렬이 다음과 같을 때 좌표변환은?
20. CNC 밀링에서 ø20mm인 엔드밀로 GC25를 가공하고자 할 때 주축의 회전수는 몇 rpm인가? (단, 절삭속도는 100 m/min 이다.)
2과목: 임의 구분
21. 다음중 펌프에서 소음이 나는 원인과 가장 관계가 없는 것은?
22. 다음 중 공장자동화 생산시스템에 필요한 기술 중 맞지 않는 것은?
23. 다음 중 LAN의 통신 프로토콜과 가장 거리가 먼 것은?
24. 다음 중 홀센서에 대하여 가장 올바르게 설명한 것은?
25. AC Servo 제어기기의 주회로 전원과 제어전원의 투입 및 차단시 투입 순서로서 옳은 것은?
26. 다음 유사한 보조기능(M기능)중 기능이 다른 것은?
27. NC 공작기계의 제어에 사용되는 코드에서 주로 ON/OFF기능을 행하는 기능을 무엇이라고 하는가?
28. NC기계에서 수동으로 데이터(data)를 입력하여 가공하는 방법은 어느 것인가?
29. NC 서보(servo)기구에 대한 설명 중 가장 올바른 것은?
30. 다음 중에서 방전가공기의 특징을 설명한 것으로 잘못된 것은?
31. 방전가공할 때 전극 재질로 사용되지 않는 것은?
32. 바이트의 재질이 초경공구인 것을 연삭하려한다. 다음 연삭 숫돌 중 어느 것을 사용하는 것이 가장 적당한가?
33. 센터리스 연삭기의 장점 중 틀린 것은?
34. 다음 중 밀링머신에서 원판의 외경가공, 윤곽가공 및 간단한 분할작업을 할 수 있는 부속장치는?
35. 커터의 지름이 100mm, 절삭날수 18개인 초경합금 밀링커터로 길이 400mm의 일감에 홈을 가공하려 한다. 날 1개 이송을 0.1mm로 하여 1회에 완성한다면 가공 소요시간은? (단, 절삭속도는 50m/min이다)
36. 선반의 주축 끝에 척이나 면판을 부착하는 방법이 아닌 것은 어느 것인가?
37. 선반 중에서 각종 공구를 많이 고정하고 작업하는 선반은?
38. 지름을 변화시킬 수 있는 심봉(Mandrel)은?
39. 공구수명에 가장 큰 영향을 주는 것은?
40. 빌트 업 에지(built up edge)란 무엇인가?
3과목: 임의 구분
41. 다음은 절삭제의 요구성질이다. 맞지 않은 사항은?
42. 주철을 절삭할 때 일반적인 칩의 형태는?
43. 정보처리 회로에서 서보기구로 보내는 신호의 형태는?
44. 일반적으로 공작기계 주축(spindle)의 구비조건 중 적당하지 않는 것은?
45. 압축공기의 사용목적이 안전수칙에 위배되는 것은?
46. 기계적 고장에는 마모고장과 어떤 고장이 있는가?
47. 밀링작업 중 안전사항에 위배되는 것은?
48. 프레스용 금형재료의 구비조건 중 옳지 않은 것은?
49. 탄소강이 200∼300℃에서 경도가 높고 여린 성질을 갖게 된다. 이러한 성질을 무엇이라고 하는가?
50. 합금강은 탄소강에 비하여 성질이 개선되는 경우가 많다. 합금원소가 많이 함유될수록 감소되는 개선 내용은?
51. 피로파괴를 일으킬 수 있는 기계요소는 피로시험을 실시하여야 한다. 다음 중에서 피로시험 대상인 기계요소와 거리가 가장 먼 것은?
52. Mf∼MS 내의 항온 열처리로 열욕(hot bath)에 담금질하여 그 온도를 항온 유지함으로써 마르텐사이트와 베이나이트로 변화시켜 경도는 그리 떨어지지 않고 충격치가 높은 조직을 얻는 항온 열처리법은?
53. 알루미늄의 성질 중 맞지 않는 것은?
54. 오일리스(Oillless)베어링은 어떻게 만드는가?
55. 어떤 측정법으로 동일 시료를 무한 횟수 측정하였을 때 데이터의 분포의 평균치와 참값과의 차를 무엇이라 하는가?
56. 예방보전의 기능에 해당하지 않는 것은?
57. 관리한계선을 구하는데 이항분포를 이용하여 관리선을 구하는 관리도는?
관리도58. 로트(Lot)수를 가장 올바르게 정의한 것은?
60. 공정 도시기호중 공정계열의 일부를 생략할 경우에 사용되는 보조 도시기호는?




"는 공정계열의 일부를 생략할 경우 사용됩니다. 이 기호는 "공정"이라는 단어를 생략하고 "계열"만을 나타내는 기호입니다. 따라서, 예를 들어 "전기공학계열"을 축약하여 표기할 때 "
전기"와 같이 사용할 수 있습니다.