1과목: 임의 구분
1. 유압회로의 일부에 배압을 발생시키고자 할 때 사용하는 밸브는?
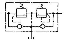
2. 그림과 같은 유압 회로에 대한 설명으로 틀린 것은?
3. 밸브의 복귀방법에서 내부의 파일럿-신호로서 복귀시키는 방식은?
4. 다음 공유압 기호가 나타내는 밸브의 명칭은?
5. 유압 펌프를 작동시켜도 압력이 형성되지 않는 원인으로 가장 거리가 먼 것은?
6. 자동화시스템의 구성요소 중 프로세서로부터 명령을 받아 기계적인 작업을 수행하는 것은?
7. 전동기가 기동이 되지 않을 때 점검항목에 속하지 않는 것은?
8. PLC를 동작시키는데 필요한 고유의 프로그램을 기억하는 메모리로 맞는 것은?
9. 물체에 직접 접촉하지 않고 그 위치를 검출하여 전기적인 신호를 발생시키는 센서는?
10. 다음 중 유도형센서에 대한 설명으로 틀린 것은?
11. 선반 베드에 주로 사용되는 재질에 해당하는 것은?
12. 센터리스 연삭기의 작업 특성에 대한 설명 중 옳은 것은?
13. 연삭숫돌의 결합도가 가장 높은 것은 무엇인가?
14. 초음파 가공시에 사용되는 연삭 입자의 재질이 아닌 것은?
15. 구성인선 방지대책을 설명한 것으로 틀린 것은?
16. 고속도강 공구에 물리적 증착법(PVD법)으로 코팅할 때 사용되며 코팅면이 금색을 나타내는 것은?
17. 절삭가공에서 공작물을 가공할 때 공작기계의 회전수가 일정하다고 가정한다면 공작물의 지름과 절삭속도의 관계를 바르게 설명한 것은?
18. 연성재료를 가공할 때 공구의 각도에 따라 유동형, 전단형, 열단형 등의 서로 다른 형태의 칩이 발생한다. 이 때 각도의 정확한 명칭은 무엇인가?
19. 래핑 작업 조건에 대한 설명 중 틀린 것은?
20. 공구마멸의 형태가 잘못 표현된 것은?
2과목: 임의 구분
21. 방전가공의 진행순서로 맞는 것은?
22. 전해연마시 철강용 전해 연마액의 주성분으로 사용되지 않는 것은?
23. 선반에서 중소형 공작물의 가공에 사용되는 센터는 일반적으로 몇 도(°)를 사용하는가?
24. 호닝가공에서 진직도의 불량 원인이 아닌 것은?
25. 슈퍼 피니싱으로 정밀가공할 때 가공조건에 대한 설명 중 틀린 것은?
26. 커터 날의 개수가 10개, 지름이 100mm, 날 하나에 대한 이송이 0.4mm이며, 절삭속도 90m/min로 연강재를 절삭하는 경우 밀링머신 테이블의 이송속도는?
27. 평말림 커터에 의한 절삭에서 1개의 날이 깍아내는 칩의 두께를 구하는 식은? (단, 절삭부의 폭을 bmm, 절삭 깊이를 dmm, 테이블의 매분 당 이송을 f mm/min, 커터의 외경을 Dmm, 회전수를 nr/min(=rpm), 날의 수를 Z개로 한다.)




28. 공작기계의 운전상태와 가공능력을 시험하는 시험 항목은 무엇인가?
29. 밀링머신에서 절삭속도 100m/min, 커터의 지름 100mm, 매 분당이송 300mm/min, 절삭저항(P)이 1200N, 이송분력(P2)이 30N일 대, 절삭 동력(PS)은 얼마인가?
30. 두께 40mm의 주철에 고속도강 드릴로 ø32mm의 구멍을 뚫을 때 절삭하는 시간은? (단, 회전수 n=216rpm, 이송 f=0.254mm/rev, 드릴의 원추높이는 16mm이다.)
31. 공작물의 재질이 연하여 숫돌입자의 표면이나 기공에 연삭칩이 메우는 현상은 무엇인가?
32. 드릴작업의 잘삭속도에 대한 설명 중 틀린 것은?
33. 시멘타이트는 표준 조직에서 펄라이트 속에 페라이트와 함께 층상으로 존재하든가 또 과공석강에서는 결정입계에 망상으로 나타나는데 이 경우 경도가 매우 높아져서 가공성이 나쁘고 균열이 쉽게 발생한다. 이를 개선하기 위해 시멘타이트가 구상 또는 입상으로 되게 하는 풀림을 무엇이라고 하는가?
34. 강괴를 탈산 정도에 따라 분류할 때 이에 해당하지 않는 것은?
35. 표점거리가 50mm, 두께가 2mm, 평행부 나비가 25mm인 강판을 인장시험을 하였을 때 최대하중은 25kN이었고, 파단 직전의 표점거리는 60mm가 되었다. 이 재료에 작용한 인장강도(N/mm2)는?
36. 표준조성이 4% Cu, 0.5% Mg, 0.5% Mn 등으로 구성된 알루미늄 합금으로 시효경화처리한 대표적인 고강도 합금은?
37. 절삭성이 우수한 황동 합금으로 정밀절삭가공이 필요하고, 강도는 그다지 필요하지 않는 시계나 계기용 기어, 나사, 볼트, 너트, 카메라 부품 등에 주로 사용되는 황동 합금은?
38. 스테인리스강 중에서 내식성이 가장 높고 비자성체이나 결정입계부식의 단점을 가지고 있어 이를 개량하여 공업에 주로 사용하는 것은?
39. 주철의 성장을 방지하는 방법으로 틀린 것은?
40. 표면거칠기 측정에 사용되는 단면 곡선 필터 중 거칠기와 파상도 성분 사이의 교처점을 정의하는 필터는?
3과목: 임의 구분
41. 다음 단위에 쓰이는 접두어 중 틀린 것은?
42. 다음 측정기 분류 중 시준기에 해당하지 않는 것은?
43. 피치 1.75mm의 미터나사의 유효 지름을 측정할 때 최적 삼침 지름은 약 몇 mm인가?
44. 기어를 검사용 마스터 원통기어와 백래시 없이 맞물려서 회전시켰을 때의 중심거리 변동을 측정하는 시험은?
45. 편측공차
을 동등양측공차로 옳게 변환한 것은?
46. 치공구를 사용하는 궁극적인 목적에 대하여 옳은 것만으로 나열한 것은?
47. 드랄지그에서 부시와 가공물 사이의 간격은 주철과 같이 전단형 칩(chip)으로 나타날 때는 어느 정도 하는 것이 가장 좋은가?
48. 좁은 장소에서 사용되며 스윙 클램프와 유사한 구조를 가진 클램프는?
49. 다음 중 한계 게이지(Limit gauge) 재료에 요구되는 성질로 거리가 먼 것은?
50. 다음 공구경 보정에 대한 설명 중 옳지 않은 것은?
51. 서보 모터의 엔코더에서 나오는 펄스열의 주파수로부터 속도를 제어하고 기계의 테이블에 위치검출 스케일을 부착하여 위치정보를 피드백 시키는 제어방법은?
52. CAD/CAM 시스템의 인터페이스 그래픽 표준규격 중 국제규격(ISO 10303)으로 인정된 것은?
53. DNC 시스템의 구성요소가 아닌 것은?
54. CNC 선반 작업 중에 간 칩이 발생하여 작업을 방해할 경우 칩을 짧게 절단하는 기능으로 드릴작업, 단면 홈작업, 보링 작업 등에 주로 사용되는 기능은?
55. np관리도에서 시료군 마다 시료수(n)는 100이고, 시료군의 수(k)는 20, ∑np=77 이다. 이때 np관리도의 관리상한선(UCL)을 구하면 약 얼마인가?
56. 그림의 OC 곡선을 보고 가장 올바른 내용을 나타낸 것은?
57. 미국의 마틴 마리에타사(Martin Marietta Corp.)에서 시작된 품질개선을 위한 동기부여 프로그램으로 모든 작업자가 무결점을 목표로 설정하고 처음부터 작업을 올바르게 수행함으로써 품질비용을 줄이기 위한 프로그램은 무엇인가?
58. 다음 중 단속생산 시스템과 비교한 연속생산 시스템의 특징으로 옳은 것은?
59. 일정 통제를 할 때 1일당 그 작업을 단축하는데 소요되는 비용의 증가를 의미하는 것은?
60. MTM(Method Time Measurement)법에서 사용되는 1 TMU(Time Measurement Unit)는 몇 시간인가?