1과목: 과목 구분 없음
1. x면에 작용하는 수직응력 σx=100MPa, y면에 작용하는 수직응력 σy=100MPa, x방향의 단면에서 작용하는 y방향 전단응력 τxy=20MPa일 때, 주응력 σ1, σ2의 값[MPa]은?
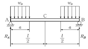
2. 그림과 같은 단순보(simple beam)에서 중앙 C점에서의 전단력 V와 굽힘모멘트 M의 값은? (단, 보의 자중은 무시한다.)
3. <보기>의 ㈎와 ㈏에 해당하는 것을 순서대로 바르게 나열한 것은?
4. 그림과 같이 상태 1에서 상태 2로 변화하는 이상 기체 상태변화의 이름과 상호 관계를 옳게 짝지은 것은?
5. 습증기의 건도는 액체와 증기의 혼합물 질량에 대한 포화증기 질량의 비로 나타낸다. 어느 1kg의 습증기의 건도가 0.6일 때, 이 습증기의 엔탈피의 값[kJ/kg]은? (단, 포화액체의 엔탈피는 500kJ/kg이며, 포화증기의 엔탈피는 2,000kJ/kg으로 계산한다.)
6. 기압계의 수은 눈금이 750mm이고, 중력 가속도 g=10m/s2인 지점에서 대기압의 값[kPa]은? (단, 수은의 온도는 10℃이고, 이때의 밀도는 10,000kg/m3로 한다.)
7. 아주 매끄러운 원통관에 흐르는 공기가 층류유동일 때, 레이놀드 수(Reynolds number)는 공기의 밀도, 점성계수와 어떤 관계에 있는가?
8. 압력이 600kPa, 비체적이 0.1m3/kg인 유체가 피스톤이 부착된 실린더 내에 들어 있다. 피스톤은 유체의 비체적이 0.4m3/kg이 될 때까지 움직이고, 압력은 일정하게 유지될 때 유체가 한 일의 값[kJ/kg]은? (단, 피스톤이 움직일 때 마찰은 없으며, 이 과정은 등압가역과정이라 가정한다.)
9. 아크 용접의 이상 현상 중 용접 전류가 크고 용접 속도가 빠를 때 발생하는 현상으로 가장 옳은 것은?
10. <보기>의 설명에 해당하는 용접 방법으로 가장 옳은 것은?
11. 선반(lathe)으로 직경 50mm, 길이 200mm인 재료를 200rpm으로 가공했을 때, 주분력이 400N이었다. 이때의 절삭동력의 값[kW]은? (단, 1kW=1kN·m/s이고, 원주율 π=3으로 간주한다.)
12. 소성가공에서 직접(전방)압출과 간접(후방)압출을 구분하는 기준에 대한 설명으로 가장 옳은 것은?
13. 보통선반의 구조에 대한 설명으로 가장 옳지 않은 것은?
14. 원통 용기 소재를 1차 드로잉률이 0.6, 재드로잉률이 0.8이 되도록 드로잉(drawing)을 실시하여 지름이 24mm인 원통 용기를 제작하였다. 처음 소재의 지름의 값[mm]은?
15. <보기>에서 설명한 특징을 모두 만족하는 입자가공 방법으로 가장 옳은 것은?
16. <보기>에서 구성인선(BUE : Built-Up Edge)을 억제하는 방법에 해당하는 것을 옳게 짝지은 것은?
17. 펌프 내 발생하는 공동현상을 방지하기 위한 설명으로 가장 옳지 않은 것은?
18. 유량이 0.5m3/s이고 유효낙차가 5m일 때 수차에 작용할 수 있는 최대동력에 가장 가까운 값[PS]은? (단, 유체의 비중량은 1,000kgf/m3이다.)
19. 기하공차의 종류와 그 기호가 바르게 연결되지 않은 것은?




20. <보기>에서 가는 2점 쇄선이 사용되는 경우에 해당 하는 것을 옳게 짝지은 것은?
σ1 = (σx + σy) / 2 + √((σx - σy) / 2)2 + τxy2
σ2 = (σx + σy) / 2 - √((σx - σy) / 2)2 + τxy2
따라서, 주어진 값들을 대입하면 다음과 같습니다.
σ1 = (100MPa + 100MPa) / 2 + √((100MPa - 100MPa) / 2)2 + 20MPa2 = 120MPa
σ2 = (100MPa + 100MPa) / 2 - √((100MPa - 100MPa) / 2)2 + 20MPa2 = 80MPa
따라서, 정답은 "120MPa, 80MPa" 입니다.