1과목: 과목 구분 없음
1. <보기>와 같은 저항 소자를 통해 0초부터 2초까지 +2A의 일정한 전류가, 2초부터 3초까지 -1A의 일정한 전류가, 3초부터 6초까지 +0.5A의 일정한 전류가 흘렀다. 0초부터 6초까지 A지점에서 B지점으로 이동한 총 알짜 전하량[C]은? (단, 양의 전류는 A지점에서 B지점으로 흐르는 전류이다.)
2. 10μF의 용량을 갖는 커패시터에 1ms 동안 0V에서 10V로 증가하는 입력전압이 가해졌을 때의 전류의 값[A]은?
3. <보기>의 회로에 대한 쌍대회로로 가장 옳은 것은?




4. <보기>와 같은 상자에 대전된 2개의 공이 들어있다. 해당 상자의 표면에서
을 계산한 결과가 +10C 이라고 한다. 2개 중 공 A는 대전된 전하량의 절댓값이 3C이고 극성은 모른다고 한다. 공 A와 공 B 사이에 인력이 발생한다면, 공 B의 전하량[C]은?
5. <보기>와 같이 A, B 2개의 지점에 점전하가 위치해 있다. A지점에 위치한 점전하의 전하량(+4C)만 알고 B지점에 위치한 점전하의 전하량은 모르고 있는 상태이다. 이때 A와 B 사이에, 두 지점으로부터의 거리가 같은 중앙선에서 계측 장비를 통하여 중앙선에 수직한 전기장 성분 En의 크기를 측정해본 결과, 중앙선의 모든 위치에서 OV/m의 값을 가진다는 사실을 확인하였다. 이와 같은 상황일 때, B지점에 위치한 점전하의 전하량[C]은? (단, 공간에는 A, B 2개 지점의 점전하를 제외하고는 어떤 외부전하도 존재하지 않는다.)
6. <보기>와 같이 자속밀도 2.4T인 자계 속에서 자계의 방향과 직각으로 놓여진 길이 50cm의 도체가 자계와 30° 방향으로 10m/s의 속도로 운동한다면 도체에 유도되는 기전력[V]은?
7. <보기>에서 점 P(0, 0, 0)에서의 자계의 크기가 0.5A/m가 되게 하는 부채꼴 도선에 흐르는 전류 I의 값[A]은? (단, 점 P에서 자계의 방향은 지면 앞이다.)
8. <보기>와 같이 시간영역으로 표현된 정현파 전압, 전류 파형이 있다. 이 전압, 전류를 페이저 영역으로 변환할 때 가장 적절히 변환된 페이저 영역 표현과 페이저도는? (단, 회전방향은 ω이며, 페이저도의 x축은 실수축, y축은 허수축이고, 페이저 영역 표현에서 전압과 전류의 크기는 각각 Vm, Im으로 표현한다.)
9. <보기>의 교류 전압 파형에 대한 설명으로 가장 옳지 않은 것은?
[V]이다.
이다.10. <보기>와 같은 회로의 합성 임피던스[Ω]는?
11. <보기>와 같은 4단자 회로망(two port network)의 Z 파라미터 중 Z22의 값[Ω]은?
12. <보기>의 회로를 노드전압법(Node-Voltage Method)으로 회로해석할 때, 생성할 수 있는 식으로 가장 옳지 않은 것은?




13. <보기>의 회로에서 스위치가 t=0인 시점에 개방이 된다고 가정한다. t=20ms가 될 때 커패시터의 전압값[V]은? (단, e-1=0.37, e-2=0.14, e-3 =0.05로 한다.)
14. 인덕턴스가 각각
,
인 두 개의 코일이 직렬 연결되어 있다. 자속을 강화시키는 경우와 자속을 감소시키는 경우로 직렬 연결할 때, 결합계수를 0.6으로 가정하면 각각의 연결에 대한 총 인덕턴스[mH]의 근삿값은?
15. 임의의 평면을 둘러싼 폐곡선에 대해서 벡터자위(vector magnetic potential)를 선적분하였을 때 얻어지는 물리량으로 가장 옳은 것은?
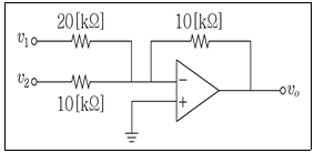
16. <보기>는 이상적인 연산증폭기를 사용하는 회로이다. 두 입력 v1, v2를 인가할 때, 출력전압 vo는?
17. <보기>와 같은 회로의 a-b단자에 최대전력이 전달되도록 저항 RL을 연결하였다고 가정할 때 저항 RL에서 소비되는 전력[W]은?
18. <보기>에서 원점에 위치한 +2C의 점전하가 있다. 주변 공간에 <보기>와 같은 경로를 따라서 -0.5C의 점전하를 a점에서 b점으로 이동시킬 때, 50J의 에너지가 발생한다면, b점에서 c점을 지나 d점으로 +0.5C의 점전하를 이동시킬 때 발생 혹은 입력되는 에너지[J]는? (단, +에너지는 에너지의 발생을, -에너지는 에너지의 입력을 의미하며, 각 지점 및 지점 간 경로는 <보기>의 점선으로 표시된 축을 기준으로 대칭적이다. 더불어서 해당 공간에 자기장은 존재하지 않는다.)
19. 평균 둘레 길이가 1m인 환상 원형 철심에 권선을 100회 감고 1A의 전류를 인가했을 때, 철심 내 자속 밀도가 0.04πWb/m2가 되게 하는 철심의 비투자율은? (단, 자유공간의 투자율은 μ0 = 4π×10-7H/m이며, 누설자속은 없다.)
20.
교류전원을 R=10[Ω]과 C=100[μF]으로 구성된 직렬부하에 인가하였을 때, i(t) = Imcos(1000t+θ)[A]의 부하전류가 측정되었다. Im[A]과 θ[rad]의 값을 옳게 짝지은 것은?