1과목: 과목 구분 없음
1. 전기난로가 직류전압(DC voltage) 100[V]의 전원에 연결되어 있을 때, 2[kW]의 전력을 소비한다고 하면, 전기난로의 저항 값[Ω]은?
2. 실리콘(silicon)에서 P형 반도체를 만드는 데 사용되는 억셉터(acceptor)로 가장 옳지 않은 것은?
3. <보기>와 같은 회로 기호의 명칭으로 가장 옳은 것은?
4. 부울 함수를 간단히 한 것으로 가장 옳지 않은 것은? (단, A'는 A의 부정이다.)
5. 무한히 긴 직선 도체에서 20[A]의 전류가 흐르고 있을 때, 자계(자기장)의 세기가 20[A/m]인 지점과 직선도체 사이의 거리[m]는? (단, 해당 지점은 직선 도체로부터 수직으로 떨어져 있고, π는 원주율을 의미한다.)
6. <보기> 회로에 주어진 파형이 입력되었을 때, 출력 파형으로 가장 옳은 것은? (단, 다이오드 통과 시 전압강하가 없다고 가정하고, R1=R2=1[kΩ]이다.)




7. 상태와 기능이 플립플롭과 유사한 것으로 가장 옳은 것은?
8. <보기> 회로가 전압 팔로워(Voltage Follower)로 동작하기 위한 조건으로 가장 옳은 것은?
9. <보기>와 같은 R-C회로에서 입력 전압이 Vin(t)로 주어질 때, 커패시터 C의 양단 전압 VC(t)와 Vin(t) 간의 관계식으로 가장 옳은 것은? (단, 회로에서 저항의 저항 값은 R[Ω], 커패시터의 정전용량은 C[F]이다.)




10. <보기> T형 귀환회로를 갖는 반전증폭기의 폐루프 이득 Av=Vo/Vi은? (단, 이상적인 연산증폭기로 가정한다.)
11. 제너 다이오드에 대한 설명으로 가장 옳지 않은 것은?
12. <보기>와 같이 두 전압원과 하나의 저항을 갖는 회로에서 전압 v[V]와 전류 i[mA] 값은?
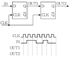
13. <보기> 회로에 두 입력신호(CLK, IN)가 인가되었을 때 출력파형(OUT1, OUT2)으로 가장 옳은 것은?




14. <보기> 논리회로의 기능을 나타낸 이름으로 가장 옳은 것은?
15. <보기>에서 “A”로 표시된 부분을 이상적인 OP-AMP라고 할 때, 회로의 각 저항들이 R1=R2, R3=R4의 조건을 만족할 경우 입력 전압 V1, V2와 출력 전압 Vout의 관계식으로 가장 옳은 것은?
16. 도체에서 일초당 도체의 단면을 통과하는 자유전자의 개수를 n[1/sec]이라 했을 때, 도체에 흐르는 전류(I)[A]값은? (단, e는 도체의 단면을 통과하는 자유전자 1개의 전하량이다.)
17. <보기>의 클랩 발진기에서 공진주파수 계산에 사용되는 등가커패시턴스(C)와 회로 발진시동에 필요한 전압이득(AV)의 수식으로 가장 옳은 것은?




18. <보기>와 같은 R-L 회로에서 입력 전압 Vin(t)와 저항 양단의 전압 VR(t)에 대한 Laplace 변환을 각각 Vin(s), VR(s)라 할 때, 전달함수 H(s)=VR(s)/Vin(s)를 구한 것으로 가장 옳은 것은? (단, 초기 조건은 모두 0이라고 가정한다.)
19. <보기> 회로의 10[kΩ]에서 (Vout_10kΩ) 구형파가 출력되었을 때, Vout에서 출력되는 파형의 모양과 주파수로 가장 옳은 것은?




20. 8진수 45.3을 10진수로 나타낸 것은?
2[kW] = (100[V])^2 / R
R = (100[V])^2 / 2[kW]
R = 5000[Ω]
따라서, 전기난로의 저항 값은 "5"입니다.