1과목: 과목 구분 없음
1. 단면이 300×500mm의 직사각형인 철근콘크리트 부재가 있다. 철근은 단면 도심에 대칭으로 배치되었으며, 철근 단면적 As=5,000mm2이다. 콘크리트의 건조수축으로 인해 철근에 발생하는 압축응력이 60MPa일 때, 건조수축에 의해 콘크리트에 발생하는 응력은? (단, 이 부재의 지점 변형은 구속되어 있지 않다.)
2. 휨을 받는 띠철근으로 보강된 직사각형 단면에서
일 때, 강도감소계수의 값은? (단, 인장 철근은 1열로 배치되어 있으며, d는 유효깊이, c는 중립축깊이, 철근 항복강도 fy=400MPa이고, 「콘크리트구조 기준(2012)」을 적용한다.)
3. 그림과 같은 정(+)의 휨모멘트가 작용하는 T형보를 설계할 때, 유효폭 be를 폭으로 하는 직사각형보로 해석 할 수 있는 유효폭 be의 최솟값은? (단, fck=20MPa, fy=400MPa이고, 「콘크리트구조기준(2012)」을 적용한다.)
4. 철근콘크리트 압축부재의 장주설계에 대한 설명으로 가장 옳지 않은 것은? (단, 「콘크리트구조기준(2012)」을 적용한다.)
5. 큰 처짐에 의해 손상되기 쉬운 칸막이벽이나 기타 구조물을 지지하지 않는 지간 5m의 1방향 슬래브가 단순 지지되어 있다. 처짐을 계산하지 않는 경우, 슬래브의 최소 두께는? (단, 부재는 보통중량 콘크리트와 설계기준항복강도 300MPa 철근을 사용한 리브가 없는 1방향 슬래브이고, 「콘크리트구조기준(2012)」을 적용한다.)
6. RC복철근 직사각형 단면의 보에서 인장철근의 단면적은 그대로인 상태로 압축철근의 단면적만 2배로 증가시켰을 때, 단면의 응력 및 변형률 분포에 대한 설명으로 옳지 않은 것은? (단, 두 경우 모두 인장 및 압축철근은 항복한 것으로 가정한다.)
7. 프리텐션 부재에 프리스트레스를 도입하였을 때, 도입직후 긴장재 도심 위치에서의 콘크리트 응력(fcs)이 7MPa로 산정되었다. 크리프 계수 Cu=2.0, 탄성계수 비 n=Ep/Ec=6, 콘크리트 건조수축변형률 εsh=20×10-5, 긴장재의 탄성계수 Ep=2.0×105MPa일 때, 콘크리트의 크리프와 건조수축으로 인한 프리스트레스 손실량의 합은?
8. 2방향 슬래브 구조를 해석하기 위한 근사적 방법인 직접설계법을 적용하기 위한 제한사항으로 옳지 않은 것은? (단, 「콘크리트구조기준(2012)」을 적용한다.)
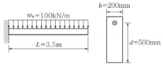
9. 그림과 같은 철근콘크리트 내민보에 자중을 포함한 계수등분포하중(wu)이 100kN/m로 작용할 때, 위험단면에서 전단보강철근이 부담해야 할 최소의 전단력(Vs)을 부담한다면 전단보강철근의 최대간격은 얼마 이하여야 하는가? (단, 보통중량 콘트리트를 사용하였으며, fck=36MPa, 전단철근의 단면적 Av=400mm2, fyt=300MPa이며, 「콘크리트구조기준(2012)」을 적용한다.)
10. 그림과 같이 하중을 받은 무근콘크리트 내민보의 단면에서 휨균열이 발생하는 보의 최대 높이 h는? (단, 콘크리트는 보통중량 콘크리트, 설계기준강도 fck=36MPa, 「콘크리트구조기준(2012)」을 적용한다.)
11. 인장 이형철근 및 이형철선의 정착길이 ld는 기본정착 길이 ldb에 보정계수를 고려하는 방법이 적용될 수 있다. <보기>는 기본정착길이 ldb를 구하기 위한 식이다. 이 식에 적용되는 보정계수 α, β, λ에 대한 설명 중 옳지 않은 것은?
12. 그림과 같은 정사각형 띠철근 기둥(단주)에 편심을 갖는 공칭 축하중 Pn 이 작용하여 압축응력블록의 깊이 a가 255mm이라면 인장철근력 T의 크기는? (단, fck=20/0.85MPa, a=0.85×300mm, AsA's=1,000mm2, fy=400MPa, Es=2×105MPa이다.)
13. 그림과 같은 긴장재를 절곡 배치한 프리스트레스트 콘크리트 부재의 A-A 단면에서 프리스트레스 힘에 의해 작용하는 단면력이 옳은 것은?




14. 옹벽 설계에 대한 설명으로 옳지 않은 것은? (단, 「콘크리트구조기준(2012)」을 적용한다.)
15. 그림과 같은 철근콘크리트 확대기초에서 긴변 방향의 위험단면에서 휨모멘트는? (단, 하중은 계수하중이다.)
16. 철근콘크리트 부재나 프리스트레스트 부재의 경우 <보기>의 식에 따라 최소 전단철근량을 산정하여야 한다. 최소 전단철근에 관한 설명 중 옳지 않은 것은?
17. 프리스트레스트콘크리트 설계에 관한 설명으로 옳지 않은 것은? (단, 「콘크리트구조기준(2012)」을 적용한다.)
18. 단철근 직사각형보의 압축연단 콘크리트가 가정된 극한변형률인 0.003에 도달할 때 최외단 인장철근의 순인장변형률 εt가 인장지배한계변형률 한계 이상인 단면을 유지할 수 있는 최대철근비 pt는 균형철근비 pb의 몇 배인가? (단, fy=600MPa, fck=25MPa, 「콘크리트구조기준(2012)」을 적용한다.)
19. 그림과 같은 보에서 4개의 종방향 인장철근 중 2개를 절단할 수 있는 이론적인 절단점의 길이 x는? (단, 인장 철근이 2개인 단면의 설계휨모멘트 øMn=100kN· m)
20. 「도로교 설계기준(2015)」에 제시된 콘크리트 교량구조의 한계상태에 대한 설명으로 가장 옳지 않은 것은?