1과목: 과목 구분 없음
1. 그림과 같은 단순보에서 다음 항목 중 0의 값을 갖지 않는 것은? (단, 단면은 균일한 직사각형이다)
2. 그림과 같은 단순보에서 다음 설명 중 옳은 것은? (단, 단면은 균일한 직사각형이고, 재료는 균질하다)
3. 그림과 같은 게르버보에 하중이 작용하고 있다. A점의 수직반력 RA가 B점의 수직반력 RB의 2배(RA=2RB)가 되려면, 등분포 하중 w[kN/m]의 크기는? (단, 보의 자중은 무시한다)
4. 그림과 같이 등분포 고정하중이 작용하는 단순보에서 이동하중이 작용할 때 절대 최대 전단력의 크기[kN]는? (단, 보의 자중은 무시한다)
5. 그림과 같이 폭이 b이고 높이가 h인 직사각형 단면의 x축에 대한 단면2차모멘트 Ix1과 빗금친 직사각형 단면의 x축에 대한 단면2차모멘트 Ix2의 크기의 비
는?
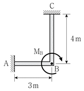
6. 그림과 같이 하중을 받는 구조물에서 고정단 C점의 모멘트 반력의 크기[kNㆍm]는? (단, 구조물의 자중은 무시하고, 휨강성 EI는 일정, MB=84kNㆍm이다)
7. 그림과 같이 두 개의 우력모멘트를 받는 단순보 AE에서 A 지점 처짐각의 크기(
)와 C점 처짐의 크기(
)를 구하였다. 상수 a와 b의 값은? (단, 보 AE의 휨강성 EI는 일정하고, 보의 자중은 무시한다)(순서대로 a, b)
8. 그림과 같은 하중을 받는 단순보에서 인장응력이 발생하지 않기 위한 단면 높이 h의 최솟값[mm]은? (단, h=2b, 50kN의 작용점은 단면의 도심이고, 보의 자중은 무시한다)
9. 그림과 같은 단순보의 C점에 스프링을 설치하였더니 스프링에서의 수직 반력이 P/2가 되었다. 스프링 강성 k는? (단, 보의 휨강성 EI는 일정하고 보의 자중은 무시한다)




10. 보의 탄성처짐을 해석하는 방법에 대한 다음 설명으로 옳지 않은 것은?
=M(x)를 두 번 적분하여 처짐 v를 구할 수 있는데, 이러한 해석법을 이중적분법(Double Integration Method)이라고 한다.11. 그림과 같이 단순보에 2개의 집중하중이 작용하고 있을 때 휨모멘트선도는 아래와 같다. C점에 작용하는 집중하중 PC와 D점에 작용하는 집중하중 PD의 비(Pc/PD)는?
12. 그림과 같이 부재에 하중이 작용할 때, B점에서의 휨모멘트 크기[kNㆍm]는? (단, 구조물의 자중 및 부재의 두께는 무시한다)
13. 그림과 같이 2개의 부재로 연결된 트러스에서 B점에 30kN의 하중이 연직방향으로 작용하고 있을 때, AB 부재와 BC 부재에 발생하는 부재력의 크기 FAB[kN]와 FBC[kN]는?(순서대로 FAB, FBC)
14. 그림과 같은 내민보에 집중하중이 작용하고 있다. 한 변의 길이가 b인 정사각형 단면을 갖는다면 B점에 발생하는 최대 휨응력의 크기는
이다. a의 값은? (단, 보의 자중은 무시한다)
15. 그림과 같이 우력모멘트를 받는 단순보의 A 지점 처짐각의 크기는
이다. a의 크기는? (단, 보의 휨강성 EI는 일정하고 보의 자중은 무시한다)
16. 그림과 같이 하중을 받는 스프링과 힌지로 지지된 강체 구조물에서 A점의 변위[mm]는? (단, MB=30Nㆍm, k1=k2=k3=5kN/m, L1=2m, L2=L3=1m, 구조물의 자중은 무시하며 미소변위이론을 사용한다)
17. 그림과 같은 직사각형 단면(폭 b, 높이 h)을 갖는 단순보가 있다. 이 보의 최대휨응력이 최대전단응력의 2배라면 보의 길이(L)와 단면 높이(h)의 비(L/h)는? (단, 보의 자중은 무시한다)
18. 그림과 같은 가새골조(Braced Frame)가 있다. 기둥 AB와 기둥 CD의 유효좌굴길이계수에 대한 설명으로 옳은 것은?
19. 그림 (a)와 같은 이중선형 응력변형률 곡선을 갖는 그림 (b)와 같은 길이 2m의 강봉이 있다. 하중 20kN이 작용할 때 강봉의 늘어난 길이[mm]는? (단, 강봉의 단면적은 200mm2이고, 자중은 무시하며, 그림 (a)에서 탄성계수 E1=100GPa, E2=40GPa이다)
20. 다음 설명에서 틀린 것만을 모두 고르면?
이유는 단면의 중립축에서는 휨응력이 0이므로, 전단응력만이 존재합니다. 따라서 양단지점에서의 전단응력은 중립축에서의 전단응력과 같습니다.