1과목: 과목 구분 없음
1. 마찰력에 대한 일반적인 설명으로 옳지 않은 것은?
2. 그림과 같은 직사각형 단면의 x, y축에 대한 단면 상승모멘트 Ixy[mm4]는?
3. 그림과 같이 원점에 작용하는 세 힘이 정적 평형 상태에 있기 위해서 필요한 힘 F의 크기[kN]와 x축과 이루는 각 θ[°]는?
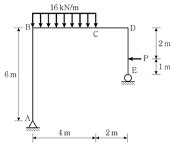
4. 그림과 같이 하중을 받는 라멘구조에서 C점의 휨모멘트가 0이 되기 위한 집중하중 P[kN]는? (단, 휨강성 EI는 일정하고, 자중은 무시한다)
5. 그림과 같이 길이가 1m, 지름이 50mm인 강봉에 인장력 P가 단면의 도심에 작용하여 강봉의 길이는 1,005mm, 지름은 49.9mm가 되었다. 강봉의 푸아송비는?
6. 그림과 같은 T형 단면의 수평 소성중립축에 대한 소성모멘트 MP는? (단, 단면은 탄성-완전소성 재료로 구성되어 있으며, 인장과 압축의 항복응력은 σy이다)
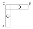
7. 그림과 같은 부정정 구조물에서 정성적인 축력도로 옳은 것은? (단, 휨강성 EI와 축강성 EA는 일정하고, 자중은 무시한다)




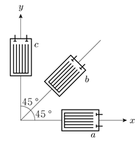
8. 그림과 같이 강재 표면에 변형률 로제트 게이지를 붙여 평면변형률을 측정한 결과 εa = 2×10-7, εb = 4×10-7, εc = 6×10-7이었다. 최대 주변형률 ε1은?
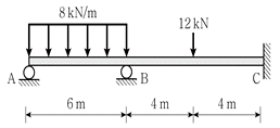
9. 그림과 같이 직사각형 단면의 단순보에 집중하중과 등분포하중이 작용하고 있다. C점에 발생하는 휨응력(σ)과 전단응력(τ)의 크기[MPa]는? (단, 휨강성 EI는 일정하고, 자중은 무시한다)
10. 그림과 같이 길이 L인 단순보에 집중하중 P, 등분포하중 w, 모멘트하중 M이 작용하고 있다. 지점 C에 작용하는 모멘트하중 M=PL/2 이고, 등분포하중 w=2P/L 일 때, 지점 A에서의 처짐각 크기는? (단, 휨강성 EI는 일정하고, 자중은 무시한다)




11. 그림과 같이 트러스에 집중하중이 작용할 때, EF 부재의 부재력[kN]은? (단, 자중은 무시한다)
(압축)
(인장)
(압축)
(인장)12. 그림과 같은 내민보에서 지점 B의 상향 수직반력이 3P일 때, 길이 비 b/a 는? (단, 자중은 무시한다)
13. 그림과 같이 단순보 AB에 하중이 작용하여 전단력도가 아래와 같이 도식되었다면, 등분포하중의 크기[kN/m]는? (단, 자중은 무시한다)
14. 그림과 같이 등분포하중을 받는 외팔보의 고정단 A, 자유단 B 및 중앙점 C에서의 곡률반경을 각각 ρA, ρB, ρC라고 할 때, 곡률반경 비
와
는? (단, 휨강성 EI는 일정하고, 자중은 무시한다)
15. 그림과 같은 연속보에 하향의 등분포 활하중이 작용할 때, E점의 정모멘트가 가장 큰 것은? (단, 휨강성 EI는 일정하고, 등분포하중의 크기는 모두 동일하다)




16. 그림과 같이 3활절 아치에 등분포하중이 작용할 때, D점에 발생하는 휨모멘트의 크기[kNㆍm]는? (단, 휨강성 EI와 축강성 EA는 일정하고, D점의 위치는 계산 편의를 위한 수치이며, 자중은 무시한다)
17. 안지름이 420mm인 얇은 벽으로 된 원통형 압력용기가 3MPa의 내부압력을 받고 있다. 원주방향의 허용응력이 90MPa일 경우 필요한 최소 두께[mm]는?
18. 그림과 같이 지름이 D인 원형단면을 가지는 일단 고정 타단 자유인 탄성좌굴 기둥부재에 압축력 P가 작용하고 있다. 이에 대한 설명으로 옳지 않은 것은? (단, E는 탄성계수, I는 단면 2차모멘트이고, 자중은 무시한다)




19. 그림과 같은 게르버보의 C점에서 수직처짐은? (단, 휨강성 EI는 일정하고, 자중은 무시한다)




20. 그림과 같은 부정정보의 C점에서 발생하는 부모멘트의 크기[kNㆍm]는? (단, 휨강성 EI는 일정하고, 자중은 무시한다)