1과목: 디지털 전자회로
1. 다음 그림은 콜피츠 발진회로를 변형한 클랩 발진회로이다. 안정한 주파수를 얻기 위해 C1, C2를 C3에 비해 매우 크게 하였을 때, 이 발진회로의 발진주파수는? (단, C3=0.001[μF], L=1[mH])
2. 그림과 같은 회로에 대한 설명 중 옳은 것은?
3. 다음은 BJT 증폭기 회로를 나타내었다. 커패시터 CE를 사용한 목적으로 적절한 것은?
4. 다음 회로 중 결합상태가 직류로 구성된 멀티바이브레이터 회로는?
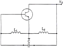
5. 다음 회로는 무엇을 가리키는가?
6. 다음 등가회로와 관련된 트랜지스터 증폭기 회로의 특징으로 틀린 것은?
7. 그림과 같은 다이오드 게이트의 출력값은?
8. 8[MHz] 구형파를 카운터의 입력으로 인가할 때, 250[kHz]를 얻기 위해 필요한 카운터의 비트수는 얼마인가?
9. 다음 논리도는 무슨 회로인가?
10. 다음은 궤환율이 0.04인 부궤환 증폭기 회로이다. 저항 Rf는?
11. 교류입력에 대해 브리지 정류기의 다이오드 동작 조건에 대한 설명으로 적절한 것은?
12. 불 대수식
를 간단히 하면?
13. 다음 중 플립플롭과 관계가 없는 것은?
14. 이상적인 차동증폭기의 동상제거비(CMRR)는?
15. 정류회로의 부하에 병렬로 연결한 용량성 평활회로에서 부하저항의 감소에 따른 리플 전압의 변화로 적절한 것은?
16. 그림과 같은 클램핑 회로의 출력 파형은?




17. 다음 회로에서 맥동률을 개선하고자 한다. 가장 관련 있는 것은?
18. 변조도 80[%]로 진폭변조한 피변조파에서 반송파의 전력 Pc와 상측파대 또는 하측파대의 전력 Ps와의 비율은?
19. 다음 중 보수 발생기가 필요한 회로는?
20. DPSK 복조에 주로 이용되는 방식은?
2과목: 무선통신 기기
21. 축전지 취급상의 주의할 점이 아닌 것은?
22. AM 송신기에서 원발진 주파수가 30[MHz]이고 3단의 체배단을 사용할 때 제1단은 doubler, 제2단은 tripler, 제3단은 push-pull 전력 증폭회로를 사용하면 출력단의 반송파 주파수는?
23. 축전지에 사용되는 AH(암페어시)는 무엇을 나타내는데 사용되는가?
24. FM 수신기의 구성에 해당되지 않는 것은?
25. 총 전송한 비트수가 107개이고 이중에 두개의 비트에서 에러가 발생한 경우 BER은 얼마인가?
26. CDMA(Code Division Multiple Access)의 특징 중 맞는 것은?
27. 다음은 UPS의 On-Line 방식에 대해 설명한 것이다. 잘못된 것은?
28. FM 수신기의 감도 측정에는 어떤 측정 방법이 사용되는가?
29. 정격부하일 때 전압이 200[V], 무부하시 전압이 220[V]인 전원이 있을 때 전압변동율은?
30. 슈퍼헤테로다인 수신기의 특징 중 옳은 것은?
31. 다음은 축전지의 용량을 설명한 것이다. 올바른 것은?
32. 다음 중 PLL(Phase Locked Loop)의 용도가 아닌 것은?
33. 수신 주파수가 850[kHz]이고 국부발진주파수가 1,305[kHz]일 때, 영상 주파수는 몇 [kHz]인가?
34. 단상 반파 정류 회로에서 출력전력에 대한 설명 중 올바른 것은?
35. 다음 중 레이더를 설명한 것으로 가장 적합한 것은?
36. BER(Bit Error Rate)에 대한 다음 설명 중 틀린 것은?
37. 주파수가 50[kHz]인 정현파 신호를 100[MHz]의 반송파로써 주파수 변조하여 최대주파수 편이가 500[kHz]가 되었다고 하자. 발생된 FM 신호의 대역폭과 FM 변조지수는 각각 얼마인가?
38. 다음 중 UPS의 구성요소가 아닌 것은?
39. 안테나의 실효고를 바르게 설명한 것은?
40. 무선 수신기에 수신되는 신호 중 원하는 신호를 끌어내는 능력에 해당하는 것은?
3과목: 안테나 공학
41. 다음 중 수직편파 안테나가 아닌 것은?
42. 도파관의 임피던스 정합 방법에 해당하지 않는 것은?
43. 수직편파 수직면내 무지향성 안테나로서 이득이 좋아서 이동통신 기지국용 안테나로 많이 사용하는 안테나는?
44. 산악주위에서 AM 방송이 FM 방송보다 수신 상태가 좋은 것은 전파의 어떤 현상 때문인가?
45. 전자파 발생 원리 중 “자계의 세기를 변화시키면 그 주위에 전류가 발생되고 발생된 전류는 자계의 변화를 방해하는 방향으로 흐른다.” 이 문장에는 두 개의 법칙이 존재한다. 맞는 것은?
46. 이동체 움직임에 따라 수신신호 주파수가 변화하는 현상을 무엇이라 하는가?
47. 다음 중 진행파와 반사파가 모두 존재하는 급전선은?
48. 지표파 전파의 특징과 관계없는 것은?
49. 다음 중 진행파에 관한 특징으로 옳지 않은 것은?
50. 다음 중 파장이 가장 짧은 주파수대는?
51. 전자파가 전리층을 통과하게 되면 자계의 영향으로 편파면이 회전을 하게 되는데 이러한 현상을 무엇이라 하는가?
52. 마이크로파 대역에서 주로 사용하는 지상파는?
53. 대기 중에서 비, 구름, 안개 등에 의한 전자파의 흡수 또는 산란 상태가 변화하기 때문에 발생하는 페이딩은?
54. 비동조급전의 특징으로 옳지 않은 것은?
55. 전리층의 임계주파수가 4[MHz]이고 송수신점 간의 거리가 500[km]이며, 전리층의 겉보기 높이가 250[km]일 때 MUF는 대략 얼마인가?
56. 다음 중 전파의 성질에 관한 설명 중 잘못된 것은?
57. 다음 중 스미스 차트를 이용하여 구할 수 있는 것은?
58. 길이 20[m]의 λ/4 수직 공중선의 고유파장과 고유주파수는 얼마인가?
59. 다음 중 백색잡음에 대한 설명으로 적합하지 않은 것은?
60. 접지안테나의 손실저항 종류가 아닌 것은?
4과목: 무선통신 시스템
61. 송신기에서 발사되는 고조파의 방사를 적게 하기 위한 방법이 아닌 것은?
62. CDMA 이동통신 시스템이 주파수 재사용 계수가 1이고, 25[MHz]의 대역폭, 1.25[MHz]의 채널 대역폭, RF 채널당 38개의 호 등이 주어졌을 때 셀당 허용 가능한 최대 호(call) 수는?
63. 다음 중 하나의 통신 경로를 다수의 사용자들이 동시에 사용할 수 있게 해주는 프로토콜 기능은?
64. 정지 위성 통신 시스템의 특징이 아닌 것은?
65. 위성 통신의 다중 접속 방식 중 간섭 및 방해에 가장 강한 방식은?
66. 다음의 ASCII 제어문자 중에서 수신기로부터 송신기로 긍정적인 응답을 보내기 위한 것은?
67. 64진 QAM의 대역폭 효율은 얼마인가?
68. 프로토콜에 대한 다음 설명 중 빈칸에 적당한 것은?
69. 어떤 지역에 200개의 기지국이 시설되어 운용 중에 있다고 가정한다면 1.8[GHz]대의 1FA당 트래픽 수용용량은? (단, 1FA당 트래픽 수용용량은 2,294이다.)
70. 통신시스템의 장애를 극복하기 위한 H/W redundancy 방안이 아닌 것은?
71. 다음의 설명에 해당되는 프로토콜 요소는 어느 것인가?
72. 무선통신시스템에서 전송용량이 10,000[bps]이고, 신호대잡음비(S/N)가 15일 때 필요한 대역폭은 몇 [Hz]인가?
73. 이동전화망에서 단말기가 한 셀에서 다른 셀로 이동할 때 통신하던 기지국과의 통신을 끊고 새로운 기지국과 통신을 시작하게 되는데, 이런 상황을 무엇이라고 하는가?
74. PCM에서 양자화시 계단의 크기(step size)를 작게하는 경우 양자화 잡음과 경사(구배)과부하 잡음은 각각 어떻게 되는가?
75. WCDMA 채널 구조 중에서 무선인터페이스 프로토콜에 대한 설명이다. 다음 중 해당하는 은?
76. 다음 스펙트럼 확산(spread spectrum) 변조방식에 관한 설명 중 틀린 것은?
77. 애드혹 네트워크(Ad-hoc Network)에 대한 설명이 옳은 것은?
78. 방송국의 공중선 전력이 5[kW]에서 20[kW]로 증가되면 전계가도는 몇 배가 되는가?
79. 중ㆍ장파 대역이 지표파에 의해 전파되는 과정에서 다음 중 어디에서 가장 감쇠가 많이 일어나는가?
80. 다음 중 무선 LAN의 특징으로 적합하지 않은 것은?
5과목: 전자계산기 일반 및 무선설비기준
81. 마이크로프로세서의 시스템 버스에 해당하는 것끼리 올바르게 짝지어진 것은?
82. 무선설비의 공중선계에는 어떤 안전시설을 설치하여야 하는가?
83. 주소지정방식 중 명령어 내에 오퍼랜드 필드의 내용이 데이터의 유효주소가 되는 주소지정방식은?
84. 다음 중 무선국의 개설허가를 받고자 제출하는 허가 신청서에 첨부하여야 하는 서류는?
85. 중대한 전파 장해를 주거나 전자파로부터 정상적인 동작을 방해받을 정도의 영향을 받는 방송통신기자재 등에 대하여 인증하는 행위는
86. 다음 지문에서 설명하고 있는 운영체제의 종류는?
87. 긴급통신ㆍ안전통신 또는 비상통신에 관한 의무를 이행하지 아니한 자에 대한 처분으로 가장 적합한 것은?
88. 준공검사를 받지 아니하고 운용할 수 있는 무선국이 아닌 것은?
89. 16진수의 값 '12345678'을 기억장치에 저장하려고 한다. Little Endian 방식으로 저장된 것은 어느 것인가?




90. 무선통신업무를 종사하는 자는 몇 년마다 1회의 통신보안교육을 받아야 하는가?
91. 두 개의 레지스터에 십진수의 1과 -1에 해당하는 이진수가 저장되어 있다. 이 두 레지스터에 덧셈 연산을 수행한 결과는 다음의 어느 것인가?
92. DMA가 CPU에게 버스 사용권을 얻어 한 개의 워드를 전송하는 것을 무엇이라 하는가?
93. 다음 지문에서 설명하는 운영체제의 유형은?
94. 시프트 레지스터(shift register)의 내용을 오른쪽으로 2비트 이동시키면 원래 저장되었던 값은 어떻게 변화되는가?
95. 다음 지문이 의미하는 소프트웨어는 무엇인가?
96. “방송통신위원회는 「외기권에 발사된 물체의 등록에 관한 협약」에 따라 대한민국 국민이 인공위성을 ( )에 등록하여야 한다.” 괄호에 들어갈 말은?
97. 두 이진수 01101101과 11100110을 연산하여 결과가 10011011이 나왔다. 다음의 어떤 연산을 한 것인가?
98. R3E, H3E, J3E 전파형식을 사용하는 모든 무선국의 무선설비 점유주파수대폭의 허용치로 맞는 것을 고르시오.
99. 다음 중 필요주파수대폭 202[MHz]를 바르게 표시한 것은?
100. 무선국 정기검사의 유효기간에 대한 설명이다. 맞지 않는 것은?
f = 1 / (2π√(LC))
여기서 C1, C2가 C3에 비해 매우 크다고 했으므로, C1과 C2는 전체 용량의 대부분을 차지하게 된다. 따라서 C1과 C2를 무시하고 C3만 고려하면, 발진주파수는 다음과 같이 근사할 수 있다.
f ≈ 1 / (2π√(C3L))
여기에 C3=0.001[μF], L=1[mH]를 대입하면,
f ≈ 1 / (2π√(0.001 × 0.001))
f ≈ 159[kHz]
따라서 정답은 "약 159[kHz]"이다.