1과목: 디지털 전자회로
1. 다음 그림은 정류회로의 입력파형과 출력파형을 나타내었다. 주어진 입출력 특성을 만족시키는 정류회로는? (단, 다이오드의 문턱전압은 0.7[V]이고, 변압기의 권선비는 1:1이라 가정한다.)
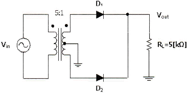
2. 다음 그림에서 1차측과 2차측의 권선비가 5:1일 때, 1차측의 입력전압 Vrms=120[V]이다. 2개의 다이오드가 이상적이라고 가정할 때 직류 부하 전류의 평균치는 약 얼마인가?
3. 무부하일 때 직류 출력전압이 120[V]인 전원회로의 전압 변동률이 20[%]일 때 이 전원회로의 부하시 직류 출력전압은 얼마인가?
4. 다음 캐스코드 증폭기에 대한 설명으로 틀린 것은?
5. 전력증폭기의 직류공급 전압은 12[V], 전류는 400[mA]이고 효율이 60[%]일 때 부하에서의 출력전력은?
6. 선형 증폭기 동작을 위한 바이어스 조건은?
7. 이상적인 OP-AMP의 특성으로 틀린 것은?
8. 그림은 윈-브릿지(Wein-bridge) 발진회로이다. R1, R2 값이 감소할 경우 발진주파수의 변화는?
9. 발진을 위한 조건으로 적합한 것은?
10. 주파수변조를 진폭변조와 비교할 경우 잘못된 것은?
11. 정보 전송의 변복조 기술에서 반복 주기가 일정한 펄스의 시간폭을 신호파의 진폭에 대응하여 변화시키는 방식은?
12. 멀티바이브레이터의 단안정, 무안정, 쌍안정의 동작은 어떻게 결정되는가?
13. 그림과 같은 회로에 대한 설명 중 옳은 것은?
14. 다음 논리 함수
를 간소화하면 옳은 것은?



15. 2-out of-5 code에 해당하지 않는 것은?
16. 다음 중 두 게이트 입력이 0과 1일 때, 1의 출력이 나오지 않는 것은?
17. 30:1의 리플계수기를 설계할 때 최소로 필요한 플립플롭의 수는?
18. 반감산기의 동작을 옳게 나타낸 것은?
19. 비동기 카운터와 관계없는 것은?
20. 다음의 디지털 장치에서 디코더(decoder)의 반대 동작을 하는 장치는?
2과목: 무선통신 기기
21. 수정발진기에서 수정진동자의 직렬공진주파수를 fs, 병렬공진주파수를 fp라고 할 때, 안정된 발진을 위한 동작출력주파수 fo는?
22. 수신기의 전기적 성능 중 수신기에 일정 주파수 및 일정 진폭의 희망파를 가할 때, 재조정하지 않고 오랜 시간동안 일정 출력을 얻을 수 있는가를 나타내는 지수는?
23. 페이딩(Fading)에 의한 수신전계강도 변화에 대해 수신기 출력을 일정하게 하기 위한 회로는?
24. 위성 통신에 사용되는 주파수 대역 중 12.5~18[GHz]를 무엇이라고 하는가?
25. 다음 중 아날로그 신호의 진폭변조(AM) 방식에 해당되지 않는 것은?
26. 100[MHz]의 반송파로 주파수가 50[KHz]인 정현파 신호를 주파수 변조할 때 주파수 감도계수 ?? =100을 사용한다고 가정하자. 정현파 신호의 진폭을 10으로 하였을 때 FM 변조된 신호의 대역폭은?
27. 이진변조에서 M-진 변조로 확장할 때 다음 중 주파수 효율이 가장 낮은 변조방식은?
28. 다음은 어떤 변조방식의 성상도를 나타낸 것인가?
29. 다음은 UPS의 LINE 인터랙티브 방식에 대한 설명이다. 올바른 것은?
30. 다음은 정류회로에 대한 설명이다. 올바르지 못한 것은?
31. 평활회로에서 콘덴서 입력형에 대한 설명으로 적절치 못한 것은?
32. 전원회로에 관한 설명 중 서로 관계가 먼 것은?
33. 전압형 인버터 시스템의 구성에 대한 설명으로 잘못된 것은?
34. 정전압 회로는 제어부의 연결 형태에 따라 분류를 하는데 이에 해당되지 않는 것은?
35. 단상 전파 정류회로에서 직류 출력전류의 평균치를 측정하면 어떤 값이 얻어지는가? (단, Im 은 입력 교류전류의 최대치이다.)
36. 송신기의 변조특성은 여러 가지 요소를 이용하여 나타낼 수 있는데, 이에 해당하지 않는 것은?
37. 블리더(bleeder) 저항을 사용하면 어떻게 되는가?
38. 다음 중 스퓨리어스 발사에 포함되지 않는 것은?
39. 수신기의 성능을 나타내는 요소 중 충실도란 무엇을 말하는가?
40. 이동통신에서 사용되는 디지털 변조방식 중에서 에러발생확률 측정시 그 값이 가장 낮은 방식은? (단, 진수는 같은 경우이다.)
3과목: 안테나 공학
41. 평면파의 설명으로 잘못된 것은? (단, εO진공의 유전율, μO: 진공의 투자율, εs: 비유전율, μs: 비투자율, c: 빛의 속도)
[m/sec]이다.
[Ω]이다.42. 비유전율(εs)이 1이고 비투자율(μs)이 9인 매질 내를 전파하는 전자파의 속도는 자유공간을 전파할 때와 비교해서 몇 배의 속도가 될까?
43. 다음 중 자유공간에서 전력밀도 P를 옳게 표현한 식은? (단 E는 전계의 세기, H는 자계의 세기이다.)




44. 그림과 같은 무손실 급전선에서 정재파 전압의 최대치가 300[V]라면 최소치 전압은 얼마인가?
45. 스미스 도표에서 그림과 같이 동심원 A에서 동심원 B로 원의 반지름이 커졌을 때 설명이 옳지 않은 것은?
46. 공기로 채운 슬롯(slot) 선로에서 정재파비(VSWR)가 4이고, 연속적인 전압의 최대값 사이가 15[cm]의 간격이다. 최초의 전압의 최대값은 부하로부터 7.5[cm] 앞에서 존재한다. 선로의 임피던스가 300[Ω]일 때 부하 임피던스는?
47. 그림에서 정규화 임피던스 1-j1[Ω]에 해당하는 지점은 어느 곳인가?
48. 분포정수형 평형-불평형 변환회로가 아닌 것은?
49. 개구 면적이 2.5[m2]인 파라볼라 안테나를 2[GHz] 주파수에서 사용할 때, 절대이득이 30[dB]이면 이 안테나의 개구효율은 약 얼마인가?
50. 주파수가 15[MHz]인 전기적 미소다이폴의 복사전계가 그 정전계보다 이론상 커지는 것은 송신안테나에서 대략 얼마만큼 떨어진 곳에서부터인가?
51. 자유공간에서 어떤 안테나가 200[W]의 전력을 방사할 때, 최대 방사방향의 송신점으로부터 50[km] 점에서 전기장 세기가 4[mV/m]이다. 이 안테나의 상대이득은 얼마인가? (단, log2=3으로 계산한다.)
52. 안테나의 기저부에 콘덴서를 삽입하는 이유는?
53. 장중파 안테나에 대한 단파 안테나의 일반적인 특징에 대한 설명으로 틀린 것은?
54. 잡음온도가 160[°K]인 안테나에 급전회로를 연결할 때, 200[°K]의 잡음온도가 측정되었다. 이 급전회로의 손실 값은 얼마인가? (단, 대역폭과 저항은 일정하다)
55. 대류권 산란파에 대한 설명으로 틀린 것은?
56. 페이딩과 이에 대한 방지 대책으로 적절하지 못한 것은?
57. 다중경로 페이딩에 의한 에러와 왜곡을 정하기 위한 방법이 아닌 것은?
58. 수정 굴절률에 대한 설명 중 틀린 것은?
59. 굴절률이 서로 다른 인접한 두 전리층 간을 아래 그림과 같이 전파가 진행할 때 옳은 것은?
60. 다음 중 전파예보에서 알아낼 수 없는 것은?
4과목: 무선통신 시스템
61. 다음 중 수신전계의 변동에 따른 손실 보상을 하기 위한 것은?
62. 송신기의 결합회로 중 π형 결합회로의 특징이 아닌 것은?
63. 전파의 창(Radio Window)의 범위를 결정하는 요소가 아닌 것은?
64. 다음 주파수에서 다수의 반송파 신호를 사용하여 각 채널상에 비트를 실어 보내는 방식은?
65. 다음 중 위성체에 사용되는 무지향성 안테나의 용도로 가장 적합한 것은?
66. 다음 중 우리나라의 디지털 이동전화에서 대역확산 통신방식을 사용하는 방식은?
67. 무선 근거리통신망의 ISM 대역에 대한 설명으로 적합하지 않은 것은?
68. 위성의 다원 접속 방식이 아닌 것은?
69. 다중경로에 의한 신간 지연을 갖고 도달하는 각 반사파를 독립적으로 분리하여 복조할 수 있게 구성된 수신기는?
70. 프로토콜에 관련된 다음의 설명들 중 올바르게 기술된 것은?
71. 다음 중 프로토콜의 주요 요소가 아닌 것은?
72. IPv6에 대하여 바르게 설명되지 않은 것은?
73. 다음 중 통신 프로토콜의 일반적 기능과 관계가 없는 것은?
74. TCP/IP 프로토콜의 계층구조는 OSI 모델의 계층구조와 정확하게 일치하지 않는다. TCP/IP 프로토콜의 5개 계층구조에 속하지 않는 것은?
75. 다음의 HDLC 프로토콜에 대한 설명 중 맞는 것은?
76. 무선 통신 기술과 관계되지 않은 것은?
77. 전파의 회절 현상에 대한 설명 중에서 잘못된 것은?
78. 최적의 무선 환경을 구축할 수 있도록 하기 위한 기지국 통화량 분산의 방법이 아닌 것은?
79. 무선통신시스템 설계시 단파가 중장파보다 불리한 점은 어느 것인가?
80. 텔레비전 방송국에서 무선설비의 점유주파수대폭 허용치는 다음 중 어느 것인가?
5과목: 전자계산기 일반 및 무선설비기준
81. 다중프로그래밍(multi-programming)을 위하여 시스템이 갖추어야 할 것 중 관계가 가장 적은 것은?
82. 자외선을 이용하여 지울 수 있는 메모리는 어느 것인가?
83. I/O 채널(channel)의 설명 중 맞지 않는 것은?
84. 마이크로컴퓨터의 기본 정보는 ‘0’과 ‘1’로만 표현되며, 이러한 부호의 조합을 명령(instruction)이라고 한다. 그리고 명령들은 어떤 목적과 규칙에 따라 나열되고, 메모리에 저장되는데 이것을 무엇이라고 하는가?
85. 0-주소 명령어(zero-addressing instruction)에서 사용하는 특정한 기억장치 조직은 무엇인가?
86. 다음 중 입력 장치들에 사용되는 매체가 아닌 것은?
87. 다음 중 순차파일(sequential file)의 특징이 아닌 것은?(오류 신고가 접수된 문제입니다. 반드시 정답과 해설을 확인하시기 바랍니다.)
88. 메모리관리에서 빈 공간을 관리하는 free 리스트를 끝까지 탐색하여 요구되는 크기보다 더 크며 그 차이가 제일 작은 노드를 찾아 할당해주는 방법은 어느 것인가?
89. 디스크를 사용하려면 최초에 반드시 해야 할 사항은 무엇인가?
90. 운영체제는 컴퓨터 시스템을 구성하는 요소 중의 하나로 시스템에 제공되는 기능(또는 목적)으로 올바르게 짝지어진 것은?
91. 주파수대폭의 허용치에 있어서 무선설비규칙에 규정되어 있지 않은 사항에 대하여는 어떠한 것을 적용하는가?
92. 소출력 텔레비전 방송국의 무선설비로서 470[MHz] 초과 960[MHz] 이하의 주파수대역에서 영상 첨두포락선전력이 1[W]이하인 무선설비의 주파수허용편차는 다음 중 얼마인가?
93. 방송통신위원회가 전파자원의 공평하고 효율적인 이용을 촉진하기 위하여 필요한 경우에 시행하여야 할 사항으로 적합하지 않은 것은?
94. 다음 중 방송국 개설허가 심사사항이 아닌 것은?
95. 초단파 방송용 무선설비의 신호대잡음비는 1,000[Hz]의 변조주파수에 따라 최대주파수편이로 변조한 송신장치는 75[μs]의 시정수를 가진 임피던스 주파수특성의 회로에 따라 디엠파시스를 행한 경우 몇 데시벨 이상이어야 하는가?
96. 통신설비인 전파응용설비 중 유도식통신설비에서 발사되는 주파수 범위는 얼마이어야 하는가?
97. 방송통신위원회의 허가를 받아야 하는 전력선통신설비의 주파수대역과 고주파출력이 맞게 짝지어진 것은?
98. 적합성평가의 전부가 면제되는 기자재가 아닌 것은?
99. 무선설비의 변조특성 등에 대한 기술기준으로 적합하지 않은 것은?
100. 미약 전계강도 무선기기의 기술기준에서 322[MHz] 미만의 주파수를 사용하는 무선기기는 3[m] 거리에서 측정한 전계강도가 얼마 이하이어야 하는가?