1과목: 디지털 전자회로
1. 다음 중 전압, 전류, 저항의 보조단위를 정리한 것으로 맞지 않는 것은?


2. 다음 중 브리지 전파 정류회로의 특징으로 틀린 것은?
3. 다음 중 중간 탭형 전파 정류와 비교했을 때, 브리지형 전파 정류회로의 특징이 아닌 것은?
4. FET(Field Effect Transistor)의 특성으로 옳은 것은?
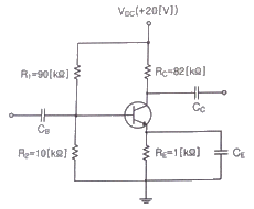
5. 다음 그림과 같은 전류궤환 Bias회로에서 IB는 약 얼마인가?(단, β=100, VBE=0.7[V], VCC=20[v]이다.)
6. 트랜지스터의 바이어스회로 방식 중에서 안정도가 가장 높은 것은?
7. 0.1[V]의 교류 입력이 10[V]로 증폭되었을 때, 증폭도는 몇 [dB]인가?
8. 다음 중 비정현파 발진기가 아닌 것은?
9. 다음 중 CR형 발진기에 대한 설명으로 틀린 것은?
10. 다음 중 발진 주파수가 변하는 주요 요인이 아닌 것은?
11. 다음 중 교류 신호를 구성하는 기본적인 요소가 아닌 것은?
12. 다음 중 아날로그 진폭 변조 방식의 종류가 아닌 것은?
13. 다음 중 펄스변조 방식이 아닌 것은?
14. 동일 조건의 환경에서 PSK, DPSK 및 비동기 FSK 변조방식에 대한 각각의 오류확률에 따른 신호대 잡음비의 품질이 우수한 순서대로 나열한 것 중 옳은 것은?
15. 트랜지스터의 스위칭 시간에서 Turn-on 시간을 의미하는 것은?
16. 쌍안정 멀티바이브레이터 회로에서 저항에 병렬로 접속된 콘덴서의 주요 목적은?
17. 8진수 67을 16진수로 바르게 변환한 것은?
18. J-K 플립플롭을 이용하여 T 플립플롭을 구현한 것으로 옳은 것은?




19. 다음 중 RS 플립플롭으로 구현된 D플립플롭 회로는?




20. 다음 중 메모리에 대한 설명으로 틀린 것은?
2과목: 무선통신 기기
21. AM 수신기에서 중간주파수 선정 시 고려해야 할 사항으로 가장 관련이 적은 것은?
22. 다음 중 슈퍼헤테로다인 수신기에서 BFO(Beat Frequency Oscillator)를 사용하는 목적은?
23. 다음 중 AM송신기에서 반송파 발진기로 가장 많이 사용되는 발진기는?
24. 다음 중 AM송신기의 구성 요소가 아닌 것은?
25. DSB 통신 방식과 비교한 SSB 송신기의 장점이 아닌 것은?
26. FM 복조에 PLL 회로가 많이 사용되고 있다. 다음 중 PLL의 기본적인 구성 요소가 아닌 것은?
27. 다음 디지털 변조 방식에서 주파수 효율이 높고 고속 통신용으로 가장 적합한 방식은?
28. 다음 중 마이크로파 통신에 대한 설명으로 틀린 것은?
29. 다음 중 페이딩(Fading) 감소를 위한 다이버시티 방식이 아닌 것은?
30. 다음 그림은 통신위성 중계기의 일반적인 구성도이다. 빈칸 (A)에 가장 적합한 것은?
31. 다음 중 이동통신에서 요구되는 특징에 대한 설명으로 틀린 것은?
32. 다음 중 광대역 멀티미디어 서비스를 언제 어디서나 이용할 수 있도록 하는 융합 통신망은?(오류 신고가 접수된 문제입니다. 반드시 정답과 해설을 확인하시기 바랍니다.)
33. 다음 그림은 이동통신시스템의 계통 블록다이어그램이다. (ㄱ)과 (ㄴ)에 각각 들어가야 할 용어로 옳은 것은?
34. 연축전지에서 AH(암페어시)가 나타내는 것은?
35. 다음 중 충전기 충전 방식의 종류가 아닌 것은?
36. 다음 중 인버터의 유형을 구분하는 요소에 해당 하지 않는 것은?
37. 다음 통신계통도에 대한 출력점의 신호레벨은 얼마인가?
38. 다음 중 FM 송신기의 전력 측정 방법으로 적합하지 않은 것은?
39. 수신기의 종합 전압이득을 구하기 위하여 수신기의 출력을 50[mW]로 조정하고 출력전압이 6[V], 입력전압이 60[uV]였다면 이 수신기의 종합전압이득은?
40. 상온에서 만충전 시 전해액의 비중이 1.28, 방전종지 시 비중이 1.02이고 용량이 100[AH]인 축전지에서 현재 상태의 비중이 1.25일 경우, 현재 방전량은 약 얼마인가?
3과목: 안테나 개론
41. 다음 중 전파의 성질에 대한 설명으로 옳은 것은?
42. 포인팅 정리에 관한 식에서
에 대한 설명으로 옳은 것은?
43. 8진 PSK에서 반송파 간 위상 차는?
44. 다음 중 정재파비(VSMR)에 대한 설명으로 틀린 것은?
45. 다음 중 스미스(Smith) 차트의 궤적에 대한 설명으로 틀린 것은?
46. 동축케이블의 내부 도체를 제거한 것과 같이 고역필터로서 작용을 하며, 고주파 급전과정에서 방사손실이 거의 없는 특성을 갖는 급전선은?
47. 도파관에 대한 설명으로 틀린 것은?
48. 도파관의 임피던스 정합에 쓰이는 소자로 입사파는 감쇠없이 진행하지만 반사파는 큰 감쇠로 인하여 전력 흡수되는 비가역 회로 소자를 무엇이라고 하는가?
49. 기준 안테나로 등방성 안테나를 사용하여 임의의 안테나 이득을 측정했을 때의 이득을 무엇이라고 하는가?
50. 임의 안테나 A, B에 같은 전력을 공급하였다. 이때 최대 방사방향으로 임의 점의 전계강도는 각각 1,000[㎶/m], 100[㎶/m]이었다. 다음 중 두 안테나 이득의 비는 얼마인가?
51. 다음 중 안테나의 배열(Array)에 관한 설명으로 틀린 것은?
52. 다음 중 안테나의 광대역성을 갖도록 하는 방법으로 틀린 것은?
53. 네트워크 분석기(Network Analyzer)를 이용하여 안테나의 반사 손실을 측정할 경우, 일반적으로 약 몇 [dB]이하를 기준으로 안테나 대역폭을 정하는가?
54. 지하 50[cm] ~ 100[cm] 정도에 직경 2.9[mm] 정도의 동선을 최소한 안테나 높이와 같은 길이로 여러 개의 줄을 지선망 형태로 매설하는 안테나 접지방식은?
55. 다음 중 전파투시도(지형단면도)에 대한 설명으로 틀린 것은?
56. 송신 안테나의 높이가 16[m], 수신 안테나 높이가 25[m]일 때, 초단파의 직접파 최대 가시거리는 얼마인가?
57. 다음 중 지표파에 관한 설명으로 틀린 것은?
58. 다음 중 장파, 중파대에서 지표파에 의해 전파되는 전파의 감쇠가 가장 적은 매질은?
59. 다음 중 대류권 전파의 감쇠에 해당되지 않는 것은?
60. E층의 임계주파수가 4[MHz], 높이가 100[km]이고, 송∙수신점 간의 거리가 200[km]이다. 이때 MUF는?
4과목: 전자계산기 일반 및 무선설비기준
61. 어떤 시프트 레지스터의 내용을 우측으로 3번 시프트하면 원래의 데이터 값에서 어떤 변화가 일어나는가?
62. 다음 중 10진수 13과 같지 않은 것은?
63. 다음 중 정보의 단위가 작은 것에서 큰 순으로 바르게 나열된 것은?
64. 다음 중 ASCII 코드에 대한 설명으로 옳은 것은?
65. 다음 중 운영체제 제어 프로그램에 속하는 것으로 알맞게 구성된 것은?
66. 다음 보기는 시스템 소프트웨어 구성 프로그램 중 어떤 것을 설명하고 있는가?
67. 다음 중 일반 컴퓨터 형태가 아닌 주로 회로 기판 형태의 반도체 기억 소자에 응용 프로그램을 탑재하여 컴퓨터의 기능을 수행하는 시스템은?
68. 하나의 프로세서 안에서 여러 개의 프로그램을 처리하는 방식을 무엇이라고 하는가?
69. 다음 Processing Scheduling 정책 중 현재 작업 중인 프로세스를 중단시키고, 남은 시간이 가장 짧은 JOB을 우선적으로 처리하는 방식은?
70. 다음 중 직접 어드레스 지정 방식으로 Jump 명령을 올바르게 표현한 것은?
71. 다음 중 과학기술정보통신부장관이 전파진흥기본계획에 포함하여야 할 사항이 아닌 것은?
72. 다음 중 과학기술정보통신부장관이 주파수할당을 하고자 할 때, 공고사항이 아닌 것은?
73. 과학기술정보통신부장관이 주파수할당을 하고자 하는 경우, 주파수 할당을 하는 날로부터 얼마 전까지 할당관련 공고를 하여야 하는가?
74. 다음 중 주파수 분배 시 고려하여야 할 사항이 아닌 것은?
75. 다음 중, 고시대상 무선국을 허가한 경우에 고시사항이 아닌 것은?
76. 아마추어국의 개설조건 중 고정 아마추어국의 경우, 안테나공급전력은 몇 와트 이하이어야 하는가?
77. 다음 중 무선설비 안전시설기준에 관련되 사항으로 틀린 것은?
78. 지상파 디지털 텔레비전 방송국의 송신설비에서 안테나공급전력의 허용편차는 상한과 하한에서 각각 몇 [%]씩 허용되는가? (상한 허용치, 하한 허용치)
79. 비상국 전원의 조건 중 축전지를 사용하는 경우 상시 몇 시간 이상 운용할 수 있어야 하는가?
80. 다음 괄호 안에 들어간 내용으로 맞는 것은?
이유는 전압은 전류와 저항의 곱으로 나타낼 수 있기 때문이다. 즉, V = I x R 이다. 따라서 [mA]∙[kΩ]=[V]는 전압을 나타내는 식이다.
하지만 "[μA]∙[MΩ]=[mV]"도 전압을 나타내는 식이다. 단위를 보면 [μA]는 전류를 나타내는 단위이고, [MΩ]는 저항을 나타내는 단위이다. 따라서 [μA]∙[MΩ]는 전류와 저항의 곱으로 나타낸 전압을 나타내는 단위이다. 이를 계산하면 [μA]∙[MΩ] = [V] / 1000 이므로 [μA]∙[MΩ]=[mV]가 성립한다.