1과목: 디지털 전자회로
1. 다음 중 전원 정류회로의 리플 함유율을 적게 하는 방법으로 틀린 것은?
2. 다음 중 정류기의 평활회로에 사용되지 않는 것은?
3. 다음 3단자 전압 레귤레이터 IC 회로에서 직류 출력전압을 조절할 수 있는 파라미터가 아닌 것은? (단, Vreg=1.25[V], IR1=5[mA], IADJ=100[μA] 이다.)
4. 차동증폭기의 두 입력 전압에 각각 v1 = 7[mV], v2 = 5[mV]가 인가되었다. 차동전압 이득이 150 이고 동상이득이 0.5일 때 출력전압은?
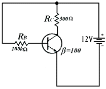
5. 다음 그림은 베이스 바이어스 회로이다. 동작점에서 VCE전압은? (단, 베이스에미터 전압 VBE=0,7[V]이다.)
6. 다음 중 NPN 트랜지스터가 활성영역에서 동작한다고 할 때 바이어스 설명으로 옳은 것은?
7. 다음 중 저주파에서 고주파에 이르기까지 일정한 스펙트럼을 갖고 나타나는 잡음으로 알맞은 것은?
8. 다음 발전기에서 자가 발진을 위한 전압이득 Av의 조건은?




9. 다음 중 지속적인 출력을 내기 위한 발진기에 이용하는 원리는?
10. 다음 그림과 같은 윈 브리지(Wien Bridge) 발진기에서 제너 다이오드의 역할은 무엇인가?
11. 다음의 파형은 디지털 변조 방식의 파형이다. 어느 방식의 파영인가?
12. PCM 통신 방식에서 송신 과정으로 맞는 것은?
13. AM변조방식에서 변조도에 대한 설명으로 틀린 것은?
14. 900[kHz]의 반송파를 5[kHz]의 신호주파수로 진폭한 경우 피변조파에 나타나는 주파수 성분이 아닌 것은?
15. 다음 중 플립플롭(Flip-Flop)과 같은 동작을 하는 회로는?
16. 다음 회로에서 입력되는 정현파의 최대 진폭이 6[V]일 때 출력에 나타나는 최대 진폭은? (단, Rs=200[Ω], RL=400[Ω])
17. 다음 진리표를 간략화한 것으로 가장 접합한 논리회로는?




18. 다음 그림의 회로에 해당하는 논리기호는? (단, 정논리이다)




19. 다음 지금과 같이 2n개(0~7)의 10진수 입력을 넣었을 때, 출력이 2진수(000~111)로 나오는 회로의 명칭은?
20. 다음 중 링 카운터에 대한 설명으로 틀린 것은?
2과목: 무선통신 기기
21. GPS 인공위성은 지상 약 20,200[Km] 상공에서 시간당 약 14,000[Km]거리를 이동한다. 초당 속력은 약 얼마인가?
22. 피크-피크 전압이 8[V]인 아날로그 신호를 일정한 간격으로 하여 16개의 레벨로 나눈 경우 S/N는 몇[dB]인가?
23. 다음 중 벡터 합성법에 의한 FM송신기에 대한 설명으로 틀린 것은?
24. 다음 중 AM 수신기의 중간주파수를 낮게 선정했을 때 개선되는 것은?
25. FM 검파기의 특성인 S 커브의 상태가 직선이 아니면 어떤 상태인가?
26. 다음 중 FM통신방식이 AM통신방식에 비해 신호대 잡음비가 좋은 이유로 가장 적합한 것은?
27. 방송용 FM수신기에서 비 검파 회로가 주로 사용되는 이유는?
28. 다음 중 인지 무선(CR: Cognitive Radio)의 개념 설명으로 틀린 것은?
29. 기지국, 유선인터넷망,Gateway 및 O&M Server로 구성되며 Core 네트워크와의 연계를 통해 LTE 전화 및 무선데이터 통신을 제공하는 서비스기술은?
30. 이동 통신 시스템에서는 셀과 셀을 오가면서 통화를 할 수 있도록 해주는 것을 핸드오프(Hand-off)라고 하는데 그 종류가 아닌 것은?
31. 국내 최초의 민간 통신-방송 상용위성을 우리나라를 세계 23번째 위성 보유국의 반열에 올려놓은 위성은?
32. 4세대 이동통신에 해당되는 변조 방식은?
33. 위성 통신용으로 이용하는 궤도는 지구 정지형, 극 원형, 경사 타원형으로 구분되며 이 때 궤도의 선택은 다음 요소를 결정하는데 중요하다. 이에 해당 되지 않는 것은?
34. 다음 중 수신기의 전기적 성능에 해당되지 않는 것은?
35. 다음 중 CDMA 중계기의 상태를 감시하기 위해 중계기에서 공급되는 전원을 사용하여 감시단말기를 중계기에 연결할 경우 필요한 장치는?(단, 중계기의 공급전원 DC(직류)는 12{V}이고 단말기가 필요로 하는 전원은 DC(직류) 3.5[V]이다.)
36. 다음 중 VC 컨버터의 종류와 명칭이 올바로 묶여진 것은?
37. 다음 중 스펙트럼 분석기의 용도로 맞지 않은 것은?
38. 대전력 송신기용 정류기의 부하양단평균전압이 3,000[V], 맥동률1.5%라고 한다. 이 때의 교류분은 몇 [V]인가?
39. 다음 그림은 PLL의 기본적인 구성요소를 나타낸 것이다. (A)에 들어갈 요소는 무엇인가?
40. 1.000[kHz]의 반송파신호가 3[kHz]의 신호파에 의해 진폭변조되었다면 AM 신호의 주파수 스펙트럼에 나타나는 성분은?
3과목: 안테나 개론
41. 다음 전자파에 대한 설명 중 틀린 것은?
42. 무손실 매질 내 비유전율 5, 비투자율 5이고 주파수3[GHz]인 평면파가 전파할 때 이 파에 대한 파장[m]과 파동 임피던스[Ω]는?
43. 다음 중 유전체에서 발생하는 변위전류에 대한 설명으로 옳은 것은?
44. 임의의 부하 임피던스를 갖는 일정 길이의 전송선로 입력 임피던스를 나타내는 식으로 전송선로의 임피던스 방정식이라 불리는 것은?




45. 특성 임피던스가 75[Ω]인 급전선상의 전압정재파비(VSWR)가 4라면 반사계수는 얼마인가?
46. 다음 중 초고주파 대역에서 사용되는 수동소자에 대한 설명으로 틀린 것은?
47. 다음 중 급전선이 일반적으로 갖추어야 하는 조건이 아닌 것은?
48. 다음 중 안테나를 설계할 때 임피던스 정합 회로를 사용하는 이유로 적합하지 않은 것은?
49. 다음 중 접지안테나의 방사효율을 높이기 위한 방법이 아닌 것은?
50. 공진회로에서 1.5[H]의 인덕터와 0.4[μF]의 커패시터가 직렬 연결된 경우 공진주파수는 약 얼마인가?
51. 반파장 소자를 종횡으로 일정하게 배열하여 각 소자에 동위상 전류를 공급하면 한쪽 방향으로 지향성이 강해지는 안테나는?
52. 다음 중 Collinear-Array 안테나의 설명으로 틀린 것은?
53. 다음 중 안테나의 길이를 줄이지 않고 안테나 고유주파수보다 높은 주파수에 공진시키기 위한 방법으로 적합한 것은?
54. 송신안테나와 수신안테나가 200λ[m] 떨어져 있고, 각각의 방향성 이득은 20[dB]와 15[dB]이다. 만일 송신전력이 10[W]였다면 수신안테나의 수신전력은 얼마인가?
55. 다음 중 전리층의 전리전자밀도가 큰 순서대로 옳게 표시한 것은?
56. 다음 중 수정 굴절률 M곡선 중에서 (dM/dh)<0의 부분이 존재하지 않는 것은?
57. 전리층의 높이를 관측하기 위하여 지구 표면에서 상공을 향하여 충격파를 발사하였더니 4[ms] 후에 반사파를 받았다. 이 때 전리층의 높이는 몇[Km]인가
58. 다음 중 전리층에서 일어나는 현상이 아닌 것은?
59. 지상파와 공간파가 간섭을 일으키면 어떤 현상이 일어나는가?
60. 다음 중 초단파의 전파 특성에 대한 설명으로 틀린 것은?
4과목: 전자계산기 일반 및 무선설비기준
61. 마이크로프로세서 병렬 처리에서 단계로써 맞는 것은 무엇인가?
62. 이것은 CPU를 구성하는 하드웨어 중 명령어 실행에 반드시 필요한 핵심 모듈로서 명령어 파이프라인들로 이뤄진 슈퍼스칼라 모듈과 ALU 및 레지스터 집합 등을 의미하기도 한다. 최근 이와 같은 것을 하나의 칩에 여러 개 넣은 것들이 출시 되고 있다. 여기서 '이것이' 의미하는 것으로 옳은 것은?
63. 다음은 CPU에 서비스를 받으려고 도착한 순서대로 프로세스와 그 서비스 시간을 나타낸다. FCFS(first Come Served) CPU Scheduling에 의해서 프로세스를 처리한다고 했을 경우 프로세스의 평균 대기시간은 얼마인가?
64. 다음 중 어셈블리 명령어(MOV R0, R1)에 대한 설명으로 옳은 것은?
65. 디스크 시스템의 성능과 신뢰성을 향상시키기 위해서 디스크 드라이브의 배열을 구성하여 하나의 유니트로 패키지 함으로써 액세스 속도를 크게 향상시키고 신뢰도를 높인 것을 무엇이라 하는가?
66. 다음 중 데드락(Deadlock)을 발생시키는 원인이 아닌 것은?
67. 다음 중 선점 스케줄링 방식에 대한 설명으로 틀린 것은?
68. 다음 중 가상기억(virtual memory) 체계에 대한 설명으로 틀린 것은?
69. Shift register에 있는 이진수 number가 5번 Shifte-left 되었을 때 결과값으로 알맞은 것은?
70. 다음과 같은 운영체제의 운용 기법은?
71. 다음 중 시설자가 무선국을 운용함에 있어 준수해야 할 통신보안 준수사항이 아닌 것은?
72. 다음 중 '방송통신기자재 등의 적합성평가에 관한 고시'에서 규정하는 용어의 정의로 틀린 것은?
73. 다음 중 신고를 통해 개설할 수 있는 무선국은?
74. 다음 중 송신설비의 안테나.급전선 등 고압전기를 통과하는 장치는 사람이 보행하거나 생활하는 평면으로부터 최소 몇[m] 이상의 높이에 설피되어야 하는가?
75. 다음 중 선박국용 레이다 기기의 기기부호로 틀린 것은?
76. 다음 중 송신설비의 전력을 표시하는 방법에 대한 설명으로 틀린 것은?
77. 다음 중 국립전파연구원장이 적합인증서를 신청인에게 발급하고, 관보에 공고하여야 할 내용으로 알맞지 않은 것은?
78. 전력선통신설비 및 유도식통신설비에서 발사되는 주파수허용편차는 몇(%) 이내여야 하는가?
79. 아마추어국의 개설조건 중 이동하는 아마추어국의 경우 안테나공급전력은 몇 와트 이하이어야 하는가?
80. 다음 괄호 안에 들어갈 내용으로 옳은 것은