1과목: 전기자기학
1. 그림과 같이 Gap의 단면적 S[m2]의 전자석에 자속밀도 B[Wb/m2]의 자속이 발생될 때 철편을 흡입하는 힘은 몇 N 인가?




2. 서로 멀리 떨어져 있는 두 도체를 각각 V1[V] ,V2[V] (V1>V2)의 전위로 충전한 후 가느다란 도선으로 연결 하였을 때 그 도선을 흐르는 전하 Q는 몇 C인가? (단, C1[F], C2[F]는 두 도체의 정전용량이라 한다)




3. 간격에 비해서 충분히 넓은 평행판 콘덴서의 판사이에 비유전율 εs인 유전체를 채우고 외부에서 판에 수직 방향으로 전계 E0를 가할 때 분극전하에 의한 전계의 세기는 몇 V/m인가?




4. 벡터 포텐셜 A=-3xyzaX+2X2aY일 때 그 자속밀도 B는 얼마인가?
5. 직각좌표상의 점(0,1/5,0)에서의
의 발산을 구하면 얼마가 되겠는가?(단, r 은 구좌표계의 표시이다.)
6. 단면적 3Cm2, 평균 반지름 30Cm 인 공심 트로이드에 권선수가 500인 코일을 감고 코일에 2a 의 전류를 흘렸더니 공심 트로이드의 자속이 2×10-7Wb 이었다면 공심트로이드의 자기저항은 몇 AT/Wb인가?
7. 누설이 없는 콘덴서의 소모전력은 얼마인가? (단. C는 콘덴서의 정전용량, V 는 전압이다.)
8. 한변의 길이가 3m인 정삼각형의 회로에 2A의 전류가 흐를 때 정삼각형 중심에서의 자계의 크기는 몇 AT/m 인가?
9. 전류가 흐르고 있는 도체와 직각 방향으로 자계를 가하게 되면 도체 측면에 정,부의 전하가 생기는 것을 무슨 효과라 하는가?
10. 철궤도간 거리가 1.5m 이며 궤도는 서로 절연이 되어 있다. 열차가 매시 60km의 속도로 달리면서 차축이 지구자계의 수직분력 B=0.15×10-4Wb/m2을 절단할 때 두 궤도 사이에 발생하는 기전력은 몇 V인가?
11. 전자유도 법칙에 관계가 가장 먼 것은?
12. 코일로 감겨진 자기회로에서 철심의 투자율을 μ라하고 회로의 길이를 ℓ 이라 할 때 그 회로의 일부에 미소공극 l0를 만들어 주면 회로의 자기저항은 처음의 몇 배가 되는가? (단, l0≪l 즉, l-l0≒l이다.)




13. 자기회로에 대한 키르히호프의 법칙에 대한 설명으로 가장 적당한 것은?
14. 균일 분포전류 I[A] 가 반지름 a[m] 인 비자성 원형도체에 흐를 때 단위길이당 도체 내부의 인덕턴스는 몇 H/m인가? (단, 도체의 투자율은 μ0로 가정한다.)




15. 다음 사항 중 옳은 것은?
16. 정전용량이 1μF인 공기콘덴서가 있다. 이 콘덴서 판간의 1/2인 두께를 갖고 비유전율 εr=2인 유전체를 그 콘덴서의 한 전극면에 접촉하여 넣었을 때 전체의 정전용량은 몇 μF 가 되는가?
17. 3개의 도체 a, b, c 가 있다. 도체 c 를 a 로 정전차폐했을 때의 조건은?
18. 영역 1 의 자유공간에서 전파 Ei0[V/m]와 자파Hi0[A/m]가 비유전율 εr=3을 가진 유전체 영역으로 수직하게 입사하게 될 때 계면에서의 값으로 옳은 것은?
19. 10mm의 지름을 가진 동선 50A의 전류가 흐를 때 단위시간에 동선의 단면에 통과하는 전자의 수는 약 몇 개인가?
20. 진공 중에 놓인 Q[C]의 전하에서 발산되는 전기력선의 수는?
2과목: 회로이론
21. 그림과 같은 선형 저항기에 나타나는 전압은?
22. 다음 회로에서 전압전달비를 구하면?(단, S=jω)
23. 시간 a 만큼 옯겨진 그림고 같은 단위 계단 함수를 라플라스 변환하면?




24. R-L-C직렬공진회로에서 공진 주파수가 fr이고, 반전력 대역폭이 △f일 때 공진도 Qr은?




25. 2개 이상의 전원을 내포한 선형 회로에서 어떤 가지에 흐르는 전류나 단자의 전압에 대해 해석하는데 사용하는 것은?
26. 그림고 같은 회로에서 테브난 등가 전압은?
27. 다음 그림과 같은 4단자 회로의 어드미턴스 파라미터의 Y22는?
28. 두 회로간에 쌍대 관계가 옳지 않은 것은?
29. 단자 회로에 인가되는 전압과 유입되는 전류의 크기만을 생각하는 겉보기 전력은?
30. 저항 3Ω과 리액턴스 4Ω을 병렬 연결한 회로의 역률은?
31. 그림과 같은 회로에서 단자 1, 2간의 인덕턴스 L은?

32. 그림은 반파정류에서 얻은 파형이다. 이 전류의 실효치(rms)는?




33. 수돈 4단자 회로망(또는 2단자 쌍 회로망)이 가역적이기 위한 조건이 바르지 못한 것은? (단, 다음의 그림에서 I1=Y11V1+Y12V2,-I2=Y21V1+Y22V2이고 V1과 I1에 관해서는 V1=AV2+BI2, I1=CV2+DI2이다.)
34. R, L, C가 직렬로 연결될 때 공진현상이 일어날 조건은? (단, ω는 각 주파수이다.)




35. 다음 파형 중에서 실효치가 가장 큰 것은?(단, 주기는 모두 동일함)
36.
의 라플라스 역변환은?
37. 1 neper는 약 몇 dB인가?
38. S-평면상에 영점(0)과 극(X)이 다음과 같이 표현되는 함수는?
39. 그림의 정현파에서 의 주기 T를 올바르게 표시한 것은?
40. 대칭 4단자의 영상 임피던스는?




3과목: 전자회로
41. B급 푸시풀(Push-pull) 증폭기의 설명으로 옳은 것은?
42. 미분기의 출력과 입력은 어떤 관계인가?
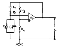
43. 다음과 같은 빈 브리지(Wine Bridge)형 발진 회로의 발진 주파수는?




44. 그림에서 A는 연산 증폭기이다. V1=2[V], V2=4[V]일 때 Vo는?
45. 궤환 증폭기에서 무궤환시 전압 이득이 100이고, 고역 3[dB] 차다 s주파수가 15[kH] 일 때, 궤환시 전압 이득이 50이면 궤환시 고역 3[dB] 차단 주파수는?
46. B급 TR 푸시풀 전력 증폭기의 최대 출력은?




47. 턴-오프 시간(turn-off time)은?
48. FET의 핀치오프(Pinch-off) 전압에 대한 설명 중 옳지 않은 것은?
49. 음귀환에 의한 입ㆍ출력 임피던스 변화의 설명 중 옳은 것은?
50. FET가 보통의 접합 트랜지스터에 대해 갖는 장점이 아닌 것은?
51. 베이스 저항에 큰 영향을 주는 것이 아닌 것은?
52. 반파정류의 경우 출력파의 맥동율 rh와 전파정류의 경우 출력파의 맥동율 rf는 각각 약 얼마인가?
53. 트랜지스터 컬렉터 누설 전류가 주위 온도 변화로 1.6[μA]로 증가되었을 때 컬렉터 전류의 변화가 1[mA]라 하면 안정률은 약 얼마인가?
54. 수정 발진기의 가장 중요한 특징으로 옳은 것은?
55. 다음과 같은 Comparator 회로에서 입력에 정현파를 인가하면 출력 파형은?
56. 다음 회로의 트랜지스터를 근사적인 hwjd수 모델로 대치 했을 때 전압이득(Vo/Vs)으로 옳은 것은?
57. 그림과 같은 연산 증폭기에서 입력 바이어스 전류란?
58. R=1[MΩ], C=1[μF]의 직렬회로에 V=10[V]를 공급할 때 1[sec]후의 VR양단 전압은?
59. Negative feedback 회로에 대한 설명으로 옳지 않은 것은?
60. 그림과 같은 브리지 정류회로에 관한 설명 중 옳지 않은 것은?
4과목: 물리전자공학
61. 터널 다이오드(Tunnel Diode)에서 터널링 (Tunnelling)은 언제 발생하는가?
62. 페르미 디락 (Fermi-Dirac) 분포에 대한 설명 중 가장 옳지 않은 것은?
63. 일 함수(Work function)의 설명중 옳지 않은 것은?
64. 일반적인 드리프트 트랜지스터 장ㆍ단점에 대한 설명 중 그 내용이 가장 부적당한 것은?
65. 선형적인 증폭을 위해서 트랜지스터의 동작점은?
66. 절대온도 0[° K]가 아닌 상태의 에너지 준위에서 입자의 점유율이 1/2이 되는 조건은?
67. 실리콘 단결정 반도체에서 P형 불순물로 적합하지 않은 것은?
68. 원자의 성질로 4가지 양자수(n, l, m, s)로서 결정 되는 한개의 양자 상태에는 한 개만의 전자 밖에 들어갈 수 없다는 원리는?
69. 캐리어의 확산 길이는 무엇에 의존하는가?
70. 서미스터(Thermistor)는 저항이 무엇에 대하여 비직선적으로 변하는 소자인가?
71. 이동도(mobility)에 관한 설명으로 옳지 않은 것은?
72. 1 eV를 올바르게 설명한 것은?
73. 반도체에 전장을 가하면 전자는 어떤 운동을 하는가?
74. 전자 수가 32인 원자의 가전자 수는?
75. JFET의 핀치오프 전압에 대한 설명으로 옳지 않은 것은?
76. 루비 레이저(ruby Laser)의 펌핑(pumping) 에너지는?
77. 진성 반도체에서 온도가 상승하면?
78. 두 도체 또는 반도체의 폐회로에서 두 접합점의 온도차로서 전류가 생기는 현상은?
79. 균일자계 B에 자계와 직각 방향으로 속도 V를 갖고 입사한 전자의 각 속도는? (단, 전자의 질량을 m, 전하량은 q)




80. 쌍극성 접합 트랜지스터(BJT)의 순방향 전류전달비αF가 0.98일 때 전류이득 βF는?
5과목: 전자계산기일반
81. Channel 과 DMA에 관한 설명 중 옳지 않은 것은?
82. 다음 중 프로그램 카운터가 명령의 번지 부분과 더해져서 유효 번지가 결정되는 주소 지정 방식은?
83. 명령 인출 사이클(fetch cycle)에 대한 설명으로 옳지 않은 것은?
84. 흐름도 작성시 주의사항이 아닌 것은?
85. 논리 연산 중 마스트 동작은 어느 동작과 같은가?
86. 다음 중 순서도(flowchart) 종류에 해당되지 않는 것은?
87. 다음의 구성은 무엇을 나타내는가?
88. 다음 중 부동소수점 표현의 수들 사이의 곱셈 알고리즘 과정에 해당되지 않는 것은?
89. 수평형 제어 방식의 설명 중 옳지 않은 것은?
90. 다음 제어기억 장치에서 주소를 결정하는 방법으로 옳지 않은 것은?
91. 마이크로 프로그램의 설명 중 가장 적당한 것은?
92. 다음 그림은 어떤 컴퓨터 구조에 해당하는 것인가? (단,CU:control unit, PU:processor unit, MM: memory module, IS:instruction stream, DS: data stream)
93. 흐름도(flowchart)에서
기호는?
94. 다음 불 대수 중 옳지 않은것은?


95. 일반적으로 마이크로컴퓨터의 시스템 보드(System Board)상에 직접 연결되어 있지 않은 장치는?
96. 스택(stack) 구조가 갖는 명령 형식은?
97. 다음의 어셈블리 프로그램을 실행하는 동작은?
98. 다른 세가지와 그 값이 같지 않은 것은?
99. 외부 인터럽트(External Interrupt) 발생 원인으로 볼 수 없는 것은?
100. 다음 그림과 같은 명령 형식에서 나타낼 수 있는 명령어와 주소의 수는?