1과목: 전기자기학
1. 길이 l[m], 단면적의 지름 d[m]인 원통이 길이 방향으로 균일하게 자화되어 자화의 세기가 J[Wb/m2]인 경우 원통 양단에서의 전 자극의 세기는 몇 Wb 인가?
2. 전자파의 특성에 대한 설명으로 틀린 것은?
3. 평등자계를 얻는 방법으로 가장 알맞은 것은?
4. 간격 3m의 평행 무한평면도체에 각각 ±4C/m2의 전하를 주었을 때, 두 도체간의 전위차는 약 몇 V인가?
5. 점전하 0.5C이 전계 E = 3ax + 5ay + 8az [V/m] 중에서 속도 4ax + 2ay + 3az 로 이동할 때 받는 힘은 몇 N인가?
6. 도전률이 5.8×107 ℧/m, 비투자율이 1인 구리에 60㎐ 주파수를 갖는 전류가 흐를 때, 표피 두께는 몇 mm 인가?
7. 전선에 흐르는 전류를 1.5배 증가시켜도 저항에 의한 전압 강하가 변하지 않으려면 전선의 반지름을 약 몇 배로 하여야 하는가?
8. 그림과 같은 1m 당 권선수 n, 반지름 a[m] 의 무한장 솔레노이드에서 자기인덕턴스는 n과 a사이에 어떤 관계가 있는가?
9. 자기모멘트 9.8×10-5 Wbㆍm의 막대자석을 지구자계의 수평성분 10.5 AT/m 의 곳에서 지자기 자오면으로부터 90° 회전시키는데 필요한 일은 몇 J인가?
10. 전기력선에 관한 다음 설명 중 틀린 것은?
11. 다음 중 거리 r에 반비례하는 것은?
12. 그림과 같이 반지름 a인 무한길이 직선도선에 I인 전류가 도선 단면에 균일하게 흐르고 있다. 이 때 축으로부터 r (a>r)인 거리에 있는 도선 내부의 점 P의 자계의 세기에 관한 설명으로 옳은 것은?
13. 전계 E[V/m], 전속밀도 D[C/m2], 유전률 ε[F/m]인 유전체 내에 저장되는 에너지 밀도는 몇 J/m3 인가?


14. x > 0 인 영역에 ε1 = 3인 유전체, x < 0 인 영역에서 ε2 = 5 인 유전체가 있다. 유전률 ε2 인 영역에서 전계 E2 = 20ax + 30ay + 40az [V/m]일 때, 유전률 ε1 인 영역에서의 전계 E1 은 몇 V/m 인가?

15. 유전률 ε[F/m], 고유저항 ρ[Ωㆍm]인 유전체로 채운 정전용량 C[F]의 콘덴서에 전압 V[V]를 가할 때, 유전체중의 t초 동안에 발생하는 열량은 몇 cal 인가?
16. 자속의 연속성을 나타낸 식은?
17. 전계 E = i2e3xsin 5y - je3xcos 5y + k3ze4z 일 때, 점 (x = 0, y = 0, z = 0)에서의 발산은?
18. 내원통의 반지름 a, 외원통의 반지름 b 인 동축원통 콘덴서의 내외 원통사이에 공기를 넣었을 때 정전용량이 C0 이었다. 내외 반지름을 모두 3배로 하고 공기대신 비유전률 9인 유전체를 넣었을 경우의 정전용량은?
19. C1, C2 의 두 폐회로간의 상호인덕턴스를 구하는 노이만의 공식은?




20. 반지름 a 인 접지 구도체의 중심에서 d( > a )되는 점에 점전하 Q가 있을 때 영상전하 Q'의 크기는?




2과목: 회로이론
21. 분포 정수 회로에서 회로 정수 사이에는 어떤 관계가 있는가?
22. 분류기를 사용하여 전류를 측정하는 경우 전류계의 내부저항이 0.1[Ω], 분류기의 저항이 0.01[Ω]이면 그 배율은?
23. Δ 결선되 부하를 Y 결선으로 바꾸면 소비전력은 어떻게 되는가? (단, 선간 전압은 일정하다.)
24. 그림과 같은 회로에서 스위치를 닫은 후 회로에ㅐ 흐르는 전류 I(t)의 시정수는?

25. RLC 병렬회로가 공진 주파수보다 큰 주파수 영역에서 동작 할때, 이 회로는?
26. RL 병렬회로에서, 일정하게 인가된 정현파 전류의 위상 θ에 대하여 저항에 흐르는 전류 위상 θ1 과 인덕터에 흐르는 전류 위상 θ2을 나타낸 것으로 올바른 것은?
27. 2단자 임피던스가 S + 3/S2 + 3S + 2일 때 극점(pole)은?
28. 정현파 전압의 진폭이 Vm 이라면 이를 반파 정류 했을 때의 평균값은?

29. 무한장 전송 선로의 특성 임피던스 Z0 는? (단, R, L, G, C 는 각 각 단위 길이당의 저항, 인덕턴스, 컨덕턴스, 캐패시턴스이다.)


30. 다음 회로의 어드미턴스 파라미터 Y11 은 얼마인가?




31. RC 저역 필터회로에서 ω = 1/RC일 때 위상각은?
32. R-L 직렬회로에 v(t) = 100sin(104t + Q1) [V]의 전압을 가할 때 i(t) = 20sin(104t + Q2) [A]의 전류가 흘렀다. R = 30[Ω] 일 때 인덕턴스 L의 값은?
33. 그림의 교류 회로에서 R에 전류가 흐르지 않기 위한 조건은?
34. I1 = 2 + j3, I2 = i + j [A] 일 때 합성 전류의 크기 I[A]는?
35. ABCD 파라미터에서 단락 역방향 전달 임피던스는?
36. 다음 회로의 합성 캐패시턴스는?
37. 단위계단함수의 라플라스 변환은?
38. 그림과 같은 4단자 회로망에서 4단자 정수를 나타낼 때 A값은? (단. A는 개방 역방향 전압 이득임.)
39. 전송선로의 특성 임피던스가 50[Ω]이고, 부하 저항이 150[Ω]이면 부하에서의 반사계수는?
40. 그림과 같은 파형은 Laplace 변환은?


3과목: 전자회로
41. 궤환 발진기에서 바크하우젠(Bark hausen)의 발진 조건을 표시한 것 중 옳은 것은?
42. 다음 NAND 게이트로 구성된 논리회로는?
43. 변조도 80[%]인 진폭 변조에서 반송파의 평균 출력이 300[mW]일 때 피변조 반송파의 평균 출력은?
44. PNP트랜지스터의 베이스에 대한 설명 중 옳지 않은 것은?
45. 10112 를 Gray Code로 변환하면?
46. 그림과 같은 회로의 명칭은? (단, FF :flip-flop)
47. 비안정 멀티바이브레이터 회로에서 베이스 전압의 파형은?
48. 그림과 같은 동조증폭기에서 코일의 큐를 QC, 부하만의 큐를 QL이라 할 때 이 증폭기 전체의 선택도 Q는 어떤 관계식이 되는가? (단, QC = ω0L/r, QL = RLω0C 이며, hoe 는 거의 0 이다.)
49. 다음 그림과 같은 이득이 AV 인 연산 증폭회로에서 출력 전압 V0 를 나타내는 것은? (단, V1, V2 및 V3 는 입력 신호 전압이다.)
50. 다음 그림과 같은 논리회로의 출력은?



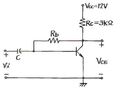
51. 다음 회로에서 VCE = 6.5 [V]가 되기 위한 Rb 값으로 가장 적당한 것은? (단, 여기서 VBE = 0.7[V], β = 100 이다.)
52. 발진 회로에 사용하는 수정편의 등가회로는 그림과 같고, 각 파라미터는 그림에 표시한 값을 갖는다. 이 수정편의 “Q"를 계산하면?
53. 포토 커플러(photo coupler)란?
54. 그림과 같은 h정수를 쓴 이미터 접지회로 모델에서 이미터, 베이스 사이의 전압 Vbe 는?
55. PN접합 다이오드의 온도와 역포화 전류와의 관계를 올바르게 나타낸 것은?
56. 주어진 회로는 어떤 종류의 발진기인가?
57. 수정발진기에서 안정된 발진을 유지할 수 있는 주파수 범위는? (단, fs : 수정자체의 직렬공진 주파수, fp : 전극용량을 포함한 병렬공진 주파수)
58. 다음 회로에서 A = C = 8Volts, B = 0Volts 일 때 출력 전압 VO 는?
59. 다음 회로 Qn = 0 인 상태에서 S = 1, R = 0이 가해지면 그 직후의 출력은?




60. 다음 회로는 연산증폭기를 사용한 윈 브리지 발진회로를 나타내고 있다. 발진주파수는?



4과목: 물리전자공학
61. 열평형 상태에서 pn 접합 전류가 0 이라면, 그 의미는?
62. 캐리어의 확산 길이는?
63. pn 접합에 역바이어스 전압을 걸어주면 어떠한 현상이 일어나는 가?
64. 전계에 의한 전자 또는 정공의 흐름에 의한 전류는?
65. 500[V] 전압으로 가속된 전자의 속도는 10[V]의 전압으로 가속된 전자 속도의 몇 배인가?



66. Hall 계수에 의해서 구할 수 있는 사항을 가장 잘 표현한 것은?
67. PN 접합의 역전압 의존성을 이용한 소자는?
68. 트랜지스터의 고주파 특성으로서 차단 주파수 α는 무엇으로 결정되는가?
69. 반도체의 전자와 정공에 대한 설명 중 옳지 않은 것은?
70. FET가 초퍼(Chopper)로서 적합한 이유는?
71. 열저자 방출에서 전자류가 온도 제한 영역에 있어서도 플레이트 전위의 상승에 의해 더욱 증가하는 현상은?
72. 균등 전계내의 전자의 운동에 관한 설명 중 옳지 않은 것은?
[J]이다.73. 전류 제어용 소자는?
74. 0℃, 1기압(atm)에 대한 기체 분자 밀도는 약 얼마인가? (단, 볼츠만 상수 K = 1.38×10-23 [J/K] 이다.)
75. 트랜지스터의 동작 특성에 대해서 옳은 것은?
76. n채널 J-FET와 그 특성이 비슷한 진공관은?
77. 접합 트랜지스터에서 주입된 과잉 소수 캐리어는 베이스영역을 어떤 방법에 의해서 흐르는가?
78. 전자 방출에 관한 설명 중 옳지 않은 것은?
79. 전계의 세기 E = 105 [V/m] 의 평등 전계 중에 놓인 전자에 가해지는 전자의 가속도는 약 얼마인가?
80. 쉬뢰딩거(Schrodinger) 방정식에 관한 설명으로 잘못된 것은?
5과목: 전자계산기일반
81. 프로그램 카운터가 명령어의 번지와 더해져서 유효번지를 결정하는 어드레싱 모드는?
82. 다음 중 순차 논리회로가 아닌 것은?
83. 인터럽트를 발생하는 모든 장치들을 인터럽트의 우선 순위에 따라서 직렬로 연결하여 인터럽트의 우선순위를 처리하는 방법은?
84. 다음 명령어의 형식에 대한 설명 중 옳지 않은 것은?
85. 다음 주소 지정 방식 중 데이터 처리가 가장 신속한 것은?
86. 순서도의 사용에 대한 설명 중 옳지 않은 것은?
87. 직렬 데이터 전송(Serial Data Transfer) 방식 중 양쪽 방향으로 동시에 데이터를 전송할 수 있는 방식은?
88. 컴퓨터를 크게 세 부분으로 나눌 때 포함되지 않는 것은?
89. n개의 비트(bit)로 정수를 표시할 때 2의 보수 표현법에 의한 범위를 적절히 나타낸 것은?
90. 기억된 프로그램의 명령을 하나씩 읽고 해독하여 각장치에 필요한 지시를 하는 기능은?
91. 마이크로컴퓨터의 구성에서 memory-mapped 입ㆍ출력과 isolated입ㆍ출력 방식에 대한 설명 중 옳은 것은?
92. 다음에 실행할 명령의 번지를 갖고 있는 레지스터는?
93. 마이크로컴퓨터의 입ㆍ출력 전송 방법 중 Cycle stealing을 하는 방법은?
94. CPU는 4개의 사이클 반복으로 동작을 행한다. 이 중 4개의 사이클에 속하지 않는 것은?
95. 고급 언어로 작성된 프로그램을 컴퓨터가 이해할 수 있는 기계어로 번역해 주는 프로그램을 무엇이라고 하는가?
96. two address machine에서 기억 용량이 216 워드이고 워드 길이가 40bit 라면 이 명령형에 대한 명령코드는 몇 bit로 구성되는가?
97. 어셈블리어 프로그램을 기계어로 바꾸어 주는 것은?
98. 조건에 따라 처리를 반복 실행하는 플로우 차트의 기본형은?
99. 특정의 비트 또는 문자를 삭제하기 위하여 필요한 연산 방법은?
100. 캐시 메모리(cache memory)의 설명으로 옳지 않은 것은?