1과목: 기계가공법 및 안전관리
1. 서피스 게이지(surface gage)는 다음 중 어느 곳에 사용 되는가?
2. 빌트업 에지(built-up edge)의 증가를 돕는 사항은?
3. 사인바(Sine bar)에서 정반면으로 부터 블록게이지의 높이를 각각 알고 있을 때, 각도 측정을 위해 필요한 것은?
4. 주물사의 시험에 속하지 않는 것은?
5. 다음 중 직접 측정의 장점이 아닌 것은?
6. 압출 가공의 종류에 해당되지 않는 것은?
7. 산소-아세틸렌 가스용접법의 장점이 아닌 것은?
8. 소성가공에서 열간가공과 냉간가공을 구분하는 온도는?
9. 세이퍼에서 행정 350㎜, 바이트의 왕복 회수가 60회/min이며, 귀환 속도비
이고, VR: 귀환속도일 때, 절삭속도(Vc)의 값은?
10. 소성가공에 해당되는 것은?
11. 강의 특수 열처리법에서, 오스테나이트를 경(硬)한 조직인 베이나이트로 변환시키는 항온 열처리법은?
12. 인발작업에서 지름 15㎜의 철사(wire)를 인발하여 지름 13㎜로 하였을 때, 가공도 및 단면 수축률은?
13. 내경 측정에 사용되는 측정기가 아닌 것은?
14. 주물자를 선택할 때 무엇을 기준으로 하는가?
15. 가늘고 긴 공작물을 선반가공 할 때, 필요한 부속품은?
16. 아크나 발생가스가 다 같이 용제속에 잠겨져 있어서 잠호 용접이라고 하며, 상품명으로는 링컨용접법이라고도 하는 것은?
17. 블록게이지(block gauge)는 어느 작업으로 완성 가공되는가?
18. 인발작업에서 인발력(引拔力)이 결정되기 위한 인자에 해당되지 않는 것은?
19. 가공물을 양극으로 하고 불용해성인 납, 구리를 음극으로하여 전해액 속에 넣으면 가공물의 표면이 전기에 의한 화학작용으로, 매끈한 면을 얻을 수 있는 방법은?
20. 표면경화와 피로강도 상승의 효과가 함께 있는 가공법은?
2과목: 기계설계 및 기계재료
21. 보통주철은 주조한 그대로 사용되는 일이 많으나 최근에는 각종 열처리를 실시하여 재료의 성질을 개선한다. 다음 중 관계와 가장 먼 것은?
22. 유니파이나사의 나사산 각도는?
23. 철의 동소체로서 A3 변태에서 A4 변태 사이에 있는 철은?
24. 풀림을 하는 목적을 설명한 것 중 틀린 사항은?
25. 다음 중 고속도강과 가장 관계가 먼 사항은?
26. 펄라이트(Pearlite)의 생성되는 과정에서 틀린 것은?
27. 탄소강은 일반적으로 200∼300℃ 부근에서 상온보다 더욱 취약한 성질을 갖는다. 이것을 무엇이라 하는가?
28. 원뿔면 또는 원통면 밸브시트 안에서 밸브가 회전하고 유체가 그 회전축에 직각으로 유동하는 구조로 된 밸브는?
29. 묻힘키이(sunk key)에서 생기는 전단응력을 τ, 키이에 생기는 압축응력을 σc라 하여 τ /σc = 1/2일때 키의 폭 b와 높이 h와의 관계를 가장 옳게 설명한 것은?
30. 반복 하중을 가하여 재료의 강도를 평가하는 시험 방법은 다음 중 어느 것인가?
31. 기중기 등에서 물체를 내릴 때 하중 자신에 의하여 브레이크 작용을 행하여 속도를 억제하는 것은?
32. 그림과 같은 용접이음에서 용접부에 발생하는 인장응력은 얼마인가?
33. 400rpm으로 전동축을 지지하고 있는 미끄럼 베어링에서 저어널의 지름 d =6㎝, 저어널의 길이 ℓ =10㎝이고, W=420㎏f의 레디얼 하중이 작용할 때, 베어링 압력은?
34. 염기성 전로에 사용되는 내화벽돌 재료는 어느 것인가?
35. 비철계 초소성 재료 중 최대의 연신을 갖는 합금은?
36. 풀리장치에서 벨트의 장력이 너무 크게 되면 어떤 현상이 일어나는가?
37. 다음 축이음 중 두축이 서로 평행하고 거리가 짧고 교차하지 않는 경우에 사용하는 기계요소는?
38. 다음중 불변강이 아닌것은?
39. 그림과 같은 스프링 장치에서 각 스프링의 상수 K1=4㎏f/㎝, K2=5 ㎏f/㎝, K3=6 ㎏f/㎝이며 하중 방향의 처짐δ =150mm일 때, 하중 P는 얼마인가?(오류 신고가 접수된 문제입니다. 반드시 정답과 해설을 확인하시기 바랍니다.)
40. 두개의 기어가 서로 맞물려서 운동을 전달하고 있다. 회전 방향이 같고 감속비가 큰 기어는 어느 것인가?
3과목: 컴퓨터응용가공
41. 3차원 동차좌표계에서 변환 행렬(matrix)의 크기는 얼마로 해야 일반성이 있는가?
42. 행렬
와
의곱은?




43. Serial COM port로 출력장치에 연결하여 사용할 때 data의 전송속도를 나타내는 단위는?
44. 다음 중에서 옳지 않은 설명은?
45. 다음 중 r (θ) = 5cosθi +5sinθj +(θ/π )k 에 대하여 θ=0 에서의 접선의 방정식은?
46.
인 직선을 x 방향으로 -5, y 방향으로 3만큼 이동 시킬 때 결과는?




47. 기하공차의 종류 중 모양 공차에 해당하지 않는 것은?
48. 한글 1글자를 기록하는데 2 바이트(byte)가 필요하다면 기억용량 600MB의 광디스크(CD) 1장에는 한글 몇 글자까지 기록할 수 있는가?
49. 다음 중 곡면을 만드는 방법이 아닌 것은?
50. 롤링 베어링 호칭번호가 60 26 P6일때 안지름의 값은 몇 mm인가?
51. CAD 소프트웨어의 가장 기본이 되는 그래픽 소프트웨어의 구성원칙에 맞지 않는 것은?
52. 다음 중 커서 콘트롤 장치가 아닌 것은?
53. CAD 시스템에서 낮은 차수의 곡선을 선호하는 이유는?
54. 기계제도에서 주로 사용되는 투상법은 어느 것인가?
55. 다음 중 가는 파선 또는 굵은 파선의 용도 설명으로 맞는 것은?
56. CAD/CAM 시스템에서 구성된 자료를 서로 다른 시스템에서 공유하기 위해서 사용하는 표준파일 시스템으로 섹션 (section)과 엔티티(entity)로 구분된 표준파일은?
57. 스프링 도시의 설명 중 틀린 것은?
58. 표면거칠기 기입방법이 잘못 설명된 것은?
59. 한국산업규격(KS)에 제도규격으로 제도통칙이 제정되어 있으며 이 규격은 공업의 각 분야에서 사용하는 도면을 작성할 때 요구되는 사항을 규정하고 있는데 다음 내용중 규정되어 있지 않는 것은?
60. 다음 중 분산처리형 시스템이 갖추어야 할 기본 성능이 아닌 것은?
4과목: 기계제도 및 CNC공작법
61. 다음 중 소수점 사용이 옳은 것은?
62. 솔리드 모델링에서 CSG와 비교한 B-rep의 특징으로 맞는 것은?
63. 머시닝센터에서 절대지령으로 그림과 같이 C1 → C2까지 시계방향으로 윤곽가공할 때 옳은 것은?
64. 파트(Part) 프로그램이 같더라도 여러종류의 CNC 공작기계에 알맞는 NC 데이터를 생성하도록 역할을 하는 것은?
65. 덕트(duct)형 곡면으로서 단면 곡선과 스플라인(spline)으로 정의되는 곡면을 모델링하는데 가장 적합한 방식은?
66. 절삭면과 공구의 진행방향이 그림과 같을 때 상향절삭으로 절삭면 부위를 가공하기 위한 공구경 보정과 회전 방향이 맞는 것은?
67. 형상 모델링에서는 기본적으로 곡면을 많은 사각형 또는 삼각형으로 분할하여 분할된 단위 곡면 요소들을 이어서 곡면을 표현하는데 이 사각형 또는 삼각형의 곡면 요소를 무엇이라고 하는가?
68. B-spline곡선에 대한 설명으로 옳지 않은 것은?
69. 서보모터에서 토크가 발생할 때, 20㎜ 피치의 리드 스크루(lead screw)가 1도의 비틀림 (wind up)이 발생되었다면 운동 손실의 크기는 얼마인가?
70. CNC 보간 방법 중 공구를 3차원적으로 제어하는 방법은 어느 것인가?
71. 와이어프레임 모델의 특징을 설명한 것 중 틀린 것은?
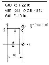
72. CNC에서 2.5초 동안 프로그램의 진행을 정지시키는 프로그램으로 맞는 것은?
73. 여러 종류의 CAD/CAM소프트웨어 간의 정보교환을 위하여 미국의 NBS(National Bureau of Standards)가 제안, ANSI 규격으로 승인한 표준 데이터 형식은?
74. 솔리드 모델링의 표현방식이 아닌 것은?
75. 다음 서피스 모델(surface model)의 특징을 설명한 것 중 틀린 것은?
76. 선반가공시 지름 50mm 환봉을 350rpm, 이송 0.3mm/rev, 노즈반경이 R0.4 일때 가공면의 이론조도는?
77. CNC 기계에서 기계적 운동을 전기적 신호로 바꾸어 주는 장치는?
78. CNC 선반에서 지령치 X=75mm로서 소재를 가공한 후 측정한 결과 ø74.92이었다. 기존의 X축 보정치를 0.005라 하면 수정해야 할 공구보정치는 총 얼마인가? (단, 직경 지령 사용)
79. 그림은 P1에서 P2까지의 CNC선반 프로그램이다. 빈칸에 알맞은 것은?(오류 신고가 접수된 문제입니다. 반드시 정답과 해설을 확인하시기 바랍니다.)
80. 공작기계의 제어모터를 이용한 수치제어의 기본방식을 설명한 것 중 틀린 것은?