1과목: 기계가공법 및 안전관리
1. 단조용 강재에서 유황의 함유량이 많을 때, 가장 관계가 깊은 것은?
2. 스프링 백의 양(量)이 커지는 원인이 아닌것은?
3. 그림에서 I형 맞대기 용접을 하려고 한다. 올바른 용접 기호는?




4. 전단가공에 속하지 않는 것은?
5. 열간 압연강판과 비교한, 냉간 압연강판의 장점이 아닌 것은?
6. 지름 50mm인 연강 둥근 봉을 20m/min의 절삭 속도로 선삭할 때, 스핀들의 회전수는 얼마인가?
7. NC 공작기계에서 검출기를 기계 테이블에 직접 부착하여 피드백(feed back)을 행하는 서보기구(servo system)는?
8. 용접부품을 조립하는 데 사용하는 도구는?
9. 정밀 입자 가공에서 호닝(honing)의 결과에 대한 설명으로 틀린 것은?
10. 강, 구리 황동의 작은 단면의 선, 봉, 관 등을 접합하는데 가장 적합한 저항 용접은?
11. 강의 담금질 조직 중 에서 경도가 제일 큰 것은?
12. 절삭가공에 있어서 빌트 업 에지(built-up edge)를 줄이는 방법이 아닌 것은?
13. 나사의 측정 대상이 아닌 것은?
14. 일감의 표면을 완성가공하는 방법으로 가공면은 매끈하고 방향성이 없고 치수변화보다는 고정밀도의 표면을 얻는것이 주 목적인 것은?
15. 목형재료로서 목재에 대한 특징의 설명 중 틀린 것은?
16. 압탕의 역할로서 옳지 않은 것은?
17. 사인바(Sine bar)에 관하여 틀리게 설명한 것은?
18. 두께 3㎜, 0.1%C의 연강에 지름 20㎜의 구멍으로 펀칭할때, 프레스의 슬라이드 평균 속도를 5 m/min, 기계효율 70%로 하면 소요 동력은 얼마 인가? (단, 판의 전단저항 은 25㎏f/mm2이다)
19. 고체 침탄법에서 침탄제와 촉진제로 많이 사용하는 것은?
20. 줄작업(filing)방법이 아닌 것은?
2과목: 기계설계 및 기계재료
21. 평벨트 전동에서 유효장력이란 무엇인가?
22. 탄소강에서 온도가 상승함에 따라 기계적 성질이 감소하지 않는 것은?
23. 볼나사의 특징 중 틀린 것은?
24. 인장시험편을 만들때 고려하지 않아도 되는 사항은?
25. 연성(延性)재료가 고온에서 정하중을 받을때 기준 강도로 서 어떤 것을 취하는가?
26. 니켈 60‾0% 정도로 함유한 Ni-Cu계의 합금으로, 내식성이 좋으므로 화학공업용 재료로 많이 쓰이는 재료는?
27. 고Ni강으로 강력한 내식성을 가지고 있으며, 약한 자장으로 큰 투자율을 가지고 있으므로, 해저 전선의 장하코일 등에 쓰이고 있는 것은?
28. 탄소강에 첨가할 경우 결정립을 미세화시키는 원소는?
29. 다음 중 역류를 방지하여 유체를 한쪽 방향으로 흘러가게하는 밸브는?
30. 구상흑연 주철을 만들 때에 사용되는 첨가재는?
31. 다음 그림과 같은 원통코일 스프링의 처짐량 δ = 60 ㎜일때, 작용하는 하중 W는 몇 kgf인가? (단, 스프링 상수 k1 = 6 ㎏f/㎝, k2 = 2㎏f/㎝이다.)
32. 볼베어링의 수명 회전수 Ln, 베어링 하중 P, 기본부하용량을 C라 할 경우 다음 중 옳은 것은?




33. 브레이크 드럼에서 브레이크 블록을 밀어붙이는 힘이 150㎏f, 마찰계수 μ = 0.3, 드럼의 지름 350㎜로 할때 토크는?
34. 다음은 1줄 리벳겹치기 이음에서 강판의 효율을 표시한 식이다. 옳은 것은? (단, P는 리벳의 피치, d는 리벳구멍의 직경이다.)
35. 다음은 고주파경화법의 장점이 아닌 것은?
36. 코터의 폭이 20 ㎜, 두께가 10 ㎜, 코터의 허용 전단응력이 2㎏f/mm2이라면 코터에 가할 수 있는 하중은 얼마인가?
37. 기어의 압력각을 크게 할 때 일어나는 현상으로 옳은 것은?
38. 공정점에서의 자유도(degree of freedom)는 얼마인가?
39. 연신율이 크고, 인장강도 25㎏f/mm2로 전구의 소켓이나 탄피용으로 쓰이는 황동은?
40. 다음 중 고속도강과 가장 관계가 먼 사항은?
3과목: 컴퓨터응용가공
41. 베어링 기호 NA4916V의 설명 중 틀린 것은?
42. 다음 그림에 해당되는 좌표계는?
43. 기준치수가 30, 최대허용치수가 29.96, 최소 허용 치수가 29.94 일때 아래치수 허용차는?
44. 두 점(1,1), (3,4)를 연결하는 선분을 원점을 기준으로 반시계 방향으로 60도 회전한 도형의 양 끝점의 좌표를 구한 것은?
45. 그림과 같이 두 부품이 교차하는 부분을 표시한 것중 옳은 것은?




46. 컬러 래스터 스캔 화면 생성방식에서 3 bit plane의 사용 가능한 색깔의 수는 모두 몇 개인가?
47. 억지 끼워맞춤에서 축의 최소 허용치수에서 구멍의 최대 허용치수를 뺀 값은?
48. 점 P1(25,50)을 ㅿx=14, ㅿy=6만큼 이동시킨 후 원래의 위치로 되돌리기 위한 Matrix에서 b31은 얼마인가? (단,
)
49. 미터나사(metric thread)에서 사용하는 나사산 각도는?
50. 평판 디스플레이 장치중에서 전기장의 원리가 빛을 발생하는 데에 이용되지 않고 단지 투과되는 빛의 양만을 조절하는 데에 이용되는 것은?
51. 가는 1점 쇄선으로 표시하지 않는 선은?
52. 도면에서 부품란의 품번 순서는? (단, 부품란은 도면의 우측 아래에 있다.)
53. 현재 CAD를 활용하여 CAD/CAM/CAE를 디자인, 제품설계, 금형설계, 생산까지 모든 공정에서 CAD 데이터를 공유하여 업무를 추진하는 방법은?
54. 다음 투상의 평면도에 해당하는 것은?




55. 제품의 모델(model)과 그에 관련된 데이터 교환에 관한 표준 데이터 형식이 아닌 것은?
56. 일반적인 컴퓨터 그래픽 하드웨어의 대표적인 구성요소로 보기 어려운 것은?
57. 가상선의 용도로 맞지 않는 것은?
58. 회전형 가변저항기를 X축과 Y축 방향으로 회전시켜 커서를 이동시키는 기구로 정확한 위치 선택이 용이하며, 주로 키보드와 같이 부착되어 있는 입력장치는?
59. 컴퓨터그래픽에서 도형을 나타내는 그래픽 기본 요소가 아닌 것은?
60. 기하학적으로 곡선형상을 표현하기 위해서는 기본적으로 점과 벡터에 의해서 구성된다. 이러한 벡터를 구성하기 위한 기본 요소가 아닌 것은?
4과목: 기계제도 및 CNC공작법
61. 와이어 프레임(wire frame) 모델의 특징이 아닌 것은?
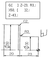
62. 다음 B-rep(Boundary representation)에 대한 설명으로 틀린것은?
63. 그림에서 CNC선반 프로그램의 좌표계설정 프로그램으로 옳은 것은?(단, 직경지령 사용)
64. 곡면을 가공할 때 볼 엔드밀이 지나가고 남은 흔적을 말하며 골간의 간격에 따라서 높이가 달라지게 되는 것은?
65. B-spline 곡선을 정의하기 위해 필요하지 않은 입력 요소는?
66. 아래의 도면을 CNC선반에서 가공하려고 프로그램을 작성하였다. 괄호안에 알맞은 것은?
67. 다음 중 5축 가공의 이점이 아닌 것은?
68. 다음 중 원을 정의할 수 있는 곡선은?
69. 다음 모델링 기법 중 빌딩블럭(building block)개념을 이용하여 모델링하는 방식은?
70. 일반적으로 3차원적인 물체의 표현방법이 아닌 것은?
71. 회전수 800rpm, 절삭 속도 34m/min, 날당 이송량이 0.05mm/tooth인 2날 엔드밀의 이송 속도 몇 mm/min인가?
72. 커플링으로 연결된 CNC공작기계의 볼스크루 피치가 12mm이고, 서보모터의 회전각도가 240° 일 때 테이블의 이동량은?
73. CNC 공작기계의 검출장치중에서 광원, 감광판, 유리판 등을 사용하고 있는 것은?
74. 다음 프로그램에서 NO3블록의 가공시간은?
75. CNC공작기계를 사용하는 작업자의 일반 안전예방 사항 중 잘못된 것은?
76. 일반적으로 CNC 공작기계에서 백래시(back lash)의 오차를 줄이기 위해 사용하는 기구는?
77. 조작판 상의 옵셔널 블록 스킵(/) 스위치가 ON 된 상태에서 다음 프로그램 중 실행되지 않는 기능은?
78. 다음 모델 중 데이터의 구성이 단순하여 메모리를 가장 적게 차지하는 모델은?
79. CAD/CAM의 출력장치는?
80. CNC선반 프로그램에서 주속일정제어인 G96을 사용하고 있는 주된 이유로 타당하지 않은 것은?