1과목: 수처리공정
1. 정수처리에 응용될 수 있는 고도산화법(AOP)에서 오존과 함께 사용할 수 있는 약품이나 방법으로 옳은 것은?
2. 슬러지처리시설에 관한 설명으로 옳지 않은 것은?
3. 최적 역세척을 위한 세척속도와 여층의 최적 팽창률에 관한 설명으로 옳지 않은 것은?
4. 액화염소의 저장설비에 관한 설명으로 옳지 않은 것은?
5. 분말활성탄의 주입방법과 효과에 관한 설명으로 옳은 것은?
6. 기계식 급속혼화의 단점으로 옳지 않은 것은?
7. 정수처리공정의 염소요구량에 관한 설명으로 옳지 않은 것은?
8. 오염물질이 함유된 정수처리에 관한 설명으로 옳지 않은 것은?
9. 입상활성탄 처리공정에 관한 설명으로 옳은 것은?
10. 응집제에 관한 설명으로 옳은 것은?
11. 다음에서 설명하는 급속여과지의 하부집수장치는?
12. 계획정수량이 500,000m3/d인 정수장에서 여과속도를 120m/d로 할 경우 필요한 여과지수는? (단, 1지의 여과면적은 140m2로 하고 예비지 설치는 고려하지 않는다.)
13. 소독제에 관한 설명으로 옳은 것은?
14. 정수처리공정에서 발생되는 슬러지의 탈수성에 관한 설명으로 옳지 않은 것은?
15. 1일 5,000m3의 원수를 처리하는 정수장의 응집제[Al2(SO4)3·18H2O] 주입률은 20mg/L 이다. 1일 소요 알칼리도로서 필요한 Ca(HCO3)2의 양(kg)은? (단, 분자량은 Al2(SO4)3·18H2O=666, Al2(SO4)3=342, Ca(HCO3)2=162 이다.)
16. 유량 3,000m3/h에 염소를 주입하고자 한다. 염소주입농도가 2mg/L일 때, 유효염소 6%를 함유하는 차아염소산나트륨의 용적주입량(L/h)은? (단, 차아염소산나트륨의 비중은 1.1이다.)
17. 염소가스 재해설비 및 배관설비 등에 관한 설명으로 옳지 않은 것은?
18. 급속여과지에서 과도한 여재 유실을 발생시킬 수 있는 경우가 아닌 것은?
19. 여과층 폐색, 부압발생의 원인과 대책에 관한 설명으로 옳지 않은 것은?
20. 전염소처리 및 중간염소처리의 목적에 관한 설명으로 옳은 것을 모두 고른 것은?
2과목: 수질분석 및 관리
21. [OH-]농도가 0.005mol/L인 수용액의 pH는 약 얼마인가?
22. 수도법령상 크립토스포리디움 난포낭 등의 분포실태 조사방법으로 옳지 않은 것은?
23. 응집에 관한 내용으로 옳은 것을 모두 고른 것은?
24. 먹는물관리법에서 정의하고 있는 “먹는물”에 해당하지 않는 것은?
25. 석회-소다회법으로 경도를 제거할 때 Ca(OH)2 및 Na2CO3를 모두 필요로 하는 경도물질은?
26. 소독제로 사용되는 이산화염소에 관한 설명으로 옳지 않은 것은?
27. 수도법령상 일반수도사업자는 수돗물이 수질기준에 위반된 경우나 그 밖에 대통령령으로 정하는 사유에 해당하는 경우에는 그 위반내용 등을 관할 구역의 주민에게 알리고 수질개선을 위하여 필요한 조치를 하여야 한다. 그러한 경우에 해당하지 않는 것은?
28. 먹는물의 병원성 생물체 존재를 확인하게 위한 지표미생물의 선정기준에 관한 설명으로 옳지 않은 것은?
29. 먹는물수질공정시험기준상 과망간산칼륨소비량(산성법) 실험을 통해 다음과 같은 결과를 얻었다. 이 때 과망간산칼륨소비량(mg/L)은 약 얼마인가?
30. 먹는물 수질기준 및 검사 등에 관한 규칙상 먹는물 수질기준으로 옳은 것은?
31. 지하수법령상 규정된 항목으로 옳지 않은 것은?
32. 다음은 오존처리의 전달효율 산출식이다. ( )에 들어갈 내용으로 옳은 것은?
33. 먹는물수질공정시험기준상 총칙에 관한 설명으로 옳은 것을 모두 고른 것은?
34. 시료의 양이온 농도를 측정한 결과가 다음과 같을 때, 총경도(mg CaCO3/L)는? (단, Na+, Mg2+, K+, Ca2+의 원자량은 각각 23, 24 ,39, 40으로 한다.)
35. 다음은 자-테스트(jar-test)를 무작위로 나열한 것이다. 일반적 순서를 올바르게 배열한 것은?
36. 수질오염공정시험기준상 구리 시험방법으로 옳지 않은 것은?
37. 먹는물 수질감시항목 시험방법 중 부식성 지수인 랑게리아지수(Langelier Index, LI) 계산에 필요한 측정값을 모두 고른 것은?
38. 수도법상 전용상수도의 정의이다. ( )에 들어갈 숫자를 순서대로 옳게 나열한 것은?
39. 맛·냄새 원인물질 중 생물학적 발생원에 관한 설명으로 옳지 않은 것은?
40. 막여과 정수시설의 설치기준상 수도용 막모듈의 성능기준 중 여과성능 0.05m3/m2·일 이상 및 염화나트륨 제거성능 93% 이상에 해당되는 막모듈은?
3과목: 설비운영(기계·장치 또는 계측기 등)
41. 분말활성탄의 건조탄 저장조에서 가교(bridge) 결합을 방지하기 위한 대책이 아닌 것은?
42. 펌프실 등 동일구조물에 감시실이 있는 경우 진동·소음방지 대책으로 옳지 않은 것은?
43. 유기물 함량이 40%를 초과한 정수장 슬러지를 관리형 매립시설에 매립 시, 탈수된 슬러지 수분함량 기준은?
44. 약품 주입 시 건식 또는 습식의 혼용으로 주입할 수 있는 약품은?
45. 수직형 응집기 중 하이드로포일형 응집기에 관한 설명으로 옳지 않은 것은?
46. 정수장의 배출수 및 슬러지 처리시설 중 다음에 해당하는 시설은?
47. 연구실 안전환경 조성에 관한 법령상 중대연구실사고 등의 보고에 관한 사항으로 ( )에 들어갈 내용으로 옳은 것은?
48. 산업안전보건법령상 안전인증대상기계등 및 안전검사대상기계등에 공통으로 해당하는 것을 모두 고른 것은?
49. 주입오존량 50mg/L, 잔류오존량 10mg/L, 배출오존량이 5mg/L 일 때, 이용률(%)은?
50. 완속여과지에서 여과모래의 선정표준으로 옳은 것은?
51. 공기밸브 설치에 관한 내용으로 옳지 않은 것은?
52. 현장의 단위공정제어의 운전조작 기능과 데이터베이스 기능을 수행하며 모니터 화면과 키보드, 마우스 등으로 구성된 감시제어설비로서 정수장 내의 탈수기동, 취수장, 가압장 등에 주로 설치하는 것은?
53. 전자유량계 설치 시 유의사항으로 옳지 않은 것은?
54. KEC에 의한 전선식별에 관한 설명으로 옳은 것은?
55. 전력계통의 중성점 직접접지방식에 관한 설명으로 옳지 않은 것은?
56. 원심펌프의 소음·진동원인 중 기계적 원인이 아닌 것은?
57. TM(Tele-metering)/TC(Tele-control)장치 구성 방식과 특징 중 1:N대향 시스템에 관한 설명으로 옳은 것은?
58. 수도시설 계측제어 시스템 중 플록형성지에서 사용되는 계측기의 계측항목에 해당하는 것을 모두 고른 것은?
59. 수중 임의의 점에서 정압력이 그 지점에서 수면까지의 거리, 밀도 및 중력가속도의 곱에 반비례하는 원리를 이용하여 수위를 측정하는 방식은?
60. 다음은 전동기의 기동방식에 관한 설명이다. ( )에 들어갈 내용으로 옳은 것은?
4과목: 정수시설 수리학
61. 용수 공급용 고가수조의 수표면으로부터 수심 2m인 곳에 설치된 원형 오리피스의 유량이 4.88×10-3 m3/s 이고 오리피스의 지름이 4cm일 때, 유량계수(C)는? (단, 고가수조의 수표면은 일정하게 유지됨)
62. 펌프 운용 시 공동현상(cavivation) 발생에 관한 설명으로 옳지 않은 것은?
63. 흐름에 관한 다음 설명으로 옳은 것은?
64. 엘보를 등가관으로 나타낼 때, 이 등가관의 길이(Le)를 옳게 표현한 식은? (단, K는 엘보의 손실계수, d는 등가관의 지름, f는 등가관의 마찰손실계수이다.)




65. 어느 펌프의 정격 운전 중 펌프 전후 A, B 지점의 압력수두가 각각 –3.5m 및 40m이고 두 지점간의 수직거리가 50cm 일 때, 이 펌프의 전양정(m)은? (단, 흡입관과 송출관의 직경은 같다.)
66. 동일특성을 갖는 펌프의 병렬운전에 관한 설명으로 옳지 않은 것은?
67. 아래 그림과 같은 사다리꼴 인공수로의 단면적(A)과 경심(R)은 약 얼마인가?
68. Manning 공식의 조도계수(n)와 마찰손실계수(f)의 관계를 정의한 것으로 옳은 것은? (단, D는 원형 관로의 직경이다.)




69. 배수관이 서로 연결되어 폐합회로(Loop)로 관망(Pipe Network)을 형성할 때 적용되는 가정 또는 그 설명으로 옳지 않은 것은?
70. 정수장 횡류식 침전지의 침전제거율 향상 방법으로 옳지 않은 것은?
71. 가로 50m, 세로 20m, 높이 5m인 직육면체 정수지에서 최저수심을 2m로 운영한 결과 염소소독에 의한 불활성화비가 0.8였다. 최저 운영수심을 높이는 방법만으로 불활성화비를 만족시킬 수 있는 최저 정수지 운영수심(m)은? (단, 나머지 운영조건은 동일하다.)(문제 오류로 확정답안 발표시 모두 정답처리 되었습니다. 여기서는 1번을 누르면 정답 처리 됩니다.)
72. 단위폭당 유량이 4m3/s로 흐르고 있는 직사각형 단면수로에서 수심은 4m였다. 이 때 프루드수와 흐름 상태는?
73. 길이 50m, 유효수심 3m, 폭 6m의 제원을 갖는 침전지에 3m3/min 의 유량이 유입되는 경우 체류시간(hr)은?
74. 벤츄리미터를 사용하여 관수로 흐름의 유량을 측정하고 있다. 시차액주계의 수두차가 5cm일 때의 관로 유량이 1m3/s라면, 시차액주계의 수두차가 20cm일 경우의 유량(m3/s)은? (단, 벤츄리미터의 유량계수와 유속계수는 유량에 관계없이 일정하다고 가정한다.)
75. 관수로 흐름의 마찰손실계수에 관한 설명으로 옳은 것을 모두 고른 것은?
76. 상수도설계기준에서 수로를 이용하여 도수거를 설계할 때 손실수두나 지형, 유속을 고려한 동수경사의 범위로 적합한 것은?
77. 펌프의 유입구 유량 1.2m3/s, 유속이 2m/s 일 때, 흡입 구경(mm)은 약 얼마인가?
78. 동력과 압력의 차원을 올바르게 나타낸 것은?
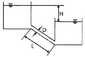
79. 그림과 같이 두 수조에 지름(D) 250mm, 길이(L) 200m인 단일 직선관로가 연결되어 있다. 관의 마찰손실계수가 0.03, 두 수조의 수면차(H)가 4m, 미소손실계수의 합이 1.5 일 때, 흐르는 유량(m3/s)은 약 얼마인가?
80. 수도용 펌프에서 펌프를 규정 속도 이외의 회전 속도로 운전하는 경우 전양정의 변화를 나타낸 것으로 옳은 것은? (단, H는 규정회전 시의 전양정(m), N은 규정 회전속도(rpm), H′은 N′회전 시의 전양정(m), N′은 규정 이외의 회전속도(rpm)이다.)