1과목: 과목 구분 없음
1. 저항과 코일이 직렬로 연결된 회로에 100 [V]의 직류전압을 인가 하니 250 [W]가 소비되고, 100 [V]의 교류전압을 인가하면 160 [W]가 소비된다. 이 회로의 저항[Ω]과 임피던스[Ω]는?
2. 다음의 회로에서 전류 I [A]는? (단,
이고,
및
는 페이저(phasor)이다)
3. 다음의 회로처럼 Δ결선된 평형 3상전원에 Y결선된 평형 3상부하를 연결하였다. 상전압 Va, Vb, Vc의 실효치는 210 [V]이며, 부하 ZL=1+j√2[Ω]이다. 평형 3상부하에 흐르는 선전류 IL[A]은?
4. 다음의 회로에 평형 3상전원을 인가했을 때 각 선에 흐르는 전류 IL[A]가 같으면 R [Ω]은?
5. 다음의 회로에서 스위치(SW)가 충분한 시간동안 열려 있다가 t =0인 순간에 스위치를 닫았다. 시간에 따른 전류 iA의 값으로 옳은 것은? (단, iA(0-)는 초기전류, iA(0+)는 스위치를 닫은 직후의 전류, iA(∞)는 정상상태의 전류이며, 단위는 [mA]이다)
6. 다음의 그림과 같은 주기함수의 전류가 3 [Ω]의 부하저항에 공급될 때 평균전력[W]은?
7. 다음의 <회로 A> 및 <회로 B>에서 전압 및 전류의 응답파형으로 서로 유사한 경향을 보이는 것들끼리 묶은 것은? (단, 회로는 모두 t=0에서 스위치(SW)를 닫으며 초기조건은 0이다)
8. 다음의 회로에서 실효값 100 [V]의 전원 vs를 인가한 경우에 회로 주파수와 무관하게 전류 is가 전원과 동상이 되도록 하는 C[㎌]는? (단, R=10 [Ω], L=1 [mH]이다)
9. 권수가 600회인 코일에 3 [A]의 전류를 흘렸을 때 10-3 [Wb]의 자속이 코일과 쇄교하였다면 인덕턴스[mH]는?
10. 다음의 회로에서 역률각(위상각) 표시로 옳은 것은?




11. 전기력선의 성질에 대한 설명으로 옳은 것은?
12. 2 [Ω]과 4 [Ω]의 병렬회로 양단에 40 [V]를 가했을 때 2 [Ω]에서 발생하는 열은 4 [Ω]에서 발생하는 열의 몇 배인가?
13. ‘폐회로에 시간적으로 변화하는 자속이 쇄교할 때 발생하는 기전력’, ‘도선에 전류가 흐를 때 발생하는 자계의 방향’, ‘자계 중에 전류가 흐르는 도체가 놓여 있을 때 도체에 작용하는 힘의 방향’을 설명하는 법칙들은 각각 무엇인가?
14. 병렬 RLC 공진회로에 대한 설명으로 옳은 것은?
15. 다음의 회로에 대한 테브난 등가회로를 구하려 한다. a, b단자에서의 테브난 등가전압[V]은?
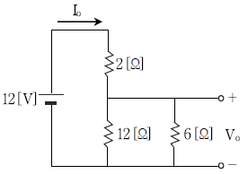
16. 다음의 회로에서 전압 Vo[V]와 전류 Io A]는?
17. 다음의 회로에서 전류 I [A]는?
18. 다음의 회로에서 R1=3[Ω], R2=6[Ω], R3=5Ω], R4=10 [Ω]일 때 최대전력을 소모하는 저항은? (단, G는 검류계이다)
19. 다음의 그림에서 도체는 10 [C]의 전하량으로 대전되어 있다. 이때 유전체 (유전율 ε [F/m])내에서의 전계의 세기[V/m]는? (단, 가장자리에서의 전속의 Fringing effect는 무시한다)
20. 내구의 반지름이 a [m], 외구의 반지름이 b [m]인 동심 구형 콘덴서에서 내구의 반지름과 외구의 반지름을 각각 2a [m], 2b [m]로 증가시키면 구형 콘덴서의 정전용량은 몇 배로 되는가?
교류전압을 인가할 때, 전압과 전류는 서로 다른 방향으로 주기적으로 변화하므로 전력은 평균값으로 계산해야 한다. 따라서 160 [W]의 평균 전력을 소비하는 경우, 전압과 전류의 곱의 평균값이 160이 되어야 한다. 이 때, 저항과 코일의 합성 임피던스는 100 [V]에 대해 1.6 [A]의 효과적인 전류를 흐르게 한다.
이를 이용하여 저항과 임피던스를 구할 수 있다. 저항은 직류전압을 인가할 때의 전류와 교류전압을 인가할 때의 효과적인 전류의 비율에 따라 구할 수 있다. 즉, 저항은 2.5 [A] / 1.6 [A] = 1.5625 배가 된다. 따라서 저항은 100 [V] / 2.5 [A] = 40 [Ω]이 된다.
임피던스는 직류전압을 인가할 때의 전압과 교류전압을 인가할 때의 효과적인 전압의 비율에 따라 구할 수 있다. 즉, 임피던스는 100 [V] / (2.5 [A] / 1.6 [A]) = 50 [Ω]이 된다.
따라서 정답은 "40, 50"이다.