1과목: 과목 구분 없음
1. 다음 설명 중 옳은 것은?
(P, Q는 유효전력 및 무효전력 이고
는 전압, 전류의 페이저)로 계산된다.2. 어떤 전지에 접속된 외부회로의 부하저항은 5 [Ω]이고 이 때 전류는 8 [A]가 흐른다. 외부회로에 5 [Ω] 대신 15 [Ω]의 부하 저항을 접속하면 전류는 4 [A]로 변할 때, 전지의 기전력[V] 및 내부저항[Ω]은?
3. 다음 그림과 같이 평행한 무한장 직선 도선에 각각 I [A], 8I [A]의 전류가 흐른다. 두 도선 사이의 점 P에서 측정한 자계의 세기가 0 [V/m]이라면 b/a는?
4. 다음 그림에서 자속밀도 B=10[Wb/m2]에 수직으로 길이 20[cm]인 도체가 속도 v=10 [m/sec]로 화살표 방향(도체와 직각 방향)으로 레일과 같은 도체 위를 움직이고 있다. 이때 단자 a, b에 연결된 저항 2 [Ω]에서 소비되는 전력 P [W]는?
5. 2[㎌]의 평행판 공기콘덴서가 있다. 다음 그림과 같이 전극사이에 그 간격의 절반 두께의 유리판을 넣을 때 콘덴서의 정전용량[㎌]은? (단, 유리판의 유전율은 공기의 유전율의 9배라 가정한다)
6. 다음 그림의 회로에서 전류 I1, I2, I3의 크기 관계로 옳은 것은?
7. 다음 그림과 같은 회로에 교류전압을 인가하여 전류 I가 최소로 될 때, 리액턴스 Xc[Ω]는?
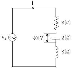
8. 다음 그림과 같은 R-L-C 직렬 회로에서 회로의 역률 및 기전력 Vs[V]는?
9. 다음 그림의 회로에서 a, b 단자에서의 테브닌(Thevenin) 등가 저항 Rth[kΩ]과 개방전압 Voc[V]는?
10. 다음 그림과 같이 평형 Δ결선된 3상 전원회로에 평형 Y결선으로 각 상의 임피던스 ZY=√3+j1[Ω]인 부하가 연결되어 있다. 이 때 선전류 ic[A]는?
11. 다음 그림의 회로에서 4 [Ω]에 소비되는 전력이 100 [W]이다. R1, R2에 흐르는 전류의 크기가 1 : 2의 비율이라면 저항 R1[Ω], R2[Ω]는?
12. R-L 직렬부하에 전원이 연결되어 있다. 저항 R과 인덕턴스 L이 일정한 상태에서 전원의 주파수가 높아지면 역률과 소비전력은 어떻게 되는가?
13. 다음 그림의 파형에 대한 설명 중 옳지 않은 것은?
14. 전위 함수가 V=3x+2y2[V]로 주어질 때 점(2, -1, 3)에서 전계의 세기[V/m]는?
15. 다음 그림의 회로에서 최대전력이 공급되는 부하 임피던스 ZL[Ω]은?


16. 저항 R=3[Ω], 유도리액턴스 XL=4[Ω]가 직렬 연결된 부하를 Y결선하고 여기에 선간전압 200 [V]의 3상 평형전압을 인가했을 때 3상 전력[kW]은?
17. 다음 그림의 회로에서 스위치(SW2)가 충분한 시간동안 열려 있다. t=0인 순간 동시에 스위치(SW1)를 열고, 스위치(SW2)를 닫을 경우 전류 io(0+) [mA]는? (단, io(0+)는 스위치(SW2)가 닫힌 직후의 전류이다)
18. 다음 그림의 회로에서 t=0의 시점에 스위치(SW)를 닫았다. 커패시터 전압이 최종값의 63.2%에 도달하는데 걸리는 시간[μs] 및 이 때의 전류 I [A]는? (단, R=2[Ω], C=100[㎌], E=100 [V], e-1=0.368이다)
19. 다음 그림의 회로에서 열려 있던 스위치(SW)를 닫을 때 저항 2[Ω]에서 일어나는 변화 중 옳은 것은?
20. 다음 그림과 같이 부하 Z=3+j6가 Δ접속되어 있는 회로에서 a-b간 전압이 180 [V]이다. 선전류 ia=20√3[A]가 흐른다면 선로저항 r [Ω]은?