1과목: 응용역학
1. 『재료가 탄성적이고 Hooke의 법칙을 따르는 구조물에서 지점침하와 온도 변화가 없을 때 한 역계 Pn에 의해 변형되는 동안에 다른 역계 Pm가 하는 외적인 가상일은 Pm역계 에 의해 변형하는 동안에 Pn역계가 하는 외적인 가상일과 같다.』 이것을 무엇이라 하는가?
2. 그림과 같은 외팔보의 B점의 처짐δB으로 맞는 것은? (단, 외팔보 AB 의 휨강성계수는 3EI 이다) (문제 오류로 현재 복원중입니다. 보기 내용을 아시는 분들께서는 오류 신고를 통하여 보기 작성 부탁 드립니다. 정답은 1번입니다.)
3. 그림(a)와 같은 하중이 그 진행방향을 바꾸지 아니하고, 그림(b)와 같은 단순보위를 통과 할때, 이 보에 절대 최대 휨 모멘트를 일어나게 하는 하중 9t의 위치는? (단, B 지점으로 부터 거리임)
4. 그림과 같은 라멘 구조물의 A점에서 불균형 모멘트에 대한 부재 A1의 모멘트 분배율은?
5. 다음 그림과 같이 방향이 서로 반대이고 평행한 두개의 힘이 A, B점에 작용하고 있을 때 두 힘의 합력의 작용점 위치는?
6. 다음과 같은 부재에서 AC사이의 전체 길이의 변화량 δ는 얼마인가? (단, 보는 균일하며 단면적 A와 탄성계수 E는 일정하다고 가정한다.) (문제 오류로 현재 복원중입니다. 보기 내용을 아시는 분들께서는 오류 신고를 통하여 보기 작성 부탁 드립니다. 정답은 3번입니다.)
7. 단순보에 등분포하중과 집중하중이 작용할 경우 최대 모멘트 값은?
8. 무게 3000kg인 물체를 단면적이 2cm2인 1개의 동선과 양쪽에 단면적이 1cm2인 철선으로 매달았다면 철선과 동선의 인장응력 σs, σc 는 얼마인가? (단, 철선의 탄성계수 Es=2.1×106kg/cm2, 동선의 탄성계수 Ec=1.05×106kg/cm2이다.)
9. 다음 구조물의 변형에너지의 크기는? (문제 오류로 현재 복원중입니다. 보기 내용을 아시는 분들께서는 오류 신고를 통하여 보기 작성 부탁 드립니다. 정답은 1번입니다.)
10. 오른쪽 그림과 같은 연속보에서 지점 모멘트 MB는? (단, EI는 일정하다.) (문제 오류로 현재 복원중입니다. 보기 내용을 아시는 분들께서는 오류 신고를 통하여 보기 작성 부탁 드립니다. 정답은 3번입니다.)
11. 직사각형단면으로 된 보의 단면적을 Acm2 , 전단력을 Vkg 이라 하면 최대 전단응력을 구한 값으로 맞는 것은? (문제 오류로 현재 복원중입니다. 보기 내용을 아시는 분들께서는 오류 신고를 통하여 보기 작성 부탁 드립니다. 정답은31번입니다.)
12. 끝단에 하중 P가 작용하는 그림과 같은 보에서 최대 처짐 δ가 발생하였다. 최대 처짐이 4δ가 되려면 보의 길이는? (단, EI는 일정하다.)
13. 다음 그림과 같이 일단고정, 타단 힌지의 장주에 중심축하중이 작용할 때 이 단면의 좌굴응력의 값은? (단, E=2.1×106kg/cm2이다.)
14. 그림과 같이 가운데가 비어있는 직사각형 단면 기둥의 길이가 L=10m일 때 이 기둥의 세장비는?
15. 그림과 같은 트러스의 사재D의 부재력은?
16. 그림과 같은 3 힌지(hinge) 아아치가 P=10t의 하중을 받고 있다. B지점에서 수평 반력은?
17. 단면의 성질에 대한 다음 설명 중 잘못된 것은?
18. 다음 그림과 같은 I형 단면보에 6t의 전단력이 작용할 때 상연(上緣)에서 5cm 아래인 지점에서의 전단응력은? (단, 단면 2차 모멘트는 100,000cm4 이다.)
19. 다음 단면에 대한 관계식중 옳지 않은 것은? (문제 오류로 현재 복원중입니다. 보기 내용을 아시는 분들께서는 오류 신고를 통하여 보기 작성 부탁 드립니다. 정답은 3번입니다.)
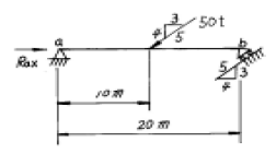
20. 다음 단순보의 반력 Rax 의 크기는?
2과목: 측량학
21. 다음중 원격탐사(Romote Sensing)를 정의한 것으로 옳은 것은?
22. 사진상의 연직점에 대한 설명으로 옳은 것은?(관련 규정 개정전 문제로 여기서는 기존 정답인 3번을 누르면 정답 처리됩니다. 자세한 내용은 해설을 참고하세요.)
23. 노선측량에서 단곡선을 설치할 때 정확도는 좋지 않으나 간단하고 신속하게 설치할수 있는 1/4 법은 다음 중 어느 방법을 이용한 것인가?
24. 일반적으로 단열삼각망을 주로 사용할 수 있는 측량은?
25. 다음 그림에 있어서 θ=30°11′00″, S=1,000(평면거리)일 때 C점의 X좌표는? (단, AB의 방위각은 89°49′00″, A점의 X좌표는 1,200m)
26. 직사각형의 두변 길이를 1/200 정확도로 관측하여 면적을 산출할 때 산출된 면적의 정확도는? (문제 오류로 현재 복원중입니다. 보기 내용을 아시는 분들께서는 오류 신고를 통하여 보기 작성 부탁 드립니다. 정답은 2번입니다.)
27. 다음 중 GPS의 특징에 대한 설명으로 옳지 않은 것은?
28. 다음 그림의 유토곡선(mass curve)에서 하향구간인 A-C, E-F 구간이 의미하는 것은?
29. 다음은 교호수준측량의 결과이다. A점의 표고가 10m일 때 B점의 표고는?
30. 측지좌표 기준계로서 SPOT이나 GPS에서 채택하고 있는 좌표계는?
31. 종방향 40km, 횡방향 30km인 토지를 축척 1:40000, 사진크기 23×23cm, 초점거리 160mm, 종중복도 60%, 횡중복도 30%로 촬영할 때 입체모델 수는?(관련 규정 개정전 문제로 여기서는 기존 정답인 1번을 누르면 정답 처리됩니다. 자세한 내용은 해설을 참고하세요.)
32. 노선의 중심말뚝(20m간격)에 대한 횡단 측량 결과에 예정 노선의 단면을 넣어서 면적을 구한 결과 단면I의 면적 A1= 78m2, 단면Ⅱ의 면적 A2 = 132m2임을 알았다. 단면I과 단면Ⅱ간의 토량은?
33. 다음의 입체시에 대한 설명중 옳은 것은?(관련 규정 개정전 문제로 여기서는 기존 정답인 3번을 누르면 정답 처리됩니다. 자세한 내용은 해설을 참고하세요.)
34. 다음 중 완화곡선의 종류가 아닌 것은?
35. 하천의 수애선은 어떤 수위에 의하여 정해지는가?
36. 촬영고도 2,500m에서 촬영된 인접한 2매의 수직사진이 있다. 이 사진의 주점기선장이 10cm라면, 기준면에서 비고 50m인 지점의 시차차는?(관련 규정 개정전 문제로 여기서는 기존 정답인 2번을 누르면 정답 처리됩니다. 자세한 내용은 해설을 참고하세요.)
37. 캔트를 계산할 때 같은 조건에서 곡선 반지름만을 2배로하면 캔트는 몇 배가 되는가?
38. 노선측량에서 그림과 같은 단곡선을 설치할 때 곡선의 반지름(R)=100m, 교각(I)=60°00′라면 다음 중 옳지 않은 것은?
39. 다음의 각관측 방법 중 배각법에 관한 설명으로 옳지 않은 것은? (여기서, α:시준오차, β:읽기오차, n:반복회수) (문제 오류로 현재 복원중입니다. 보기 내용을 아시는 분들께서는 오류 신고를 통하여 보기 작성 부탁 드립니다. 정답은 1번입니다.)
40. 등고선의 성질을 설명한 것 중 옳지 않은 것은?
3과목: 수리학 및 수문학
41. 관측점 x의 우량계 고장으로 1개월 동안 강우량 관측을 할 수 없었다. 이 기간 동안에 집중 호우가 발생하여 인접 관측점 A, B, C에 다음과 같이 강우량이 측정되었다면 결측 기간 동안 x 관측점의 강우량은?
42. 물이 들어있고 뚜껑이 없는 수조가 14.7m/sec2의 속도로 수직상향으로 가속되고 있을 때 수조 속 깊이 2.0m에서의 압력은? (단, 물의 단위중량은 1.0ton/m3이다.)
43. 개수로의 흐름 상태에 대한 설명으로 옳은 것은?
44. 그림과 같이 면적 500m2의 여과지가 있다. 투수계수 K가 0.120㎝/sec 일 때 여과량은 얼마인가?
45. 임의의 면에 작용하는 정수압의 작용방향을 옳게 설명한 것은?
46. DAD 해석에 관계되는 요소로 짝지어진 것은?
47. 길이 5m, 직경 8m의 원주가 수평으로 놓여 있을 경우 원주의 한쪽에 윗단까지 물이 차 있다면 이 원주에 작용하는 전수압은?
48. 유체의 밀도¢, 점성계수°, 벽면의 마찰력¥o , 평균유속을 V라고 할 때 마찰속도u* 로 옳은 것은? (문제 오류로 현재 복원중입니다. 보기 내용을 아시는 분들께서는 오류 신고를 통하여 보기 작성 부탁 드립니다. 정답은 2번입니다.)
49. 원관의 흐름에서 수심이 반지름의 깊이로 흐를 때 경심은?
50. 합성단위유량도를 작성하기 위한 방법의 하나인 Snyder법에서 첨두유량 산정에 필요한 매개변수(parameter)로만 짝지어진 것은?
51. 유효강우량(effective rainfall)에 대한 설명으로 옳은 것은?
52. 저수지의 측벽에 폭 20㎝, 높이 5㎝의 직사각형 오리피스를 설치하여 유량 200L/sec를 유출시키려고 할 때 수면으로부터의 오리피스 설치 위치는? (단, 유량계수 C = 0.62)
53. 1시간 간격의 강우량이 10㎜, 20㎜, 40㎜, 10㎜이다. 직접유출이 50%일 때 Φ-index를 구한 값은?
54. 사각형 광폭 수로에서 한계류에 대한 설명으로 틀린 것은?
55. 수리학적 완전상사를 이루기 위한 조건이 아닌 것은?
56. 피압 지하수를 설명한 것으로 옳은 것은?
57. 직경 1mm인 모세관의 경우에 모관상승 높이는? (단, 물의 표면장력은 74dyne/㎝, 접촉각은 8°)
58. k가 엄격히 말하면 월류수심 h 등에 관한 함수이지만, 근사적으로 상수라 가정하면 직사각형 위어(Weir)의 유량 Q과 h의 일반적인 관계로 옳은 것은?
59. 다음의 손실계수 중 특별한 형상이 아닌 경우, 일반적으로 그 값이 가장 큰 것은?
60. 개수로와 비교할 때 관수로에 대한 설명으로 틀린 것은?
4과목: 철근콘크리트 및 강구조
61. 콘크리트 구조설계기준에서는 띠철근으로 보강된(사각형) 기둥에 대해서는 감소계수 ø=0.7, 나선철근으로 보강된 기둥(원형)에 대해서는 ø=0.75로 하도록 하였다. 그 이유에 대한 설명으로 가장 적당한 것은?
62. 순단면이 볼트의 구멍 하나를 제외한 단면(즉,A-B-C 단면)과 같도록 피치(s)를 결정하면? (단, 볼트의 직경은 19mm이다.)
63. 강도설계에서 이형철근의 정착길이는 무엇과 반비례하는가?
64. 그림과 같은 용접부의 응력은?
65. 철근콘크리트 단면의 휨강도와 거동을 강도설계법에 의해 계산하기 위한 가정 중 잘못된 것은?
66. 자중을 포함한 계수등분포하중 75 kN/m을 받는 단철근 직사각형 단면 단순보가 있다. fck=24 MPa, 지간은 8m이고, b=350mm, d=550mm일 때, 다음 설명 중 옳지 않은 것은?
67. 그림에 나타난 이등변삼각형 단철근보의 공칭 휨강도 Mn를 계산하면? (단, 철근 D19 3본의 단면적은 860mm2, fck=28MPa, fy=350MPa 이다.)
68. 그림과 같은 원형철근기둥에서 콘크리트구조설계기준에서 요구 하는 최소 나선철근의 간격은 약 얼마인가? (단, fck=24MPa, fy=400MPa, D10철근의 공칭단면적은 71.3mm2이다.)
69. 슬래브와 보가 일체로 타설된 비대칭 T형보의 유효폭은 얼마인가? (단, 플랜지 두께 = 100mm, 복부폭 = 300mm, 인접보와의 내측거리 = 1600mm, 보의 경간 = 6.0m)
70. 강도설계법에서 fck = 30 MPa, fy = 350 MPa 일 때 단철근직사각형보의 균형철근비는?
71. 그림의 단면을 갖는 저보강 PSC보의 설계휨강도(φMn)는 얼마인가? (단, 긴장재 단면적 Ap=600mm2, 긴장재 인장응력 fps=1500MPa, 콘크리트 설계기준강도 fck=35MPa)
72. 그림과 같은 정사각형 독립확대 기초 저면에 작용하는 지압력이 q=100kPa 일때 휨에 대한 위험단면의 휨모멘트 강도는 얼마인가?
73. 압축부재의 나선철근에 대한 요건 중 틀린 것은?
74. bw=250mm이고, h=500mm인 직사각형 단면에 균열을 일으키 는 비틀림모멘트 Tcr은 얼마인가? (단, fck=28MPa 이다.)
75. 포스트텐션된 보에는 포물선 긴장재가 배치되었다. A단에서 잭킹(jacking)할 때의 인장력은 900kN 이었다. 강재와 쉬스의 마찰손실을 고려할 때 상대편 지지점 B단에서의 긴 장력 Px 는 얼마인가? (단, 파상마찰계수 k=0.0066/m ,곡률마찰계수 °=0.30/radian 이고, ≤=0.3⒡2/9=1/15 (ridian) 이며, 근사식을 사용하여 계산한다.)
76. PS강재의 탄성계수 Ep=200,000MPa, 콘크리트 탄성계수 Ec =30,000MPa, 콘크리트 건조수축률 εcs=18x10-5 일 때 PS 강재의 프리스트레스 감소율은 얼마인가? (단, 초기 프리스트레스는 1200MPa 이다.)
77. 콘크리트의 압축강도가 27MPa, 철근의 항복강도 400MPa, 폭이 350mm, 유효깊이가 600mm인 직사각형 보의 최소철근량은 얼마인가?
78. 단철근 보 단면에 하중이 재하됨과 동시에 순간처짐이 2mm 생겼다. 이하중이 지속적으로 작용할 때 추가로 생기는 장기처짐량은 얼마인가? (단, 여기서 하중은 5년 이상 지속적으로 재하된 것으로 본다.)
79. 아래 단철근 T형보에서 다음 주어진 조건에 대하여 등가응력의 깊이 a는 얼마인가? (조건 : b = 1000mm, t = 80mm, d = 600mm, As = 5000mm2, bw = 400mm, fck = 21MPa, fy = 300MPa)
80. 일정한 두께의 1방향 Slab 에서 전단에 대한 위험 단면은?
5과목: 토질 및 기초
81. 사면파괴가 일어날 수 있는 원인에 대한 설명중 적절하지 못한 것은?
82. 흙의 단위중량이 1.5t/m3인 연약점토지반(φ=0)을 연직으로 4m까지 절취할 수 있다고 한다. 이 점토지반의 점착력은 얼마인가?
83. 한 요소에 작용하는 응력의 상태가 그림과 같을 때 m-m면 에 작용하는 수직응력은?(문제 오류로 현재 복원중입니다. 보기 내용을 아시는 분들께서는 오류 신고를 통하여 보기 작성 부탁 드립니다. 정답은 1번입니다.)
84. 흙의 다짐에 있어 램머의 중량이 2.5㎏, 낙하고 30㎝, 3층으로 각층 다짐회수가 25회 일때 다짐에너지는? (단, 몰드의 체적은 1000cm3이다.)
85. 입도분석 시험결과 다음과 같은 결과를 얻었다. 이 흙을 통일분류법에 의해 분류하면? (단, 0.074mm체 통과율=3%, 2mm체 통과율=40%, 4.75mm체통과율=65%, D10=0.10㎜, D30=0.13㎜, D60=3.2㎜)
86. Vane Test에서 Vane의 지름 50㎜, 높이 10㎝ 파괴시 토오크가 590kg·cm일 때 점착력은?
87. 유선망을 작성하여 침투수량을 결정할 때 유선망의 정밀도가 침투수량에 큰 영향을 끼치지 않는 이유는?
88. 다음 그림과 같은 점성토 지반의 굴착저면에서 바닥융기에 대한 안전율을 Terzaghi의 식에 의해 구하면? (단, 】=1.731t/m3, C=2.4t/m2 이다.)
89. 그림과 같이 지하수위가 지표와 일치한 연약점토 지반위에 양질의 흙으로 매립 성토할 때 매립이 끝난후 매립후 지표로부터 5m 깊이에서의 과잉 간극수압은 약 얼마인가?
90. 그림에 표시된 하중 q에 의한 최종압밀 침하량은 7.5㎝로 예상되어진다. 예상되는 최종압밀 침하량의 80%가 일어나는데 걸리는 시간은? (단, Cv = 2.54 x 10-4cm2/sec, T80 = 0.567)
91. 지름 d = 20㎝인 나무말뚝을 25본 박아서 기초 상판을 지지하고 있다. 말뚝의 배치를 5열로 하고 각열은 등간격으로 5본씩 박혀있다. 말뚝의 중심간격 S = 1m이고 1본의 말뚝이 단독으로 10t의 지지력을 가졌다고 하면 이 무리 말뚝은 전체로 얼마의 하중을 견딜수 있는가? (단, Converse - Labbarre식을 사용한다.)
92. 토압론에 관한 다음 설명중 틀린 것은?
93. Terzaghi의 수정(修正) 지지력 공식 qult= 』CNc+βγ1BNr+γ2DfNq에 대한 다음 설명중 틀린 것은?
94. 다음 연약지반 개량공법에 관한 사항중 옳지 않은 것은?
95. 다음 점토 광물중 입자 모양이 판상이 아닌 것은?
96. 다음 흙의 다짐에 관한 설명으로 틀린 것은?
97. 흙의 모관상승에 대한 설명중 잘못된 것은?
98. 포화점토가 성토직후에 갑자기 파괴되는 경우에 대한 전단 강도를 구하는데는 다음의 어느 시험을 사용하는가?
99. 소성도표에 대한 설명 중 옳지 않은 것은?
100. 어떤 모래층의 공극비(e)는 0.2, 비중(Gs)은 2.60이었다. 이 모래가 Quick - Sand - action이 일어나는 한계 동수경사(ic)는 다음중 어느 값인가?
6과목: 상하수도공학
101. 다음중 수격작용(Water Hammer)의 방지 또는 감소 대책에 대한 설명으로 틀린 것은?
102. 활성슬러지법의 여러 가지 변법 중에서 잉여슬러지량을 현저하게 감소시키고 슬러지 처리를 용이하게 하기 위해 개발된 방법으로서 포기시간이 16∼24시간, F/M비가 0.03 ∼0.05kgBOD/kgSS·day 정도의 낮은 BOD-SS부하로 운전하는 방식은?
103. 상수도의 계통을 올바르게 나타낸 것은?
104. 우수가 하수관거로 유입하는 시간이 4분, 하수관거에서의 유하시간이 10분, 이 유역의 유역면적이 0.4㎢, 유출계수는 0.6, 강우강도 i =6500/(t+40)mm/hr식일 때 첨두유량은? (단, t의 단위 : [분])
105. 다음 상수의 도수 및 송수에 관한 설명 중 틀린 것은?
106. 펌프의 비회전도(Ns)에 대한 설명으로 틀린 것은?
107. 하수관거의 관정부식(crown corrosion)의 주된 원인이 되는 물질은?
108. 상수 원수에 포함된 색도 제거를 위한 단위 조작으로 가장 거리가 먼 것은?
109. 슬러지 용적지수(Sludge Volume Index : SVI)에 대한 설명 으로 옳지 않은 것은?
110. 활성슬러지법에서 MLSS란 무엇을 뜻하는가?
111. 슬러지 팽화(bulking)의 원인으로서 옳지 않은 것은?
112. 다음 그림은 펌프 표준특성곡선이다. 펌프의 양정을 나타내는 곡선 형태는?
113. 우수가 하수거에 유입되기 전에 우수받이를 설치하는 주목적은?
114. 어느 소도시의 20년후의 인구는 35000명으로 측정되었다. 현재 인구는 28000명이고 평균 물소비량은 16000m3/day 이며 현재의 상수공급시설은 19000m3/day의 설계용량을 가지고 있다. 등차급수적 추정법에 의해서 대략 몇 년후에 상수공급시설이 설계용량에 도달하는가? (단, 1일1인당 물 소비량은 변화가 없는 것으로 가정)
115. 하천의 자정계수(self-purification factor)에 대한 설명 으로 옳은 것은?
116. 유입수량이 100m3/min, 침전지 용량이 5000m3, 침전지 유효수심이 4m일 때 수면부하율(m3/m2·day)은?
117. 폭기조에 가해진 BOD부하 1kg당 100m3의 공기를 주입시켜야 한다면 BOD가 150mg/L인 하수 7570m3/day를 처리하기 위해서는 얼마의 공기를 주입해야 하는가?
118. 배수관망 계산시 시산법(try and error method)을 사용하여 관망의 유량을 계산하는 방법은?
119. 염소가 수중의 여러가지 불순물과 작용한 후에도 HOCl 이나 OCl-로 존재하는 염소를 무엇이라 하는가?
120. 인구가 100,000명인 A 도시의 1일 1인당 오수량이 250L 이다. 하수를 처리하기 위해 유효수심 3m, 침전시간 2시간인 침전지를 설계하려고 할 때 침전지의 소요면적은?